青岛垚鑫智能科技有限公司
宣传

位置:北方有色 >

有色技术频道 >

> 固/危废处置技术

分类:
全部
矿山技术
冶金技术
材料制备及加工技术
环境保护技术
分析检测技术
 
全部
废水处理技术
大气治理技术
固/危废处置技术
土壤修复技术
地区:
全部
北京
天津
上海
重庆
河北
山西
辽宁
吉林
黑龙江
江苏
浙江
安徽
福建
江西
山东
河南
湖北
湖南
广东
海南
四川
贵州
云南
陕西
甘肃
青海
内蒙
广西
西藏
宁夏
新疆
其他
其他
展开
 
全部
沈阳
大连
鞍山
抚顺
本溪
丹东
锦州
营口
阜新
辽阳
盘锦
铁岭
朝阳
葫芦岛

辽宁沈阳有色金属固/危废处置技术理论与应用

免费发布技术信息>>
污水厂尾水总氮的去除装置及方法

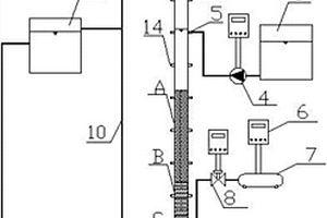
一种污水厂尾水总氮的去除装置及方法,装置包括反应器主体,反应器主体在反冲排水口下方设置筛网,侧壁由上向下依次设安全排放口,反冲排水口,进水口和取样口;底部设出水口;反应器主体上部连接进水箱,底部连有反冲洗水箱,出水口通过导管与反冲洗水箱相连接。去除方法如下:农作物废弃物作为固相缓释碳源预处理;反硝化活性污泥富集培养;固体碳源挂膜与装置启动,总氮去除操作,收集脱氮完成获得清水,以及装置反冲洗。该发明装置简单,方法以农业废弃物为固体碳源,具有生物调控释碳性能,动态满足反硝化脱氮对碳源需求,环保并实现废物利用;出水总氮浓度稳定在1.5mg/L,出水COD满足排放标准,去除装置反冲洗周期长,动力费用较低。

标签:
固废
辽宁 - 沈阳 来源:北方有色网 2023-03-19
糖玻璃化香精的制备工艺

一种糖玻璃化香精的制备工艺属于食品加工废弃物处理领域,更具体地说是属于浓缩果汁固体废弃物的厌氧发酵工艺。该工艺提供了一种操作方便、高效、低成本的浓缩果汁固体废弃物的厌氧发酵工艺。本发明采用如下的技术方案:选用麦芽糊精和麦芽糖搭配作为壁材的主要填充剂,选用变性淀粉和阿拉伯胶作为壁材的乳化稳定剂,采用预混料工艺进行制备。

标签:
固废
辽宁 - 沈阳 来源:北方有色网 2023-03-19
利用紫外/半干法脱硫灰高级还原降解偶氮染料的方法

本发明属于固体废弃物资源化利用技术领域,具体涉及一种利用紫外/半干法脱硫灰高级还原降解偶氮染料的方法,该方法是将半干法脱硫灰作为还原剂,在紫外光的促进作用下利用UV/脱硫灰高级还原体系产生的强还原性自由基对废水中的偶氮染料进行降解去除。该方法主要步骤如下:(1)将取自稳定运行的半干式钙法烟气脱硫系统产生的废弃物(脱硫灰)研磨过筛子,取筛下的粉末装袋待用;(2)取一定量的偶氮染料废水置于反应池中,加入一定量预处理后的脱硫灰,调节溶液反应pH,并用紫外灯进行照射反应溶液;(3)将处理后的废水调节中性,静置一段时间后,过滤出水。本工艺对废水及废弃物无害化处理的同时,实现废弃物的高附加值资源化利用,达到以废治废的目的,具有显著的经济效益、社会效益及环境效益。

标签:
固废
辽宁 - 沈阳 来源:北方有色网 2023-03-19
利用紫外/镁法脱硫渣高级还原降解偶氮染料的方法

本发明属于固体废弃物资源化利用技术领域,具体涉及一种利用紫外/镁法脱硫渣高级还原降解偶氮染料的方法,该方法是将湿式镁法烟气脱硫渣作为还原剂,在紫外光的促进作用下利用UV/脱硫渣高级还原体系产生的强还原性自由基对废水中的偶氮染料进行降解去除。该方法主要步骤如下:(1)将取自稳定运行的湿式氧化镁法烟气脱硫系统产生的废弃物(脱硫渣)经干燥,研磨过筛子,取筛下的粉末装袋待用;(2)取一定量的偶氮染料废水置于反应池中,加入一定量预处理后的脱硫灰,调节溶液反应pH,并用紫外灯进行照射反应溶液;(3)将处理后的废水调节中性,静置一段时间后,过滤出水。本工艺对废水及废弃物无害化处理的同时,实现废弃物的高附加值资源化利用,达到以废治废的目的,具有显著的经济效益、社会效益及环境效益。

标签:
固废
辽宁 - 沈阳 来源:北方有色网 2023-03-19
垃圾分拣
垃圾分拣 719     
 0

本实用新型公开了一种垃圾分拣,包括:箱体,所述箱体的内部具有容置空间,所述箱体的左表面和右表面具有与所述容置空间连通的开口,箱体的上表面具有与所述容置空间连通的进料口,所述容置空间的内部设置输料装置,所述输料装置位于所述进料口的下方,所述输料装置的第一端靠近所述箱体的左表面,背离所述输料装置第一端的二端远离所述左表面,水箱上的喷淋头对第一平面、第二平面以及第三平面内的固体废物进行清洗,便于固体废物进入焚烧炉内后能进行充分的燃烧,从而提高焚烧炉对固体废物的焚烧效率。

标签:
固废
辽宁 - 沈阳 来源:北方有色网 2023-03-19
油墨用氧化铝的制造方法

本发明提供一种制造油墨用氧化铝的新方法,其技术要点是:它是以含废硫酸、含铝废碱液、二次铝灰等废弃物质为原料生产油墨用氧化铝的制造方法。含铝废硫酸、废碱液主要来自一些工业在铝硫酸阳极化及铝化铣工艺过程中所排放的废液。二次铝灰则来自铝重熔过程中所产生的一次铝灰,经压延、筛分、采铝后所废弃的固体废物。这些废弃物质来源广泛,遍及国内城乡。采用本发明制造氧化铝,不但可以大大降低成本,还可以消除含铝的废酸、废碱溶液给环境带来的污染。

标签:
固废
辽宁 - 沈阳 来源:北方有色网 2023-03-19
用于露天煤矿表土替代材料的改良剂制备及使用方法

本发明涉及一种用于露天煤矿表土替代材料的改良剂制备及使用方法,使用H2O2溶液对碳质泥岩进行常温浸泡离心,获得黄腐酸一次浸提液和一次离心固体,将一次离心固体加入混合酸溶液搅拌离心,获得黄腐酸二次浸提液和二次离心固体;将黄腐酸一次浸提液与黄腐酸二次浸提液混合浓缩得到黄腐酸浓缩液;所述黄腐酸浓缩液中添加木醋液和竹醋液,得到改良剂液体组分;将二次离心固体行风干研磨,与农产品废弃物,磷石膏粉混合,加入土壤微生物菌,获得改良剂固体组分;所述改良剂固体组分用量为50‑200 kg/亩,改良剂液体组分用量为50‑200kg/亩;本方法采用碳质泥岩作为原料并对其进行氧化酸化处理,有效并同时解决表土替代材料pH值、有机质等问题,使表土替代材料快速适应植物生长。

标签:
固废
辽宁 - 沈阳 来源:北方有色网 2023-03-19
超声-紫外-镁法脱硫渣协同降解偶氮染料的方法

本发明属于固体废弃物资源化利用和废水高级还原处理技术领域,具体涉及一种超声‑紫外‑镁法脱硫渣协同降解偶氮染料的方法,该方法是将湿式氧化镁法脱硫渣作为还原剂,在超声波及紫外光的协同作用下利用超声‑紫外‑镁法脱硫渣组成的高级还原体系产生的强还原性自由基对废水中的偶氮染料进行降解去除。该方法主要步骤如下:(1)将取自稳定运行的湿式氧化镁法烟气脱硫系统产生的废弃物(脱硫渣)经干燥,研磨过筛子,取筛下的粉末装袋待用;(2)取一定量的偶氮染料废水置于反应池中,加入一定量预处理后的脱硫灰,调节溶液pH,在超声及紫外灯照射条件下,对废水进行处理;(3)将处理后的废水调节至中性,静置一段时间后,过滤出水。本工艺对废水及废弃物无害化处理的同时,实现废弃物的高附加值资源化利用,达到以废治废的目的,具有显著的经济效益、社会效益及环境效益。

标签:
固废
辽宁 - 沈阳 来源:北方有色网 2023-03-19
超声-紫外-半干法脱硫灰协同降解偶氮染料的方法

本发明属于固体废弃物资源化利用及废水高级还原处理技术领域,具体涉及一种超声‑紫外‑半干法脱硫灰协同降解偶氮染料的方法。在超声及紫外光的协同作用下利用超声‑紫外‑脱硫灰组成的高级还原体系产生的强还原性自由基对废水中的偶氮染料进行降解去除。该方法主要步骤如下:(1)将取自稳定运行的半干式钙法烟气脱硫系统产生的废弃物(脱硫灰)研磨过筛子,取筛下的粉末装袋待用;(2)取一定量的偶氮染料废水置于反应池中,加入一定量预处理后的脱硫灰,调节溶液反应pH,在超声及紫外灯照射条件下,对废水进行处理;(3)将处理后的废水调节中性,静置一段时间后,过滤出水。本工艺对废水及废弃物无害化处理的同时,实现废弃物的高附加值资源化利用,达到以废治废的目的,具有显著的经济效益、社会效益及环境效益。

标签:
固废
辽宁 - 沈阳 来源:北方有色网 2023-03-19
基于钨铁尾矿的光催化透水砖及其制备方法

本发明提出了一种基于钨铁尾矿的光催化透水砖及其制备方法。所述基于钨铁尾矿的光催化透水砖包括光催化面层和基体层,光催化面层和基体层压制成一体结构,所述光催化面层由无机固体废料颗粒、钨尾矿细颗粒、铁尾矿细颗粒、硅酸水泥和粉煤灰制成;所述基体层由硅酸水泥、石英砂、水碎石、脱硫灰、粘土、粉煤灰和减水剂制成。本发明一方面解决了固体废弃物常年堆积的问题,同时提高了固体废弃物的利用率;另一方面利用钨尾矿和铁尾矿制成的透水砖,在光照下产生强烈的氧化作用,能把空气中难分解的有毒污染物氧化为CO2、H2O等无机物,具有分解速度快、除净度高、无二次污染等优点,利用其特点制成的自清洁透水砖,有一定的环保优势。

标签:
固废
辽宁 - 沈阳 来源:北方有色网 2023-03-19
煤气站循环水处理方法

本发明涉及到固体废弃物赤泥资源化利用领域,具体为一种煤气站循环水处理的方法,适用于利用拜耳法赤泥做成絮凝剂处理煤气站循环水(包含双竖管、洗涤塔及湿式电除尘器等用水)。利用氧化铝生产中产生固体废弃物赤泥制成液体絮凝剂,用于氧化铝厂内配套煤气站净化系统设备的除尘冷却洗涤水处理。将处理过的赤泥(赤泥液体絮凝剂)加入到煤气站循环水处理系统中充分混合,优化循环水中悬浮物的沉降性能,然后进入高浊度一体化净水器,有效去除悬浮物,从而达到煤气站循环冷却水水质要求。同时,赤泥滤液加入到循环回水沟,用于中和循环回水,充分利用赤泥的碱性。本发明将使固体废弃物(赤泥)得到资源化利用,同时降低了煤气站循环水处理成本。

标签:
固废
辽宁 - 沈阳 来源:北方有色网 2023-03-19
用于硼泥固化的直接水热方法

本发明涉及一种硼行业废渣硼泥的综合利用方法,具体为一种用于硼泥固化的直接水热转化方法。该方法以硼泥和粉煤灰为基本原料,在160~240℃饱和水蒸气环境中完成硼泥内菱镁石(MgCO3)向水镁石(Mg(OH)2)的转化反应以及Mg(OH)2与粉煤灰之间的原位水热化合反应,最终获得具有较高力学强度和耐久性的块状固体。为加快反应速度、提高转化率,在水热环境中引入潮湿消石灰用于消耗转化反应产生的CO2,同时加入适量可溶性镁盐作为反应助剂。本方法不仅适用于硼泥的转化固化,也适用于其它含有MgCO3的工业废弃物的回收利用。

标签:
固废
辽宁 - 沈阳 来源:北方有色网 2023-03-19
镁基地聚合物及其制备方法

本发明提供一种镁基地聚合物及其制备方法。所述镁基地聚合物按照重量百分比的组成为:硅铝相材料40~50%,镁质材料35~40%,酸性激发剂10~20%。制备方法包括以下步骤:按照上述质量配比配料,先将硅铝相材料和镁质材料混合陈化后依次干燥、粉磨;再加入酸性激发剂激发,凝结后脱模、养护既得。本发明提供了一种固体废弃物的利用方法,可以利用多种富含硅、铝元素的固体废弃物为原料,将巨量固体废弃物转化为可回收利用资源。本发明还提供了一种新型绿色胶凝材料,其制备方法简单,来源广泛,能耗低,排放少,可有效替代水泥等传统高能耗高排放的胶凝材料。

标签:
固废
辽宁 - 沈阳 来源:北方有色网 2023-03-19
用皂化渣制备水合肼并联产氯化钙的方法

用废弃物皂化渣制备水合肼、氯化钙的方法,涉及制备氯化钙的方法,所述方法包括以下过程:用环氧丙烷生产废弃物皂化渣通入氯气生产次氯酸钙溶液,在Mo-Fe催化剂作用下与氨水直接作用生成水合肼;其中催化剂可以过滤出回用,水合肼蒸馏母液是饱和氯化钙溶液用于制备固体氯化钙,水合肼生产中过滤出的废渣,主要是CaCO3,与副产盐酸反应生成氯化钙溶液,最终得到固体氯化钙。该方法用废弃的皂化渣生产水合肼,同时联产氯化钙,变废为宝,还可以减少60%以上的皂化渣,不产生新的污染源,对环境的污染程度大大减轻。

标签:
固废
辽宁 - 沈阳 来源:北方有色网 2023-03-19
妇科手术室用储液桶
妇科手术室用储液桶 1190     
 0

本实用新型公开了一种妇科手术室用储液桶,包括箱体,所述箱体的内腔安装有筛选机构,所述筛选机构的内腔安装有密封组件。该妇科手术室用储液桶,通过向下移动踏板,将弹簧压缩,带动立柱向下移动,使密封塞向下移动,将液体收集箱的进水口开启,通过导流板可改变废物流动的方向,使废物可掉落至过滤网的顶端,通过过滤网可对其进行过滤,固体废料可掉落至固体收集箱22的内腔,液体废料可掉落至液体收集箱的内腔,装置可方便的将废物进行有效的筛选,保证后续处理时较为简单,且当储液桶意外发生倾倒时,废液不易留出。

标签:
固废
辽宁 - 沈阳 来源:北方有色网 2023-03-19
土壤磷素活化剂及其制作方法

本发明涉及土壤营养元素调控技术和固体废弃物处理与处置技术,具体为一种土壤磷素活化剂及其制作方法,解决农田土壤磷有效性低和肥料磷进入土壤后的快速固定问题。活化剂按干重比计,维生素C发酵废渣35~45份、褐煤35~45份、锯末3~5份、天然沸石粉3~5份、煤灰渣10~14份。其制作为:将VC发酵废渣与褐煤和锯末混合,常温沤制3~5日后,加入煤灰渣,中温堆腐4~6日,风干过筛,加入天然沸石粉,混匀,分装,得成品。本发明环境友好,工艺简单,成本低廉,活化剂可单独施入农田,也可与化肥混合后施用。

标签:
固废
辽宁 - 沈阳 来源:北方有色网 2023-03-19
高硫铝土矿干法脱硫装置

一种高硫铝土矿干法脱硫装置,包括给料单元、干燥预热单元、悬浮脱硫炉、脱硫反应器、余热回收单元、燃烧系统、净化单元及排放单元。脱硫方法为:高硫铝土矿粉经给料单元称重后进入干燥预热单元,预热物料进入悬浮脱硫炉,含尘废气进入净化单元;预热物料经悬浮脱硫炉一次脱硫形成高温物料后进行气固分离,固体物料进入脱硫反应器,热废气排入干燥预热单元;固体物料经脱硫反应器二次脱硫形成高温熟料,高温熟料进入余热回收单元,反应废气进入悬浮脱硫炉;高温熟料由余热回收单元降温,熟料降温后排入熟料储仓,预热空气进入悬浮脱硫炉;含尘废气进入净化单元完成脱硫净化和除尘,固体粉尘返回干燥预热单元,净化废气经排放单元排入大气。

标签:
固废
辽宁 - 沈阳 来源:北方有色网 2023-03-19
高硫铝土矿干法脱硫装置及方法

一种高硫铝土矿干法脱硫装置及方法,装置包括给料单元、干燥预热单元、悬浮脱硫炉、脱硫反应器、余热回收单元、燃烧系统、净化单元及排放单元。方法为:高硫铝土矿粉经给料单元称重后进入干燥预热单元,预热物料进入悬浮脱硫炉,含尘废气进入净化单元;预热物料经悬浮脱硫炉一次脱硫形成高温物料后进行气固分离,固体物料进入脱硫反应器,热废气排入干燥预热单元;固体物料经脱硫反应器二次脱硫形成高温熟料,高温熟料进入余热回收单元,反应废气进入悬浮脱硫炉;高温熟料由余热回收单元降温,熟料降温后排入熟料储仓,预热空气进入悬浮脱硫炉;含尘废气进入净化单元完成脱硫净化和除尘,固体粉尘返回干燥预热单元,净化废气经排放单元排入大气。

标签:
固废
辽宁 - 沈阳 来源:北方有色网 2023-03-19
以活性氧化镁和铝或铝合金为原料制备金属镁和镁铝尖晶石的方法

一种以活性氧化镁和铝或铝合金为原料制备金属镁和镁铝尖晶石的方法,按以下步骤进行:(1)将菱镁石或水镁石煅烧,磨碎获得活性氧化镁粉;(2)将还原剂与活性氧化镁粉混合均匀,制成混合物料,压制成团块;(3)在1100~1300℃进行还原反应,生产气态的金属镁和固体渣块;(4)将固体渣块磨细,压制成团块,煅烧获得镁铝尖晶石成品。本发明的方法采用煅烧后的活性氧化镁为原料,与铝或铝合金反应同时生成金属镁和镁铝尖晶石,其中铝粉为工业铝粉或废铝会后生产的铝粉,铝合金粉为工业铝合金粉或废铝合金回收生产的铝合金粉;该方法工艺简单,成本低,适合工业生产。

标签:
固废
辽宁 - 沈阳 来源:北方有色网 2023-03-19
人工土壤及其配制方法和应用

本发明涉及生态修复,具体为人工土壤及其配制方法。具体为由城市固体废弃物粉煤灰和污泥组成。制备方法为将粉煤灰和污泥风干至含水量分别为1-5%和55-60%后,按重量分数计为粉煤灰∶污泥=3∶1-1∶2混合,即得。本发明实现了城市固体废弃物资源化利用,配制的人工土壤具有较好的持水蓄水性能,接近于草甸棕壤,同时也具有较高的养分含量,重金属含量远远低于国家农用标准。可以在矿山废弃地修复中替代自然土壤。实现了城市固体废弃物资源化利用,以废治废,变废为宝。

标签:
固废
辽宁 - 沈阳 来源:北方有色网 2023-03-19
沥青烟气净化工艺
沥青烟气净化工艺 919     
 0

一种沥青烟气净化工艺,将沥青烟气经管道输送到净化系统入口,通过气固反应、焚烧、除尘各工序进行净化,其特征在于:(1)采用氧化铝粉作固体吸附剂将沥青烟气充分吸附;(2)进行气固分离,使含沥青的吸附剂与净化后的烟气分离;(3)将分离后的吸附剂焚烧;(4)将气固分离后的烟气与焚烧后的烟气进行喷淋冷却降温和除尘;(5)通过控制阀门检测降温除尘后的烟气,达标则由烟囱排放;未达标则送入系统入口循环净化。本发明还提供了一种实施上述工艺的装置系统,其特征在于气固反应器由充填氧化铝粉的文丘里管或吸附床构成。本发明的净化效率比现有工艺要高,其固体吸附剂可循环使用并最终作电解铝的原料处理,无二次污染。除了有达标的废气排出外,无废渣、废水排出,可取得很好的效益。

标签:
固废
辽宁 - 沈阳 来源:北方有色网 2023-03-19
综合利用铝灰的方法
综合利用铝灰的方法 1182     
 0

本发明涉及一种综合利用铝灰的方法,属于固体废弃物绿色资源化领域。步骤如下:将铝灰与硫酸氢铵溶液混合,加热反应;进行固液分离;向获得的浸出液中通入氨水或氨气进行中和反应后固液分离;步骤获得的浸出渣洗涤、保温;向步骤获得的硫酸铵溶液中加入硫酸钠;步骤获得的硫酸铵溶液经蒸发后得到硫酸铵固体,硫酸铵固体经低温热分解后获得氨气和硫酸氢铵液体;步骤获得的氨气进入所述的步骤,为氨气或氨水的原料来源;获得的硫酸氢铵液体进入所述的步骤,为硫酸氢铵溶液的原料来源。本发明能耗低、工艺可实施性强、AlN水解完全、工艺过程中无废液、废气排放,可实现铝灰的高效、绿色资源化利用。

标签:
固废
辽宁 - 沈阳 来源:北方有色网 2023-03-19
土壤渗流液采集实验装置及其实验方法

一种土壤渗流液采集实验装置及其实验方法,涉及一种土壤采集实验装置及其实验方法,所述实验装置是由渗流装置、渗流液储存装置、渗流液导管、渗流液收集瓶和电泵部分组成;渗流装置为上窄下宽的柱体,渗流液导管外部设有PVC制成的渗流液导管保护套;渗流液导管是一种橡胶软管,采集渗流液时将夹子打开,与电泵相连。本发明渗流液储存装置可以采集到土壤渗流液,也可以采集到渗流液中固体悬浮物,渗流液储存装置中设有两层网筛及滤膜,可以有效防止网筛和渗流液导出孔堵塞。本装置可以应用于野外自然降雨,也可以应用于实验室模拟降雨条件下土壤中或堆存垃圾、污泥等固废中渗流液采集。

标签:
固废
辽宁 - 沈阳 来源:北方有色网 2023-03-19
免脱模相变调温再生混凝土墙体结构

本实用新型属于建筑固废利用领域,具体涉及一种免脱模相变调温再生混凝土墙体结构,相变调温石膏模壳为长方体,其中两侧面板上的榫头和榫槽对称设置,且两侧面板上的端面呈圆弧形;相邻之间的两个相变调温石膏模壳相连中间形成椭圆形空腔,空腔中注入现浇再生混凝土;由多个相邻相变调温石膏模壳的榫头和榫槽相互拼接形成相变调温墙体模壳体系;相变调温墙体模壳体系面向室内的一侧表面设有所述内水泥砂浆抹灰层;相变调温墙体模壳体系面向室外的一侧表面设有外水泥砂浆抹灰层。本实用新型提高了固体废弃物的综合利用率,减少了建筑垃圾,并且该墙体免脱模,相变调温石膏模壳‑再生混凝土一体化提高了墙体的整体性。

标签:
固废
辽宁 - 沈阳 来源:北方有色网 2023-03-19
复合激活低钙粉煤灰水泥及其制备方法

本发明提供了一种复合激活低钙粉煤灰水泥及其制备方法,属于建材与固体废弃物资源化利用技术领域,包括以下重量份的原料:粉煤灰30‑40份、矿渣10‑20份、硬石膏5‑7份、普通硅酸盐水泥35‑45份、强碱溶液(质量分数为30%)3份、NaSO4(质量分数17%)0.5份、减水剂1份和助磨剂0.5份;本发明的有益效果是可提高混凝土密实度及抗腐蚀、抗渗能力,减少需水量;提高粉煤灰混凝土早期强度,加快前期的水化作用,提高对粉煤灰的活化作用;材料易得、成本低廉、操作简单,可以较好的提升其力学性能,宜推广,适用范围更广泛;能够有效的解决固废堆积,缓解不可再生资源的问题。

标签:
固废
辽宁 - 沈阳 来源:北方有色网 2023-03-19
大宗煤矸石综合利用工艺方法

本发明公开了一种大宗煤矸石综合利用工艺方法,属于煤炭处理技术领域。该方法包括煤矸石的破碎、筛分、流化床烧结、粒度级配和陶粒生产等工序。该方法核心思想是用流化床对颗粒状煤矸石进行快速烧结,快速提高煤矸石颗粒的机械强度和热稳定性等,产品质量可达到一级建筑用砂标准。该方法利用流化床热交换速率快、产量大以及颗粒受热均匀等特点,可将煤矸石固体废弃物高效转化成市场需求量大的建筑用砂,是大宗煤矸石的有效处理方法。同时,建筑用砂粒度范围之外的煤矸石细粉可与粉煤灰等其他固废混合制备具备各种功能的陶粒产品,或直接用流化床烧结成喷涂用的材料。因此,该工艺方法能完全消纳煤矸石,生产出市场用量大的优质建筑用砂、涂料及功能陶粒等产品。

标签:
固废
辽宁 - 沈阳 来源:北方有色网 2023-03-19
利用铝灰制备轻质高铝保温砖的方法

本发明属于固体废物综合利用领域,提出了一种利用铝灰制备轻质高铝保温砖的方法。本发明以铝灰为主要原料,制备轻质高铝保温砖,通过添加助烧剂、造孔剂、增塑剂、粘结剂、分散剂、防爆纤维等,制备出的轻质高铝保温砖具有耐压强度高、导热系数低、高温重烧线变率低等优点,产品性能指标可以达到国家标准。本方法铝灰利用率高,产品附加值较高,实现铝灰资源化利用,变废为宝。本发明的方法简单,成本较低,产品性能优良,属于环保固废利用产业,有利于推广应用。

标签:
固废
辽宁 - 沈阳 来源:北方有色网 2023-03-19
掺入高硅铁尾矿烧制陶粒及其制备方法

本发明属于建筑材料和固体废弃物综合利用领域,具体涉及一种掺入高硅铁尾矿等固体废物烧制陶粒的方法。一种掺入高硅铁尾矿烧制的陶粒,是由以下质量份的原料制成:高硅铁尾矿60‑70份、赤泥10‑15份、蒙脱石5‑12份、煤粉5‑8份,厨余垃圾5‑10份。通过本发明提供的只北方制备的陶粒各项性能指标值达到GBT17431.1‑2010《轻集料及其试验方法》的标准要求。本发明提供的掺入高硅铁尾矿烧制的陶粒利用高硅铁尾矿为主要原料,从大宗固体废弃物处理角度出发,不仅高效处理尾矿大量堆积问题,实现固废资源化利用,而且变废为宝,减少尾矿等固废对环境的影响,具有一定的生态效益和社会效益。

标签:
固废
辽宁 - 沈阳 来源:北方有色网 2023-03-19
餐厨和果蔬垃圾与污水综合处理系统

本发明公开一种餐厨和果蔬垃圾与污水综合处理系统,属于环保的固体垃圾处理和污水处理技术领域,其结构包括:固液分离池,隔油池,均质水解池,厌氧池,膜生化池,清水池,破乳槽,集油槽,第一固废破碎槽,第二固废破碎槽,第一固废反应槽,第二固废反应槽,废气回收罐,污泥回流系统,曝气系统和加药系统;餐厨和果蔬垃圾的污水与生活污水混合处理可通过生活污水提高垃圾渗出污水的可生化性,污泥与第一固废反应槽的联合处理,使污泥为第一固废反应槽提供菌种,同时污泥与固废共用脱水机和固废收集槽,减少了脱水机和固废收集槽的重复建设,也可以将餐厨和果蔬垃圾转化成对畜禽无害的饲料或对环境无污染的肥料。

标签:
固废
辽宁 - 沈阳 来源:北方有色网 2023-03-19
生物质废料循环利用干馏炭气油液热肥联产系统

本实用新型涉及一种生物质废料循环利用干馏炭气油液热肥联产系统,液态轻烃强制混合气化器通过燃烧器Ⅰ与生物质干馏制炭炉的燃烧腔相通,生物质干馏制炭炉的气体出口与气液油分离净化装置连接,气液油分离净化装置通过工艺处理得出的产物分别对应与生物质燃气罐体、木醋液罐体和木焦油罐体连接,木焦油罐体出口通过加热雾化器产出雾化的焦油,再通过燃烧器Ⅱ与生物质干馏制炭炉的燃烧腔相通;生物质燃气罐体通过控制阀门与燃烧器Ⅰ连接;生物质干馏制炭炉的固体出口为生物炭粉。该系统利用液态轻烃强制混合气化器与干馏相结合,实现生物质炭、气、油、液、热、肥联产,中热值燃气集中供气,能连续作业、结构简单、易操作、维护方便、安全可靠。

标签:
固废
辽宁 - 沈阳 来源:北方有色网 2023-03-19
上一页 20 21 22 23 24 ... 31 下一页
共31页    到第

北方有色为您提供最新的辽宁沈阳有色金属固/危废处置技术理论与应用信息,涵盖发明专利、权利要求、说明书、技术领域、背景技术、实用新型内容及具体实施方式等有色技术内容。打造最具专业性的有色金属技术理论与应用平台!

全国热门有色金属设备推荐
展开更多 +
全国热门有色金属技术推荐
展开更多 +

 

江西省隆恩特环保设备有限公司
宣传

报名参会
更多+

报告下载

有色专家
更多+

北方民族大学
院长/教授
矿冶科技集团江苏北矿金属循环利用科技有限公司
书记 / 总经理
中南大学
中国工程院 院士
紫金矿业信息化研发中心
副总经理
重庆理工大学
教授
赤泥综合利用研究报告2025
推广

热门技术
更多+

推荐企业
更多+

福建省金龙稀土股份有限公司
宣传

发布

在线客服

公众号

电话

顶部
咨询电话:
010-88793500-807