青岛垚鑫智能科技有限公司
宣传

位置:中冶有色 >

有色技术频道 >

> 复合材料技术

分类:
全部
矿山技术
冶金技术
材料制备及加工技术
环境保护技术
分析检测技术
 
全部
功能材料技术
复合材料技术
新能源材料技术
合金材料技术
加工技术
地区:
全部
北京
天津
上海
重庆
河北
山西
辽宁
吉林
黑龙江
江苏
浙江
安徽
福建
江西
山东
河南
湖北
湖南
广东
海南
四川
贵州
云南
陕西
甘肃
青海
内蒙
广西
西藏
宁夏
新疆
其他
其他
展开
 
全部
太原
大同
朔州
忻州
阳泉
吕梁
晋中
长治
晋城
临汾
运城

山西有色金属复合材料技术理论与应用

免费发布技术信息>>
镁基复合材料半固态间接挤压铸造成型方法

本发明涉及一种镁基复合材料半固态间接挤压铸造成型方法,是针对增强体颗粒与基体材料之间润湿性差、易发生团聚、分布不均,制得的铸件性能低的问题,在镁合金基体中添加高硬度、高弹性模量、与基体结合性能好的镁锌钇准晶为增强体,经真空气氛熔炼炉熔炼、复合搅拌炉内超声波辅助振动搅拌、间接挤压铸造,制得铸件,以提高铸件的力学性能;此制备方法工艺先进,数据精确翔实,铸件的金相组织致密性好,无缩孔、缩松缺陷,金相组织中初生相由球状和近球状晶粒组成,树枝状晶粒基本消失,晶粒尺寸明显细化,抗拉强度达225Mpa,延伸率达6.5%,硬度达86HV,是先进的镁基复合材料半固态间接挤压铸造成型方法。

标签:
复合材料
山西 - 太原 来源:中冶有色网 2023-03-18
具高比电容特性的碳纳米管/金属氧化物复合材料及制备

一种具高比电容特性的碳纳米管/金属氧化物复合材料及制备,属于新材料,所述金属氧化物的化学通式是NixMoO3+x,x的取值为1≤x≤3;其制备方法:将金属盐Ni(NO3)2·6H2O和(NH4)6Mo7O24·4H2O混合形成溶液并充分搅拌,再加入有机燃料并控制金属离子和有机燃料的摩尔比为0.4~10.0,搅拌30?min,形成均匀混合溶液,再加入酸化碳纳米管,超声分散40min形成混合溶液,将混合溶液置于200~450℃的箱式炉中充分燃烧,继续保温0.5~2h。本发明作为超级电容器的电极材料,不但原料储量丰富易得,价格低廉,而且超级电容性能优异,比电容大,倍率性能高,循环稳定性较好。

标签:
复合材料
山西 - 太原 来源:中冶有色网 2023-03-18
高导热炭/陶复合材料的制备方法

一种高导热炭/陶复合材料的制备方法,是将填料、粘结剂以及添加剂按配比在高混机内机械混合15~20分钟;将混好的原料在热混捏机上热混捏10~15分钟,制成糊料;待糊料冷却,重新破碎后装入模具内于2600℃、8~10MPa压力下热压一次成型,冷却后即得高导热石墨制品。本发明具有原料来源广泛,价格便宜,工艺简单,生产周期短,见效快等优点。

标签:
复合材料
山西 - 太原 来源:中冶有色网 2023-03-18
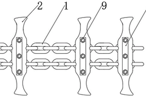
玄武岩复合材料链
玄武岩复合材料链 1044     
 0

本发明涉及复合材料链技术领域,公开了一种玄武岩复合材料链,包括两个复合链本体,所述复合链本体的外部共同设置有多个刮板,多个所述刮板的一侧均设置有安装板,多个所述安装板的外壁均开设有安装孔,多个所述安装孔内均固定安装有固定螺栓,多个所述刮板的外部均开设有第一条形开口,多个所述第一条形开口内均贯穿设置有固定螺栓,多个所述安装板的一侧均开设有对称分布的滑槽,多个所述滑槽的内部均滑动连接有限位柱,多个所述刮板的外壁均开设有第二条形开口,该发明通过固定螺栓和固定螺母可以便于复合链本体的安装,安装板和限位板可以对复合链本体进行更好的固定,使得安装的更加牢固。

标签:
复合材料
山西 - 太原 来源:中冶有色网 2023-03-18
兼具多种类型超材料优势的组合吸波复合材料

本发明属于电磁功能材料技术领域,具体涉及一种兼具多种类型超材料优势的组合吸波复合材料;包括金属基板,所述金属基板上设置有吸波单元的阵列,且每行至少包括两个吸波单元,每列也至少包括两个吸波单元;所述吸波单元包括下层吸波体,所述下层吸波体上表面中心位置处自下而上依次铺设有金属丝、第一上层吸波体和顶部金属片;位于下层吸波体上表面的第一上层吸波体的四周设置有第二上层吸波体;所有吸波单元的下层吸波体连接成一片整板,紧贴在金属基板的上表面。本发明的组合吸波复合材料对于吸波剂的损耗能力要求低,并具有极化不敏感和宽入射角等特点,在宽频隐身材料、电磁屏蔽及吸波器件等领域具有广泛的用途。

标签:
复合材料
山西 - 太原 来源:中冶有色网 2023-03-18
内垫夹层芯材的复合材料机翼前缘蒙皮及其制备方法

本发明涉及一种机翼前缘蒙皮,尤其涉及一种具有夹层芯材的复合结构机翼外壳及其制备方法。解决了目前飞机机翼前缘存在抗冲击性不够好的技术问题。一种内垫夹层芯材的复合材料机翼前缘蒙皮,包括纤维金属层板复合材料外蒙皮、金属薄板内蒙皮以及夹层芯材;所述内蒙皮通过其边缘与外蒙皮铆钉铆接构成一个具有空腔的蒙皮结构;所述夹层芯材位于空腔内且固定在内蒙皮的内侧面,夹层芯材的顶部与外蒙皮内侧面之间存有间隙。本发明采用多层防护设计,逐层吸收耗散能量来提高机翼前缘蒙皮鸟撞击能力;内部轻而弱的夹层芯材传递沿厚度方向的剪切载荷,通过局部压溃吸收大量的鸟体撞击能,是鸟撞事故的第二道防线。

标签:
复合材料
山西 - 太原 来源:中冶有色网 2023-03-18
挤压铝基陶瓷复合材料的模具

本发明涉及一种挤压铝基陶瓷复合材料的模具,是针对核防护的中子吸收板铝基陶瓷复合板加工的弊端而设计的,采用挤压凸模、挤压垫板、引伸导向凹模、引伸导流凹模、引伸成型凹模相结合设计的,并在引伸导流凹模上设置哑铃状的异型变流槽、菱形导流槽,在加热挤压状态下成柔性挤压,使挤压顺畅,使被挤压的铝基陶瓷复合板长度延长,既提高了生产效率,又扩展了板材的使用面积,此模具设计先进、结构紧凑、凸凹模配制合理,并在引伸导流凹模的菱形导流槽内设25°导流斜面角,在引伸成型凹模内设置15°促流斜面角,既防止了挤压应力集中,又使被挤压板材顺利流动成型,是十分理想的挤压铝基陶瓷复合材料的模具。

标签:
复合材料
山西 - 晋中 来源:中冶有色网 2023-03-18
磺化酞菁钴分子筛复合材料的制备

磺化酞菁钴分子筛复合材料的制备属于物理化学的范畴。其特征在于以分子筛、无定形粘土及磺化酞菁钴为原料,采用再晶化的方法,将磺化酞菁钴直接固定于微孔分子筛中。该方法简单易行,不仅所被固定的金属配合物有确定的组成且不含未被配合的金属离子或配体,同时还可使具有各种不同性质的金属配合物,特别是具有周边取带基为负电荷的金属配合物固定于各种不同结构和性能的微孔分子筛中,扩大了对金属配合物和分子筛材料的选择范围。

标签:
复合材料
山西 - 太原 来源:中冶有色网 2023-03-18
用于复合材料钢制门安装的新型连接装置

一种用于复合材料钢制门安装的新型连接装置,包括框体,框体一侧设置有封门,封门靠近框体的一侧开设有第一凹槽,框体一侧固定连接有L型块,L型块上设置有固定块,固定块内开设有储油仓,固定块位于储油仓一侧开设有贯穿孔,转动调节螺母,使得两个固定块移动至合适位置,L型块插接在固定块内,通过调节后使得第一齿轮和第二齿轮啮合,L型块的底侧配合限位套固定,解决了现阶段用于复合材料钢质门安装的连接结构安装和拆卸比较麻烦的问题;同时方便调节,防止因为水平位置不同而导致门框安装费时间的问题;同时通过齿轮啮合形成转动,通过储油仓出油使得两个齿轮均能润滑,提升了钢质门的使用时间。

标签:
复合材料
山西 - 太原 来源:中冶有色网 2023-03-18
复合材料支护托板
复合材料支护托板 741     
 0

一种复合材料支护托板,涉及矿山井巷支护用托板。解决现有技术产品强度低、寿命短、不安全,工艺复杂的问题。本实用新型由长方体和梯形台组成,托板主体中间开有通孔,所述长方体内有玻璃钢加强筋、长方体底面上有一层玻璃纤维加强布;所述复合材料由短玻璃纤维、树脂、中温复合引发剂、组合促进剂、消泡剂、填料组成。本实用新型适用于矿山井巷、隧道支护用,具有产品强度高、制作工艺简单、支护安全等优点。

标签:
复合材料
山西 - 太原 来源:中冶有色网 2023-03-18
四氧化三铁/还原氧化石墨烯绿色工业化制备方法及其吸波树脂复合材料

本发明提供了一种四氧化三铁/还原氧化石墨烯绿色工业化制备方法及其吸波树脂复合材料。将氧化石墨烯分散液与二价、三价铁盐混合溶液在反应釜中共同升温搅拌,并以碱性溶液调节pH值后进行第一阶段反应,然后加入还原剂进行第二阶段反应,反应完成后在强磁场下沉淀分离,洗涤后的沉淀物经干燥,即得到四氧化三铁/还原氧化石墨烯纳米吸波粒子。本方法不使用有毒有害的原料且具有良好的可控性与稳定性。此外,利用分层固化工艺制备了四氧化三铁/还原氧化石墨烯/环氧树脂吸波复合材料。本发明将电磁波的介电损耗和磁损耗有效结合,并且通过具有良好可控性与稳定性的简单工艺解决了比重较大的功能粒子在与树脂共混、固化过程中的沉降问题。

标签:
复合材料
山西 - 太原 来源:中冶有色网 2023-03-18
导电耐磨轻质聚醚醚酮基复合材料及其制备方法

一种导电耐磨轻质聚醚醚酮基复合材料及其制备方法,属于聚合物基复合材料领域,它由聚醚醚酮的质量份数35‑45份,电解铜粉质量分数50‑60份,短碳纤维质量分数5份;制备方法是先对聚醚醚酮粉末过筛并在温度为110℃,干燥时间4h;将聚醚醚酮粉和电解铜粉和碳纤维按进行机械混合8h;混合后的材料放入在30MPa压力下保压至少30min压模并进行高温烧结;冷却得到成品。本发明摩擦系数为0.30925~0.35878,体积磨损量为3.2964~6.4562 mm3,体积电阻率为2.00×10‑2~1.316×10‑1Ω•m,密度为2.260632~2.670095 g/cm3

标签:
复合材料
山西 - 太原 来源:中冶有色网 2023-03-18
铁硫化合物及其复合材料的制备方法

本发明属于电化学电极材料领域,具体涉及一种铁硫化合物及其复合材料的制备方法。解决了目前铁硫化合物生产过程中成本较高且硫化效果不佳的技术问题。一种铁硫化合物的制备方法,包括如下步骤:1)制备前驱A;所述前驱A是铁的氧化物α?FeOOH或者F?MIL;2)分别称取前驱A与硫粉,置于瓷舟中,其中A与硫粉的质量比为1:20?1:30之间;将瓷舟置于退火炉中,在保护气体中进行退火反应,前驱A和硫粉置于瓷舟中的方式是均匀混合或者分开置于瓷舟两侧,恒温温度在400℃?500℃之间,恒温时间在1h?2h之间,所得产品即为铁硫化和物。本发明制备的硫化物纳米棒形貌均匀,电化学性能优异;并且操作简单,反应周期短,成本低,适合批量生产。

标签:
复合材料
山西 - 太原 来源:中冶有色网 2023-03-18
钼铜复合材料选择性激光熔化成形方法

本发明一种钼铜复合材料选择性激光熔化成形方法,该方法以钼粉、铜粉、增强材料为成形材料,采用选择性激光熔化设备制备结构复杂的钼铜复合材料制品,按照以下步骤完成的:用三维软件建立零件模型,对模型进行计算机切片处理获得模型二维截面信息,对增强体材料预处理,将铜粉、钼粉、增强体材料按一定比例混合均匀,装入成形缸,设定成形工艺参数,如激光功率,扫描速度,铺粉厚度等,进行选择性激光熔化成形,对成形的制品进行烧结,对烧结后的制品进行热处理;本发明可广泛应用于激光熔化SLM成形领域。

标签:
复合材料
山西 - 太原 来源:中冶有色网 2023-03-18
复合材料油箱的真空辅助树脂传递模塑整体成型工艺

本发明公开了一种树脂基复合材料油箱的真空辅助树脂传递模塑成型工艺,提供一种新型结构材料油箱,可有效降低现有油箱的结构重量和车辆噪声水平,并且具有抗冲击破坏和耐腐蚀等特征,同时可以大大缩短油箱的成型加工周期,提高油箱的生产效率。本发明是通过以下技术方案实现的:型芯三维建模;型芯成型模具制作;可溶(熔)性型芯制备;模具准备;增强材料的铺设与定型;合模;树脂胶液的配制;树脂注入;树脂固化;脱模;型芯溶(熔)出;复合材料制件修整。本发明生产效率高,脱模方便,成本低。

标签:
复合材料
山西 - 太原 来源:中冶有色网 2023-03-18
碳毡水泥复合材料的制备装置

本实用新型碳毡水泥复合材料制备装置,装置包括:支座、卷入滚轮、浸渍器以及卷出滚。所述装置使用时将碳毡从卷入滚轮置入,第一电机带动卷入滚轮转动,卷入滚轮带动浸渍皮带同时带动碳毡向浸渍液器皿移动,在卷入滚轮和卷出滚轮的带动下,浸渍皮带不断的向下一个滚轮移动,从而带动浸渍滚轮转动。浸渍滚轮不仅能够带动浸渍皮带和碳毡移动,还能够在浸渍液器皿对碳毡起到压紧的作用,从而将浸渍浆料通过压力作用压到碳毡的三维空间中,能够增强浸渍效果,压力同时能够使得浸渍后的水泥浆料和碳毡之间的界面结合能力更强,显著增强碳毡水泥复合材料的综合性能。

标签:
复合材料
山西 - 大同 来源:中冶有色网 2023-03-18
新型复合材料声屏障
新型复合材料声屏障 891     
 0

本实用新型涉及声屏障,具体是一种新型复合材料声屏障。解决金属板声屏障的防腐性差和需经常维修、维护的问题。新型复合材料声屏障,包括吸音层、用树脂与玻璃纤维合成的穿孔板和无孔板;其中,吸音层夹在穿孔板与无孔板之间。具有良好的吸音性能,良好的隔音性能,抗腐蚀性,易保养的优点。适用于高速公路上的噪音治理和室内隔音。

标签:
复合材料
山西 - 太原 来源:中冶有色网 2023-03-18
粉煤灰基陶瓷化硅橡胶复合材料及其制备方法

本发明提供了一种粉煤灰基瓷化硅橡胶复合材料及其制备方法,所述材料由质量份数计的以下组分组成:硅橡胶基体100,白炭黑20~40,活化剂5~15,羟基硅油2~10,改性粉煤灰15~40,改性短纤维6‑16,结构控制剂15~30,硫化剂2~4。本发明通过添加合适的无机填料和低熔点结构控制剂,使得硅橡胶材料在高热高温环境下发生陶瓷化烧结反应,形成致密的陶瓷体,从而显著提高硅橡胶的抗烧蚀性能;另外,粉煤灰在硅橡胶复合材料中起到无机补强填料作用的同时还参与材料的陶瓷化过程,使陶瓷化后的陶瓷材料层更加致密;粉煤灰为燃煤电厂废弃物,来源广泛,成本低,在此应用既能节约炭黑,又可做到废物再利用,提高了粉煤灰应用价值。

标签:
复合材料
山西 - 太原 来源:中冶有色网 2023-03-18
用于超级电容器的二氧化锰复合材料电极的制备方法

本发明公开了一种用于超级电容器的二氧化锰复合材料电极的制备方法是利用一步水热法在泡沫镍上直接沉积δ型二氧化锰,之后再利用电沉积技术将改性层石墨烯量子点、碳量子点或者PbO2沉积在二氧化锰的表面制得复合材料电极,所制备的电极具有良好的电化学性能,且操作简单、条件易控制。

标签:
复合材料
山西 - 太原 来源:中冶有色网 2023-03-18
水泥混凝土脱空板注浆专用水泥基乳化沥青复合材料

本发明涉及一种水泥混凝土脱空板注浆专用水泥基乳化沥青复合材料,它是由32.5水泥、水、阳离子乳化沥青和保护剂,按照配比比例为1:0.9:0.3:0.04混合组成,其中所述的保护剂主要是由胶粉、高分子聚合物及高分子表面活性剂组成。本发明可具备良好可操作性、可泵性和渗透灌治性。复合材料的结石体防水、抗渗性能优越,具备与基础相匹配的强度,且该结合体为弹塑性体,能很好的填补板间的空隙。

标签:
复合材料
山西 - 太原 来源:中冶有色网 2023-03-18
钙钛矿型锆酸钙复合材料的制备方法及应用

本申请公开了一种钙钛矿型锆酸钙复合材料的制备方法,分别获得含有锆源、钙源的混合溶液和沉淀剂分散液,混合,老化,煅烧,即可得到所述可再生催化剂;其中,所述沉淀剂分散液含有草酸类化合物、氢氧化铵和分散剂。该制备方法具有生产工艺简单、设备需求低、生产周期短、成本低廉等优点,得到的钙钛矿型锆酸钙复合材料颗粒大小均匀,分散性能好,作为催化剂应用在催化臭氧氧化体系中,具有更高的稳定性和分散度,TOC去除率可达到65%以上,同时间甲酚转化率在10min可达到100%。提高了臭氧的利用率和废水中污染物的去除率,可有效降低催化臭氧氧化过程中产生的二次污染,具有良好的环保效益。

标签:
复合材料
山西 - 太原 来源:中冶有色网 2023-03-18
废水处理多孔复合材料及其制备方法

本发明提供了一种废水处理多孔复合材料及其制备方法。由以下成分制备而成:聚乙烯醇、叔丁基对苯二酚、十二烷基硫酸钠、非离子聚丙烯酰胺、烷基酚聚氧乙烯醚、甲醛、淀粉、碳酰胺、碳酸氢铵、正戊烷、丙三醇、硫酸、蒸馏水。制备步骤如下:(1)将聚乙烯醇和蒸馏水混合搅拌至澄清;(2)加入甲醛和硫酸,继续搅拌反应;(3)加入叔丁基对苯二酚、淀粉、碳酰胺、碳酸氢铵和丙三醇,继续搅拌反应;(4)加入十二烷基硫酸钠、非离子聚丙烯酰胺、烷基酚聚氧乙烯醚和正戊烷,继续搅拌混合;(5)放入烘箱中,在温度60?70℃下放置5?6小时即得。本发明的废水处理多孔复合材料保水率高,对染料的吸收性能好,同时脱色率也高,脱色效果好。

标签:
复合材料
山西 - 晋城 来源:中冶有色网 2023-03-18
高比表面超微孔氧化铝-氧化锆复合材料的制备方法

一种高比表面积超微孔氧化铝-氧化锆复合材料的制备方法,属于无机孔材料和催化剂制备领域。具体涉及一种具有高比表面积和孔体积,且孔径介于1-2nm的微孔级氧化铝-氧化锆复合材料的制备方法的技术方案。其特征在于本发明利采用廉价易得非离子表面活性剂(软模板法)制备出高比表面积氧化铝-氧化锆材料,所制得材料具有微孔结构,其微孔孔分布为1.0-2.0nm,比表面积超过400m2/g。合成方法为:根据合成物料配比,将表面活性剂、有机羧酸和无机酸溶解在含有4.5-5.5%去离子水的乙醇溶液中,并在搅拌下同时加入锆源和铝源,继续搅拌一定时间后,将反应物进行溶剂挥发、热处理以及高温焙烧,制得超微孔Al2O3-ZrO2材料。制备工艺简便易行、成本低廉、易工业放大,且环境友好。

标签:
复合材料
山西 - 太原 来源:中冶有色网 2023-03-18
石墨烯与纳米银的复合材料及制备方法

本发明公开了一种石墨烯与纳米银的复合材料及制备方法,属于石墨烯与纳米银的复合材料技术领域。通过调控氧化石墨烯含氧官能团的种类和数量,结合可逆加成‑断裂链转移(Reversible Addition‑Fragmentation Chain Transfer,RAFT)聚合技术,在石墨烯表面或边缘定向可控地接枝含氧链段(纳米银成核生长位点),通过设计和调控不同含氧官能团及其接枝位点和数量,控制纳米银成核和生长的活跃位置、数量来精确调控纳米银的负载方式、负载量、负载形貌,为研究导电油墨填料结构与导电性能的关系提供了理想的实验载体;为高性能导电油墨的研发提供了高性能的填料。

标签:
复合材料
山西 - 太原 来源:中冶有色网 2023-03-18
高性能复合材料透明伞布

本发明公开了一种高性能复合材料透明伞布,包括基材层,基材层的顶面贴覆有不沾水层,基材层与不沾水层之间设有吸收层,基材层为PET基材层+TPU基材复合而成,吸收层内添加有能阻隔紫外线对皮肤伤害的UV吸收剂或吸收蓝光的蓝光吸收剂或阻隔红外线的红光吸收剂,不沾水层内添加有起到疏油效果的带羟基的疏水助剂,不沾水层的上表层设有疏水的几何结构。通过吸收不同波段紫外吸收的搭配及增加蓝光吸收剂,确保阻隔全波段紫外线及蓝光波段;再通过红外吸收剂阻隔95%以上的红外线,达到隔热效果;通过高撕裂强度复合材料制作成基材层,抗撕裂;不沾水层实现长时间的疏水疏油效果。

标签:
复合材料
山西 - 吕梁 来源:中冶有色网 2023-03-18
耐腐蚀的木质素环氧树脂/碳纤维复合材料及其制备方法

本发明涉及一种耐腐蚀的木质素环氧树脂/碳纤维复合材料,为改性木质素环氧树脂和碳纤维交联固化后得到,所述改性木质素环氧树脂的制备原料包括:酶解木质素,二元醇,超支化多元醇,脂肪族二元酸和/或二元酸酐,含氟芳香族二元酸/酸酐,环氧稀释剂,含环氧基硅烷偶联剂。按照本发明配方和制备方法得到的木质素环氧树脂/碳纤维复合材料耐腐蚀能力强,可以在酸、碱、高温的盐溶液中长久浸泡,力学强度也基本不会下降,保证了在部分需要长期接触水性介质的领域,比如海洋工程,船舶类的材料的寿命和可靠性。

标签:
复合材料
山西 - 太原 来源:中冶有色网 2023-03-18
航空航天复合材料模具用可调节支撑结构

本实用新型公开了一种航空航天复合材料模具用可调节支撑结构,包括模具主体、上压板、下压板和底板,所述模具主体安装于上压板和下压板之间,下压板底面的中心处向下凸出形成一安装部,安装部的底面上设有球槽,球槽中活动安装有球体,球体下端垂直安装有支撑杆,支撑杆下端安装于底板的表面上,下压板的底面位于安装部的外侧安装有固定环,固定环的底面呈倾斜状设置,固定环的底面上安装有一块以上的凸齿,电机的转轴上安装有齿轮,齿轮与凸齿啮合连接,底板的外圈安装有弹性缓冲机构,上压板上端安装有驱动机构。本实用新型结构简单,能通过转动和摇摆的方式将复合材料液充分的流淌到模腔的内部,避免了出现不饱满的情况,保证产品的质量。

标签:
复合材料
山西 - 太原 来源:中冶有色网 2023-03-18
基于复合材料的注塑产品制造系统

本实用新型公开了一种基于复合材料的注塑产品制造系统,包括料桶、连管和安装壳,所述料桶的底端连通有连管,所述连管的底端连通有安装壳,所述安装壳的内部安装有控料机构。该基于复合材料的注塑产品制造系统,通过横板、圆筒、盖板和固定架等的配合使用,在液压杆的作用下推动圆筒移动到出料管的位置,盖板在圆筒的底端转动,原料进入到出料管中,通过控制原料的间歇性下料,通过电机、转杆、矩形板、连接环和搅拌架等的配合使用,转杆带动底端的矩形板在连管中转动,与此同时,转杆通过连接环带动搅拌架转动,将原料投放到料桶中,搅拌架和矩形板对原料进行混合,在保证混合效果的同时,防止连管发生的堵塞。

标签:
复合材料
山西 - 运城 来源:中冶有色网 2023-03-18
用于钢制门的复合材料加工设备

一种用于钢制门的复合材料加工设备,其包括机座,机座顶部设有加工机构,机座靠近加工机构的一侧开设有夹板滑槽,机座通过夹板滑槽滑动连接有两个夹持板,两个夹持板相对一侧均开设有夹持槽,夹持板靠近夹持槽上方一侧贯穿且滑动连接有限位拉杆,限位拉杆靠近夹持槽的一端焊接连接有上夹板,通过夹持板和内部的上夹板,不仅能够对材料进行稳定的夹持,同时也能适应不同厚度的复合材料,从而提升设备的实用性。

标签:
复合材料
山西 - 太原 来源:中冶有色网 2023-03-18
提高飞机蒙皮承载力的复合材料加强件

本实用新型公开了一种提高飞机蒙皮承载力的复合材料加强件,包括上缘条、∪形缘条、Ω形缘条、高强纤维、轻质高强树脂和填料,该加强件的上缘条延伸到Ω形缘条外侧,提高了加强件整体的抗弯模量,使蒙皮受压的屈曲及后屈曲承载力提高,加强件的Ω形缘条与上缘条、∪形缘条的连接采用胶结,同时在加强件空腔内壁和填料内布置高强纤维,进一步提高了承载能力,此外,在加强件空腔灌注轻质高强树脂,提高蒙皮整体的抗拉、压强度,在蒙皮受压,帽形加强件发生屈曲时,内部所灌注的轻质高强树脂可以延缓加强件局部屈曲失稳的发生,可以提高蒙皮承载能力,节约材料,从而节约燃油,延长飞机的航程。同时,帽形加强件内部空腔灌注的轻质高强树脂,还可以在复合材料帽形加强件成型过程中起到模具的作用,辅助帽形加强件成型。因此本文采用的加强件提高了飞机的经济性和安全性。

标签:
复合材料
山西 - 太原 来源:中冶有色网 2023-03-18
上一页 19 20 21 22 23 ... 41 下一页
共41页    到第

中冶有色为您提供最新的山西有色金属复合材料技术理论与应用信息,涵盖发明专利、权利要求、说明书、技术领域、背景技术、实用新型内容及具体实施方式等有色技术内容。打造最具专业性的有色金属技术理论与应用平台!

全国热门有色金属设备推荐
展开更多 +
全国热门有色金属技术推荐
展开更多 +

 

江西省隆恩特环保设备有限公司
宣传

报名参会
更多+

报告下载

有色专家
更多+

北京科技大学
副院长/教授
重庆理工大学
教授
中南大学
教授、博士生导师
中南大学、中国工程院
院士
长沙有色冶金设计研究院有限公司
正高级工程师/中国铝业首席工程师/全国有色金属行业设计大师/国家注册采矿工程师
赤泥综合利用研究报告2025
推广

热门技术
更多+

推荐企业
更多+

福建省金龙稀土股份有限公司
宣传

发布

在线客服

公众号

电话

顶部
咨询电话:
010-88793500-807