青岛垚鑫智能科技有限公司
宣传

位置:中冶有色 >

有色技术频道 >

> 废水处理技术

分类:
全部
矿山技术
冶金技术
材料制备及加工技术
环境保护技术
分析检测技术
 
全部
废水处理技术
大气治理技术
固/危废处置技术
土壤修复技术
地区:
全部
北京
天津
上海
重庆
河北
山西
辽宁
吉林
黑龙江
江苏
浙江
安徽
福建
江西
山东
河南
湖北
湖南
广东
海南
四川
贵州
云南
陕西
甘肃
青海
内蒙
广西
西藏
宁夏
新疆
其他
其他
展开
 
全部
沈阳
大连
鞍山
抚顺
本溪
丹东
锦州
营口
阜新
辽阳
盘锦
铁岭
朝阳
葫芦岛

辽宁大连有色金属废水处理技术理论与应用

免费发布技术信息>>
木质素衍生碳包覆纳米零价铁复合材料及制备方法和应用

本发明是关于一种木质素衍生碳包覆纳米零价铁复合材料及制备方法和应用。该方法包括:将木质素溶解于混合溶剂中;向溶液中加入铁盐搅拌,使金属离子与木质素的酚羟基螯合;除去溶剂,固体干燥研磨,得第一粉末;惰性氛围下将第一粉末于300~500℃碳化1~2h,研磨,得第二粉末;惰性氛围下将第二粉末于900~1000℃碳化≥1h,得木质素衍生碳包覆纳米零价铁复合材料。所解决的技术问题是使复合材料作为水体修复剂应用时,既能对废水中的六价铬具有优异的去除效果,又对废水中的有机染料类难以降解的物质具有极好的除去效果;同时其去除废水中的有机染料污染物时能够自产过氧化氢,极大地降低了废水处理成本,避免了对水体环境产生二次污染。

标签:
废水处理
辽宁 - 大连 来源:中冶有色网 2023-03-19
湿法烟气脱氯提升石膏品质的方法

一种湿法烟气脱氯提升石膏品质的方法,属于锅炉烟气处理领域。锅炉燃烧产生的高温烟气,经过除尘器脱除飞灰后进入聚四氟乙烯换热器,高温烟气在聚四氟乙烯换热器中与工业冷水进行换热降温成为常温烟气,常温烟气进入氯离子吸收塔中通过孔板中的水膜脱除HCl,产生的脱氯废水通过吸收塔下方回水层进入到脱氯废水缓存箱中,并回流到吸收塔上方喷淋管进行循环喷淋,达到氯离子饱和度后排出进行二次利用或者进入废水处理系统;换热后脱氯的低温烟气进入烟气脱硫系统进行脱硫处理,产生的低温洁净烟气通过烟囱排放;石膏浆液经过石膏脱水系统,产生低氯石膏,脱硫废水进入废水处理系统处理;工艺水箱为烟气脱氯系统和烟气脱硫系统提供水源供给补充。

标签:
废水处理
辽宁 - 大连 来源:中冶有色网 2023-03-19
轴承自动去磁与清洗的智能装备

本实用新型公开了一种轴承自动去磁与清洗的智能装备,包括支撑架、第一光纤传感器和第二光纤传感器,所述支撑架的顶端左侧安装有驱动电机,且驱动电机的顶端连接有转轮,所述转轮的外壁安装有传送带,所述支撑架的顶端内壁左侧安装有工业照相机,所述第一光纤传感器和第二光纤传感器分别安装在支撑架的内侧壁左右两侧,所述工业机器人的左侧设置有旋转电机,所述转轴的顶端连接有清洗台,且清洗台的顶端连接有固定杆,所述固定杆的外圈套设安装有固定环,所述清洗台的外侧壁连接有引流板。该轴承自动去磁与清洗的智能装备,通过引流板的设置,对清洗轴承的废水亦可具有引流的作用,使得废水往清洗台的外侧流动,对电器零部件具有保护的作用。

标签:
废水处理
辽宁 - 大连 来源:中冶有色网 2023-03-19
城市污水与电厂烟气脱硫及粉煤灰资源化方法与设备

城市污水与电厂烟气脱硫及粉煤灰资源化方法与设备属于环境工程中废水、废气、废渣处理与综合利用的新型生态工程技术领域。根据生态学原理,物质的循环、能量的流动、信息的传递是生态系统的主要功能。利用工业废弃物,并且将水、气、渣的处理结合于一体。本发明所能达到的有益效果是:城市污水的生态化处理及回用达到国家中水回用标准;节约运行费4-5倍;回收植物性副产物;解决粉煤灰的堆放问题;采用经济有效地处理技术,使城市污水处理率、处理达标率和回用率都有极大提高,保护了我国水环境及大气环境,带来极大的环境和社会效益。主要适用于有粉煤灰、燃煤烟气来源地区的城市污水综合处理。

标签:
废水处理
辽宁 - 大连 来源:中冶有色网 2023-03-19
垃圾焚烧厂渗沥液处理装置及处理工艺方法

一种垃圾焚烧厂渗沥液处理装置及处理工艺方法,装置包括通过管路连接的格栅间、调节池、沉淀池、水解酸化池、SBR反应池、混凝池和消毒池;处理工艺方法包括:将渗沥液先经过粗格栅再经过细格栅筛滤;用调节池对渗沥液水质水量进行调节;经斜板沉淀池沉淀后采用折板式水解酸化池进行水解酸化反应;出水分批送入SBR反应池,按进水、反应、沉淀、处理水排出的顺序分批处理;最后经混凝池混凝沉淀后出水;出水经过消毒杀菌后循环利用。本发明的有益效果是:处理后出水的各项指标能够达到《城市污水再生利用工业用水水质》中冷却用水水质要求,可补充到垃圾焚烧发电厂循环冷却水系统中回用,实现垃圾焚烧电厂废水“零排放”的目标。

标签:
废水处理
辽宁 - 大连 来源:中冶有色网 2023-03-19
全无磷预清洗预膜药剂及清洗工艺

本发明属于环保水处理领域。全无磷清洗预膜药剂,主要包括独立包装的双组分,其中组分A是不含磷的络合剂,组分B是不含磷的酸洗剂,双组分A:B的重量份比是10-30:4-7。本发明药剂是主要由双组分葡萄糖酸钠、硼酸组成,其中葡萄糖酸钠作为一种经典的有机酸,具有一定的螯合铁离子的作用和缓蚀,同时,它不含磷且可生物降解,具有优异的缓蚀阻垢作用,同时作为清洗预膜药剂可实现污水排放达标。硼酸为工业和民用中普便应用的一种无机酸,并且,在目前的废水排放中,对硼的排放浓度未见限制。硼酸可作为防锈剂、润滑剂和热氧化稳定剂,其也可实现污水排放达标,二组分合理配比应用,不仅保证清洗预膜效果,而且不产生腐蚀。

标签:
废水处理
辽宁 - 大连 来源:中冶有色网 2023-03-19
可见光光催化剂银和磷酸银的制备方法及其应用

本发明公开了一种可见光光催化剂银和磷酸银的制备方法及其应用,属于光催化技术领域。其特征是催化剂制备方法包括以下步骤:取磷酸二氢钠,聚乙烯吡咯烷酮溶解于乙二醇中,放于水浴锅中,磁力搅拌,取硝酸银溶解于乙二醇中。将硝酸银的乙二醇溶液滴加到磷酸二氢钠及聚乙烯吡咯烷酮的乙二醇溶液中,60℃恒温搅拌。将磷酸银溶液移入160℃油浴中磁力搅拌,反应结束后洗涤得银和磷酸银催化剂。进行可见光光催化实验,结果证明该催化剂具有良好的可见光活性。本发明的有益效果是工艺简单,可用于大规模工业生产,在可见光范围内对有机染料废水的降解效率较高,具有很高的实用价值和应用前景。

标签:
废水处理
辽宁 - 大连 来源:中冶有色网 2023-03-19
海水淡化及苦咸水脱盐设备与方法

一种海水淡化及苦咸水脱盐设备与方法属于利用电泳原理的废水分离脱盐及回收技术领域。设备由箱体、吸附材料、电泳电极、进料器、收集器等构成;应用电泳电场与流体流动方向相互垂直的基本过程,使阴阳无机荷电粒子运动轨迹发生弯曲而最终通过样品收集器将物质分离。它可于海水淡化、苦咸水脱盐、无机盐分离、有机可荷电粒子的分离与回收。并可用于大规模工业生产过程和水处理过程。

标签:
废水处理
辽宁 - 大连 来源:中冶有色网 2023-03-19
高盐油田污水处理和稠油开采相结合的装置及工艺

本发明提供了一种高盐油田污水处理和稠油开采相结合的装置及工艺,属于污水处理技术领域。可用于石油开采、炼油工业以及化工生产过程中的污水处理,尤其可实现对高盐油田污水的高效处理,同时可与稠油开采有效的结合起来。其特征为主要由高压水中焚烧蒸发器、多级闪蒸罐、喷雾蒸发器、注汽锅炉组成,该处理系统实现了高盐油田污水的深度处理,兼获淡水和盐浆,实现真正意义上的零排放,做到根除废水。与此同时,产生的高温高压二次蒸汽和气体与锅炉蒸汽结合起来,以最佳比例开采稠油,实现能源的充分利用。该处理系统结构紧凑、高效、经济,是一种稳定可靠的油田污水处理新技术。

标签:
废水处理
辽宁 - 大连 来源:中冶有色网 2023-03-19
催化湿式氧化降解雌激素污染物的方法

本发明涉及一种催化湿式氧化降解雌激素污染物的方法,将质量浓度为10-3-10mg/L的雌激素污染物水溶液装入高压反应釜中,加入催化剂,以氧气或空气为氧化剂,搅拌去除雌激素污染物;反应温度为90~180℃,反应压力为0.1~0.5MPa,其中氧分压为0.1~0.5MPa,反应时间为1~8h。催化剂由组分A和B组成,A为二价或者三价可溶性铁盐,B为碱金属可溶性亚硝酸盐;A、B的物质的量之比为0.01~1;催化剂与雌激素溶液中的雌激素的物质的量之比为0.01~1。该方法处理雌激素废水反应条件温和,价格低廉,降解率高,没有二次污染,适用于分布广、浓度低的雌激素类污染物的降解,工业化应用前景大。

标签:
废水处理
辽宁 - 大连 来源:中冶有色网 2023-03-19
自然光催化降解氯酚类污染物的方法

本发明涉及一种用于自然光催化降解氯酚类污染物的方法。首先于质量浓度为10-2-300mg/L的氯酚类污染物水溶液中加入催化剂,所述催化剂由组分A和B组成,A为二价或三价可溶性铁盐,B为碱金属的可溶性盐;A、B的物质的量之比为0.01~1;催化剂与氯酚类物质的量之比为0.01~1。本发明反应条件为室外太阳光照射,价格低廉,降解率高,没有二次污染,适用于分布广、浓度较低的氯酚类污染物及有氯酚类污染物产生的废水的降解,工业化应用前景大。

标签:
废水处理
辽宁 - 大连 来源:中冶有色网 2023-03-19
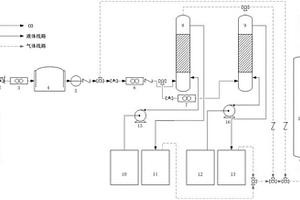
多级纳滤‑反渗透‑膜蒸馏联用脱盐分盐方法

本发明属于化学工程技术领域,涉及工业废水处理的方法以及膜分离相关技术,特别涉及到利用多级膜分离技术联用的方法进行浓盐水脱盐、分盐,提供了一种多级纳滤‑反渗透‑膜蒸馏联用脱盐分盐方法,实现工业废水零排放及资源化利用。该方法包含纳滤、反渗透和膜蒸馏三种膜法处理过程。该方法完全没有利用其他非膜法分离的方法进行脱盐和分盐,充分利用了溶液浓度对膜蒸馏过程渗透通量影响不大的特点,保证有更好的系统稳定性,达到结晶盐分中单价盐或者高价盐的纯度达到90wt%以上,分离出水应符合回用标准或至少达到该行业排放标准。

标签:
废水处理
辽宁 - 大连 来源:中冶有色网 2023-03-19
针对精对苯二甲酸氧化单元的母液抽出液的处理工艺

一种针对精对苯二甲酸氧化单元的母液抽出液的处理工艺,属于工业废水处理领域,工艺流程为:氧化母液抽出液经过醋酸回收单元或者对苯二甲酸部分回收单元、降低温度固液分离单元处理。分离液经过除杂单元、树脂吸附钴锰单元回收钴锰、除溴单元回收溴,最后将废弃液直接排放至污水综合处理单元;固体先经过水洗,水洗液输送至树脂吸附钴锰单元中回收钴锰,剩余的固体回收提取并提纯其中的对苯二甲酸、苯甲酸产生经济价值。降低氧化母液抽出液中的溴、苯甲酸及苯二甲酸等苯系物的浓度,避免了对生化污泥活性的不良影响,降低了废水的处理难度,提高后期污水综合处理的效率;降低了碱性物质的消耗量,节省了资源,降低了企业成本增加了利用率。

标签:
废水处理
辽宁 - 大连 来源:中冶有色网 2023-03-19
萃取与发酵偶联分离发酵液中1,3-丙二醇的方法

本发明提供了一种萃取与发酵耦合分离发酵液中1,3-丙二醇的方法。该方法为:将糖或/和无机盐溶解于1,3-丙二醇发酵液中,得含糖混合液;向含糖混合液中加入有机溶剂,振荡混合,在15~40℃下静置或离心至分相,得到上层的有机相和下层的水相共存的萃取体系;回收有机相中的有机溶剂,得1,3-丙二醇粗品;水相,去除有机溶剂,加入水稀释至糖浓度为50~200g/L,接入菌体,进行1,3-丙二醇的发酵。本发明的方法,提高了原料利用率和提取分离的效率,减少了废水的排放,降低了提取成本,使1,3-丙二醇的发酵和提取有机的结合在一起,实现了发酵与分离的耦合,是一种具有工业应用前景的新型分离方法。

标签:
废水处理
辽宁 - 大连 来源:中冶有色网 2023-03-19
乳清多肽饮品的生产方法

本发明公开一种以大豆乳清废水为原料,酶解制备乳清多肽新型饮品的生产方法。该方法先将大豆乳清废水经热处理后,加入胃蛋白酶作用于乳清废水中大豆乳清蛋白,进行酶解反应;再调配成口味偏酸的乳清多肽饮品。本发明利用大豆乳清废水生产多肽饮品,有效保留了废水中有益营养成分。变废为宝,既节省资源,又保护环境。功能多肽饮品更易消化吸收,适用人群广泛,生产步骤简单,易于实现,是口味及营养俱佳的一种健康饮品。

标签:
废水处理
辽宁 - 大连 来源:中冶有色网 2023-03-19
酿酒酵母菌及一种微生物制备高纯度D-半乳糖的方法

本发明公开了一株酿酒酵母菌(Saccharomyces?cerevisiae)DLPU-GLC,保藏编号CGMCC?NO.7785。本发明还公开了所述酿酒酵母菌在制备D-半乳糖的应用——一种微生物制备高纯度D-半乳糖的方法,将酿酒酵母菌体加入到乳糖水解液中厌氧发酵消耗葡萄糖完全后,去除菌体后的清液中加入活性炭脱色,之后过滤除去活性炭,脱色液浓缩,结晶,用乙醇结晶和漂洗,离心得D-半乳糖湿晶体。本发明以乳糖水解液为原料生产D-半乳糖的生物方法,具有生产过程简单、条件温和、生产过程中不会产生污染物、产品纯度高的特点。本发明摒弃传统的化学方法,不使用有机溶剂,无废水产生,是一种绿色生产工艺。

标签:
废水处理
辽宁 - 大连 来源:中冶有色网 2023-03-19
制浆造纸废液回收物制取高分子絮凝剂的方法

制浆造纸废液回收物制取高分子絮凝剂的方法,在三口瓶置于20~70℃水浴锅中,通入氮气以赶尽空气,将配制成8.0~30.0%质量浓度的丙烯酰胺水溶液加入,然后搅拌下迅速加入引发剂;当三口瓶中的溶液稍粘稠时,滴加木质素磺酸盐溶液,20~70℃下反应2~5H,所得产物即为木质素磺酸盐与丙烯酰胺的接枝共聚物。所述木质素磺酸盐溶液为制浆废液絮凝沉降的木质素磺酸盐浓度为13.0~30.0%的水溶液,用4~10%的硫酸溶液调其PH值至5~12。本发明合理利用造纸黑液,有利于环境保护;同等用量下此絮凝剂处理废水(包括印染污水、生活污水、洗毛污水等)更易于固液分离,处理效果优于常规絮凝剂,絮凝剂价格低廉。

标签:
废水处理
辽宁 - 大连 来源:中冶有色网 2023-03-19
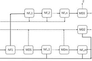
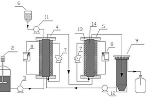
NF-RO-MD分盐脱盐系统
NF-RO-MD分盐脱盐系统 1038     
 0

本实用新型属于化学工程技术领域,涉及工业废水处理的方法以及膜分离相关技术,特别涉及到利用多级膜分离技术联用的方法进行浓盐水脱盐、分盐,提出了NF‑RO‑MD分盐脱盐系统,实现工业废水零排放及资源化利用。该系统包含纳滤(NF)、反渗透(RO)和膜蒸馏(MD)三种膜法处理单元。对于同一种废水的脱盐、分盐可以有多种方案,每一种脱盐、分盐方案中包含的流程也是多变的,其排列组合方式包含但不限于以上过滤方法的任意几种组合和排列次序。无论采用几级处理、何种排列组合方式,所达到的目的是结晶盐分中单价盐或者高价盐的纯度应达到90wt%以上,分离出水应符合回用标准或至少达到该行业排放标准。

标签:
废水处理
辽宁 - 大连 来源:中冶有色网 2023-03-19
烟气处理设备
烟气处理设备 1099     
 0

本实用新型提供了一种烟气处理设备,涉及工业设备技术领域,主要目的是解决现有技术中存在的余热锅炉易结焦的技术问题,本实用新型的另一个目的是解决工业废水的处理问题。该烟气处理设备包括焚烧炉、余热锅炉、储水箱和喷咀,焚烧炉与余热锅炉相连通,喷咀位于余热锅炉的进气孔处,并通过管道与储水箱的出水口相连;储水箱上还设有分别位于液面上下的排气口和进气口,烟气经焚烧炉和余热锅炉处理后通过进气口进入储水箱内,并通过排气口排出。本实用新型通过将系统下游用于中和烟气的废水通过管道和水泵输送至余热锅炉内,解决了烟气通道堵塞和下游废水处理的问题。

标签:
废水处理
辽宁 - 大连 来源:中冶有色网 2023-03-19
NF‑RO‑MD分盐脱盐系统

本发明属于化学工程技术领域,涉及工业废水处理的方法以及膜分离相关技术,特别涉及到利用多级膜分离技术联用的方法进行浓盐水脱盐、分盐,提出了NF‑RO‑MD分盐脱盐系统,实现工业废水零排放及资源化利用。该系统包含纳滤(NF)、反渗透(RO)和膜蒸馏(MD)三种膜法处理单元。对于同一种废水的脱盐、分盐可以有多种方案,每一种脱盐、分盐方案中包含的流程也是多变的,其排列组合方式包含但不限于以上过滤方法的任意几种组合和排列次序。无论采用几级处理、何种排列组合方式,所达到的目的是结晶盐分中单价盐或者高价盐的纯度应达到90wt%以上,分离出水应符合回用标准或至少达到该行业排放标准。

标签:
废水处理
辽宁 - 大连 来源:中冶有色网 2023-03-19
分离水中金属离子的Y型沸石分子筛膜及其制备方法

一种分离水中金属离子的Y型沸石分子筛膜及其制备方法。本发明公开了一种水中金属离子的Y型沸石分子筛膜及其制备方法,采用二次晶种生长法在多孔载体表面引入大小晶种层,将其放入合成液中,在一定温度下水热合成NaY沸石膜,所述合成液中各组分的摩尔比为:SiO2:Al2O3:Na2O:H2O=13~20:1:18~20:1000~1500。该方法制备的NaY沸石膜连续致密,晶体互生性好。该膜在进行渗透蒸发海水脱盐及分离脱除核工业废水中放射性Sr2+等离子,表现了高的通量和对Na+、Ca2+、Mg2+、Sr2+、Cs2+的优异的离子截留率,表明在该膜可应用于包括海水淡化、核工业废水中放射性离子的分离、高盐废水、高盐湖水在内的涉及水中金属离子分离的相关领域。

标签:
废水处理
辽宁 - 大连 来源:中冶有色网 2023-03-19
活性炭浓缩分离-生物再生污水处理设备和方法

活性炭浓缩分离-生物再生污水处理设备和方法属于环境工程中的污水处理技术领域。利用活性炭吸附浓缩分离污染物,然后经过生物再生活性炭,实现高盐度、单一性污染物以及其它不适合直接生物处理的污水的处理过程。其主要工艺过程包括活性炭吸附-生物再生两个单元,一般分多组交替运行实现对污水的连续处理。本发明所达到的效果为:高盐度废水的处理,生化处理效率高,运行成本低;成分单一的有机工业污水,将有机物的吸附脱除和降解分阶段进行,以便提供充分的营养;含有机物的气体处理,生物吸附和生物再生同步进行。适用于高盐度废水的生化处理过程,使盐度对生物的抑制作用大为降低,同时对污染物成分单一的污水处理也很实用。

标签:
废水处理
辽宁 - 大连 来源:中冶有色网 2023-03-19
催化氧化法处理氯酚类污染物的方法

本发明涉及氯酚类化合物的氧化去除,具体地说是一种催化湿式氧化法处理氯酚类有机污染物的方法;将盛有有机污染物的废水溶液装入反应釜中,向液相体系中加入催化剂,然后充入纯氧或空气,搅拌条件下氧化去除有机污染物;反应温度为30~300℃,反应压力为0.1~10MPA,其中氧分压为0.1~5.0MPA;所述催化剂是以金属K、NA、MG、CA、BA和/或AL为活性阳离子组分的可溶性盐;所加入的催化剂中阳离子的摩尔浓度为废水中所需去除有机污染物摩尔浓度的0.01~10倍。本发明的优点为:催化活性高,反应条件温和;处理成本低,可工业化前景大;适用范围广;环境友好。

标签:
废水处理
辽宁 - 大连 来源:中冶有色网 2023-03-19
高压水中焚烧蒸发处理重度污水的装置及方法

本发明公开了一种高压水中焚烧蒸发处理重度污水的装置及方法,属于节能减排、有利于环保的污水处理技术领域。为了有效地解决石油、化工、核工业以及冶炼等领域的重度污水处理问题,实现高黏高盐高有机废水的综合治理,本发明提供了一种利用高压水中焚烧蒸发浓缩污水的蒸发器,该方法以气体或液体燃料为能源,与空气在燃烧室形成喷射燃烧,火焰通过燃烧仓技术直接喷射到污水中,实现废水的高效换热、蒸发,浓缩液以料浆形式排出,基本实现零排放;高温高压蒸汽及废气可二次利用。该蒸发设备换热效率、热利用率都很高,设备投资少,操作维护方便,整套设备可以实现重度污水的高效处理。

标签:
废水处理
辽宁 - 大连 来源:中冶有色网 2023-03-19
太阳光照射下海水催化降解氯酚类污染物的方法

本发明涉及氯酚污染物的光降解去除方法,具体地说是一种太阳照射下海水催化降解氯酚类污染物的方法,以天然海水为稀释液,将氯酚类污染物稀释成质量浓度为1-300MG/L的氯酚类溶液,反应容器为透明材质的,将其盖上盖子后置于室外的自然环境。采用本发明处理氯酚类废水,反应条件特别温和,所用催化剂就是海水,氧化剂是空气,反应条件就是自然条件,价格低廉,降解速度快,降解率高,且降解彻底,没有二次污染,可以适用于分布广、浓度较低的氯酚类污染物及有氯酚类污染物产生的废水的降解,工业化应用前景大。

标签:
废水处理
辽宁 - 大连 来源:中冶有色网 2023-03-19
利用碳法糖滤泥制多孔陶瓷材料的方法

利用碳法糖滤泥制多孔陶瓷材料的方法。是以糖厂废弃物糖滤泥(含水<13%,25~50WT%)和粘土(50~75WT%)为原料,将糖滤泥和粘土混合进行球磨至过120目筛,加水反复揉练直到可塑性达到可塑性泥料要求,陈腐,成型并干燥,在1000~1200℃下烧结10~40分钟而成多孔陶瓷材料。本发明生产工艺简单,既解决了糖滤泥处理难的问题,保护了环境;又降低了多孔陶瓷材料的生产成本。制备的多孔陶瓷材料的性能优越(陶瓷孔径尺寸为小于5ΜM,孔隙率为20~27%,吸水率为14~18%,机械强度为18~26MPA),可用于废水的过滤和分离,载体材料、吸音和隔音材料等多个领域。

标签:
废水处理
辽宁 - 大连 来源:中冶有色网 2023-03-19
催化臭氧氧化反应装置

本发明公开了一种催化臭氧氧化反应装置。整套系统包括臭氧发生系统、催化臭氧氧化系统、尾气吸收系统以及系统参数控制。本发明所建立的催化臭氧氧化装置适用于COD小于7000mg/L的各种水质的工业废水的处理,若同时考虑传质及经济成本,COD应小于1400mg/L,TOC去除率可达35%以上,可以在工业废水以及模型废水的催化臭氧化处理中得到很好的应用,为实现废水处理工程化提供基础参数。

标签:
废水处理
辽宁 - 大连 来源:中冶有色网 2023-03-19
供水节能设备
供水节能设备 886     
 0

一种供水节能设备,包括:收集槽,电解槽、净化装置;其特征在于:收集槽的进水口端设置一个可拆卸的粗网过滤器,收集槽通过带有若干可拆卸的细网过滤器与电解槽连通,电解槽通过输水管道连接净化装置;本发明结构简单,操作方便,生产成本低,收集槽利于收集工业废水中的各种悬浮物质,电解槽可以有效地分离溶解工业废水中的重金属离子;达到了工业废水回收再利用的效果。

标签:
废水处理
辽宁 - 大连 来源:中冶有色网 2023-03-19
制备生物絮凝剂的剩余污泥碱解工艺

本发明属于剩余污泥处理技术领域,一种制备生物絮凝剂的剩余污泥碱解工艺,包含连续进泥系统、污泥破解反应系统和沉淀池回流系统。利用物理、化学、生物的污泥破解方式采用热碱法对污泥进行连续处理,操作简单,较易满足工业化生产的条件。污泥处理产物包含上清液和少量沉淀污泥,沉淀池中的沉淀污泥通过回流系统打入反应器中重新参与反应,将沉淀池中的上清液收集可作为生物絮凝剂对废水进行有效处理,该工艺下产生的的生物絮凝剂对万德染料废水、水性漆废水等实际工业废水都具有良好的处理效果。因此本发明可达到废水与污泥同时处理的功效,具有良好的实际应用前景。

标签:
废水处理
辽宁 - 大连 来源:中冶有色网 2023-03-19
复合混凝剂及其制法和用途

一种用于净化工业废水的复合混凝剂及其制法和用途。本复合混凝剂由硼泥和无机酸通过浸析反应而制得,其中含有镁、铁、铝盐和具有吸附、助沉功能的固体微粒;可直接用于净化处理pH值大于9的印染、造纸等的工业废水,能得到满意的色度、化学耗氧量和悬浮物的去除效果,解决了硼泥废渣难处理及工业废水净化处理费用高和活性染料废水脱色难等问题。

标签:
废水处理
辽宁 - 大连 来源:中冶有色网 2023-03-19
上一页 13 14 15 16 17 ... 29 下一页
共29页    到第

中冶有色为您提供最新的辽宁大连有色金属废水处理技术理论与应用信息,涵盖发明专利、权利要求、说明书、技术领域、背景技术、实用新型内容及具体实施方式等有色技术内容。打造最具专业性的有色金属技术理论与应用平台!

全国热门有色金属设备推荐
展开更多 +
全国热门有色金属技术推荐
展开更多 +

 

江西省隆恩特环保设备有限公司
宣传

报名参会
更多+

报告下载

有色专家
更多+

中南大学
中国工程院院士
矿冶科技集团
副所长/研究员
赣州有色冶金研究所有限公司
副主任/高级工程师
北京工业大学、中国工程院
中国工程院 院士
中铝郑州有色金属研究院有限公司
正高级工程师/总经理
赤泥综合利用研究报告2025
推广

热门技术
更多+

推荐企业
更多+

福建省金龙稀土股份有限公司
宣传

发布

在线客服

公众号

电话

顶部
咨询电话:
010-88793500-807