青岛垚鑫智能科技有限公司
宣传

位置:中冶有色 >

有色技术频道 >

> 固/危废处置技术

分类:
全部
矿山技术
冶金技术
材料制备及加工技术
环境保护技术
分析检测技术
 
全部
废水处理技术
大气治理技术
固/危废处置技术
土壤修复技术
地区:
全部
北京
天津
上海
重庆
河北
山西
辽宁
吉林
黑龙江
江苏
浙江
安徽
福建
江西
山东
河南
湖北
湖南
广东
海南
四川
贵州
云南
陕西
甘肃
青海
内蒙
广西
西藏
宁夏
新疆
其他
其他
展开
 
全部
武汉
黄石
十堰
宜昌
襄阳
鄂州
荆门
孝感
荆州
黄冈
咸宁
随州
恩施土家族苗族自治州
仙桃
潜江
天门

湖北有色金属固/危废处置技术理论与应用

免费发布技术信息>>
含油固废热解装置
含油固废热解装置 918     
 0

本发明属于含油废弃物热处理设备技术领域,特别涉及一种含油固废热解装置,其包括上料装置、第一连接管、汽化管、第二连接管、热解管、第三连接管和卸渣装置,所述上料装置自进料端至出料端向上倾斜设置,所述出料端的底部通过第一连接管与汽化管的输入端连接,所述汽化管的输出端通过第二连接管与热解管的输入端连接,所述热解管的输出端通过第三连接管与卸渣装置的进渣端连接,所述卸渣装置自进渣端至排渣端向上倾斜设置,在热解时形成了严格的缺氧环境,安全可靠,设备使用寿命长,且造价较低。

标签:
固废
湖北 - 武汉 来源:中冶有色网 2023-03-19
化工固废收纳装置
化工固废收纳装置 859     
 0

本实用新型公开了一种化工固废收纳装置,包括箱体和箱盖,所述箱体内部嵌设有隔热层,所述箱体顶部一体成形有环形卡块,所述箱盖底部对应开设有环形卡槽,所述环形卡块卡接于环形卡槽内,所述环形卡块内部和环形卡槽顶部内对应嵌设有磁块,所述环形卡槽内胶接有弹性橡胶垫圈,所述箱盖底部胶接有环形密封圈,所述箱体底部和箱盖顶部均设置为倒圆角,所述箱体外壁两侧对称设置有搬运组件,所述箱盖顶部对称设置有两组启盖组件,本装置可削弱外界热量传递至箱体的影响,保持箱体内的低温环境,弹性橡胶垫圈及环形密封圈的设置,能够阻碍外界空气的进入,增强装置的密封性,从而保证收纳环境的稳定性。

标签:
固废
湖北 - 襄阳 来源:中冶有色网 2023-03-19
一体化利用磷石膏固废物制备环保建材的系统及使用方法

本发明涉及制备环保建材技术领域,具体为一体化利用磷石膏固废物制备环保建材的系统及使用方法,包括装置主体,所述装置主体包括搅拌机主体,且搅拌机主体顶端固定连接有进料口,所述搅拌机主体内部插设有旋转轴,且旋转轴外壁固定连接有第一搅拌叶片,所述第一搅拌叶片底端固定连接有出料口,所述搅拌机主体左侧插设有进水管道,所述进料口内部设置有旋转机构,且旋转机构包括固定架,所述搅拌机主体左端固定连接有固定架,且固定架底端内壁固定连接有电机。本发明解决了传统的搅拌机在加料时粉尘易四处飘散,且原料和水之间的比例不够准确的问题,保证了搅拌机主体周围的环境,且增加了原料和水之间比例的稳定性,提升了装置的生产质量。

标签:
固废
湖北 - 武汉 来源:中冶有色网 2023-03-19
建筑固废垃圾水泥预制件回收再利用系统及其工艺

本发明涉及一种建筑固废垃圾水泥预制件回收再利用系统及其工艺,包括支撑架、输送装置、破碎装置和收集装置,所述的支撑架上端中部安装有输送装置,支撑架右端面内侧安装有破碎装置,收集装置通过滑动配合的方式安装在支撑架下端面上,收集装置位于输送装置下方。本发明可以解决现有建筑垃圾处理设备在对水泥预制件处理时,对于块状较大的水泥预制件大多采用人工将钢筋与混凝土分离,工作强度极大,劳动成本较高,且效率底下,不能使钢筋与混凝土完全分离,影响水泥预制件再回收利用效率的难题,不能分级的将块状较大的水泥预制件从大到小再进行粉碎处理,工作效率底下,不能将水泥预制件粉碎,再回收利用难度较大的难题。

标签:
固废
湖北 - 襄阳 来源:中冶有色网 2023-03-19
炼钢固废集成处理系统

本发明涉及炼钢固废的集成处理工艺,包括以下步骤:将炼钢废料破碎成粒度<16mm的物料;将上述物料湿法球磨后过15~30目的筛网筛分,得到矿浆和粗矿料,矿浆经过磁选处理得到铁矿粉和泥沙浆,泥沙浆再依次经过离心沉降得到尾砂和泥浆,尾砂经过尾砂干排后得到特细砂,泥浆经过浓缩和压滤后得到泥饼;筛余的粗矿料经过磁滚处理后得到粒子钢和尾料,尾料经过10mm筛网处理后得到尾矿石和尾矿砂,尾矿砂经过跳汰处理后得到粒子钢和粗尾砂。本发明将炼钢的废弃物经过处理后分别转化成了粒子钢、铁矿粉等可回收利用的资源,处理过程中产生的泥浆、粗尾砂、特细砂等可直接作为路面砖或发泡砖的制备原料。

标签:
固废
湖北 - 黄石 来源:中冶有色网 2023-03-19
基于农业固废增值利用的环保缓释磷肥及其制备方法

本发明公开了一种基于农业固废增值利用的环保缓释磷肥及其制备方法,属于农林废弃物资源化利用以及绿色农业技术领域。本发明以农作物秸秆、草木灰、鸡蛋壳、鸡毛为原料,通过微波辅助热解、活化扩孔,表面功能修饰制备环保型改性多孔生物炭,最后将改性多孔生物炭与富磷废液富集即可实现环保缓释磷肥的制备。本发明原料广泛可再生,廉价易得、工艺简单、耗时短、能够很好地实现“变废为宝,以废治废”;所得环保缓释磷肥有效磷含量不低于12.74%,在28d内有效磷的累积释放率不高于70%,能够改良土壤、避免肥力受雨水侵蚀而快速流失、缓释时间长。

标签:
固废
湖北 - 武汉 来源:中冶有色网 2023-03-19
城市固废全量资源化处理与再生利用系统及方法

本发明涉及一种城市固废处理系统。该系统采用垃圾分选装置,结合多次发酵工艺,针对筛上物特点进行资源化处理,对筛下物进行高值化利用。本发明有效的解决了生活垃圾前端分类不到位、中端收集困难和终端资源化产品出路难等问题,彻底实现了对生活垃圾进行减量化、无害化和资源化的目的。

标签:
固废
湖北 - 武汉 来源:中冶有色网 2023-03-19
固废基非均相臭氧催化剂及其制备方法

本发明提供了一种固废基非均相臭氧催化剂的制备方法,包括如下步骤:1)将赤泥、脱硫灰、粉煤灰、水混合搅拌均匀,造粒,干燥,得到预制料;2)将预制料在隔绝氧气条件下加热进行烧制,一段时间后向体系中通入水蒸气进行活化,最后冷却降温至室温,即得臭氧催化剂。该发明采用有色冶炼中产生的难处理的赤泥与半干法脱硫灰为原料,实现了赤泥与脱硫灰的协同处理与资源化利用,而且制得的臭氧催化剂活性好、机械强度高、使用寿命长,长期运行稳定,其制备过程简单,具有投资小、运营成本低、操作简单等优点。

标签:
固废
湖北 - 武汉 来源:中冶有色网 2023-03-19
高强度易清洗的固废鳞板喂料机

本实用新型公开了一种高强度易清洗的固废鳞板喂料机,包括支架装置、传动装置、动力装置、波纹鳞板及喷水装置,支架装置包括方形支架、撑脚及千斤顶,撑脚与方形支架一端铰接,方形支架另一端用千斤顶支撑,传动装置包括头轮装置、尾轮装置、链条及L形板,头轮装置与尾轮装置通过链条连接,链条链板与L形板固定连接,动力装置包括电机、电机转动轴、电机轮盘及传动皮带,电机转动轴通过传动皮带与头轮连接,波纹鳞板包括挡板及底板,底板横截面设置有大圆弧端和小圆弧端,大圆弧端和小圆弧端之间设置弧形拱起,喷水装置包括喷头、软管及支撑架,喷头铰接在支撑架上,并与软管连接,弧形拱起来增加波纹鳞板的强度,喷头方便对波纹鳞板进行清洗。

标签:
固废
湖北 - 宜昌 来源:中冶有色网 2023-03-19
磷石膏固废物制备节能环保建材的高效混合装置

本实用新型涉及搅拌技术领域,具体为一种磷石膏固废物制备节能环保建材的高效混合装置,包括高效混合装置本体,所述高效混合装置本体包括第一固定框,且第一固定框的底端固定连接有第二固定框,所述第二固定框的底端中心位置处固定安装有第一电机,且第一电机的输出端固定连接有搅拌杆,所述第一固定框与第二固定框的表面套设有防尘装置。本实用新型通过设置有滚轴和滤板,第二电机转动通过第一传动装置带动滚轴转动,通过滚轴对原料进行破碎,通过滤板对破碎后的原料进行筛分,将没有破碎完全的原料通过上料装置输送至第一固定框的内部,进行二次破碎,破碎完全后的原料通过筛分装置筛分后进入第二固定框的内部。

标签:
固废
湖北 - 武汉 来源:中冶有色网 2023-03-19
实施有机固废热解方法的系统

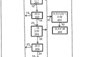
本实用新型公开了一种实施有机固废热解方法的系统,系统包括:氮气装置;热解装置,热解装置与氮气装置相连,热解装置包括:热解炉、电子计量秤和料框,料框设置于炉体内,电子计量秤位于热解炉外且与料框相连;灰尘分离装置,灰尘分离装置与热解装置相连;直冷装置,直冷装置与热解装置相连;间冷装置,间冷装置分别与直冷装置相连;过滤装置,过滤装置与间冷装置相连;储气装置,储气装置与过滤装置相连。由此,采用物理冷却法来减少热解气中焦油和杂质含量,既能达到深度净化要求,又能避免因化学法带来运行成本极高问题。

标签:
固废
湖北 - 武汉 来源:中冶有色网 2023-03-19
固废、危废处理工厂内的粉尘处理系统

本发明公开了一种固废、危废处理工厂内的粉尘处理系统,包括设置于厂房顶部的雾化喷淋系统,厂房地面上设置若干相互平行的条形支撑机构,支撑机构顶端可拆卸地依次紧密铺设有若干网板,且网板覆盖面积大于雾化喷淋系统覆盖面积;每相邻两支撑机构间形成集尘通道,每个集尘通道中设置有至少一个刮板,刮板由驱动装置带动沿集尘通道进行往复运动。雾化喷淋系统喷射的水雾与空气中漂浮的粉尘撞击而使粉尘沉降到地面上,由于地面铺设为网板,因此可保持地面清爽、不积水不积尘,集尘通道内积累的粉尘由刮板集中后,可将特定的网板掀起后统一清理,不会耽误工人的正常工作。

标签:
固废
湖北 - 黄石 来源:中冶有色网 2023-03-19
适配有机固废物处理的内循环流化床气化炉

本发明公开了一种适配有机固废物处理的内循环流化床气化炉,包括:气化炉本体,所述气化炉本体的内部设置有炉膛;折焰角,所述折焰角设置于所述炉膛的内部的一侧;进料口,所述进料口设置于所述炉膛的内部的另一侧;鼓风口,所述鼓风口与所述炉膛连通,并且所述鼓风口设置于所述折焰角的下方;排渣口,所述排渣口设置于所述炉膛的下端。炉膛下部较高流速流化区可实现均匀布风;炉膛中部内循环强化反应区可实现颗粒内循环,提高气化反应强度,延长停留时间,提高转化率;炉膛上部稀相区,采用适当的高径比,延长气化合成气的还原反应时间,获得品质较高的可燃气,减少飞灰含碳量,降低二噁英和NOx的排放。

标签:
固废
湖北 - 武汉 来源:中冶有色网 2023-03-19
大掺量固废湿磨浆料复合废弃EPS颗粒保温材料的制备方法

本发明公开了一种大掺量固废湿磨浆料复合废弃EPS颗粒保温材料的制备方法,技术方案包括将40‑50份矿渣和30‑35份钢渣湿磨,再和水5‑8份,脱硫石膏4‑6份,纤维0.3‑0.5份,胶粉0.08‑0.12份,悬浮剂0.13‑0.21份搅拌均匀后,再加水泥10‑15份,早强水泥3‑5份、电石渣3‑6份,减水剂0.05‑0.12份,搅拌均匀得浆体;将废弃EPS板切碎后用偶联剂改性后与所述浆体混合搅拌均匀得保温材料。本发明工艺简单、生产成本低、废料掺量大、各项性能优异。

标签:
固废
湖北 - 武汉 来源:中冶有色网 2023-03-19
基于机器视觉的工业固废智能分类处理监测管理系统

本发明公开一种基于机器视觉的工业固废智能分类处理监测管理系统,其具体包括企业废弃物投放信息获取模块、企业废弃物排放类型分类模块、废弃物暂放信息采集与处理模块、车辆运输调度分析与处理模块、废弃物分散与信息采集模块、废弃物信息分析模块、废弃物处理模块、云存储平台和废弃物预警终端,通过对企业废弃物级别、运输需求和企业投放的废弃物进行分析,解决了废弃物处理中心没有对企业投放的废弃物进行分析的问题,实现了根据废弃物运输需求对车辆路径进行规划,有效的缩短车辆的运输路径长度,进而提高了车辆的运输效率,并减少了车辆运输过程的成本,同时保障了企业废弃物投放的合规性。

标签:
固废
湖北 - 武汉 来源:中冶有色网 2023-03-19
可重复利用并减少固废的可塑型保温组件

本发明公开了一种可重复利用并减少固废的可塑型保温组件,包括保温套、磁条一、磁条二和钩环,所述保温套上端一侧设置有所述磁条一,所述保温套底端一侧设置有所述磁条二,所述磁条一一侧设置有连接条一,所述连接条一上设置有挂钩,所述磁条二一侧设置有连接条二,所述连接条二上设置有所述钩环。有益效果在于:通过设置保温层和内衬层,在装置使用过程中,由于保温层采用玻璃纤维毯和硅酸铝纤维毯制成,使其具有低导热性、低热容量,热稳定性高、机械强度高,耐热性强、可操作性强,无粉尘、安全环保等特性,同时内衬层具有防火温度高,强度高等特点,可有效提高保温效果,避免热量流失,保证设备的运转,提高装置实用性。

标签:
固废
湖北 - 武汉 来源:中冶有色网 2023-03-19
具有侧补风结构的固废焚烧炉

本实用新型涉及焚烧炉技术领域,具体是一种具有侧补风结构的固废焚烧炉,包括炉体,炉体内下端设有燃烧室,燃烧室中心装有锥形旋转座,锥形旋转座表面设有若干个风孔,锥形旋转座下方装有一根主进风管,主进风管通入的助燃风通过所述风孔进入燃烧室内,所述炉体侧壁内部设有一圈空腔,炉体侧壁位于燃烧室上端装有至少一层侧补风管,每层侧补风管数量至少为两个且沿圆周均布,所述空腔内位于每层侧补风管处设有一圈弧形连通管,弧形连通管与所在层的所有侧补风管连通,所述主进风管设有一根分支管,分支管一端伸入所述空腔内与所有弧形连通管连通;本实用新型提升了燃烧效率。

标签:
固废
湖北 - 黄石 来源:中冶有色网 2023-03-19
固废填埋场用监测装置以及监测方法

本发明涉及一种固废填埋场用监测装置以及监测方法。其中的监测装置的第一管体的下端活动插入到监测井中,第一管体的上端伸出填埋场堆体的表面,石英砂层包裹在第一打孔段的周面外侧,第二管体的下端设置在第一管体内,第二管体的上端密封穿过第一管体的上端,第二管体的上端设置有球阀,第二管体的管身的底部具有第二打孔段,水位计可通过打开的球阀投入到第二管体内,第三管体的下端设置在第一管体和第二管体之间,第三管体的上端密封穿过第一管体的顶部,第三管体上设置有第三打孔段,第三打孔段上设置有多个网格状的孔洞,第三管体的上端分别与压力表以及气体分析仪连接。本发明可实现填埋场的内部气体组分、气体压力和水压力的稳定监测。

标签:
固废
湖北 - 武汉 来源:中冶有色网 2023-03-19
利用多源固废制备功能型透水材料的方法

本发明涉及一种利用多源固废制备功能型透水材料的方法,具体步骤如下:将高活性淤泥、高活性铁尾矿粉末、煤矸石粉末、高炉矿渣、石膏、碳酸氢铵以及麦饭石粉充分搅拌均匀,然后利用造粒机制成粒径为4.75~9.5mm的球形,养护得到免烧集料;将免烧集料和部分水加入搅拌机中搅拌混合均匀,再加入水泥、氟硅酸镁和硅酸钠进行充分搅拌,最后投入减水剂、可再分散乳胶粉和剩余水混合均匀,将得到的拌合物取出并压实,养护得到功能型透水材料。本发明利用低碳的免烧集料制备功能型透水材料,固废资源化利用率高,制备成本低廉,制备过程能源消耗低,制备工艺简单,对建设海绵城市具有重大的应用前景。

标签:
固废
湖北 - 武汉 来源:中冶有色网 2023-03-19
骨料工业固废协同水泥旋窑余热制备的硅钙板及制备方法

本发明涉及一种骨料工业固废协同水泥旋窑余热制备的硅钙板及制备方法,硅钙板包括以下组份,按质量百分比计为:水泥5%‑20%,消石灰15%‑40%,石英粉0%‑40%,骨料工业高硅废粉5%‑40%,纸浆纤维5%‑10%。制备方法,包括以下步骤:(1)纸浆纤维经解离之后与水泥、消石灰、石英粉和骨料工业高硅废粉混合磨浆,制备成固含量为9%‑13%的料浆,利用流浆法成型;(2)板坯成型后,40℃‑80℃预养护1‑10h,然后送入蒸压釜中于170℃‑240℃的饱和蒸汽下养护4‑10h;(3)养护完成后,得初品,对初品进行砂光处理后得成品。本发明可以协同资源化利用骨料工业固废,并利用水泥窑余热加热锅炉产生的蒸汽进行蒸压养护,大大降低板材的生产能耗,提升燃料的利用率。

标签:
固废
湖北 - 黄石 来源:中冶有色网 2023-03-19
撬装式固废阴燃处置系统及方法

本发明公开了一种撬装式固废阴燃处置系统及方法。所述系统包括进料系统、排料系统、液压系统、供热供风系统、烟气系统和至少两个撬装式阴燃反应器;其中,每个撬装式阴燃反应器的一侧壁上设置可开启或闭合的排料口,液压系统中液压杆与撬装式阴燃反应器的底部连接,通过液压杆的伸长,使得撬装式阴燃反应器向设置有排料口的一侧倾斜,固废反应产物通过排料口排出后进入排料系统,供热供风系统为所述撬装式阴燃反应器提供阴燃所需热量和气体,至少两个撬装式阴燃反应器能够交替运行。利用至少两个结构简单的撬装式阴燃反应器交替运行实现阴燃的规模化连续处置,由此解决目前规模化处置设备复杂、占地面积大或连续处置效果差的技术问题。

标签:
固废
湖北 - 武汉 来源:中冶有色网 2023-03-19
胶凝材料、全固废混凝土及其制备方法

本发明提供一种胶凝材料、全固废混凝土及其制备方法,所述胶凝材料以质量百分数计,包括以下组分:钢渣粉25~35%、矿渣粉45~55%、脱硫石膏粉10~15%,碱渣粉5~10%。本发明制备的胶凝材料利用碱渣粉与钢渣粉、矿渣粉、脱硫石膏之间的相互激发作用,充分发挥矿渣粉中硅氧四面体、铝氧四面体的潜在水硬活性和“复盐效应”,制备出可以水化硬化的胶凝材料,利用该胶凝材料替代水泥,与废砂、废石、水及减水剂混合制备获得全固废混凝土,不仅可以节约25~35%的原料成本,而且制得的混凝土工程材料力学性能优异,标准养护28天后其抗压强度可达60MPa以上。

标签:
固废
湖北 - 武汉 来源:中冶有色网 2023-03-19
多元固废再生骨料及其制备工艺

本发明公开了一种多元固废再生骨料,还公开了一种多元固废再生骨料的制备工艺,包括以磷石膏、粉煤灰、矿渣粉、减水剂为原料,其利用碱性激发剂、活性硅铝矿物掺和料和有机粘合剂,通过圆盘造粒成球工艺,经自然水化生成钙矾石和C‑S‑H凝胶将剩余未溶解的磷石膏和掺和料进行包裹并胶结在一起的新型建筑材料。待再生骨料自然水化后成型,将初成型的骨料放入温度为100±2℃湿度为95%以上的蒸养箱里,以加速C‑S‑H颗粒生成。提高了水化率,改善再生骨料的性能,降低再生骨料吸水率,减少再生混凝土用水量,同时明显提高再生骨料混凝土强度,提高再生骨料在混凝土中的利用率。

标签:
固废
湖北 - 武汉 来源:中冶有色网 2023-03-19
固废硅渣清洗装置及清洗方法

本发明提供了一种固废硅渣清洗装置及清洗方法,该清洗装置,包括:蒸淋罐,其上连通有加料口、进水管以及蒸汽管;至少一个铜液储槽,其通过第一管道与所述蒸淋罐下端连通,所述第一管道上设有第一阀门,所述铜液储槽与所述进水管连通;缓冲罐,其通过第二管道与所述蒸淋罐下端连通,所述第二管道上设有第二阀门。本发明的固废硅渣清洗方法,通过水洗和蒸汽淋洗相结合,可极大的除去硅渣中的强酸、金属盐和有机物,使硅渣能够再次利用,做到废弃物资源化再生,具有杂质脱除率高,工艺简单的优点。

标签:
固废
湖北 - 武汉 来源:中冶有色网 2023-03-19
建筑混凝土固废回收装置

本实用新型提供一种建筑混凝土固废回收装置,包括筛选箱,筛选箱底部设有卸料口,筛选箱一端顶部设有破碎箱,破碎箱顶部设有加料斗,底部设有排料斗,破碎箱内设有破碎辊,筛选箱内设有网筛筒,网筛筒内设有搅拌轴,搅拌轴上设有螺旋叶片,搅拌轴通过驱动机构驱动,网筛筒一端顶部设有加料口,筛选箱端部设有与网筛筒连通的排料口,排料斗和加料口之间设有倾斜设置的导料槽,导料槽通过支架固定,导料槽上方设有皮带输送机,皮带输送机的上下输送带之间设有磁铁,磁铁设置在导料槽的上方。该装置能够对建筑混凝土固废进行粉碎后再筛选操作,同时方便对铁质的回收。

标签:
固废
湖北 - 宜昌 来源:中冶有色网 2023-03-19
全固废材料及其制备方法和应用

本发明特别涉及一种全固废材料及其制备方法和应用,属于固废资源化利用技术领域,材料的成分包括:主料和外加剂;以重量计,主料包括:改性锰渣8‑20份、改性建筑垃圾微粉80‑92份和再生细骨料200‑450份,改性锰渣中的石膏为脱羟基获得的半水石膏;外加剂的重量用量为主料中改性锰渣与改性建筑垃圾微粉重量之和的0.54%‑3.58%;外加剂为锰渣缓凝剂、减水剂和微粉增强剂的混合物;通过对锰渣进行石膏脱羟基得到的改性锰渣作为原料,改变了石膏的结构,生成的半水石膏本身具有胶凝活性,弥补建筑垃圾制备的砂浆或砌块早期强度低,或需要添加水泥、化学激发等缺陷。

标签:
固废
湖北 - 武汉 来源:中冶有色网 2023-03-19
塑料固废的分离回收装置

本实用新型属于塑料固废分离技术领域,具体公开了一种塑料固废的分离回收装置,包括分离室,分离室的侧壁上开有进料口,分离室设有流化机构、回收机构和离心分离机构,流化机构包括进风口、鼓风机和布风板,进风口与鼓风机连接,进风口位于进料口的下方,布风板置于进风口靠近分离室内的一侧,回收机构设置于进料口之上,回收机构包括刮板和回收槽,刮板连接有控制其沿回收槽上表面运行的控制机构,回收槽连接有回收仓,离心分离机构位于进风口之下,离心分离机构包括可旋转的圆台分离器和设置在圆台分离器周围的重物回收槽。采用本技术方案,利用分离室内各机构间的配合,实现对轻质塑料、重质塑料和重质杂质的分离。

标签:
固废
湖北 - 恩施土家族苗族自治州 来源:中冶有色网 2023-03-19
提升处理效率的固废焚烧炉

本实用新型涉及焚烧炉技术领域,具体是一种提升处理效率的固废焚烧炉,包括炉体,炉体内下端设有燃烧室,炉体顶部设有进料口,所述进料口处装有均匀布料装置,均匀布料装置包括回转座,回转座与炉体转动连接,回转座设有齿圈,回转座一侧装有驱动机构,驱动机构通过齿圈带动回转座旋转,回转座位于炉体中心线上设有长形下料口,回转座顶部位于长形下料口处装有料斗,料斗下端装有放料机构;本实用新型确保炉内物料均匀布置,使物料燃烧更充分,提升了燃烧效率,从而提高了固废的处理效率。

标签:
固废
湖北 - 黄石 来源:中冶有色网 2023-03-19
以固废前驱体低温制备高长径比防辐射莫来石晶须的方法

本发明提供了一种以固废前驱体低温制备高长径比防辐射莫来石晶须的方法,包括如下步骤:(1)干法研磨废陶瓷和铝渣,筛分后得到废陶瓷粉末a和铝渣粉末b;(2)湿磨处理a、b和硼泥c,筛分后得到纳米废陶瓷浆料A、纳米铝渣浆料B和纳米硼泥浆料C;(3)按(A+C):B摩尔比为1:2~1:4称取浆料,混合后煅烧;(4)水洗、抽滤、干燥;(5)经HF溶液腐蚀后稀释,干燥并加入聚丙烯酸铵分散剂溶液,超声分散,得到莫来石晶须。本发明通过硼泥助熔及中子屏蔽作用、固废中的CaO、Na2O和纳米级物质等,在降低液相形成温度条件下,可制备出分散性良好的高长径比防辐射莫来石晶须,具有成本低廉、环境友好、工艺简单等优点。

标签:
固废
湖北 - 武汉 来源:中冶有色网 2023-03-19
利用黄姜固废生产营养肥的工艺方法及其制备方法

本发明涉及一种利用黄姜固废生产营养肥的工艺方法,包括以下步骤:将黄姜固废进行蒸汽膨化,然后与草木灰、谷壳、茶枯饼按照5:2:1:0.3‑1的重量比进行混合,再通过添加黄姜废水、生石灰,将混合物料的水分含量调节为50‑70%,pH调节至6‑7,加复合发酵剂,进行好氧发酵,制得腐熟有机物料。将重量份数为腐熟有机物料70‑80份、尿素5‑10份、过磷酸钙3‑6份、硫酸钾4‑9份、中微量元素0.5‑2份、复合功能菌种0.01‑0.05份进行复配混合,通过粉碎、过筛、烘干、冷却等工艺步骤进行加工生产,进行包装即得到营养肥。该方法生产的营养肥安全性高、养分全面、肥料利用率高,并且具有防治土传病害的功效。

标签:
固废
湖北 - 十堰 来源:中冶有色网 2023-03-19
上一页 92 93 94 95 96 ... 108 下一页
共108页    到第

中冶有色为您提供最新的湖北有色金属固/危废处置技术理论与应用信息,涵盖发明专利、权利要求、说明书、技术领域、背景技术、实用新型内容及具体实施方式等有色技术内容。打造最具专业性的有色金属技术理论与应用平台!

全国热门有色金属设备推荐
展开更多 +
全国热门有色金属技术推荐
展开更多 +

 

江西省隆恩特环保设备有限公司
宣传

报名参会
更多+

报告下载

有色专家
更多+

中南大学
中国工程院 院士
中国瑞林工程技术有限公司
中国工程院院士
西安建筑科技大学
教授
辽宁忠旺集团
教授级高工
矿冶科技集团
中国工程院院士
赤泥综合利用研究报告2025
推广

热门技术
更多+

推荐企业
更多+

福建省金龙稀土股份有限公司
宣传

发布

在线客服

公众号

电话

顶部
咨询电话:
010-88793500-807