青岛垚鑫智能科技有限公司
宣传

位置:中冶有色 >

有色技术频道 >

> 固/危废处置技术

分类:
全部
矿山技术
冶金技术
材料制备及加工技术
环境保护技术
分析检测技术
 
全部
废水处理技术
大气治理技术
固/危废处置技术
土壤修复技术
地区:
全部
北京
天津
上海
重庆
河北
山西
辽宁
吉林
黑龙江
江苏
浙江
安徽
福建
江西
山东
河南
湖北
湖南
广东
海南
四川
贵州
云南
陕西
甘肃
青海
内蒙
广西
西藏
宁夏
新疆
其他
其他
展开
 
全部
南京
无锡
徐州
常州
苏州
南通
连云港
淮安
盐城
扬州
镇江
泰州
宿迁

江苏南京有色金属固/危废处置技术理论与应用

免费发布技术信息>>
基于斑马鱼急性毒性试验测试固废浸出液生态毒性的方法

本发明公开了一种基于斑马鱼急性毒性试验测试固废浸出液生态毒性的方法,包括以下步骤:步骤1:设置培养实验仓以及培养对照仓;步骤2:固废浸出液等量分装于培养实验仓中,养殖用水等量装于培养对照仓;步骤3:将斑马鱼均分为若干组放置于斑马鱼实验仓;步骤4:通过光照进行交替照射驱赶以及摄像设备来分析鱼群游动速度,并与对照组鱼群的游动速度进行对比;步骤5:根据斑马鱼游动速度降低的速率变化进行判断斑马鱼检测毒性的效果。本发明为固废浸出液的生态毒性检测提供了一种新的检测方式,可作为固废浸出液中有毒物质含量鉴别的一个生物学补充方法,更能反映固废本身所具有的生态环境危害。

标签:
固废
江苏 - 南京 来源:中冶有色网 2023-03-19
固废样品保存器
固废样品保存器 1162     
 0

本实用新型公开了一种固废样品保存器,应用在固废采集领域,其技术方案要点是:包括盒体以及用于封闭盒体的盖子,盒体和盖子由内至外依次设为玻璃层、隔光层以及加固层,隔光层设置为黑色塑料板层,加固层设置为金属板层;具有的技术效果是:盒体耐腐蚀、防光并具有一定的抗冲击能力,可以快速稳定的将固废采集并运输至实验室。

标签:
固废
江苏 - 南京 来源:中冶有色网 2023-03-19
节能高效的危废固废尾液处理用烟气净化装置

本实用新型公开了一种节能高效的危废固废尾液处理用烟气净化装置,涉及烟气净化装置结构技术领域,为解决现有的危废固废尾液处理用烟气净化装置的净化效果不好,不能有效的对危废固废尾液处理过程中产生的有害气体进行净化的问题。所述烟气净化塔的上方安装有塔顶,所述塔顶的上方安装有连接管道,所述连接管道的一侧安装有净化箱,所述净化箱的前端安装有活性炭过滤装置,所述烟气净化塔一侧的下端设置有抽液座,所述抽液座的一侧安装有抽液管一,所述抽液管一的一侧安装有循环水泵,所述循环水泵的上方安装有连接管一,所述连接管一的一侧安装有连接管二,所述烟气净化塔两相对内壁的一侧安装有支撑座一,所述支撑座一的上方安装有过滤装置。

标签:
固废
江苏 - 南京 来源:中冶有色网 2023-03-19
生活垃圾、污泥及工业固废综合处置系统

本实用新型涉及一种生活垃圾、污泥及工业固废综合处置系统,包括污泥存储系统、工业固废存储系统、生活垃圾存储系统、以及综合处置系统;所述综合处置系统包括燃烧器、炉排炉以及分解炉;污泥存储系统的污泥可分别送入所述炉排炉和分解炉中处置,所述工业固废存储系统中的工业固废经破碎后送入燃烧器处置,所述生活垃圾存储系统中的生活垃圾送入炉排炉中处置。该综合处置系统可以同时处置生活垃圾、污泥与工业固废,避免了针对各种类废弃物设置独立的处理装置的投资、运行成本大的技术缺点,实现了一套系统可处置多种废弃物的目标。

标签:
固废
江苏 - 南京 来源:中冶有色网 2023-03-19
基于环境保护的防尘型固废垃圾处理装置

本实用新型公开了一种基于环境保护的防尘型固废垃圾处理装置,包括处理箱,所述处理箱的内部从上至下依次设置有过滤仓、破碎仓以及挤压仓,所述过滤仓固定设置在处理箱的顶端,所述过滤仓的上端开设有进料仓,所述进料仓的外部设置有进料盖,所述过滤仓的内部设置有过滤机构,所述破碎仓通过连接管道与过滤仓连通,所述破碎仓的内部设置有破碎机构,所述挤压仓通过连接仓与破碎仓连通,所述挤压仓的内部设置有挤压机构。本实用新型通过设置过滤机构、破碎机构、挤压机构以及移动机构,从而实现了固液分离、固废垃圾破碎彻底、缩小了固废垃圾的掩埋空间以及使得固废垃圾焚烧更加彻底,进而提高了固废垃圾的处理效果和处理效率。

标签:
固废
江苏 - 南京 来源:中冶有色网 2023-03-19
低温薄层速热梯级绝氧热解系统及基于该系统的固废热解系统

本发明公开了一种低温薄层速热梯级绝氧热解系统,包括固废挤压输送系统、加热控温系统和保温装置;所述固废挤压输送系统和加热控温系统设置在保温装置内;所述保温装置上设有热解气出口;所述固废挤压输送系统用于将固废挤压摊薄后输送;所述加热控温系统用于对挤压摊薄后的固废进行加热热解。本发明通过对固废摊铺、挤压、摊薄后加热,快速升温,进行热解。尤其是设置滚轮密封器形成自加热区后,具有加热温度较低,运行成本低、加热速度快、不易结焦、适应性高等优势。

标签:
固废
江苏 - 南京 来源:中冶有色网 2023-03-19
可生化固废阶段性高效厌氧酸化处理装置

本实用新型的可生化固废阶段性高效厌氧酸化处理装置,包括至少三个厌氧酸化反应罐,三个厌氧酸化反应罐的结构相同,三个厌氧酸化反应罐内的厌氧酸化反应进程不同,三个厌氧酸化反应罐之间连接有互通进气管、反应液互通管与淋洗调质管,还包括水处理装置,反应液互通管与淋洗调质管连接在水处理装置上。该可生化固废阶段性高效厌氧酸化处理装置对固废进行长时间的酸化,充分地促进固废中的重金属离子参与酸化反应,能够高效地去除有害重金属离子。

标签:
固废
江苏 - 南京 来源:中冶有色网 2023-03-19
富氧高温脱除可燃固废气化焦油的装置和方法

本发明公开了一种富氧高温脱除可燃固废气化焦油的装置和方法,其中,该装置包括依次连接的流化床气化反应器、旋风分离器和高温富氧气化炉,流化床气化反应器用于将可燃固废气化转化为粗制可燃气,包括气化区域及其底部的风室,其中,气化区域设置可燃固废进料口,风室侧面设置气化剂进气口,气化剂为空气和富氧气体的混合气体;高温富氧气化炉炉壁上开设有富氧气体进气口,用于通过焦油与富氧气体的氧化反应及氧化反应放热后的焦油裂解、缩聚过程脱除粗制可燃气中的焦油;该装置还包括用于提供气化剂和富氧气体的供气设备。该装置可大大降低可燃固废气化后的焦油含量,焦油脱除效率高,同时大大节约了加热成本,最终可得到比较纯净的可燃气。

标签:
固废
江苏 - 南京 来源:中冶有色网 2023-03-19
结合磁流体液膜的固废基大气雾霾静电吸附装置

本实用新型公开了一种结合磁流体液膜的固废基大气雾霾静电吸附装置,包括壳体、盖合在壳体的壳盖、吸风模块、磁流体液膜吸附模块、固废基静电吸附模块和排风模块;吸风模块的入风口设于壳体的左侧,吸风模块的出风口通过第一管道与第一个磁流体液膜吸附模块的密封容器连通,所述磁流体液膜吸附模块的密封容器通过第二管道与固废基静电吸附模块的密封箱体的左侧连通,固废基静电吸附模块的密封箱体的右侧通过第三管道与排风模块的入风口连通,所述排风模块的出风口设置于壳体的右侧,本实用新型能低成本、高效率、防二次污染地治理室外雾霾。

标签:
固废
江苏 - 南京 来源:中冶有色网 2023-03-19
有机固废鼓泡流化床气化全流场温度在线测量装置和方法

本发明提供一种有机固废鼓泡流化床气化全流场温度在线测量装置和方法,测量装置应用于有机固废鼓泡流化床反应系统,有机固废鼓泡流化床反应系统包括反应器和加热炉体,反应器设置在加热炉体中;测量装置包括测温单元,测温单元包括测温管、热电偶和温控模块,热电偶的一端位于测温管中且可在测温管中沿测温管的长度方向移动,热电偶的另一端与温控模块连接;测温管固定设置在反应器中并沿反应器的高度方向布设;还包括高度标尺,高度标尺设置在反应器的外侧并沿反应器的高度方向布设。本发明的有机固废鼓泡流化床气化全流场温度在线测量装置和方法,可测量流化床不同高度的温度信息,提高温度测量的准确性。

标签:
固废
江苏 - 南京 来源:中冶有色网 2023-03-19
分段式有机固废气化系统

本实用新型涉及有机固废利用技术领域,尤其是一种分段式有机固废气化系统,包括燃烧反应器、固废烘焙区、热解反应炉、氧化还原炉、旋风除尘器、焦油催化反应器、热管换热器、空气分离器和燃气后续净化与压缩单元;燃烧反应器烟气出口与热解反应炉外炉的烟气入口相连通,热解反应炉外炉的烟气出口与固废烘焙区烟气入口相连;热解反应炉内部中央为热解气化反应区、底部设有布风板、下方设有气体燃烧室;热解反应炉的上部侧壁通过燃气管道与氧化还原炉的顶部相连,氧化还原炉上部为喉口部、中部为碳床,氧化还原炉下部设有炭仓;氧化还原炉炉体中部通过管道依次与旋风除尘器、焦油催化反应器、热管换热器、燃气后续净化与压缩单元、燃气储罐相连通。

标签:
固废
江苏 - 南京 来源:中冶有色网 2023-03-19
多源固废水泥窑协同处置系统

本实用新型公开了一种多源固废水泥窑协同处置系统,包括垃圾预处理系统和水泥窑协同处置系统,水泥窑协同处置系统包括在线焚烧炉、分解炉以及原料磨;在线焚烧炉上设置给料口、烟气出口以及排渣口,在线焚烧炉的烟气出口、排渣口与分解炉连接,排渣口还与原料磨连接;垃圾预处理系统包括生活垃圾预处理系统、固态及半固态危废预处理系统、无机非挥发固废预处理系统,废弃物经各自预处理系统分别处置后送入在线焚烧炉焚烧处置产生烟气和炉渣,其中烟气直接送入分解炉中处置,炉渣可送入分解炉处置或送入原料磨中作为替代原料;无机非挥发固废处理系统中的固废经预处理后直接送入原料磨中作为替代原料。

标签:
固废
江苏 - 南京 来源:中冶有色网 2023-03-19
固废基多孔陶瓷复合材料及其制备方法和应用

本发明提供了一种固废基多孔陶瓷复合材料及其制备方法和应用,所述制备方法包括以下步骤:(1)将固废粉料制成陶瓷浆料,将陶瓷浆料和催化剂混合,经发泡处理后,进行熟化及热处理得到固废基多孔陶瓷;(2)将步骤(1)得到的固废基多孔陶瓷浸渍于金属盐、尿素及插层阴离子可溶盐的混合溶液中,经水热反应得到所述固废基多孔陶瓷复合材料。本发明具有工艺简单,成本低廉,环境友好的特点,所制备的多孔陶瓷复合材料具有比表面积大、多尺度孔隙结构丰富、气孔连通性好、流阻低、强度高、过滤及吸附性能好的特点,在污水净化处理领域具有广泛的应用前景。

标签:
固废
江苏 - 南京 来源:中冶有色网 2023-03-19
固废处理系统用制氮装置

本发明涉及固废处理技术领域,且公开了一种固废处理系统用制氮装置,包括固废处理室与支架板,所述固废处理室的侧边固定安装有支架板,所述支架板的形状呈现L字形,本发明将第一拉动柱向上拉动,使得第一拉动柱与第一连接块中的第一通孔相互分离,而且第一拉动柱会通过第二固定板带动第一复位弹簧进行压缩,将转动柄进行转动九十度,转动柄转动时通过第一连接柱带动第一连接柱进行转动,带动调节槽块转动九十度,调节槽块的内部贯穿开设有第二通气孔,位于调节槽块相对称内壁的第二通气孔的直径相同,相邻第二通气孔之间的直径不同,相邻两个第二通气孔之间的夹角为九十度,调节槽块转动时达到调节注气调节箱内部气体的通过速率。

标签:
固废
江苏 - 南京 来源:中冶有色网 2023-03-19
建筑固废再生复合路基填料及其制备方法

本发明涉及一种建筑固废再生复合路基填料及其制备方法,所述路基填料由以下材料按质量百分比组成,砖混再生骨料5~70%、泥饼填料5~75%、熟石灰1~10%、粉煤灰1~10%、HEC 0.5~4%、水10~20%。本发明建筑固废再生复合路基填料强度高、干燥收缩小,并且实现了废弃粘土砖、废弃混凝土以及泥饼等建筑固废的资源化利用,解决了建筑固废填埋处置的污染问题以及天然填料开采对环境的破坏,缓解了自然资源紧缺的现状。

标签:
固废
江苏 - 南京 来源:中冶有色网 2023-03-19
油气田固废环保处理装置

本实用新型涉及固废处理技术领域,公开了一种油气田固废环保处理装置,针对现有技术中的油气田固废环保处理装置缺乏固液分离结构的问题,现提出如下方案,其包括处理箱,所述处理箱的顶部固定有进料斗,进料斗的内部转动连接有两个粉碎辊,进料斗的一端延伸至处理箱的内部,处理箱的内部固定有第一传送带、隔板和第二传送带,第一传送带位于第二传送带的上方,且第一传送带上开设有多个漏水孔,隔板位于第一传送带和第二传送带之间,隔板倾斜设置。本实用新型结构合理,设计巧妙,操作简单,解决了现有技术中的油气田固废环保处理装置缺乏固液分离结构的问题,有效将固废中的水分分离出去,降低了后续处理的难度。

标签:
固废
江苏 - 南京 来源:中冶有色网 2023-03-19
大件固废处理生产线
大件固废处理生产线 886     
 0

本实用新型涉及固废处理技术领域,提供了一种大件固废处理生产线,通过第一破碎机和第一磁选机配合使用,对大件固废进行初次的粉碎和磁选,得到初次粉碎分离的含铁混合物料和不含铁混合物料,通过第二破碎机和第二磁选机的配合使用,能够对含铁混合物料进行二次的粉碎和磁选,得到二次粉碎分离的含铁混合物料和不含铁混合物料,通过风选机的设置,可以对含铁混合物料进行风选,通过涡电流风选机的设置,可以对初次和二次得到的不含铁混合物料进行分选,得到不可回收的固废和可回收的物料,进而提高了大件固废的回收率,能够将可回收物料和不可回收物料分开,分开的效果好,有利于对固废的再次利用。

标签:
固废
江苏 - 南京 来源:中冶有色网 2023-03-19
固废焚烧推料装置及其方法

本发明公开了一种固废焚烧推料装置及其方法,包括料斗、安装在所述料斗下料口的推料通道、安装在所述推料通道出料端的焚烧炉、设于所述推料通道中的推料机构和接通推料通道的灭火装置,本发明推料系统进行如下改造,在一级闸门、二级闸门与推料机构之间增加灭火装置,对准推料机构回撤到位后可能粘黏有燃烧废料的位置,自动喷出阻燃气体或液体,将粘黏在推料机构上燃烧中的固废灭火,杜绝回火的可能,提高固废处理工艺的安全性。同时改善推料机构,通过PLC电控柜的设置,提高了推料和灭火的智能化,使得本发明可以实现安全、稳定和智能化的固废处理以及后续的焚烧工作。

标签:
固废
江苏 - 南京 来源:中冶有色网 2023-03-19
光电催化有机固废氧化耦合二氧化碳还原系统及方法

本发明提供一种光电催化有机固废氧化耦合二氧化碳还原系统和方法,光电催化有机固废氧化耦合二氧化碳还原系统包括透明电解池,透明电解池内设有阳离子交换膜,阳离子交换膜将透明电解池分隔形成阳极室和阴极室;阳极室内设有光阳极和阳极电解液,阴极室内设有光阴极和阴极电解液;阳极液为含有机固废和电解质的水溶液,阴极液为含无极碳源的水溶液。本发明提供的光电催化有机固废氧化耦合二氧化碳还原系统及方法,将光电催化有机固废氧化与二氧化碳还原过程耦合,提高光电催化二氧化碳还原的速率。

标签:
固废
江苏 - 南京 来源:中冶有色网 2023-03-19
生物质类固废用分析处理系统及方法

本发明公开了一种生物质类固废用分析处理系统及方法,所述分析处理系统包括种类情况统计模块和处理方法确定模块,所述种类情况统计模块用于统计收集到的该批农业生物质类固废的种类情况,所述处理方法确定模块根据种类情况统计模块的统计结果确定生物质类的处理方法,所述种类情况统计模块包括图像采集模块、图像边缘采集模块、图像面积占比计算模块、生物质类固废翻动模块和参考占比率计算模块,所述图像采集模块用于采取收集到的该批农业生物质类固废的图像信息。

标签:
固废
江苏 - 南京 来源:中冶有色网 2023-03-19
固废分类清运处理方法、装置、存储介质和电子设备

本公开涉及一种固废分类清运处理方法、装置、计算机可读存储介质和电子设备,其中方法包括:启动电子设备上的目标应用程序,目标应用程序启动后显示第一用户界面,第一用户界面中包括第一控件,第一控件与固废清运相关;响应于对第一控件的触发操作,显示第二用户界面,第二用户界面包括信息输入区和第二控件;接收用户在信息输入区输入的待清运固废的清运信息,响应于对第二控件的触发操作将所述清运信息发送至目标服务器,以使所述目标服务器将所述清运信息发送至第一车载终端显示,从而使第一车载终端所在的清运车的驾驶员按照所述清运信息的指示完成固废收取并运送至固废场站。

标签:
固废
江苏 - 南京 来源:中冶有色网 2023-03-19
一体化有机固废处理设备

本实用新型涉及有机固废处理技术领域,具体为一种一体化有机固废处理设备,包括一体箱,一体箱的内部从上至下依次设置有改性腔、脱水腔、热干腔,且改性腔、脱水腔、热干腔的内部分别安装有搅拌器、板框脱水机构、镂空热干架,同时一体箱的一侧靠近改性腔处安装有电机,与此同时板框脱水机构包括有活动板框、固定板框、脱水袋和电动液压伸缩杆,且改性腔的内部底面中心处以及活动板框、固定板框中心处均安装有自动伸展机构,整体装置专为高湿性有机固废设计,同时呈一体化,占地面积小,通过设置的改性腔、脱水腔、热干腔结合搅拌器、板框脱水机构、镂空热干架可实现高湿性有机固废的改性、脱水、热干处理,且改性后的高湿性有机固废脱水率高。

标签:
固废
江苏 - 南京 来源:中冶有色网 2023-03-19
软基加固复合基材及多种类固废常温重组制备软基加固复合基材的方法

本发明涉及一种软基加固复合基材及多种类固废常温重组制备软基加固复合基材的方法,该方法建立了从胶凝和密实层面进行地基加固材料组分设计框架。将次生钢渣、工业副产石膏、炉底渣、赤泥、碱渣等大宗工业固废引入软黏土专用固化剂制备中,提出了各工业固废之间成分互补、活性激发及自密实的理念,提升了大宗工业固废的综合利用效能。另外,本发明提出氧化物比值(硅率、铝率和石灰饱和系数)和活性指数双参数控制胶凝强度,膨胀性功能组分控制密度这一思路,建立了基于软土性质和固废活性组分的软基复合基材调控框架。

标签:
固废
江苏 - 南京 来源:中冶有色网 2023-03-19
用于可燃工业固废的焚烧处理装置

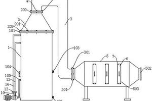
本实用新型公开了一种用于可燃工业固废的焚烧处理装置,包括:预处理单元,用于对所述可燃工业固废进行预处理;逆流式回转窑,所述逆流式回转窑连接至所述预处理单元,经过预处理的可燃工业固废在所述逆流式回转窑内由窑头至窑尾进行干燥、热解和焚烧以产生热解气体,所述逆流式回转窑的窑尾设置有一次风入口,一次风从窑尾向窑头流动并与所述热解气体一起从窑头排出;炉膛,所述炉膛连接至所述逆流式回转窑的窑头,所述热解气体在所述炉膛内进一步焚烧,所述炉膛内设置有水冷壁,以吸收所述热解气体焚烧产生的热量。根据本实用新型提供的用于可燃工业固废的焚烧处理装置,实现了可燃工业固废的充分燃烧,减少热量了损失,提高了热量利用率,提高了经济效益。

标签:
固废
江苏 - 南京 来源:中冶有色网 2023-03-19
适用于城市固废云服务的数据处理方法及系统

本发明提供一种适用于城市固废云服务的数据处理方法及系统,包括:固废云服务器根据固废预估量值、相应固废小类所对应的运输车的额定容量生成第一云派单数据,根据第一云派单数据形成相对应的第一云车队;第一云车队中的每个第一运输车将相应的固废物运输至相对应的中游处理端或下游处理端处;对中游的固废清运端进行分类得到多个清运端集合;固废云服务器根据清运预估量值、相应清运小类所对应的运输车的额定容量生成第二云派单数据,根据第二云派单数据对至少一个运输车进行云派单,形成相对应的第二云车队;第二云车队中的每个第二运输车接收第二云派单数据中的第二派单信息,将相应的清运废物运输至相对应的下游处理端处。

标签:
固废
江苏 - 南京 来源:中冶有色网 2023-03-19
工业固废处理装置
工业固废处理装置 765     
 0

本发明公开了一种工业固废处理装置,包括机架,还包括进料筒,进料筒内设有第一振动组件和第二振动组件,机架上设有第一粉碎机构,第一粉碎机构包括若干个相对设置的转动轴、若干个第一齿盘以及转动组件,相邻转动轴上的第一齿盘交错设置;机架上设有第二粉碎机构,第二粉碎机构包括若干个相对设置的旋转轴、若干个第二齿盘、送风组件以及旋转组件,相邻旋转轴上的第二齿盘交错设置;第一齿盘对较大固废进行粉碎,第二齿盘对较小固废进行粉碎,经过两次粉碎,且通过第二齿盘的宽度小于第一齿盘,以此可以实现更加密集的对固废粉碎,使得固废粉碎的颗粒较小,有利于缩短后期裂解、脱硫工艺处理时间。

标签:
固废
江苏 - 南京 来源:中冶有色网 2023-03-19
纸业固废运输管理系统

本发明公开了一种纸业固废运输管理系统,包括车载操作终端、智能称重终端、云端管理平台,所述车载操作终端设置在固废运输车上,用于实时监控车辆;所述智能称重终端分别设置在固废产废工厂、固废处理工厂的进出口处,通过所述智能称重终端上的集成RFID读卡器自动读取车载操作终端上的集成RFID标签,并通过地磅称重装置自动称取固废运输车的重量,所述智能称重终端还设置有4G网络模块,所述4G网络模块通过无线信号将车辆信息、操作人员信息、重量信息记录上传至所述云端管理平台。本发明具有能够节省大量人力、物力,并具有高效管理手段,实现自动化、信息化固废流转管理的优点,其主要用于运输管理。

标签:
固废
江苏 - 南京 来源:中冶有色网 2023-03-19
有机固废低温无氧裂解处理装置

本实用新型公开了一种有机固废低温无氧裂解处理装置,涉及有机固废处理技术领域。有机固废预处理装置通过第一螺旋挤压给料机连接烘干装置的进料口,烘干装置的出料口通过第二螺旋挤压给料机连接裂解反应装置的有机固废进料口,裂解反应装置的有机固废出料口通过高温物料干出料装置连接有机固废冷却装置,废气处理装置连接有机固废预处理装置的废气排放口,裂解反应装置的裂解气出气口连接裂解气体处理装置。利用有机固废预处理装置对有机固废进行预处理,然后裂解反应装置对烘干后的有机固废进行裂解,最后裂解反应装置产生的裂解气进入裂解气体处理装置进行收集处理,实现了有机固废裂解气化,得到燃气,实现有机固废的资源利用。

标签:
固废
江苏 - 南京 来源:中冶有色网 2023-03-19
固废气化耦合生物质热解产物气态加氢装置

本实用新型公开了一种固废气化耦合生物质热解产物气态加氢装置,属于固废资源化利用技术领域。利用固废气化模块制备氢气及轻质烯烃,为生物质热解产物的气态加氢提供氢源或活性反应气氛,固废气化产物和生物质热解产物在微波发射频率连续可调的脱氧加氢模块中进行脱氧加氢反应,得到提质后的生物油。本实用新型联合固废气化模块、生物质热解模块和脱氧加氢模块,设备投入少,高效率的实现脱氧加氢过程;资源化利用高H/C固废,可规模化处理生产、生活中产生的固废垃圾及显著提高生物质热解油的品质,从而降低生物质热解油催化提质的成本。

标签:
固废
江苏 - 南京 来源:中冶有色网 2023-03-19
固废气化耦合生物质热解产物气态加氢装置及其使用方法

本发明公开了一种固废气化耦合生物质热解产物气态加氢装置及其使用方法,属于固废资源化利用技术领域。利用固废气化模块制备氢气及轻质烯烃,为生物质热解产物的气态加氢提供氢源或活性反应气氛,固废气化产物和生物质热解产物在微波发射频率连续可调的脱氧加氢模块中进行脱氧加氢反应,得到提质后的生物油。本发明公开的固废气化耦合生物质热解产物气态加氢装置,可以实现固废的资源化利用,可规模化处理生产、生活中产生的固废垃圾及显著提高生物质热解油的品质,从而降低生物质热解油催化提质的成本。

标签:
固废
江苏 - 南京 来源:中冶有色网 2023-03-19
上一页 88 89 90 91 92 ... 98 下一页
共98页    到第

中冶有色为您提供最新的江苏南京有色金属固/危废处置技术理论与应用信息,涵盖发明专利、权利要求、说明书、技术领域、背景技术、实用新型内容及具体实施方式等有色技术内容。打造最具专业性的有色金属技术理论与应用平台!

全国热门有色金属设备推荐
展开更多 +
全国热门有色金属技术推荐
展开更多 +

 

江西省隆恩特环保设备有限公司
宣传

报名参会
更多+

报告下载

有色专家
更多+

中国科学院赣江创新研究院
院长
西北稀有金属材料研究院宁夏有限公司
党委书记 / 董事长
矿冶科技集团有限公司
所长/研究员级高工
西安建筑科技大学
教授
北京科技大学
副院长/教授
赤泥综合利用研究报告2025
推广

热门技术
更多+

推荐企业
更多+

福建省金龙稀土股份有限公司
宣传

发布

在线客服

公众号

电话

顶部
咨询电话:
010-88793500-807