青岛垚鑫智能科技有限公司
宣传

位置:中冶有色 >

有色技术频道 >

> 复合材料技术

分类:
全部
矿山技术
冶金技术
材料制备及加工技术
环境保护技术
分析检测技术
 
全部
功能材料技术
复合材料技术
新能源材料技术
合金材料技术
加工技术
地区:
全部
北京
天津
上海
重庆
河北
山西
辽宁
吉林
黑龙江
江苏
浙江
安徽
福建
江西
山东
河南
湖北
湖南
广东
海南
四川
贵州
云南
陕西
甘肃
青海
内蒙
广西
西藏
宁夏
新疆
其他
其他
展开
 
全部
成都
自贡
攀枝花
泸州
德阳
绵阳
广元
遂宁
内江
乐山
南充
眉山
宜宾
广安
达州
雅安
巴中
资阳
阿坝藏族羌族自治州
甘孜藏族自治州
凉山彝族自治州

四川绵阳有色金属复合材料技术理论与应用

免费发布技术信息>>
PC/ABS复合材料及其制备方法

本发明公开了一种PC/ABS复合材料及其制备方法,包括以下重量份数计的原料:PC:40~80份;ABS:10~40份;UPE:4~20份;硅烷偶联剂:0.1~2份;LLDPE:3~12份;发泡剂:0.1~2份;润滑剂0.5~2份;金属粉:0.1~1.5份、珠光粉0.1~1.5份;抗菌剂:0.1~1份;分散剂0.1~1份;抗氧剂:0.2~0.4份。该复合材料具有高热稳定性、高透明性、优异的分散性能及良好的耐候性且具有炫彩金属/珠光质感,可替代塑料制品电镀或者喷漆,达到产品免喷涂效果,使其满足电器工程材料、汽车工程材料、建筑塑料制品等产品的性能及外观质量要求。

标签:
复合材料
四川 - 绵阳 来源:中冶有色网 2023-03-18
用于加工含硬质异物的PBX复合材料的装置及方法

本发明公开了一种用于加工含硬质异物的PBX复合材料的装置及方法,属于复合材料机械加工技术领域。解决现有技术中含硬质异物的PBX切削过程中的环状沟痕问题。包括刀柄、连接箱、主轴夹套、电主轴和球头铣刀,刀柄的顶端固定连接在数控立式车床的Z轴滑枕上,刀柄的底端与连接箱固定连接,主轴夹套设置在连接箱内,连接箱的底部设有过孔,电主轴贯穿过孔设置在主轴夹套上,球头铣刀设置在连接箱外且与电主轴固定连接。

标签:
复合材料
四川 - 绵阳 来源:中冶有色网 2023-03-18
低感度高强度奥克托今基复合材料及其制备方法

本发明公开了一种低感度高强度奥克托今基复合材料及其制备方法,包括以下步骤,步骤(1):将奥克托今加入到一定的溶剂中,分散均匀后,原位包覆钝化材料,抽滤、洗涤、烘干,获得奥克托今@钝化材料核壳结构炸药颗粒;步骤(2):将奥克托今@钝化材料核壳结构炸药颗粒加入到pH为8.5的Tris水溶液中,机械搅拌,加入多巴胺盐酸盐,原位聚合包覆,抽滤、洗涤、烘干,获得内壳层为钝化材料,外壳层为界面改性剂聚多巴胺的奥克托今@钝化材料@聚多巴胺一核双壳结构炸药颗粒;步骤(3):将一核双壳结构炸药颗粒加入水中,机械搅拌,分散均匀后,加入高分子粘结剂溶液,真空处理、抽滤、洗涤、烘干,即可得到低感度高强度奥克托今基复合材料。

标签:
复合材料
四川 - 绵阳 来源:中冶有色网 2023-03-18
用于氟化工生产设备的镍基双金属复合材料的制备方法

本发明公开了用于氟化工生产设备的镍基双金属复合材料的制备方法。用于氟化工生产设备的镍基双金属复合材料的制备方法,包括以下步骤:(1)基材、复材选料:根据工况要求,选择基材和复材;(2)熔炼、精炼:将基材和复材通过中频感应炉进行熔化,再经过精炼炉精炼调整成分;(3)离心浇注复合管坯:将精炼后的金属溶液通过离心复合铸钢机进行离心浇注成为复合管坯;(4)外剥加工:对浇注完毕的复合管坯进行内镗外剥加工,去掉有缺陷部分;(5)热挤压、开坯:热挤压加工、开坯,使复合管坯进行一次初变形,并进行热处理;(6)冷轧为成品。本发明方法制备出的材料基层与复层完全为冶金结合,(复合面结合力高)组织致密、强度高。

标签:
复合材料
四川 - 绵阳 来源:中冶有色网 2023-03-18
常压铸渗法制备灰铸铁基表层耐磨复合材料的方法

本发明公开了一种常压铸渗法制备灰铸铁基表层耐磨复合材料的方法,方法为:1)以ZrO2-Al2O3复相陶瓷颗粒、石蜡颗粒、高碳铬铁粉、硼砂为原料,加入粘结剂均匀混合形成混合料;2)混合料经模压成型,形成胚体;3)在180-300℃下烧结胚体,得到多孔陶瓷颗粒预制体;4)将多孔陶瓷颗粒预制体放置(固定)于型腔的特定位置;5)在浇注温度将熔炼好的灰铸铁金属液浇入型腔,冷却后脱模,得到灰铸铁基表层耐磨复合材料。本发明通过常压铸渗法在灰铸铁表层一步实现颗粒增强和合金化效果,具有工艺简便、性能优异的特点,可批量生产,成品率高。

标签:
复合材料
四川 - 绵阳 来源:中冶有色网 2023-03-18
制备高致密度铝/聚四氟乙烯防撞复合材料的方法

本发明公开了一种制备高致密度铝/聚四氟乙烯防撞复合材料的方法,包括以下步骤:步骤一、将聚四氟乙烯和铝粉混合,得到混合物;步骤二,将混合物常温真空抽滤,烘干;步骤三、将烘干后的物料真空热压烧结,得到高致密度铝/聚四氟乙烯防撞复合材料。本发明的制作操作简单、参数可控、一次性成型、成本低、可重复度高。在后续烧结之后,材料的密度表现好,材料的致密度可达0.99,在材料致密度上有很大的优势,材料结合紧密,提高产品的使用性能,发明过程各个参数易于调节。

标签:
复合材料
四川 - 绵阳 来源:中冶有色网 2023-03-18
颗粒增强金属基复合材料的熔融金属包覆热等静压制备方法

本发明公开了一种颗粒增强金属基复合材料的熔融金属包覆热等静压制备方法,目的在于解决目前采用粉末冶金法中的热等静压工艺制备颗粒增强金属基复合材料时,需要制作密封性良好的包套,工序繁杂,通常只能制备形状简单坯料,生产效率受限,且焊接过程中,会产生强光和烟尘等,对环境友好性较差的问题。本发明的方法包括原料混合、冷等静压成型、装配、热等静压四个关键步骤。本发明作为一种新的热等静压方法,能有效解决传统方法需要进行封焊包套的问题,有效简化生产工艺,提高生产效率,突破生产效率的瓶颈。同时,本发明在保证材料质量的同时,有效降低生产能耗和成本,并且对环境友好,具有较高的应用价值,值得大规模推广和应用。

标签:
复合材料
四川 - 绵阳 来源:中冶有色网 2023-03-18
锆/羧甲基纤维素复合材料及其制备

发明涉及锆/羧甲基纤维素复合材料及其制备工艺,采用硝酸锆、羧甲基纤维素与五水戊二醛等原料,经配比、溶解、交联等制得。发明制备的新型复合材料,可用于氟废液的吸附净化处理。

标签:
复合材料
四川 - 绵阳 来源:中冶有色网 2023-03-18
B4C/Al复合材料板材轧制导位装置

本实用新型公开了一种B4C/Al复合材料板材轧制导位装置,目的在于解决现有用于B4C/Al复合材料的板材轧制结构,导位装置宽度调整不方便,适应性较差的问题。该导位装置包括设置在轧机上的进料端底板、进料定位架、导向杆、双头螺杆、进料导位板、与双头螺杆相配合的螺纹套、设置在轧机上的出料端底板、出料定位架、出料导位板、出口导杆、压缩弹簧、与出料导位板固定连接的拉杆。本实用新型能够用于不同宽度B4C/Al复合板材的轧制入料和出料的导位,规范轧制板型,提高B4C/Al中子吸收材料板材的轧制成品率。本实用新型构思巧妙,设计合理,适应性强,能够满足不同宽度B4C/Al复合板材的轧制要求,且操作简单,安装维护方便,具有较高的应用价值和较好的应用前景。

标签:
复合材料
四川 - 绵阳 来源:中冶有色网 2023-03-18
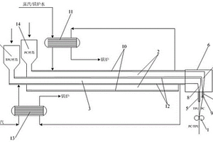
制备改性PC及TPU复合材料的共挤控制系统

本发明公开了一种共挤制备PC及TPU复合材料的装置,包括挤出机、设于挤出机出口端的模头组件,以及复合PC膜和TU膜的压辊机构,于所述挤出机上分设PC膜挤出通道和TPU膜挤出通道,模头组件包括第一子模头和第二子模头,第一子模头与PC膜挤出通道的挤出口连通,第二子模头与TPU膜挤出通道的挤出口连通的,第一子模头的出口端至压辊机构的距离大于第二子模头的出口端至压辊机构的距离,于PC膜挤出通道上设第一加热机构,于TPU膜挤出通道上设第二加热机构,可以分别对PC膜挤出通道和TPU膜挤出通道进行加热,然后经不同子模头挤出后在压辊机构处复合,可利用不同子模头至压辊机构的距离差来减小膜复合时的温度差,实现PC/TPU复合材料的制备。

标签:
复合材料
四川 - 绵阳 来源:中冶有色网 2023-03-18
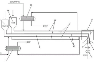
共挤制备PC及TPU复合材料的装置

本实用新型公开了一种共挤制备PC及TPU复合材料的装置,包括挤出机、设于挤出机出口端的模头组件,以及复合PC膜和TU膜的压辊机构,于所述挤出机上设PC膜挤出通道和TPU膜挤出通道,模头组件包括第一子模头和第二子模头,PC膜挤出通道上设第一加热机构,第一子模头与PC膜挤出通道的挤出口连通,TPU膜挤出通道上设第二加热机构,第二子模头与TPU膜挤出通道的挤出口连通,第一子模头的出口端至压辊机构的距离大于第二子模头的出口端至压辊机构的距离。本实用新型解决了现有PC树脂及TPU树脂采用粘结层复合制备PC/TPU复合材料而存在的工序复杂等问题,同时还克服了PC及TPU因熔融温度差在共挤时存在的操作问题。

标签:
复合材料
四川 - 绵阳 来源:中冶有色网 2023-03-18
碳纤维复合材料生产线的转运装置

本实用新型涉及碳纤维复合材料生产技术领域,具体揭示了碳纤维复合材料生产线的转运装置,包括运输箱,运输箱正面且靠近左侧的位置处通过铰链固定连接有箱门,运输箱为正面开口结构,运输箱的内部沿垂直方向等距离安装有棒材固定结构,棒材固定结构包括底板和顶板,底板沿垂直方向等距离固定连接于运输箱内壁的背面,安装框的内部固定插接有底板,底板的顶部沿水平方向等距离开设有第一半圆槽,底板的顶部固定连接有支撑柱,顶板沿垂直方向滑动连接于支撑柱的表面,顶板的底部且与第一半圆槽相对应的位置处开设有第二半圆槽;本实用新型能够对碳纤维棒起到单独固定的作用,避免碳纤维棒在运输过程中相互碰撞以及摩擦。

标签:
复合材料
四川 - 绵阳 来源:中冶有色网 2023-03-18
可承受荷载的防除冰碳纤维复合材料结构

本实用新型涉及复合材料技术领域,且公开了一种可承受荷载的防除冰碳纤维复合材料结构,包括纤维素板主体以及两个玻璃纤维层,所述纤维素板主体位于两个玻璃纤维层之间,所述纤维素板主体的中心镶嵌安装有隔热复合层,本实用新型中,通过设置有防脱落结构,当每个石墨烯片用胶水固定在对应安装槽的内部时,同时设置有卡槽和卡板对安装槽内部的石墨烯片进行限位,防止石墨烯片经常加热导致石墨烯片与安装槽之间连接的胶体软化,出现石墨烯片从安装槽的内部脱落晃动的情况发生,设置的卡板同时与对应的每个限位毛刺之间相互垂直对石墨烯片在安装槽的内部进一步限位固定。

标签:
复合材料
四川 - 绵阳 来源:中冶有色网 2023-03-18
增强厚壁复合材料管
增强厚壁复合材料管 1016     
 0

本实用新型提供一种增强厚壁复合材料管,其管壁区别于传统的层层卷绕,而是多层与其直径平行的预浸料压制而成,避免了出现分层和开裂的现象,增强了其力学性能,另外本实用新型提供的增强厚壁复合材料管,结构简单,力学性能优异,且不易分层,结构稳定。

标签:
复合材料
四川 - 绵阳 来源:中冶有色网 2023-03-18
缓释长效滞固重金属的微生物复合材料及其制备方法

本发明公开了一种缓释长效滞固重金属的微生物复合材料及其制备方法,复合材料由1~10%的复合菌剂、1~10%的交联剂和80~98%的载体材料组成。制备时首先筛选高效固化/稳定化重金属菌剂,其次以交联剂凝胶为支架负载微生物营养物质,然后以多孔材料为基质挂生物膜,将功能型微生物缓释材料和营养缓释型材料混合即得。本发明的材料能够有效固化/稳定化选冶渣中重金属,且效果持久,具有广阔的市场应用前景。

标签:
复合材料
四川 - 绵阳 来源:中冶有色网 2023-03-18
完全生物可降解竹复合材料的制备方法及其应用

一种完全生物可降解竹复合材料,其特征在于将所采竹子清洗、去枝后裁切为竹条,竹条先在热炉中烘烤,将经过烘烤并冷却后的竹条浸于胶液中,10~90分钟后取出沥干,充分干燥后得到预浸竹条,再把一定数量预浸竹条以一定堆砌方式堆放在模压设备模腔内,模腔温度为50~120℃,预浸竹材在模腔内保温30~90分钟后,对其施加压力,持续施加压力1~6小时后缓慢冷却,最后得到完全生物可降解竹复合材料坯料。

标签:
复合材料
四川 - 绵阳 来源:中冶有色网 2023-03-18
水泥基复合材料试样制备模具

本实用新型公布了一种水泥基复合材料试样制备模具,包括:半圆柱模、紧固销钉、垫片、紧固件、底座,其特征是:半圆柱模与带有凸台的底座能在销钉与紧固件的作用下紧密配合。所述半圆柱模上带有含孔突起,两半圆柱模通过Z型槽进行配合;所述紧固销钉通过垫片和紧固件使得两半圆柱模紧密配合;所述底座带有凸台和含孔突起,通过紧固销钉、垫片、紧固件使得底座与半圆柱模形成一个中空的圆柱形;所述半圆柱模、紧固销钉、垫片、紧固件、底座均可由金属合金加工而成。本实用新型结构简单,操作方便,稳定可靠,能很好地满足水泥基复合材料试样制备后的脱模需求。

标签:
复合材料
四川 - 绵阳 来源:中冶有色网 2023-03-18
红外定量水分传感器测量涂布复合材料涂布量的方法

利用红外定量水分传感器测量涂布复合材料涂布量的方法,包括如下步骤:利用红外定量水分传感器测量含水量y1、第一准干量参数y2a、第二准干量参数y2b,则合成准干量:其中第一准干量参数为纤维信号相关的准干量、第二准干量参数B为干量信号相关的准干量;y2=(1‑SW)*y2a+SW*y2b,其中SW为信号合成权重;则静态定量参数BWS=y1+COD*y2,COD为绝干量系数;动态定量函数BWD=SBW*BWS,SBW为定量动态斜率。则最后得到的动态水分表达式为:MSD=100*y1/BWS+DMP,DMP为水分偏差。本发明能够避免涂布量测量过程中重力环境干扰和水分含量干扰,得到涂布量较为精确的参数。

标签:
复合材料
四川 - 绵阳 来源:中冶有色网 2023-03-18
羟基磷灰石/氧化石墨烯复合材料的制备方法

本发明公开了一种羟基磷灰石/氧化石墨烯复合材料的制备方法,该方法包括以下步骤:第一步、将羟基磷灰石在酸性环境中溶解,加入络合剂进行调控反应,调节pH值后进行离心过滤,将离心过滤得到的滤饼冲洗干净,冷冻干燥后即得片状自组装羟基磷灰石微球晶体;第二步、将上述所制片状自组装羟基磷灰石微球晶体,与分散好的氧化石墨烯溶液在超声波作用下混合,冲洗干净后放入冷冻干燥箱中,冷冻干燥24~48h,得到羟基磷灰石/氧化石墨烯复合材料。本发明简化了制备过程,无需特意加入交联剂,适合于生物载药应用。

标签:
复合材料
四川 - 绵阳 来源:中冶有色网 2023-03-18
阻燃抗静电乙烯-醋酸乙烯酯共聚物复合材料的制备方法

本发明公开了一种阻燃抗静电乙烯‑醋酸乙烯酯共聚物复合材料的制备方法,其特征是步骤为:将阻燃剂氢氧化铝经9,10‑二氢‑9‑氧杂‑10‑磷酰杂菲‑10‑氧化物水解后的产物9,10‑二氢‑9‑氧杂‑10‑磷酰杂菲‑10‑氢氧化物化学改性,得到改性氢氧化铝阻燃剂;室温下将乙烯‑醋酸乙烯酯共聚物、改性氢氧化铝阻燃剂、抗静电剂加入搅拌机中搅拌分散,再加入到双螺杆挤出机中,经温度150~165℃、160~170℃、150~165℃三段加热后挤出造粒,即制得。本发明制备的阻燃抗静电乙烯‑醋酸乙烯酯共聚物复合材料具有良好的阻燃性能、力学性能和抗静电性能,适用于家用电器、建筑行业、电线电缆等领域。

标签:
复合材料
四川 - 绵阳 来源:中冶有色网 2023-03-18
不饱和聚酯阻燃复合材料的制备方法

本发明公开了一种不饱和聚酯阻燃复合材料的制备方法,其特征是:反应器中加入1-氧基磷杂-4-羟甲基-2,6,7-三氧杂双环[2.2.2]辛烷、三乙胺和乙腈,升温至50~60℃;滴加入甲基乙烯基二氯硅烷,升温至60~70℃反应2h、再升至回流温度反应6h,冷却,析出的固体经过滤、洗涤、干燥,制得带活性双键的双环笼状磷硅阻燃剂;将不饱和聚酯树脂与带活性双键的双环笼状磷硅阻燃剂混合搅拌,加入促进剂、引发剂搅拌混合后、放入真空干燥箱内处理5~10min,然后倒入模具中常温固化,再高温熟化,即制得具有良好阻燃性能、热稳定性能的不饱和聚酯阻燃复合材料。本发明原料易得,工艺简单,实用性强。

标签:
复合材料
四川 - 绵阳 来源:中冶有色网 2023-03-18
Cu/Ti-W/陶瓷复合材料及其制备方法

本发明提供了一种Cu/Ti‑W/陶瓷复合材料及其制备方法,属于火工品技术领域。本发明提供的制备方法首先将陶瓷基片进行离子轰击,这一方式能够有效提高陶瓷基体表面的活性,从而更有利于金属材质薄膜层的结合;然后将经过轰击的陶瓷基片预先通过一次磁控溅射镀覆Ti‑W过渡层,可以有效提高金属爆炸箔即纯铜层与陶瓷基片之间的结合力。实验结果表明,通过多次百格划格法测试膜基结合力,发现Cu/Ti‑W/陶瓷复合材料的切口边缘完全光滑,格子边缘没有任何剥落、卷曲等现象;经过3M胶带沾粘10次薄膜未脱落,其结合力满足后续光刻工艺制备成爆炸箔,在严苛条件下能正常使用,大幅提高了爆炸箔与陶瓷的结合力。

标签:
复合材料
四川 - 绵阳 来源:中冶有色网 2023-03-18
硅基纤维毡-铋基复合材料的制备方法及在放射性碘吸附中的应用

本发明公开了一种硅基纤维毡‑铋基复合材料的制备方法及在放射性碘吸附中的应用,包括:将五水硝酸铋加入反应釜中,同时加入乙二醇和乙醇,搅拌,得到混合溶液;将纤维毡材料加入混合溶液中浸泡,然后密封反应釜,在180~220℃下反应5~8h,自然冷却;将自然冷却后的纤维毡材料取出,并用乙醇和去离子水多次洗涤,然后真空干燥,得到硅基纤维毡‑铋基复合材料。在本发明中,通过水热法,将硅基纤维毡与铋单质进行复合,避免了以粉末形式存在的铋基吸附材料的流失及粉末材料不易分离而造成的二次污染的问题,可作为有效而稳定的吸附材料以分离放射性碘,且制备方法操作简单,绿色环保,降低了成本。

标签:
复合材料
四川 - 绵阳 来源:中冶有色网 2023-03-18
锆/大孔强酸性苯乙烯系树脂复合材料及其制备

发明涉及锆/大孔强酸性苯乙烯系树脂复合材料及其制备,采用大孔强酸性苯乙烯系树脂、硝酸锆与氢氧化钠等原料,经配比、浸渍、加碱等制得。发明制备的新型复合材料,可用于氟废液的吸附净化处理。

标签:
复合材料
四川 - 绵阳 来源:中冶有色网 2023-03-18
高强度耐候环保改性聚氨酯复合材料

本发明公开了一种高强度耐热改性聚氨酯复合材料,其原料按重量份包括:聚氨酯100份、氯丁橡胶25‑40份、甲基乙烯基硅橡胶15‑30份、己内酰胺3‑5份、氧化锌0.5‑2份、硫黄0.5‑1.5份、MgO‑2‑3份、气相法白炭黑10‑18份、凹凸棒土5‑15份、空心玻璃微珠3‑15份、聚氨酯改性填料10‑20份、二苯基硅二醇2‑5份、六甲基二硅氮烷2‑3.5份、促进剂0.5‑2份、防老剂1‑2份。本发明提出的高强度耐热改性聚氨酯复合材料,其强度高,耐热性能优异,使用寿命长。

标签:
复合材料
四川 - 绵阳 来源:中冶有色网 2023-03-18
基于三维有序大孔碳骨架的含能复合材料及其制备方法

本发明公开了一种于三维有序大孔碳骨架的含能复合材料及其制备方法,属于含能材料领域,所述方法包括以下步骤:将含能材料室温下溶解在具有挥发性的有机溶剂中,选择三维有序大孔碳骨架材料室温浸渍在上述溶液中,待溶剂完全挥发后,含能材料以纳米晶的形式被负载在三维有序大孔碳骨架内,得到性能可调的纳米复合含能材料。本发明可将含能材料稳定在纳米尺度,为设计性能可控的高能量密度含能材料提供了一种新思路。所得的纳米含能复合材料在热性能上得到明显改善,热分解峰温显著降低,能量释放迅速,在含能材料纳米化、可控释能和微含能器件中具有广泛的应用前景。

标签:
复合材料
四川 - 绵阳 来源:中冶有色网 2023-03-18
用于复合材料性能预测的升力体标模设计方法及飞行器

本发明公开了用于复合材料性能预测的升力体标模设计方法及飞行器,包括步骤:步骤一,根据给定的约束条件确定飞行器的上下表面轮廓线,先设计上轮廓线,上下表面轮廓线关于x轴对称;步骤二,根据飞行器设计的长度,宽度和头部球面切角确定左右宽度轮廓线,先设计左轮廓线,左右轮廓线关于x轴完全对称;步骤三,设计底部截面曲线;步骤四,设计底部截面曲线完成后,设计截面曲线;步骤五,设计截面曲线后,设计截面曲面;步骤六,设计头部曲面;步骤七,将步骤五、步骤六得到的曲面分别关于y轴、z轴对称,至此完成了x截面处曲线设计,生成该飞行器外形等;本发明利于对复合材料的性能预测方法进行考核及改进等。

标签:
复合材料
四川 - 绵阳 来源:中冶有色网 2023-03-18
海泡石纳米阻燃纤维及其制备方法和用其增强增韧的阻燃复合材料

本发明公开的海泡石纳米阻燃纤维的直径为10~60nm,其中海泡石纳米纤维与双螺环基膨胀型阻燃聚合物的质量比为1∶0.1~0.5,且其红外光谱图900-1000cm-1之间的Si-O伸缩振动峰明显增强,1000-1100cm-1的之间的Si-O-Si伸缩振动峰明显变弱。本发明还公开了制备上述海泡石纳米阻燃纤维的方法和用其增强增韧的阻燃复合材料。由于本发明将海泡石纳米纤维与聚合型膨胀阻燃剂通过接枝有机的结合在一起,改善了海泡石纳米纤维在聚合物基材中的相容性,因而不仅有利于膨胀型阻燃剂在聚合物基材中的均匀分散,充分发挥二者之间协效阻燃作用,提高阻燃效率,且还可起到提高聚合物材料的强度和韧性的作用。

标签:
复合材料
四川 - 绵阳 来源:中冶有色网 2023-03-18
容重均匀的聚氨酯橡胶复合材料成型模具

本实用新型公开了一种容重均匀的聚氨酯橡胶复合材料成型模具,它包括上模(1)、下模(2)和容重控制器(3),上模(1)顶部中心处固接有连接杆(4),连接杆(4)顶端安装有容重控制器(3),上模(1)下端的内壁上设有密封装置(5),密封装置(5)的另一端与下模(2)的外壁连接,上模(1)两侧的外壁上安装有滑动套(6),滑动套(6)的另一端与支架(7)连接。本实用新型提供一种容重均匀的聚氨酯橡胶复合材料成型模具,引入容重控制器,并通过容重控制器来实现容重均匀,大大地缩小了边界效应,确保产品质量符合要求。

标签:
复合材料
四川 - 绵阳 来源:中冶有色网 2023-03-18
硬X射线和光电子屏蔽复合材料

本发明公开了一种硬X射线和光电子屏蔽复合材料,包括X射线屏蔽层和光电子屏蔽层,所述X射线屏蔽层的双面或单面设置光电子屏蔽层,所述X射线屏蔽层采用高Z材料制成,所述光电子屏蔽层采用低Z材料制成。本发明采用高Z材料和低Z材料组成的层叠型功能复合材料,不仅能够有效屏蔽X射线,又能对光电子进行有效屏蔽,减少光电子对电子设备的影响,解决了现有硬X射线屏蔽的屏蔽性能较差的问题。

标签:
复合材料
四川 - 绵阳 来源:中冶有色网 2023-03-18
上一页 6 7 8 9 10 ... 16 下一页
共16页    到第

中冶有色为您提供最新的四川绵阳有色金属复合材料技术理论与应用信息,涵盖发明专利、权利要求、说明书、技术领域、背景技术、实用新型内容及具体实施方式等有色技术内容。打造最具专业性的有色金属技术理论与应用平台!

全国热门有色金属设备推荐
展开更多 +
全国热门有色金属技术推荐
展开更多 +

 

江西省隆恩特环保设备有限公司
宣传

报名参会
更多+

报告下载

有色专家
更多+

中南大学
中国工程院 院士
武汉科技大学
校学术委员会主任 / 教授
郑州大学
校长/党委书记
长沙矿冶研究院有限责任公司
中国工程院院士
北京科技大学
教授
赤泥综合利用研究报告2025
推广

热门技术
更多+

推荐企业
更多+

福建省金龙稀土股份有限公司
宣传

发布

在线客服

公众号

电话

顶部
咨询电话:
010-88793500-807