青岛垚鑫智能科技有限公司
宣传

位置:中冶有色 >

有色技术频道 >

> 固/危废处置技术

分类:
全部
矿山技术
冶金技术
材料制备及加工技术
环境保护技术
分析检测技术
 
全部
废水处理技术
大气治理技术
固/危废处置技术
土壤修复技术
地区:
全部
北京
天津
上海
重庆
河北
山西
辽宁
吉林
黑龙江
江苏
浙江
安徽
福建
江西
山东
河南
湖北
湖南
广东
海南
四川
贵州
云南
陕西
甘肃
青海
内蒙
广西
西藏
宁夏
新疆
其他
其他
展开
 
全部
武汉
黄石
十堰
宜昌
襄阳
鄂州
荆门
孝感
荆州
黄冈
咸宁
随州
恩施土家族苗族自治州
仙桃
潜江
天门

湖北有色金属固/危废处置技术理论与应用

免费发布技术信息>>
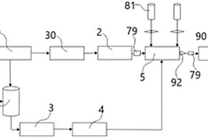
不锈钢混酸废液污泥无害化处理系统

本实用新型提供了一种不锈钢混酸废液污泥无害化处理系统,包括依次连接沉淀单元、污泥储存单元、焙烧炉、预浓缩器和吸收塔,所述污泥储存单元的进料口与沉淀单元底部连接,且污泥储存单元内设置有污泥搅拌机,所述焙烧炉上部设有污泥喷枪,污泥喷枪与污泥储存单元连接,所述焙烧炉底部设有用于将焙烧炉底部固体料刮出的刮耙,所述焙烧炉顶部出气口通过预浓缩器与吸收塔连接。该实用新型不仅减少了酸性污泥产量,降低冶金企业的处置成本,而且可将酸性污泥资源化,提高了F、NO3的回收率,并大量回收酸性污泥中的镍、铬、钛、钼等高价值金属离子,形成附加值高的固体金属氧化物,具有较高的经济价值。

标签:
固废
湖北 - 武汉 来源:中冶有色网 2023-03-19
浇铸废气吸收净化装置
浇铸废气吸收净化装置 1064     
 0

本实用新型提供一种浇铸废气吸收净化装置,包括箱体,箱体内间隔的设置有两块分隔板,两块分隔板将箱体内部划分为第一容纳室、第二容纳室和第三容纳室,第一容纳室内盛装清水滤液,第二容纳室内盛装氢氧化钠滤液,第三容纳室中部横向设置过滤板,过滤板上放置有固体滤料,两块分隔板上均贯穿的设置有引流管,第三容纳室的顶壁上开设有排气孔。本实用新型通过分隔设置的第一容纳室、第二容纳室和第三容纳室,分层分步的对浇铸过程中产生的二氧化碳、二氧化硫等有害有毒气体进行吸收、净化,不仅降低了铸造加工过程中废弃对环境的污染,同时也减少了有毒有害气体对铸造加工操作人员的健康损害。

标签:
固废
湖北 - 宜昌 来源:中冶有色网 2023-03-19
蜡模铸造用废料回收装置

本实用新型公开了一种蜡模铸造用废料回收装置,包括接水管、凝固桶和过滤桶,接水管下端设有连接盘,接水管内部设有接水阀门,连接盘通过螺栓与凝固桶上端可拆卸连接,凝固桶由内层和外层两层结构组成,凝固桶的内层和外层之间设有环形冷凝管,凝固桶上端套放有滤沙网,凝固桶下端设有出水管,出水管内部设有出水阀门,凝固桶下端四周通过若干支杆与过滤桶上端固定连接,过滤桶内部固定安装有过滤网,本实用新型所达到的有益效果是:本蜡模铸造用废料回收装置通过设有滤沙网可过滤混合液中的沙粒,通过设有循环水箱和环形冷凝管,加快混合液中蜡由液体变成固体,通过设有过滤网实现水和固定蜡的分离,结构简单,使用方便,蜡回收效率快且回收质量高。

标签:
固废
湖北 - 襄阳 来源:中冶有色网 2023-03-19
用于电镀废水的重金属离子捕集剂的制备方法

本发明提供一种用于电镀废水的重金属离子捕集剂的制备方法,包括以下步骤:(1)将催化剂加入正丁醇中,搅拌,得到混合物A;(2)加入对甲氧基肉桂酸甲酯,反应,降温后加入苯肼,升温反应,冷却,通氧的条件下反应,得到混合物B;(3)调节pH后,降温后快速析出,抽滤得到褐色固体C;(4)乙醇溶液中,加入碱性试剂,搅拌溶解后,再加入饱和的硫酸铜溶液和稳定剂,搅拌,得到固体D;(5)洗涤后干燥,得到淡黄色固体E;(6)粉碎,向其添加絮凝剂形成固体组合物F,固体组合物F为目的产物。本发明的制备的重金属离子捕集剂能在pH较小的酸性环境也能保证较高的锰离子去除率,并且在变化的环境中也能保证有较高的捕集产物稳定性。

标签:
固废
湖北 - 襄阳 来源:中冶有色网 2023-03-19
添加废弃刹车片粉末的偏高岭土基地质聚合物及其制备方法

本发明属于建筑材料技术领域,具体涉及一种添加废弃刹车片粉末的偏高岭土基地质聚合物及其制备方法。所述制备方法包括:将刹车片和偏高岭土分别研磨成粉末,混合均匀得到混合物;将强碱固体粉末加入到Na2SiO3溶液中,搅拌均匀得到碱性激发剂;将碱性激发剂与混合物混合均匀后注入模具;然后在30℃下干燥养护6h后脱模,再在30℃及95%以上湿度环境下养护,得到偏高岭土基地质聚合物。本发明制备所得地质聚合物具有优异的力学性能,在固化重金属方面效果显著,实现了废物再利用,为刹车片的二次利用提供了新的途径。

标签:
固废
湖北 - 武汉 来源:中冶有色网 2023-03-19
实验室超净工作台废液桶

本实用新型公开了实验设备技术领域的一种实验室超净工作台废液桶,包括第一收集箱和第二收集箱,所述第一收集箱的内腔底部为曲形结构,所述第一收集箱的底部开有通孔,所述通孔中镶嵌有格栅网,所述第一收集箱的外侧壁通过熔接安装有两个第一把手,所述第一收集箱的底部通过熔接固定有三个固定装置,三个所述固定装置呈现环状分布,所述第二收集箱通过所述固定装置安装于所述第一收集箱的底部,所述第二收集箱通过所述格栅网与所述第一收集箱的内腔连通;该实验室超净工作台废液桶的设置,将固体和液体收集箱连为一体,在不占用操作者实验空间的前提下,对固液进行分离,提高固液分离的速度,减少清洗工作量及实验污染风险。

标签:
固废
湖北 - 武汉 来源:中冶有色网 2023-03-19
利用乳品废水进行微生物固井混浆的集成系统

一种利用乳品废水进行微生物固井混浆的集成系统,包括多级固液分离装置、固体回收罐、消毒除臭装置、粉碎装置、固体计量装置、微生物培养装置和混浆装置,所述多级固体分离装置设有第一进料端、固态物出料端和液态物出料端,所述液态物出料端与所述消毒除臭装置的第二进料端连通,所述固态出料端与所述固体回收罐的第三进料端连通,所述粉碎装置的第四进料端和第三出料端分别与所述固体回收罐的第二出料端和所述固体计量装置的第五进料端连通,所述微生物培养装置的第六进料端分别与所述消毒除臭的第一出料端和所述固体计量装置的第四出料端连通。

标签:
固废
湖北 - 武汉 来源:中冶有色网 2023-03-19
回收废亚克力制备MMA的裂解装置

本实用新型公开了一种回收废亚克力制备MMA的裂解装置,属于有机玻璃生成设备技术领域。该装置包括裂解炉、储料罐、真空系统、沉淀箱、管道过滤器、夹套冷凝器、大列管冷凝器、小列管冷凝器和储料罐上的立式冷凝器,大列管冷凝器并联设置,小列管冷凝器并联设置,裂解炉、大列管冷凝器、沉淀箱、小列管冷凝器、夹套冷凝器和储料罐的进料口通过管路依次连接,立式冷凝器的出口通过管路与真空系统连接,沉淀箱底部、管道过滤器和储料罐通过管路依次连接,沉淀箱与管道过滤器之间的管路上设有第一阀门,管道过滤器的进料口处设有带有第二阀门的废料出口,大列管冷凝器的管径较小列管冷凝器的管径大。该装置具有更好的冷凝效果且能去除固体杂质。

标签:
固废
湖北 - 黄冈 来源:中冶有色网 2023-03-19
高附加值的餐余克氏原螯虾废弃物综合利用方法

本发明公开了一种高附加值的餐余克氏原螯虾废弃物综合利用方法,包括1)分选:将油炸和其他加工方式分开,将肝胰脏和其他分开;2)清洗:3)高温蒸汽灭菌;4)低温负压烘干;5)破碎:除肝胰脏外的部分,破碎,得原料1;6)肝胰脏脱脂:采用浸出法脱脂,得原料2;7)果酸钙:在原料中加入柠檬酸,苹果酸,加水,加热,辅助以搅拌,过滤得溶液A和残渣A,溶液A为果酸钙溶液,干燥后得果酸钙;8)氨基酸:将残渣A20份加水至100份,在55℃条件下,使用0.1%的木瓜蛋白酶水解,得溶液B和残渣B,溶液B经真空干燥后,固体物为蛋白质。本发明能对餐余废弃物中的有用物质综合利用,提高了餐余物的价值,减少垃圾处理的成本。

标签:
固废
湖北 - 武汉 来源:中冶有色网 2023-03-19
可实现碎屑回收的金属废油桶用分选机

本实用新型公开了一种可实现碎屑回收的金属废油桶用分选机,包括箱体,箱体内壁连接有隔板将箱体分隔成分离腔和回收腔;分离腔顶部连接有电机,电机输出端向下连接有主动轴,主动轴外表面套设有磁选装置;磁选装置下方的主动轴外表面套设有传动机构,传动机构一端连接有搅拌机构与分离腔内壁转动连接;分离腔下方的出料口设置有插板阀,出料口下方设置有二级磁选机构。该装置解决了现有二级磁选装置难以有效分离金属碎屑,容易产生大量金属粉料、碎屑浪费的问题,具有可有效对分离后的固体废料中混杂的金属粉料进行回收分离,从而实现资源的高效回收利用的特点。

标签:
固废
湖北 - 宜昌 来源:中冶有色网 2023-03-19
可拆卸式柴油发电机废气处理净化装置

本实用新型提供一种可拆卸式柴油发电机废气处理净化装置,它包括依次相连的第一层净化装置,第二层净化装置和第三层净化装置;第一层净化装置包括设于壳体内并依次相连的喇叭进烟口、U型槽和过滤网;第二层净化装置包括设于壳体内的滤瓷球层;第三层净化装置包括依次设置于壳体内的活性吸附剂层、催化剂层、液体吸收剂层和喇叭出烟口;本实用新型净化效率高,可有效减少废气中有害气体、温室气体、固体颗粒物及烟尘的排放。

标签:
固废
湖北 - 宜昌 来源:中冶有色网 2023-03-19
废料分类装置
废料分类装置 1001     
 0

本实用新型公开了一种废料分类装置,涉及建筑设备领域,针对现有的现有的分类装置大多是对固体废料进行筛选的问题,现提出如下方案,其包括支架,所述支架内侧设有顶板,所述顶板底部设有支撑板,所述支撑板两侧均设有安装块,所述安装块固定设置于支架内壁表面,所述安装块与支撑板之间固定设有滤网,所述支撑板底部设有转动板。通过设有转动板和电机,电机工作带动转动板转动,其表面的液体中的水和油由密度不同的会呈现分层状态,油在转动过程中通过过滤板进入第二储液箱内收集,打开电磁阀密封板内侧的水会流入第一储液箱内,实现快速的固液、水油的分离工作,便于后续的回收再利用,达到保护环境节省能源的效果。

标签:
固废
湖北 - 武汉 来源:中冶有色网 2023-03-19
含硫化氢废空气的一体化净化装置

本实用新型提供了一种含硫化氢废空气的一体化净化装置,所述装置包括管式反应器(3)、固液气分离器(5)、再生器(10),其特征在于:所述管式反应器(3)设有含硫化氢废空气进口(1)、吸收液进口(2),所述管式反应器(3)与固液气分离器(5)通过固液气出口(4)相连;所述固液气分离器(5)设有浓浆液出口(6)、贫液出口(7)、折型隔板(8),所述固液气分离器(5)与再生器(10)通过气液分离口(9)相连;所述再生器(10)设有再生液进口(11)、净化空气出口(13)。本实用新型提出了一种将脱硫化氢、固液气分离、吸收剂再生、固体沉降浓缩相结合的一体化装置,实现了设备模块化、小型化和撬装化。

标签:
固废
湖北 - 武汉 来源:中冶有色网 2023-03-19
废润滑油再生加氢反应器

废润滑油再生加氢反应器,壳体(1)顶部开有油气进口(8),底部开有油气出口(9),在壳体(1)上部还开有装料口,出口收集器(3)安装在壳体(1)内的油气出口(9)处,瓷球层(4)装填在壳体(1)内的出口收集器(3)上方,粒状催化剂床层(6)装填在壳体(1)内的瓷球层(4)上方,瓷球层(5)装填在壳体(1)内的粒状催化剂床层(6)上方,封口盖(7)封盖在装料口处,在壳体(1)上开有温度计口(11)。该反应器结构合理,既适合实验室用,又可用于工业化生产,还可用作废润滑油再生固体硫化反应器。

标签:
固废
湖北 - 荆门 来源:中冶有色网 2023-03-19
小型医疗废水处理专用设备

本实用新型公开了一种小型医疗废水处理专用设备,主要包括:沉淀池、中间池、消毒池、过滤装置、检测装置、水箱、加药消毒装置和PLC控制板;其中,废水进水口设有电磁流量计,所述沉淀池与所述中间池设有连通器,所述中间池与消毒池之间设有液位计和外排泵,且消毒池底部通过过滤装置连接,所述检测装置通过管道与消毒池顶部连接,且检测装置与水箱管道连接。本实用新型利用PLC控制板实现精准控制,操控简便,通过沉淀过滤、石英砂过滤器过滤、活性炭过滤器过滤,有效去除固体残渣,异味儿的问题,在经过消毒处理,由检测装置检测达标后排放,若不达标则传回消毒池重新进行二次消毒,避免造成管路堵塞或药物过量浪费,水质更安全。

标签:
固废
湖北 - 孝感 来源:中冶有色网 2023-03-19
利用农作物废弃物制作生物缓释肥的方法

本发明涉及一种利用农作物废弃物制作生物缓释肥的方法,主要以废弃酒糟、养殖场动物粪便及农作物秸秆、桃树枝为原料,经独特工艺连续池式好氧发酵技术加工,并与功能性微生物菌剂有效复合,加工成的一种富含N、P、K等多种微量元素的肥料;然后利用农作物秸秆、桃树枝等生物质材料在限制和隔绝氧气的环境条件下,经热解得到的固体产物,形成生物炭,然后借助生物炭的吸附性能,合理吸附肥料中N、P、K等其他微量元素,通过挤压成型制作生物炭基肥料。该新型生物炭基肥料有效活菌数≥2000万/克,N、P、K含量为6%‑20%、有机质≥25%、腐殖酸≥10%,富含活性钙镁硼锌锰等中微量元素,能在保证肥效的情况,改善土壤环境,降低土壤的污染。

标签:
固废
湖北 - 襄阳 来源:中冶有色网 2023-03-19
铝型材阳极氧化槽废酸循环使用的处理方法

本发明公开了一种铝型材阳极氧化槽废酸循环使用的处理方法,步骤是:⑴加热反应:取铝型材阳极氧化槽废酸于耐强酸的反应釜中,开启冷却水回流,不断搅拌,加入化合剂,将混合物加热至反应温度并维持反应温度,继续加热搅拌;⑵晶种准备:取化合剂酸根与铝离子构成的难容于水和稀硫酸的固体铝盐,用不锈钢粉碎机粉碎过筛;⑶晶种诱导:利用晶种诱导反应液中的铝盐形成铝盐沉淀;⑷自然沉降:所得铝盐沉淀析出的反应液的温度,控制搅拌速度,继续搅拌,取沉降上清液。⑸膜分离:用微孔膜设备精密过滤所得沉降上清液,得铝型材阳极氧化槽脱铝酸液;⑹成分调整。成本低、无污染、铝离子除去充分、酸可循环使用、原料利用率高、工艺简便、可机械化。

标签:
固废
湖北 - 武汉 来源:中冶有色网 2023-03-19
从废弃荧光粉中回收钇元素制备稀土上转换材料的方法

本发明涉及一种从废弃荧光粉中回收钇元素制备稀土上转换材料的方法。该方法解决了传统强酸浸出法操作繁琐、可操作性及实践性不强等问题,创新性的以三氟乙酸溶液分步浸出废弃荧光粉中的稀土元素钇,钇的溶出率高,浸出液中杂质含量少。所得浸出液与氨水混合分离出固体,再加入锂/钠/钾的氢氧化物,氧化镱,氧化铒或氧化铥以及三氟乙酸溶液后蒸干,最后加入油酸和十八烯高温烧结得到了稀土上转换材料。本发明具有重复性好、可操作性强、能耗低、稀土元素钇浸出率高等优点,能够大规模工业化生产。

标签:
固废
湖北 - 武汉 来源:中冶有色网 2023-03-19
处理工业废水中六价铬离子的方法

本发明公开了一种处理工业废水中六价铬离子的方法,它包含如下步骤:(1)把含有六价铬的污水引入酸性反应池;(2)将FeSO4溶液加入到污水中,用H2SO4将污水pH值调整到2~3;(3)再将污水输送至碱性反应池中,并加入石灰乳,将pH值调节到8~9;(4)向污水内加入絮凝剂,经絮凝后的污水随输入到沉淀池;(5)沉沉分离后出上层清液和凝聚在沉淀池底部的污泥,污泥经压滤机压滤成固体状后运走。本发明利用FeSO4处理污水中六价铬离子的方法,以亚铁离子为还原剂,替代原工艺用焦亚硫酸钠做还原剂还原污水中含有的六价铬,将六价铬还原为三价铬以氢氧化铬的形式沉淀,减少了含铬废水中铬的总含量。用石灰乳做沉淀剂可大大减少污水处理成本。

标签:
固废
湖北 - 武汉 来源:中冶有色网 2023-03-19
乙腈废溶液的综合利用方法

本发明提供一种乙腈废溶液的综合利用方法,步骤如下:对回收的乙腈废溶液进行第一次蒸馏,收集温度38℃~82℃的全部馏分,得到混合溶液;对混合溶液进行精馏,收集温度80℃~82℃的馏分,即得乙腈蒸汽,对乙腈蒸汽进行冷凝,得到质量分数为99.5%的工业级乙腈;向工业级乙腈中加入固体五氧化二磷进行第二次蒸馏,收集温度80℃~82℃的馏分,即得乙腈蒸汽,对乙腈蒸汽进行冷凝,前馏分蒸完后,收集冷凝流出的乙腈液体;向收集的乙腈液体中加入氢化钙进行第三次蒸馏,搅拌回流,收集温度80℃~82℃的馏分,即得高纯度乙腈蒸汽,对高纯度乙腈蒸汽进行冷凝,前馏分蒸完后,收集冷凝流出的纯乙腈液体,过滤,即得到无水乙腈产品。

标签:
固废
湖北 - 孝感 来源:中冶有色网 2023-03-19
用于处理工业废水的聚合硫酸铁晶体的制备方法

本发明涉及工业废水处理技术领域,具体为一种用于处理工业废水的聚合硫酸铁晶体的制备方法,旨在解决传统制备聚合硫酸铁生产过程中容易出现氢氧化铁沉淀的问题。其制备步骤主要包括S1:将浓硫酸用去离子水稀释,制备硫酸溶液;S2:将硫酸亚铁固体粉末加入至硫酸溶液中,制备硫酸亚铁溶液;S3:向硫酸亚铁溶液中加入氧化剂及改性剂苯乙烯,使硫酸亚铁发生氧化、水解及聚合反应,制得聚合硫酸铁溶液;S4:将聚合硫酸铁溶液降温,制备聚合硫酸铁晶体。本发明在溶液中加入苯乙烯,使苯乙烯与氢氧化铁之间形成π键效应,依次来避免氢氧化铁沉淀。

标签:
固废
湖北 - 潜江 来源:中冶有色网 2023-03-19
电路板废水过滤器
电路板废水过滤器 1009     
 0

本发明实施例公开了一种电路板废水过滤器,包括:主过滤池,设置有第一过滤板和第二过滤板,将主过滤池分隔成第一级过滤池、第二级过滤池以及第三级过滤池,第一级过滤池内底部设置有第一凸台,第三级过滤池底部设置有第二凸台;柱型过滤器,柱型过滤器竖直可拆卸设置于第一凸台上;取液柱,竖直可拆卸设置于第二凸台上;固体处理器,通过多根底部管路分别连通第一凸台、第二级过滤池的底端以及第二凸台;液体处理器,与取液水泵连通。本发明的电路板废水过滤器结构简单,成本低廉,同时清洁效果好,能够有效地对污水中的铜粒进行分离、过滤、沉淀,将铜粒集中起来后进行回收利用。不仅降低了污水处理难度,而且回收了资源。

标签:
固废
湖北 - 孝感 来源:中冶有色网 2023-03-19
废旧轮胎-双向格栅加筋与建筑垃圾组合环保抗震地基

本实用新型提供一种废旧轮胎-双向格栅加筋与建筑垃圾组合环保抗震地基,包括由上至下水平放置在地基内的多层加筋结构,以及加筋结构填料(4)和地基填料(5);所述加筋结构为2个以上废旧轮胎(1)固定于双向格栅(3)构成;所述加筋结构填料(4)为砂土,填充于废旧轮胎(1)内部;所述地基填料(5)为建筑垃圾与砂土的混合物。本实用新型不仅提高了地基的承载力以及抗震性能、实现了固体资源即建筑垃圾地回收再利用,而且成本更加低廉。

标签:
固废
湖北 - 武汉 来源:中冶有色网 2023-03-19
废FCC催化剂资源化利用的方法

本发明涉及一种废FCC催化剂资源化利用的方法。其技术方案是:将20~40wt%的废FCC催化剂、30~50wt%的活性原料和20~40wt%的固体碱激发剂混合,搅拌,得到类地聚合物粉体。按所述类地聚合物粉体∶水的质量比为1∶0.3~0.5,将水加入所述类地聚合物粉体中,搅拌,得到类地聚合物凝胶。将所述类地聚合物凝胶加入模具中,振动,在养护箱内养护,脱模,室温继续养护3~7天,得到类地聚合物材料。本发明工艺简单、生产成本低、能耗小、环境友好和资源利用充分,用该方法得到的类地聚合物材料抗压强度大、耐高温性强和附加值高,可广泛用作新型建筑装饰材料、耐火材料和早强胶凝材料。

标签:
固废
湖北 - 武汉 来源:中冶有色网 2023-03-19
基于TiO<sub>2</sub>光催化处理养殖废物抗生素的方法

本发明涉及处理生素的方法,更具体的说是一种基于TiO2光催化处理养殖废物抗生素的方法,包括在紫外线暴露环境中使用TiO2作为催化剂,将TiO2放入在待处理的养殖废物抗生素和水的混合溶液内;将混合溶液放置在氚灯下进行紫外光的照射,TiO2固体表面生成空穴h+和电子e‑,空穴h+使H2O氧化,电子e‑使空气中O2的还原,生成·OH基团,·OH将抗生素氧化生成CO2;每降解一个碳原子,生成一个CO2重复循环,直到抗生素完全转化为CO2为止;可以提供一种反应条件温和、耗能低、有效杀灭病原菌、无二次污染、反应速度快的一项新的抗生素降解方法。

标签:
固废
湖北 - 武汉 来源:中冶有色网 2023-03-19
基于热载体双循环供热的废塑料处置系统及方法

本发明属于固体废弃物处置利用领域,并具体公开了一种基于热载体双循环供热的废塑料处置系统及方法,包括核心反应模块、产物处理模块和热载体循环模块,核心反应模块包括内循环反应釜以及设置在内循环反应釜内的螺旋杆和热载体;产物处理模块用于将热解产物分离为液态和气态;热载体循环模块包括球渣分离器、热载体提升装置和燃烧室,球渣分离器用于从热解残渣中分离出热载体,热载体提升装置将分离出的热载体运送至燃烧室,燃烧室在气态产物燃烧作用下为热载体供热,热载体回到内循环反应釜,燃烧室中烟气对内循环反应釜外壁腔室进行二次加热。本发明通过热载体内外双循环辅助热解,实现能量高效利用,避免壁面受热不均,同时实现自维持供热。

标签:
固废
湖北 - 武汉 来源:中冶有色网 2023-03-19
复合式废气净化一体机

本实用新型涉及气体净化技术领域,且公开了一种复合式废气净化一体机,该复合式废气净化一体机,包括装置主体,所述装置主体的外表面固定安装有支撑板。该复合式废气净化一体机,通过设置在支撑板上的气泵启动,将气体通过连接管输送到过滤室中,气体首先通过斜滤网将气体中的一些灰尘等固体颗粒过滤,然后通过活性炭吸附滤网进一步的对气体中的微小颗粒进行吸附,再通过碱性气体吸附网处理掉一些碱性气体,最后通过第一连接管传送到水滤室,经过水滤室中的碱性溶液可以过滤掉气体中的酸性物质,再通过干燥室中的碱性气体滤网和吸湿网对气体进一步的处理后排出,既可以保证气体的处理效果,又可以保证气体的湿度。

标签:
固废
湖北 - 咸宁 来源:中冶有色网 2023-03-19
废旧钴钼系催化剂回收钼钴的方法

本发明申请提供一种废旧钴钼系催化剂回收钼钴的方法,该方法先将废旧钴钼系催化剂加碱进行焙烧,然后经洗涤和过滤,滤液加入酸回调,然后对反应后的溶液进行过滤,滤渣为氢氧化铝,用以回收铝,滤液为含钼溶液,含钼滤液用酸回调,得到钼酸沉淀,将得到的钼酸沉淀用蒸馏水进行洗涤,洗掉吸附在钼酸上的杂质,然后焙烧得到三氧化钼;将上述加碱进行焙烧、洗涤后的滤渣进行烘干,完全脱掉水分后,通入一氧化碳气体,同时尾气经过冷凝,通入收集容器中,羰基钴冷凝为固体,可以回收金属钴,尾气循环使用,通入一氧化碳气体反应后的滤渣用以回收镁和稀土等载体。所述的方法,使用的原料价格低廉,利于成本控制,而且步骤简单,能够缩短金属钴和钼的回收流程,提高回收率。

标签:
固废
湖北 - 荆门 来源:中冶有色网 2023-03-19
电催化氧化废水处理装置

本实用新型公开了一种电催化氧化废水处理装置,涉及废水处理装置领域,包括箱体,箱体的顶端转动连接有顶盖,箱体内腔底端的中部安装有电机,电机的输出端传动连接有主轴,主轴的顶端固定连接有承载板,承载板的上表面呈环形阵列等距固定连接有至少两个安装座,安装座的内腔中滑动套接有放置筒,放置筒的顶部设置有密封盖,放置筒一侧的底部等距固定连接有至少三个出水管。本实用新型利用电机和放置筒相配合的设置方式,通过电机带动主轴进行转动,使得放置筒的公转带动其内腔中的污水做离心运动,由此便可以得到固体和液体之间相互间的分离,从而使难于沉降过滤的细微粒沉淀到筒底。

标签:
固废
湖北 - 黄石 来源:中冶有色网 2023-03-19
用于废板回收的收料装置

本实用新型涉及废板回收技术领域,尤其涉及一种用于废板回收的收料装置。其包括支架、收料桶以及搅动机构;所述收料桶固定安装在支架上,所述收料桶上端设有进料口,下端连接有第一出料管,所述收料桶的内部设有由动力驱动的搅动机构,且所述第一出料管上设有控制出料口开合的开合机构。其解决了现有技术中存在的呈固体颗粒状的料体在收料装置出现堵塞、输送不顺畅的问题。

标签:
固废
湖北 - 宜昌 来源:中冶有色网 2023-03-19
上一页 76 77 78 79 80 ... 108 下一页
共108页    到第

中冶有色为您提供最新的湖北有色金属固/危废处置技术理论与应用信息,涵盖发明专利、权利要求、说明书、技术领域、背景技术、实用新型内容及具体实施方式等有色技术内容。打造最具专业性的有色金属技术理论与应用平台!

全国热门有色金属设备推荐
展开更多 +
全国热门有色金属技术推荐
展开更多 +

 

江西省隆恩特环保设备有限公司
宣传

报名参会
更多+

报告下载

有色专家
更多+

中国瑞林工程技术有限公司
中国工程院院士
矿冶科技集团
副所长/研究员
中南大学
院长/教授
北京科技大学
副院长/教授
中铝检测科技(郑州)有限公司/国家轻金属质量检验检测中心
正高级工程师
赤泥综合利用研究报告2025
推广

热门技术
更多+

推荐企业
更多+

福建省金龙稀土股份有限公司
宣传

发布

在线客服

公众号

电话

顶部
咨询电话:
010-88793500-807