青岛垚鑫智能科技有限公司
宣传

位置:中冶有色 >

有色技术频道 >

> 固/危废处置技术

分类:
全部
矿山技术
冶金技术
材料制备及加工技术
环境保护技术
分析检测技术
 
全部
废水处理技术
大气治理技术
固/危废处置技术
土壤修复技术
地区:
全部
北京
天津
上海
重庆
河北
山西
辽宁
吉林
黑龙江
江苏
浙江
安徽
福建
江西
山东
河南
湖北
湖南
广东
海南
四川
贵州
云南
陕西
甘肃
青海
内蒙
广西
西藏
宁夏
新疆
其他
其他
展开
 
全部
南京
无锡
徐州
常州
苏州
南通
连云港
淮安
盐城
扬州
镇江
泰州
宿迁

江苏苏州有色金属固/危废处置技术理论与应用

免费发布技术信息>>
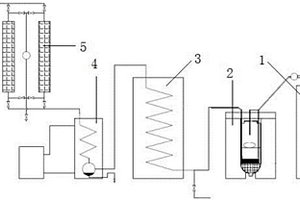
金属表面处理用废弃物回收装置

本实用新型公开了金属表面处理用废弃物回收装置,包括U型底座和敲击机构,U型底座的内腔设有分离箱,分离箱的内腔设有过滤网,U型底座的顶部开设有环形槽,环形槽的内腔设有收集框,敲击机构包括圆形孔,收集框内壁的顶部设有内部套管,内部套管的外壁套设有外部套筒,内部套管的底部设有复位弹簧,外部套筒的底部固定连接有敲击球,外部套筒内壁的底部固定连接有伸缩杆。本实用新型利用内部套管、外部套筒、复位弹簧、伸缩杆和敲击球的设置,通过内部套管、外部套筒、复位弹簧、伸缩杆和敲击球的配合从而在使用收集框来收集过滤网上的固体废气物时敲击过滤网,使固体废弃物快速脱离过滤网,提高了废弃物回收工作的工作质量。

标签:
固废
江苏 - 苏州 来源:中冶有色网 2023-03-19
废弃电器金属回收用便于使用的拆卸装置

本实用新型涉及废弃电器金属回收技术领域,尤其是一种废弃电器金属回收用便于使用的拆卸装置,针对现有技术中不能将废弃电器金属进行固定的问题,现提出如下方案,其包括底座,底座的顶部安装有拆卸台,底座的顶部安装有多个带动拆卸台进行升降的液压伸缩杆,第一夹持机构,包括安装在拆卸台顶部的两个固定板和安装在两个固定板相互靠近一侧的两个第一夹板,本实用新型可以满足不同大小废弃电器金属进行固定的需求,当人工在对废弃电器金属进行拆卸时,不会使废弃电器金属发生移动,便于人工进行操作,在进行固定的过程中不会对废弃电器金属的外部造成损伤,提高了废弃电器金属的利用率,促进了工业固体废弃物综合利用,有效地节约了资源。

标签:
固废
江苏 - 苏州 来源:中冶有色网 2023-03-19
重金属废料高效处理装置

本实用新型公开了一种重金属废料高效处理装置,包括过滤箱,所述过滤箱上端面设置有箱盖,所述箱盖上端面中间设置有废水进口,所述过滤箱右侧设置有超滤箱,所述超滤箱左右两端面下方连接有出料口,所述过滤箱和超滤箱之间设置有液泵,所述液泵输入端与过滤箱右端面下方连接有抽水管,所述液泵输出端与超滤箱上端面之间连接有进水管,结构简单,构造清晰易懂,重金属废水料通过过滤箱过滤掉固体杂质,并吸附重金属杂质,通过超滤箱过滤掉固体杂质和重金属杂质,过滤吸附效果好,能够有效去除废水中的重金属杂质,操作简单,效率高,其中,方便超滤板和箱盖的取拿,便于清理维护,值得推广。

标签:
固废
江苏 - 苏州 来源:中冶有色网 2023-03-19
用于环境保护的废气处理引流装置

本实用新型公开了一种用于环境保护的废气处理引流装置,处理筒设置有引流处理组件,进气管外侧套接有水冷箱,两个支撑清理杆相对的一侧均匀设置有斜滤板,支撑清理杆处于活性炭过滤笼下方位置处安装有平滤板,驱动电机输出轴贯穿端盖连接顶板顶面,处理筒底端设置有废料收集组件,本实用新型经过进气管的引导,废气依次穿过倾斜的斜滤板,再被平滤板过滤,最后经过活性炭过滤笼的吸附处理,除去固体颗粒物和部分有害废气,并随着驱动电机的转动,在离心力和上升的气流的共同作用下,将斜滤板粘附的灰尘甩出,随后在支撑清理杆和顶板分别清理处理筒内壁和顶端,防止灰尘在处理筒内部堆积堵塞,保证处理效果。

标签:
固废
江苏 - 苏州 来源:中冶有色网 2023-03-19
焦炉气脱硫脱氰废水的处理方法

本发明涉及采用氨水液相催化法(HPF法)对焦炉 气进行脱硫脱氰处理后形成的废水的后续处理方法。通过向废 水中加入活性炭进行脱色处理,然后过滤得到清液和废活性 炭,废活性炭返回煤场进炼焦炉,清液在减压条件下蒸发浓缩, 浓缩液冷却至室温即得多铵复合盐固体,而蒸发过程中的水蒸 气经冷凝后返回脱硫脱氰装置循环使用。该技术方案工艺过程 简单、技术路线可行、操作方式可靠,它有效消除了相关环境 污染问题,所得的多铵复合盐可以回收利用,变废为宝,其经 济效益和社会效益十分显著。

标签:
固废
江苏 - 苏州 来源:中冶有色网 2023-03-19
化工有机废水零排放浓缩处理系统及使用方法

本发明公开了一种化工有机废水零排放浓缩处理系统及使用方法,涉及有机废水排放领域。本发明所述的处理系统包括:调节池对有机废水进行回收处理;混凝沉淀池用于对调节池内的废水进行处理;A/O池与混凝沉淀池相连接,用于对废水进行处理;第一集水池与第二集水池,对废水进行储存;回收系统与第二集水池相连接,用于分离废水;三效蒸发器与回收系统相连接,用于对回收系统产出的废水进行蒸发;PTFE膜反应池与A/O池相连接,用于对废水中的固体进行分离;隔膜压滤机连接于所述A/O池从而实现了水质的净化和净化后水质的再利用,减少浪费以及实现环保的目的。

标签:
固废
江苏 - 苏州 来源:中冶有色网 2023-03-19
皮革废水处理方法
皮革废水处理方法 992     
 0

本发明公开了一种皮革废水处理方法,涉及皮革生产领域,对皮革废水过滤;废水调整为PH=3,加入Fenton试剂脱色,紫外灯照射反应;加入Ca(OH)2溶液,去除下层沉淀;加入化学药剂,将磷酸盐沉淀去除;废水调整到PH≥11,温度80℃,恒温下进行碱解反应;PH调整到PH≥11,温度50℃进行脱氨;将絮凝沉淀剂加入皮革废水中,使皮革废水形成固液分层状态;将沉淀后的皮革废水的上层清液和下层红色固体物质分离,最后将处理好的皮革废水进一步进行生化处理。本发明能有效去除COD和降低废水色度。

标签:
固废
江苏 - 苏州 来源:中冶有色网 2023-03-19
N-丙烯酰吗啉消除提纯后废料的回收方法

本发明公开了一种N‑丙烯酰吗啉消除提纯后废料的回收方法,包括以下步骤:(1)在废料中加入丙烯酸酐,丙烯酸酐与废料中吗啉基丙酰吗啉的摩尔量比为1:1,反应温度设定为0~5℃,反应时间设定为4小时;(2)在步骤(1)反应结束后,加热升温至90℃,压力‑0.08mpa~‑0.09mpa环境下进行蒸馏收集丙烯酸;(3)在步骤(2)收集完成后,保持温度,降低压力,压力环境设定绝压100pa~200pa,蒸馏收集N‑丙烯酰吗啉。(4)在步骤(3)收集完成后,将处理液卸出,冷却至室温后,得到固体废渣。本发明针对N‑丙烯酰吗啉消除提纯后废料中占大部分的吗啉基丙酰吗啉使用丙烯酸酐进行取代反应,再采取蒸馏法收集取代反应中产生的N‑丙烯酰吗啉,本发明工艺简单,操作方便,收率高、成本低,使热裂解法制备N‑丙烯酰吗啉具备了工业生产能力。

标签:
固废
江苏 - 苏州 来源:中冶有色网 2023-03-19
UV单体废水达标处理系统

本发明公开了一种UV单体废水达标处理系统,包括通过管道依次连接的曝气调节池、气浮池、配水池、UASB厌氧池、缺氧池、中间沉淀池、A3/O6好氧池、二沉池和除磷池,其中中间沉淀池和除磷池产生的污泥进入污泥浓缩池,构建可用于UV单体行业的废水处理的工艺与方法。本发明采用UV单体生产工艺废水与地面冲洗水、初期雨水等混合后,对混合后的废水采用厌氧—好氧为主的工艺路线,省去四效蒸发的工艺,避免由于四效蒸发工艺产生固体盐类的危险废物问题,出水达到《污水综合排放标准》(GB8978?1996)中的三级标准,构建可用于UV单体行业的废水处理的工艺与方法。

标签:
固废
江苏 - 苏州 来源:中冶有色网 2023-03-19
利用好氧活性污泥处理有机废水的工艺及装置

本发明公开了一种利用好氧活性污泥处理有机废水的工艺,包括以下步骤:S1、将原水池中的废水引入至反应搅拌池内加入药剂进处理,使得废水中的COD值降至2000以下;S2、反应搅拌池中经过处理后的废水通过污泥泵进入至生物滤池中进行降解处理;S3、将生物滤池中经过处理后的废水引入至沉淀池中进行沉降处理,沉淀池上方的清液经检测达标后引入至排放池中直接排放,沉淀池下方的污泥通过污泥泵输送至污泥消化池中,向污泥消化池中加入城市污水厂使用后的污泥菌,污泥菌在曝气状态下对污泥进行处理;S4、污泥消化池中上方的液体重新进入至原水池中进行处理外排,污泥消化池下方的固体物外排进行后续处理。

标签:
固废
江苏 - 苏州 来源:中冶有色网 2023-03-19
化学铬废液高效资源化处理工艺

本发明涉及铬废液处理技术领域,具体为一种化学铬废液高效资源化处理工艺,包括以下步骤:S1:预处理,对化学铬废液进行收集、过滤,形成初始废液;S2:还原;S3:沉淀;S4:絮凝;S5:过滤收集,将S4中得到的絮凝溶液静置沉淀,过滤处理,实现分离、收集和回收。本发明,在原有的铬废液还原沉淀法的基础之上,在还原之前和沉淀之后都添加了过滤的步骤,还原之前的过滤,可以将化学废液中混杂的固体小杂质进行剔除,避免后续的还原反应过程受到影响,而沉淀之后的过滤,则可以将混杂在溶液内部的含铬化学物除去,提高了整个含铬废液的处理效果,大大提高了沉淀的速率,进而可以实现对含铬化学废液的高效快速处理。

标签:
固废
江苏 - 苏州 来源:中冶有色网 2023-03-19
母液废水零排放系统
母液废水零排放系统 1161     
 0

本实用新型具体涉及一种母液废水零排放系统。本母液废水零排放系统包括:混合机构,将母液和有机溶剂搅拌混合处理,以获得第一固液混合物;第一固液分离机构,将第一固液混合物进行一次固液分离处理;洗涤机构,将一次固液分离后的第一分离固体与有机溶剂进行混合洗涤处理,以获得第二固液混合物;第二固液分离机构,将第二固液混合物进行二次固液分离处理;干燥机构,将二次固液分离后的第二分离固体进行干燥处理,获得固体盐。本实用新型的母液废水零排放系统,将初始母液和有机溶剂混合搅拌,得到固液混合盐浆液,将其分离后得到固体结晶,固体结晶经有机溶剂洗涤、第二次分离,从溶剂中分离出盐进行干燥处理,得到纯净的成品盐,实现资源化。

标签:
固废
江苏 - 苏州 来源:中冶有色网 2023-03-19
多金属共存危险废物的处置方法

本发明公开了一种多金属共存危险废物的处置方法,包括以下步骤,首先,把多金属混合危险废弃物与水按照1:3‑5的重量比例混合搅拌制成浆料,往浆料内加入98%浓硫酸,搅拌至充分反应,终点PH值控制在0.5‑1之间,固液分离,得到浸出液A和固体,然后,从浸出液A和固体中按照顺序将多金属中的Zn、Cu、Ni、Fe、Cr、Ca分步提取,提取顺序为:Ca─Cu─Fe和Cr─Ni─Zn─Fe─Cr,实现了多金属混合中各金属元素分步提取的方法,实现了废弃物资源化回收利用,节能减排,实现了无害化、无渣化处理的工艺,减少了湿法冶金尾渣对环境的危害和对土地资源的占用,降低了重金属废料堆对环境的污染。

标签:
固废
江苏 - 苏州 来源:中冶有色网 2023-03-19
在6-羟基-8-氯辛酸乙酯制备过程中处理含硼废水的方法

本发明为一种在6‑羟基‑8‑氯辛酸乙酯制备过程中处理含硼废水的方法,提供的一种在6‑氧代‑8‑氯辛酸乙酯制备过程中处理含硼废水的方法,以四丁基溴化铵为催化剂,6‑氧代‑8‑氯辛酸乙酯二氯乙烷溶液与硼氢化钾氨水溶液混合反应,反应结束后,有机层得6‑羟基‑8‑氯辛酸乙酯,水层浓缩回收氨水,所述处理含硼废水的方法包括以下步骤:①回收氨水后加适量水,并滴加无机酸酸化至pH1~2;②析出硼酸固体,过滤干燥固体并回收;③将过滤硼酸母液蒸去适量水,冷却到30℃以下析出的钾盐固体,干燥固体并回收;④将步骤③得到的母液进行套用。

标签:
固废
江苏 - 苏州 来源:中冶有色网 2023-03-19
基于重量法检测含银废液中银含量的方法

本发明公开了一种基于重量法检测含银废液中银含量的方法,包括以下步骤:量取含银废液置于容器内,加入氢氧化钠调节含银废液的pH至为8.5‑9.5,边搅拌边加入硫化钠,直至尾液中银离子的含量在0.005g/L以下,过滤,收集的沉淀洗涤,得到硫化银沉淀;将硫化银沉淀和硝酸混合,加热搅拌直至硫化银沉淀完全溶解,得到的溶解液加入到装有改性沸石的吸附柱内,吸附处理后向吸附柱内加入盐酸,进行沉淀处理;最后向吸附柱内加入水合肼进行还原反应,还原反应过程中持续向吸附柱的底部通入微纳米气泡;还原结束后,取出吸附柱内的固体,洗涤数次后干燥,称重,根据改性沸石吸附前后的重量差计算出银的重量,从而计算出含银废液中银的含量。该方法操作简单,精确度高。

标签:
固废
江苏 - 苏州 来源:中冶有色网 2023-03-19
含有机氚碳14的废弃物处理装置

本发明公开了一种含有机氚碳14的废弃物处理装置,包括供气系统、一级高温燃烧炉、二级高温催化炉、水汽分离装置和CO2吸收塔,所述供气系统、所述一级高温燃烧炉、所述二级高温催化炉、所述水汽分离装置和所述CO2吸收塔依次连接。通过上述方式,本发明的含有机氚碳14的废弃物处理装置,单次处理量大,能满足大样品量提取的需要,样品的燃烧效率和回收效率明显提高,经过处理废弃物能达到减量、减容和转变成稳定的固体,能够应用于C‑14和H‑3的标记药物所产生的废物处理。

标签:
固废
江苏 - 苏州 来源:中冶有色网 2023-03-19
电镀废水处理方法及其工作方法

本发明公开了一种电镀废水处理方法,包含1)将废水排入废水池;2)废水池中分布若干树脂吸附柱,进行镍离子的吸附;3)循环将各树脂吸附柱置于洗脱池中进行镍离子的洗脱,洗脱池中为稀硫酸溶液;4)将洗脱池中的硫酸镍溶液排入萃取池,进行除杂;5)负压旋蒸,得到硫酸镍固体,重新按配比调成电镀液回收利用。本发明所述的电镀废水处理方法,实施方便、成本低,利用树脂吸附废水中的镍离子,脱洗为电镀液中的主要成分,经萃取除杂后到电镀线回收利用,减少对环境的污染同时节约资源。

标签:
固废
江苏 - 苏州 来源:中冶有色网 2023-03-19
单轴锣机的废料回收系统

本发明公开一种单轴锣机的废料回收系统,涉及线路板制造技术领域。包括收集箱,收集箱顶部设置有第一出料通道,第一出料通道上设置有风机,收集箱底部设置有第二出料通道,还包括:多个进料通道,多个进料通道与收集箱的内部连通;拨料装置,拨料装置设置在收集箱的底部,用于拨动收集箱底部的废料并从第二出料通道中排出;过滤组件,过滤组件设置在收集箱内第一出料通道与进料通道之间。本发明公开的单轴锣机的废料回收系统对固体废料和粉尘废料的分离效果好,自动化程度高,同时能够实现对多个单轴锣机的废料进行同时处理,生产成本低,效率高。

标签:
固废
江苏 - 苏州 来源:中冶有色网 2023-03-19
废酸处理设备
废酸处理设备 1204     
 0

本发明涉及一种废酸处理设备,包括有废酸输入管道,特点是:在废酸输入管道上连接有气固分离装置,气固分离装置上设有热风输入端、气体输出端。同时,在气固分离装置内设有雾化装置,雾化装置与废酸输入管道相连;气固分离装置底部设有固体沉淀装置。气体输出端上设有冷却组件,冷却组件包括有主水冷组件与副水冷组件,主水冷组件与副水冷组件通过导管相连。并且,主水冷组件的吸收端设有低浓度氟化氢收集装置,副水冷组件吸收端设有无水氢氟酸收集装置与废气废水收集装置。由此,采用特定设备内进行喷雾干燥,结合气固分离,提高气体吸收回头使用的程度,符合目前最需要的环保需求。

标签:
固废
江苏 - 苏州 来源:中冶有色网 2023-03-19
去除废水中半金属锑离子的方法

本发明公开了一种用于废水中半金属锑离子去除的电化学沉积法。它是在稀硫酸酸化介质中,采用三电极或两电极系统,以钛网作为工作电极,对溶液中半金属离子进行恒电流电化学还原沉积,使其在工作电极上以半金属或其氧化物等形式析出,达到对弱酸性、低含量等废水中有毒锑离子的有效去除;同时,通过调节介质的酸度,可分别实现三价、五价及总量锑的电沉积处理。由于采用对氢离子还原不活泼的钛为电极材料,提高了电极的有效利用率,同时由于利用了钛电极上富余的电子--这种绿色的“化学试剂”使溶液中半金属锑进行一步法还原为固体析出,因而其处理工艺清洁、无二次污染、环保性好,且具有工艺简单、流程短、高效的优点。

标签:
固废
江苏 - 苏州 来源:中冶有色网 2023-03-19
电解铜废水处理工艺
电解铜废水处理工艺 871     
 0

本发明公开了一种电解铜废水处理工艺,包括如下的步骤:前处理,进行一级反渗透,二级反渗透,经过三级过滤后的废水,放入乙基黄药,重金属过滤后,把废水引入到调节池,加入石灰,加入絮凝剂,助凝剂,分离出来的沉淀进入污泥地,上层液体通过GSF组合气悬浮机进一步进行固体液体分离或者液体液体分离,分离出的固体进入污泥地,污泥收集的物质通过污泥螺旋泵进入压滤机,产生的清液通过管道进入到A/O生化处理一体化设备,通过A/O生化处理一体化设备连接了纳米过滤器,本发明一种电解铜废水处理工艺,能够实现铜离子的回收利用,变废为宝,并且项目投资小,建设周期短。

标签:
固废
江苏 - 苏州 来源:中冶有色网 2023-03-19
含粉尘废气的综合处理装置

本实用新型公开了一种含粉尘废气的综合处理装置,包括本体,本体上方安装有支架,且支架与本体通过支架螺钉固定连接,支架上安装有水箱,水箱上方设置有加药漏斗,水箱一侧通过水管安装有补水阀,支架下方通过水管连接有水阀,本体内部设置有处理水箱,处理水箱上方通过水管与水阀连接,处理水箱下方内部上侧固定安装有喷淋头,处理水箱内部下方设置有漏斗,本体内部底面设置有回收水箱,回收水箱一侧设置有固体废物回收箱,回收水箱内部设置有过滤输送带,过滤输送带输出端在固体废物回收箱上方,本体一侧设置有气阀,气阀通过管路处理水箱连接。该种含粉尘废气的综合处理装置,结构简单合理,占地空间小,操作简单可靠,便于广泛推广使用。

标签:
固废
江苏 - 苏州 来源:中冶有色网 2023-03-19
卧式强耐腐蚀性废气洗涤塔

本实用新型提供一种卧式强耐腐蚀性废气洗涤塔,涉及废气处理设备技术领域,包括卧式箱体,所述卧式箱体的前端开设有进气口,且卧式箱体的后端开设有出气口,所述卧式箱体的前端内侧固定安装有导流斜板,且导流斜板的后端顶部活动安装有填料壳件。本实用新型,通过设置的导流斜板、填料壳件、中和液收集组件和喷淋组件,实现了废气通过卧式箱体的前端进气口导入,由导流斜板的向下导流作用,废气通入填料壳件的底部,在填料壳件内的惰性固体物料中从下至上的经过过滤吸附后,再从填料壳件的顶部散出,进行喷淋中和作用,废气能完全经过填料的吸附后再进行喷淋中和,能更加彻底地对废气进行净化处理。

标签:
固废
江苏 - 苏州 来源:中冶有色网 2023-03-19
用于阳极氧化废水处理设备

一种用于阳极氧化废水处理设备,包括:调节槽、反应槽、储槽、离心机、废水预热槽、第一效蒸发器、第二效蒸发器、换热盘管、冷凝器、回用水槽。其中将换热盘管安装于废水预热槽中,利用双效蒸发器产生的蒸汽对废水进行预加热至90℃~99℃,节约能源;第二效蒸发器以第一效蒸发器产生的蒸汽作为热源,节省能源投入;有效调节废水中的PH值,降低废水中的化学需氧量COD、总溶解固体TDS、镍离子Ni2+、氮离子TN、正3价铬离子TCr3+、磷离子TP含量;所述设备结构简单、占地空间小、高效节能,实用的同时还保证了设备的美观。

标签:
固废
江苏 - 苏州 来源:中冶有色网 2023-03-19
工业废水干化系统
工业废水干化系统 898     
 0

本实用新型揭示了一种工业废水干化系统,其通过将工业废水泵送至高处,由废水喷淋装置自上而下喷淋废水形成废水喷淋流线;然后通过风机将常温空气以低速吹拂废水喷淋流线,使废水中的水分蒸发并被空气带走;在废水喷淋装置的底部设置承接槽,喷淋后的废水落入槽中后,被循环泵送至高处进行再次喷淋;如此反复,直至工业废水被风干或浓缩。本实用新型无需外热源,以较低的运行成本实现了工业废水的干化,且由于所用干化介质为常温空气,不会对热敏性物质产生不良影响,风干后析出的固体或浓缩液可以综合利用,既解决了环保问题,又获得可观的经济效益。

标签:
固废
江苏 - 苏州 来源:中冶有色网 2023-03-19
尿素制氨废液处理系统
尿素制氨废液处理系统 1023     
 0

本实用新型涉及一种尿素制氨废液处理系统,包括用于液气分离的解吸组件、用于将废液固化的固化组件、以及气体回收组件,所述的解吸组件与废液池相连通,所述的解吸组件、固化组件相连通,所述的气体回收组件同时与所述的解吸组件、固化组件相连通。本实用新型提出的一种尿素制氨废液处理系统,可以使废液释放出可回收气体,进入气体回收组件回收利用,将不可回收的物质转化为固体处理,可以实现脱硝废水零排放,降低了企业需外送处理废液的经济成本,促进了区域环境内生态环境的改善,在经济、环保、安全方面都取得较好效果。

标签:
固废
江苏 - 苏州 来源:中冶有色网 2023-03-19
废液分离槽
废液分离槽 820     
 0

本实用新型公开了一种废液分离槽,包括废液槽体,废液槽体内左侧安装有水泵,水泵的出水口连接有出水管,废液槽体内位于水泵的右侧设置有隔板一,隔板一与废液槽体之间的区域内设置有若干个隔板二,隔板二、隔板一和废液槽体之间共同构成多个分离腔,废液槽体内安装有循环水管。本实用新型中废液首先进入废液槽体内最右侧的分离腔内,废液内固体杂质沉淀落入废液槽体内底部,水面上升后,上部清水通过隔板二上的漏液槽进入左侧的分离腔内,再次沉淀,上部清水再次进入下一分离腔,依次进行沉淀,从而提升废液中固液分离的效率;循环水管外接吸水泵将废液槽体内的废水再次抽出排放到最右侧的分离腔内,进行循环过滤沉淀。

标签:
固废
江苏 - 苏州 来源:中冶有色网 2023-03-19
从混酸废液中回收磷酸的系统及方法

本发明公开一种从混酸废液中回收磷酸的系统及方法,本发明的方法包括以下步骤,首先收集一混酸废液,其至少含有磷酸根离子以及硫酸根离子,接着加入一镁离子源与一铵离子源于所述混酸废液中,以提供镁离子和铵离子与磷酸根离子发生反应,从而生成磷酸铵镁固体,然后将磷酸铵镁固体从混酸废液中分离。借此,磷酸根的回收率可以达到99%以上。

标签:
固废
江苏 - 苏州 来源:中冶有色网 2023-03-19
盐水中氯酸盐分解废液处理装置

本发明公开了一种盐水中氯酸盐分解废液处理装置,包括筒体,筒体的两端均设有第一连接头,第一连接头的内部均设有若干卡槽,卡槽的内部卡合有第一滚珠,第一滚珠的外壁与第二连接头的外壁贴合,两个第二连接头的一端分别与进液管的出液口和出液管的进液口连接,筒体中部的外壁设有齿条,齿条与链条啮合,链条内圈的两端分别与两个齿轮啮合。本发明一种盐水中氯酸盐分解废液处理装置,通过筒体在电机的带动下转动,使得废液中的固体颗粒可从内筒的筒壁过滤出去,从而达到过滤的作用,且废液进入筒体时沿筒体缓慢下流到筒体的内部,不会产生较大冲击,使得流量更加平稳,且过滤更加彻底,且操作简单,使用便捷。

标签:
固废
江苏 - 苏州 来源:中冶有色网 2023-03-19
用于药片生产时废料移动后清理装置

本实用新型公开了一种用于药片生产时废料移动后清理装置,包括箱体,箱体的上端装配有初次清理装置,且箱体与初次清理装置相连通,箱体的右侧面开设有第一开口,第一开口的内部插接有二次清理装置,且第一开口边沿与二次清理装置紧密贴合,箱体的右侧面下端贯穿有排液管,且排液管上装配有阀门,本装置设计了两级清理装置,初次清理装置对大尺寸固体进行拦截,并对通过的液体进行缓流,使得液体流速降低,避免流速过快的液体携带小颗粒固体从二次清理装置中穿过,二次清理装置对液体内小颗粒固定进行拦截,大体上分离粉料中的固定和液体,提高废料的清理效率,同时方便分类传输和排放固体、液体的废料。

标签:
固废
江苏 - 苏州 来源:中冶有色网 2023-03-19
上一页 67 68 69 70 71 ... 81 下一页
共81页    到第

中冶有色为您提供最新的江苏苏州有色金属固/危废处置技术理论与应用信息,涵盖发明专利、权利要求、说明书、技术领域、背景技术、实用新型内容及具体实施方式等有色技术内容。打造最具专业性的有色金属技术理论与应用平台!

全国热门有色金属设备推荐
展开更多 +
全国热门有色金属技术推荐
展开更多 +

 

江西省隆恩特环保设备有限公司
宣传

报名参会
更多+

报告下载

有色专家
更多+

东北大学
院长/教授
湖南有色金属研究院
教授级高工/原总工程师
中国矿业大学(北京)
教授
西安建筑科技大学
院长/教授
武汉科技大学
院长 / 教授
赤泥综合利用研究报告2025
推广

热门技术
更多+

推荐企业
更多+

福建省金龙稀土股份有限公司
宣传

发布

在线客服

公众号

电话

顶部
咨询电话:
010-88793500-807