青岛垚鑫智能科技有限公司
宣传

位置:北方有色 >

有色技术频道 >

> 加工技术

分类:
全部
矿山技术
冶金技术
材料制备及加工技术
环境保护技术
分析检测技术
 
全部
功能材料技术
复合材料技术
新能源材料技术
合金材料技术
加工技术
地区:
全部
北京
天津
上海
重庆
河北
山西
辽宁
吉林
黑龙江
江苏
浙江
安徽
福建
江西
山东
河南
湖北
湖南
广东
海南
四川
贵州
云南
陕西
甘肃
青海
内蒙
广西
西藏
宁夏
新疆
其他
其他
展开
 
全部

有色金属加工技术理论与应用

免费发布技术信息>>
无缝排布锂电池组的组装工具

本实用新型提供一种无缝排布锂电池组的组装工具,包括滑轨、滑块、螺纹孔、转动块、转动杆、右组装架、放置槽以及左组装架,螺纹孔对称开设在组装箱内部左右两侧,螺纹孔内部安装有转动杆,转动杆外侧固定有转动块,左组装架安装在组装箱内部左侧,右组装架安装在组装箱内部右侧,组装箱内壁前后两侧对称安装有滑轨,滑轨内部安装有滑块,右组装架前后端面对称安装有滑块,左组装架前后端面对称安装有滑块,该设计解决了原有锂电池组排布时存在较大缝隙的问题,本实用新型结构合理,方便锂电池组无缝排布,组装效率高。

标签:
加工技术
江苏 - 无锡 来源:北方有色网 2023-03-18
带有散热结构的锂电池

本实用新型公开了一种带有散热结构的锂电池,包括安装外壳、固定框和电池本体,安装外壳的顶部固定设有顶盖,安装外壳的底部均匀固定设有若干滑筒,安装外壳的内壁通过若干固定板与固定框的外壁固定连接,固定框的内壁开设有环形空腔,环形空腔的内部固定设有环形水管,固定框的内壁与电池本体的外壁滑动连接,本实用新型一种带有散热结构的锂电池,该锂电池固定在固定框的内部,固定框的内部固定设有环形水管,当装置内部温度过高时,向环形水管内部通入冷却液,辅助装置进行散热,减缓装置老化,进一步提高该装置的使用性能;该装置底部固定设有若干弹簧,且弹簧具有缓冲减震的作用,可以进一步保护装置的使用安全。

标签:
加工技术
广东 - 深圳 来源:北方有色网 2023-03-18
worx锂电池转镍电池电动工具的转换装置

本实用新型公开了一种worx锂电池转镍电池电动工具的转换装置,属于电动工具转换器领域,具体包括上壳和与上壳适配卡合的下壳,上壳呈L形;L形上端包括顶部和颈部,颈部顶面完全覆盖顶部底面,且颈部顶面面积大于顶部底面的面积,形成凸台形的连接端口;下壳包括底板和设在底板远离上壳侧的突起部,突起部设有金属插脚;worx锂电池与金属插脚电连接后,通过连接端口为worx镍电池电动工具供电;使得worx锂电池可以与镍电池的电动工具一起适配使用。

标签:
加工技术
广东 - 深圳 来源:北方有色网 2023-03-18
锂电池分切机极片除尘装置

本实用新型涉及除尘装置技术领域,尤其为一种锂电池分切机极片除尘装置,包括除尘箱,所述第一吸尘盒的上侧中间处固定设置有第一吸尘管道,所述第二吸尘盒的下侧中间处固定设置有第二吸尘管道,所述除尘箱的右侧固定设置有工作箱,所述固定支撑板位于第一转轴下侧固定设置有第二转轴,所述第一除尘毛刷通过第一固定轴与第一可调节轴承连接,所述第二除尘毛刷通过第二固定轴与第二可调节轴承,所述第一除尘毛刷与第二除尘毛刷的上侧固定设置有输送板,通过设置的该装置能够对极片表面产生的粉尘、铜屑、铝屑等异物,进行清理,能够提高锂离子电池极片表面的洁净度和降低制造电池成本高,大大提高锂电池极片表面的清洁程度和清洁的效率。

标签:
加工技术
湖南 - 永州 来源:北方有色网 2023-03-18
用于硅酸镁锂连续烘干设备

本实用新型涉及一种用于硅酸镁锂连续烘干设备,其特征在于,包括箱体、搅拌组件、加热组件、刮除组件和过滤板,搅拌组件、加热组件和刮除组件均设置在箱体上,箱体包括壳体和进料管,壳体的一端呈开口状,过滤板设置在壳体的开口处,壳体的远离开口处的一端顶部连通有进料管,壳体靠近开口处的底部连通有出料管,加热组件设置在壳体远离开口处的一端,加热组件用于对壳体内部的硅酸镁锂进行加热烘干,刮除组件设置在壳体的开口处且与过滤板贴合,刮除组件包括第二电机、第一齿板和第二齿板,第二电机通过支架设置在壳体靠近开口处的一端。本实用新型通过第二电机带动第一齿板进行转动,将过滤板表面的硅酸镁锂刮除,保证过滤板能对气体进行稳定过滤。

标签:
加工技术
福建 - 三明 来源:北方有色网 2023-03-18
电池级碳酸锂提纯装置

本实用新型涉及碳酸锂生产技术领域,且公开了一种电池级碳酸锂提纯装置,包括反应釜,所述反应釜的正面固定连接有加料管。该电池级碳酸锂提纯方法及提纯装置,通过振动电机的使用,振动电机的输出轴带动活动架在过滤管的内部振动,活动架带动滤网振动,避免固体将滤网堵塞,影响固液分离的效率,通过压缩弹簧的使用,在活动架受到振动时,压缩弹簧被压缩,产生弹性形变,避免活动架和过滤管直接接触,产生噪音,通过紧固块的使用,在需要将杂质从除渣箱的内部取出时,旋钮紧固块内部的螺杆即可将滤板从除渣箱的内部取出,从而将杂质取出,同时便于更换滤板,避免堵塞,实现了防堵塞的目的,提高了工作效率,方便了使用。

标签:
加工技术
安徽 - 合肥 来源:北方有色网 2023-03-18
锂电池保护设备
锂电池保护设备 1092     
 0

本实用新型涉及锂电池保护技术领域,具体为一种锂电池保护设备,包括箱体和箱盖,箱体上下两侧内壁位置均分别设置有若干滑轨,箱体内腔通过滑轨滑动连接有两个L形支撑板,L形支撑板相互靠近一侧通过若干平行设置的连接杆固定连接,L形支撑板相互远离一侧设置有螺纹杆,螺纹杆外壁远离箱体一侧还铰接有旋紧手柄,箱体还开设有与螺纹杆配合使用通槽,适应不同尺寸的锂电池,结构简单,制作成本较低。

标签:
加工技术
安徽 - 宿州 来源:北方有色网 2023-03-18
退役锂电池回收处理装置

本实用新型公开了一种退役锂电池回收处理装置,属于退役电池回收领域,一种退役锂电池回收处理装置,包括从上至下依次设置的上回收箱、中回收箱、下回收箱和底座,上回收箱、中回收箱和下回收箱的侧壁上分别开凿有上限制孔、中限制孔和下限制孔,上回收箱、中回收箱和下回收箱的内底端中部均开凿有转动孔,底座上连接有电动机,电动机的转动端连接有转动杆,且转动杆依次穿过三个转动孔并延伸,转动杆的外端分别连接有与上限制孔、中限制孔和下限制孔相对应的拨板,上回收箱和中回收箱的下端均连接有引导板,可以实现易于对不同型号的退役锂电池进行筛选,减少人工归类的麻烦和危险。

标签:
加工技术
广东 - 广州 来源:北方有色网 2023-03-18
用于锂电池粘结剂胶液制备的搅拌棒

本实用新型涉及锂电池制造技术领域,尤其为一种用于锂电池粘结剂胶液制备的搅拌棒,包括一级棒体和二级棒体,所述一级棒体和二级棒体之间连接有连接轴,所述一级棒体和二级棒体外表面均连接有搅拌轴,所述搅拌轴一端连接有活动轴,所述活动轴分别与一级棒体和二级棒体连接,所述搅拌轴两相对侧表面均连接有支撑弹簧,所述支撑弹簧分别与一级棒体和二级棒体连接,所述一级棒体和二级棒体内部均为中空结构,所述一级棒体和二级棒体内部的中空结构内设置有内空腔,所述一级棒体一端侧表面设置有若干进料口;本实用新型将搅拌棒设置为两级棒体,两级棒体配合使用,可有效提升锂电池粘结剂的制备混合效率。

标签:
加工技术
江苏 - 扬州 来源:北方有色网 2023-03-18
锂电池新型装配机
锂电池新型装配机 1117     
 0

本实用新型公开的属于装配技术领域,具体为一种锂电池新型装配机,包括底座、转盘、电动推杆、升降气缸、真空泵和光电传感器,所述底座的右侧壁中间设置有控制器,所述旋转电机的顶部中间输出端上设置有传动轴,所述传动轴的顶部设置所述转盘,所述转盘的顶部左侧设置有壳盖放置槽,所述壳盖放置槽的右侧设置有锂电池放置槽,本装置通过设置有转盘,可以使本装置循环转动式工作,不需要安排多个工位,节省人力成本,通过设置有真空泵和真空吸盘,将组件通过吸取的方式进行固定,从而减少对组件的损害,且本装置通过设置有控制器和光电传感器,可以自动控制对锂电池的装配,减少工作人员的工作量,提高实用性。

标签:
加工技术
山西 - 吕梁 来源:北方有色网 2023-03-18
锂电池均衡仪箱体结构

本实用新型公开了一种锂电池均衡仪箱体结构,包括端板,所述端板的左右两侧通过螺丝固定安装有侧板,所述端板的上下两端通过螺丝固定安装有封板,所述封板的左右两端通过螺丝与侧板的上下两端固定连接,所述端板底部封板的下端面固定安装有箱垫。该锂电池均衡仪箱体结构,通过设置的加强件,使得整体的抗冲击效果得到加强,发生形变的可能性小,从而能够对内部的电子元件进行有效保护,生产成本低廉,组装方式简单;利用TVS二极管的特性短路产生巨大内阻来阻止电压瞬间短路升高,而产生大电流从而使连接线二熔断而保护被测锂电池组不再受到伤害,在保险丝二中由于瞬间短路也会产生瞬间大电流来保护内部元器件,使设备故障率直接大大下降。

标签:
加工技术
江苏 - 苏州 来源:北方有色网 2023-03-18
锂电池生产传输用传送装置

本实用新型公开了一种锂电池生产传输用传送装置,包括固定台、支撑板、固定套、固定轴承、旋转电机、皮带轮、传输皮带、固定夹、样品检测装置和次品收集装置,所述样品检测装置包括固定柱、夹持件、旋转轴、连接柱、检测主体、金属导电片、固定板、红外感应器、信号传输器、拍摄像头和连接板,所述次品收集装置包括支撑柱、旋转底座、支撑杆、电磁主体、信号接收器、固定件、电磁铁和收集箱。本实用新型属于传送装置技术领域,具体是一种锂电池生产传输用传送装置,有效的解决了目前市场上锂电池生产传输用传送装置大多功能简单、结构简陋,在保证基本的传输效果的同时,还可以对传送装置上生产的样品进行检测。

标签:
加工技术
江苏 - 无锡 来源:北方有色网 2023-03-18
超薄软包装锂电池用封头、封头组件以及封装装置

本实用新型属于锂电池技术领域,具体涉及一种超薄软包装锂电池用封头,包括封装部和以及与所述封装部连接的安装部,所述安装部中设有为所述封装部提供加热功能的加热管。本实用新型还提供一种封头组件,包括上下对称设置的两对封头,每对封头包括左右对称设置的两个封头,所述封头为上述的封头,每对封头的两个封装部平行设置。本实用新型还提供一种封装装置,包括机架,机架上设有上述的封头组件以及用于调节上、下两对封头的每对封头之间距离的横向调节机构。本实用新型的封头具有各自的加热系统,通过双角位封来限制电芯,保证不发生偏移,使超薄软包装锂电池具备更好地外观,成品合格率。

标签:
加工技术
湖北 - 武汉 来源:北方有色网 2023-03-18
液态金属锂的传输管道
液态金属锂的传输管道 1157     
 0

本实用新型公开了一种液态金属锂的传输管道,包括主管道、水冷管道和启闭式电加热带,所述主管道的纵向截面呈“U”形,所述主管道的两端分别设有进料管和出料管,所述进料管和所述出料管均与所述主管道连通,所述水冷管道缠绕于所述主管道下部的中央的外表面上,所述水冷管道的两端分别设有进水管和出水管,所述进水管和所述出水管均与所述水冷管道可启闭式连通,所述电加热带缠绕于所述主管道、所述水冷管道、所述进料管和所述出料管的外表面上。本实用新型的一种液态金属锂的传输管道,能够增强金属锂传输管道的密闭性,延长了传输管道的使用寿命。

标签:
加工技术
江西 - 宜春 来源:北方有色网 2023-03-18
用隔爆型锂离子蓄电池多功能电源

本实用新型公开一种用隔爆型锂离子蓄电池多功能电源,包括观察窗组件,所述观察组件上方设置有调节装置,所述调节装置上方设置有控制腔盖,所述控制腔盖一侧设置有翻页键和主页键,所述调节装置一侧设置有电池管理系统,所述电池管理系统一侧设置有第一接线端子,所述第一接线端子一侧设置有第二接线端子,所述第二接线端子一侧设置有固定螺母,所述第一接线端子上方设置有接线腔盖,所述第一接线端子下方设置有穿墙端子,所述第一接线端子和所述穿墙端子均穿过隔板;该用隔爆型锂离子蓄电池多功能电源将先进的锂电池配组技术、充放电管理技术、均衡技术与隔爆技术,通信总线技术、显示技术等融为一体,为用电设备提供稳定可靠的后备电力供应。

标签:
加工技术
山东 - 济南 来源:北方有色网 2023-03-18
软包装圆柱体锂电池
软包装圆柱体锂电池 844     
 0

本实用新型公开了一种软包装圆柱体锂电池,包括装置本体,所述装置本体两端顶部对称设置有正极片和负极片,所述正极片和负极片于装置本体一侧分别安装有螺旋杆,所述装置本体两端分别固定有螺旋套,所述绝缘板外侧设置有散热层,所述装置本体内设置有减震层,且减震层内设置有减震块。本实用新型中,装置两端顶部设置有正极片和负极片,正极片和负极片底部设置有螺旋杆,装置本体两端内部设置有螺旋套,正极片和负极片通过螺旋杆和螺旋套固定在装置本体上,螺旋链接既便于安装拆卸,通过这种结构不仅方便对锂电池的安装制作,也便于锂电池的回收拆卸再利用,还不会对装置本体性能产生影响。

标签:
加工技术
河南 - 驻马店 来源:北方有色网 2023-03-18
锂电池盖板结构
锂电池盖板结构 1117     
 0

本实用新型公开了一种锂电池盖板结构,包括铝盖片、绝缘板、密封圈、上垫板、下垫板、电极板、导电座、活塞板、螺母、弹簧和注液塞,上垫板和下垫板圆环分别卡接在绝缘板上电极孔的两端台阶上,上垫板和下垫板套筒内腔中套接有导电座的电极柱外壁上,通过螺母和电极板配合将上垫板和下垫板固定,用于将电极孔密封,防止电解液从电极孔处泄漏,通过上垫板上的正六角形凹槽和电极板配合,使得电极板固定的更加牢固,防止电极松动,螺母的顶面固定连接有弹簧,弹簧的底面固定连接有活塞板,活塞板滑动连接在导电座内腔中,能够通过活塞板压缩弹簧降低电池壳内的压力,减少锂电池内部压力过大,损坏锂电池壳体和壳体与盖板处的密封。

标签:
加工技术
天津 - 天津 来源:北方有色网 2023-03-18
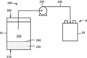
锂电池回收处理过程中产生的废气的处理系统

本实用新型公开了锂电池回收处理过程中产生的废气的处理系统,包括干式过滤设备、深冷装置和二级吸附装置,干式过滤设备的接入口连接有除尘设备,除尘设备分别与锂电池回收处理系统中的一级破碎装置、多级破碎分选装置和电解液烘干装置相连接,干式过滤设备分别与深冷装置和二级吸附装置相连接,深冷装置与二级吸附装置相连接,二级吸附装置上设有气体排放口。其优点在于,将锂电池回收处理系统的每一处理步骤的废气分开处理,针对不同的废气特性,采用不同的回收处理工艺,回收更高效,更适应企业排放废气不稳定的工况,以合理优化整套设备的能耗。

标签:
加工技术
浙江 - 杭州 来源:北方有色网 2023-03-18
锂电材料自动化生产用装料设备

本实用新型公开了一种锂电材料自动化生产用装料设备,包括料架以及设置在料架上的支撑板;所述支撑板上设置有进料装置,进料装置的下端连通有双螺杆下料装置;所述双螺杆下料装置的出料管连通有下料管,下料管下方的料架上安装有料框安装架,料框安装架的下方料架上设置有料框顶升装置,料框顶升装置的上端安装有料框。本实用新型设计合理,结构简单,设计巧妙,解决了传统的锂电池生产装置中自动化程度不足的问题,提升了双螺旋送料的精度和自动化控制的程度,保证了后续的锂电池烧结质量,并且装料速度快,降低了产品的成本,实用性强,适于推广。

标签:
加工技术
江苏 - 无锡 来源:北方有色网 2023-03-18
锂电池回收用除尘喷淋装置

本实用新型公开了一种锂电池回收用除尘喷淋装置,包括清洗池,所述清洗池的底部设置有引流板,所述引流板的右侧设置有收集斗,所述引流板的中间顶部固定连接有分流柱,所述分流柱的右侧固定安装有提升机,所述提升机上设置有若干承载板,所述清洗池的右侧固定安装有水泵,所述水泵的右侧固定连接有水管,所述水管的一段固定连接有喷头,所述引流板的左部设置有曝气盘,所述清洗池的左侧固定安装有风机,所述风机与曝气盘之间固定连接有气管,本实用新型结构简单,方便实用,能够通过曝气的方式将附着于锂电池表面的污渍带走,并且在输送的过程中对锂电池进行冲刷,循环操作,除尘效果好,易于推广应用。

标签:
加工技术
江西 - 宜春 来源:北方有色网 2023-03-18
锂电池包箱体
锂电池包箱体 1059     
 0

本实用新型涉及了一种锂电池包箱体,包括箱体,其中:所述箱体上部设置箱盖,所述箱体与箱盖的连接处设置密封条并通过螺栓固定,所述箱体底部设置密封盖板,所述箱体与密封盖板的连接处设置密封条并通过螺栓固定,电池包内部有冷却和加热功能,可以更好的对电芯进行温度调节,提高电芯使用寿命,箱体采用铝材一体压铸成型(导热和散热性能好),防止锂电池包生命周期内的泄漏风险,且不易变形,电池仓与液体循环腔完全隔离开,保证锂电池包的正常运行;本实用新型具有很强的实用性,可广泛推广。

标签:
加工技术
江西 - 新余 来源:北方有色网 2023-03-18
锂离子电池焊接极耳结构

本实用新型公开一种锂离子电池焊接极耳结构。所述锂离子电池焊接极耳结构包括:电芯、金属沉积层以及金属带;所述电芯包括集流体未涂布区;所述电芯包括两个正极片、一个负极片以及隔膜;按照正极片‑隔膜‑负极片‑隔膜‑正极片的排列方式交错排列;所述集流体涂布区的顶部喷覆有所述金属沉积层,所述金属带焊接于所述金属沉积层上。采用本实用新型所提供的锂离子电池焊接极耳结构能够改善电池载流能力,减少接触电阻,增加提高电芯有效体积。

标签:
加工技术
山东 - 泰安 来源:北方有色网 2023-03-18
锂电池顶侧封一体机
锂电池顶侧封一体机 1191     
 0

本实用新型涉及一种锂电池顶侧封一体机,包括机架;机架上设置有封胶组件、物料架、第一驱动组件,以及第二驱动组件;物料架包括纵向板体,以及两块横向板体;纵向板体的一端向上延伸有限位臂,且另一端设置有卸料组件;横向板体向上延伸有限位臂;卸料组件包括活动推板;纵向板体的上表面设置有活动槽;活动槽的长度方向与纵向板体的长度方向平行;活动推板背离活动槽的一端固定有手柄;手柄和纵向板体转动连接;手柄与活动推板连接的一端还设置有斜向上的导料块;导料块以及三只限位臂共同围成锂电池对位槽;因此本锂电池顶侧封一体机具备定位效果好、结构简单、生产效率高等优点。

标签:
加工技术
广东 - 深圳 来源:北方有色网 2023-03-18
可拆分的锂离子电池
可拆分的锂离子电池 1201     
 0

本实用新型公开了一种可拆分的锂离子电池,包括保护顶板和电池主体,保护顶板顶端的中部依次固定安装有正极接线柱和负极接线柱,保护顶板的底端依次固定安装有若干个电池主体,电池主体顶部的两端均固定设有连接板,电池主体顶端的的中部依次固定设有正极连接槽和负极连接槽,电池主体顶端的两侧固定设有卡块槽,电池主体底端的的中部依次固定设有正极连接块和负极连接块,本实用新型一种可拆分的锂离子电池,通过固定设有的连接螺栓,方便对该锂离子电池进行拆分来适用不同的情况,同时避免在携带的过程中占用较大的整块空间;通过固定设有的正极连接槽、负极连接槽、负极连接块和正极连接块,方便多个电池主体之间进行连接。

标签:
加工技术
广东 - 东莞 来源:北方有色网 2023-03-18
锂电池无级调速电动涂料滚涂器

本实用新型涉及乳胶漆刷涂器具技术领域,具体地说,涉及一种锂电池无级调速电动涂料滚涂器。包括手柄、内设有涂料输送通道的加长接杆、连接弯管和滚筒刷;所述手柄装配在加长接杆的末端上,所述手柄内装配有微型隔膜泵、锂电池和旋钮无级调速器;所述微型隔膜泵的进料口连接有吸料管,出料口连接出料管;所述手柄顶部设有与加长接杆底端相接的连接部,该连接部内腔顶端与涂料输送通道对接并连通,该连接部内腔底端与出料管对接并连通。本实用新型中的锂电池、旋钮无级电子调速器和微型隔膜泵全部集成安装在手柄内,方便灵活,避免了外接电源或气源的限制和不便,提高了施工效率和安全性能。

标签:
加工技术
山东 - 临沂 来源:北方有色网 2023-03-18
锂离子电芯结构
锂离子电芯结构 1158     
 0

本实用新型公开了一种锂离子电芯结构,包括电芯壳体、卷芯、正极、隔膜、负极、正极垫片、正极端、负极垫片、负极端,所述卷芯外层缠绕有正极,且正极外侧一周缠绕有负极,所述正极和负极之间设置有隔膜,所述卷芯顶部安装有正极垫片,所述正极垫片底部与正极相连,且正极垫片顶部安装有正极端,所述卷芯底部安装有负极垫片,所述负极垫片顶部与负极相连,且负极垫片底部安装有负极端,所述锂离子电芯结构均安装在电芯壳体内。本实用新型结构简单、设计合理,安装使用方便,套筒内部电芯壳体可单独使用,同时也可以配合套筒增大一号使用,以满足不同用电器对锂离子电池的型号要求。

标签:
加工技术
广东 - 深圳 来源:北方有色网 2023-03-18
24V 30Ah的电动叉车锂离子蓄电池装置

本实用新型公开了一种24V 30Ah的电动叉车锂离子蓄电池装置,包括锂离子蓄电池模块、功能内胆罩、集成式电池管理模块、整车控制器及保护外壳;所述的保护外壳上端设置有提拉环,左侧端设置有整车控制器接线头,下端设置有集成式电池管理模块充电桩头,且依次定位固定功能内胆罩及内部锂离子蓄电池模块;所述的功能内胆罩上端面设置有集成式电池管理模块和整车控制器;本实用新型充分利用机箱空间,提高电池系统可用总能量,有效控制最小单元芯引起的热失控范围,能量平衡,电流放电性能优异,保证电池组防水、尘、震等级,实现对电池系统的智能充放电管理,保证电池使用过程中的一致性和安全性提高电池使用寿命。

标签:
加工技术
浙江 - 湖州 来源:北方有色网 2023-03-18
电动车锂电池板的拆卸支架

本实用新型公开了一种电动车锂电池板的拆卸支架,包括对称设置的固定杆,所述固定杆的上表面固定连接有液压杆,所述固定杆的两端面均固定连接有关于液压杆对称设置的支撑杆,且固定杆的上侧水平设置有移动板,所述移动板滑动连接在支撑杆上,且液压杆的上端面固定连接在移动板的下表面,所述移动板上滑动连接有对称设置的移动杆,所述移动杆的下表面固定连接有对称设置的挂钩;本实用新型不仅能够便于工作人员对电动汽车上的锂电池板进行拆卸处理,而且便于将所拆卸的锂电池板运送至指定位置,节省了人力与时间,给工作人员带来了便捷。

标签:
加工技术
安徽 - 滁州 来源:北方有色网 2023-03-18
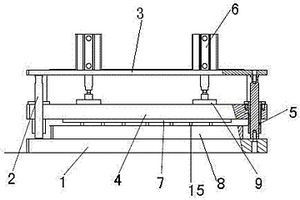
锂电池加工多用夹具
锂电池加工多用夹具 1051     
 0

本实用新型公开了锂电池加工多用夹具,属于锂电池领域,锂电池加工多用夹具,包括安装在加工设备上的安装座,安装座下端开凿有安装槽,安装槽内固定连接有转轴,转轴外端套设有套管,套管外端固定连接有多个夹具,套管内壁固定连接有多对均匀分布的外限位块,转轴中部固定连接有多对内限位块,且外限位块与相邻两个内限位块之间形成的间隙相匹配,转轴左端固定连接有左定环,左定环右端与内限位块相接触,转轴右端套设有右开口套,右开口套为单拱门状结构,且右开口套内顶端中部固定连接有定位块,转轴右上端开凿有定位槽,定位槽与定位块相匹配,可以实现不需拆除,同时较为方便的更换夹具的效果,提高工作效率。

标签:
加工技术
江苏 - 南京 来源:北方有色网 2023-03-18
六氟磷酸锂红外振动干燥装置

本实用新型公开了一种六氟磷酸锂红外振动干燥装置,包括控制器、氮气进口、电磁阀、红外加热源、压力变送器、超声波液位计、温度变送器、排气口、干燥仓、震动电机、控制阀、成品桶、限位架、支架;该装置使用红外线干燥可以产生使六氟磷酸锂晶体从表面向内部吸收渗透热量的效果,加上震动电机对干燥仓底部匀速震动,使得六氟磷酸锂晶体干燥时间缩短,干燥均匀,提高干燥效率及品质,且干燥完成后干燥仓内不积料,不堵料。

标签:
加工技术
青海 - 海西蒙古族藏族自治州 来源:北方有色网 2023-03-18
上一页 5007 5008 5009 5010 5011 ... 6684 下一页
共6684页    到第

北方有色为您提供最新的有色金属加工技术理论与应用信息,涵盖发明专利、权利要求、说明书、技术领域、背景技术、实用新型内容及具体实施方式等有色技术内容。打造最具专业性的有色金属技术理论与应用平台!

全国热门有色金属设备推荐
展开更多 +
全国热门有色金属技术推荐
展开更多 +

 

江西省隆恩特环保设备有限公司
宣传

报名参会
更多+

报告下载

有色专家
更多+

武汉科技大学
校学术委员会主任 / 教授
郑州大学
校长/党委书记
江西理工大学
副校长/教授
长沙矿冶院检测技术有限责任公司
总经理
北京工业大学、中国工程院
中国工程院 院士
赤泥综合利用研究报告2025
推广

热门技术
更多+

推荐企业
更多+

福建省金龙稀土股份有限公司
宣传

发布

在线客服

公众号

电话

顶部
咨询电话:
010-88793500-807