青岛垚鑫智能科技有限公司
宣传

位置:中冶有色 >

有色技术频道 >

> 固/危废处置技术

分类:
全部
矿山技术
冶金技术
材料制备及加工技术
环境保护技术
分析检测技术
 
全部
废水处理技术
大气治理技术
固/危废处置技术
土壤修复技术
地区:
全部
北京
天津
上海
重庆
河北
山西
辽宁
吉林
黑龙江
江苏
浙江
安徽
福建
江西
山东
河南
湖北
湖南
广东
海南
四川
贵州
云南
陕西
甘肃
青海
内蒙
广西
西藏
宁夏
新疆
其他
其他
展开
 
全部
济南
青岛
淄博
枣庄
东营
烟台
潍坊
济宁
泰安
威海
日照
滨州
德州
聊城
临沂
菏泽

山东济南有色金属固/危废处置技术理论与应用

免费发布技术信息>>
基于尾气利用的工业固废碳化处理系统及处理方法

本发明公开了一种基于尾气利用的工业固废碳化处理系统及处理方法,将固废加入至外筒与内筒之间;向布气管中通入酸性高温废气,同时布气管沿径向朝向锥形布气件的尖端指向运动,使锥形布气件穿过内筒侧壁的通孔,插入内筒与外筒之间的固废中;布气管中的酸性高温废气通过锥形布气件分布于固废中,对固废进行高温碳化。利用废气中的余热对工业固废进行碳化,既充分利用了废气余热,消耗了废气中的酸性气体,降低酸性废气的处理成本,实现了废气的资源化利用,节能环保,又可以通过碳化的方式,固化酸性气体,提升材料的密实度等性能。

标签:
固废
山东 - 济南 来源:中冶有色网 2023-03-19
基于尾气碳化的全固废免烧发泡混凝土及其制备方法和应用

本发明属于全固废免烧发泡混凝土技术领域,具体涉及一种基于尾气碳化的全固废免烧发泡混凝土及其制备方法和应用。所述发泡混凝土包括以下重量百分数的原料:赤泥35‑62%、电石渣25‑50%、粉煤灰2‑12%、工业石膏2‑18%、碱激发剂4‑15%、发泡剂0.5‑2%、减水剂0.5‑1%、余量为温水。利用化工废料作为碱激发剂,与赤泥、电石渣、粉煤灰及工业石膏制备成具有保温功能的发泡混凝土,实现多固废的综合利用,解决固废在资源化利用率低与工业尾气的利用问题,更加的经济、环保,制备工艺更加简便。

标签:
固废
山东 - 济南 来源:中冶有色网 2023-03-19
以钛石膏为主的全固废胶凝材料激发剂及其制备方法

本发明公开了一种以钛石膏为主的全固废胶凝材料激发剂及其制备方法,该激发剂以钛白粉为主要材料,同时添加粉煤灰、电石渣等材料混合制备,该可以解决全固废胶凝材料强度偏低问题,不仅能够提高全固废胶凝材料实际应用,使全固废胶凝材料得以更好应用,又能大量消耗钛石膏,使钛石膏变废为宝。

标签:
固废
山东 - 济南 来源:中冶有色网 2023-03-19
固废基多孔污水处理剂及其制备方法与应用

本发明涉及污水处理剂的制备技术领域,尤其涉及一种固废基多孔污水处理剂及其制备方法与应用。按重量份计,所述固废基多孔污水处理剂原料组成包括以下组分:赤泥20‑60份,矿粉30‑50份,粉煤灰10‑30份,钢渣10‑30份,沸石8‑10份;发泡剂6‑8份,激发剂4‑6份,稳泡剂6‑8份。本发明的技术方案以赤泥、矿粉、粉煤灰和钢渣为主要原料,不仅固废利用率高、制作工艺简单、成本低,而且制备的污水处理剂对污染物去除率高。

标签:
固废
山东 - 济南 来源:中冶有色网 2023-03-19
多源固废基注浆胶凝材料及其制备方法和应用

本发明涉及一种多源固废基注浆胶凝材料及其制备方法和应用。包括如下重量份的原料:赤泥60‑80份,其他固废60‑80份,激发剂40‑60份,外加剂10‑20份;其他固废包括如下重量份的原料:炉渣15‑25份,矿渣15‑25份,钢渣10‑20份,脱硫石膏8‑20份。本发明的制备方法简单,所制备的注浆胶凝材料凝结时间短,早期强度高,结石体力学强度高,抗侵蚀能力优异,适用于滨海岩溶破碎岩体加固治理工程中,可保证滨海地区工程安全建设,并且缓解固废堆存压力,解决赤泥对环境的污染问题,实现高附加值价值,推动赤泥的综合利用。

标签:
固废
山东 - 济南 来源:中冶有色网 2023-03-19
基于全固废的高强度、免烧护坡砖及其制备方法

本发明涉及一种基于全固废的高强度、免烧护坡砖及其制备方法,利用赤泥、矿粉、炉渣、粉煤灰、矿砂及废水等多种固废及废液作为原材料,赤泥基土木功能材料胶结剂作为胶结剂,其原料以质量分数计:胶凝材料25‑35%、矿砂50‑60%、赤泥基土木功能材料胶结剂0.5‑3%、余量为污水或废水,其中胶凝材料由赤泥60‑70%、矿粉20‑30%和粉煤灰10‑20%制备而成或由赤泥60‑70%、炉渣20‑30%和粉煤灰10‑20%制备而成,实现了工业固废的大规模资源化利用,减少其占地,减少环境污染,且制备时不消耗任何天然矿产资源,本发明利用多固废及废液作为护坡砖的主要原料,产品具有高强度性能,成本低,工艺简便,易于推广使用。

标签:
固废
山东 - 济南 来源:中冶有色网 2023-03-19
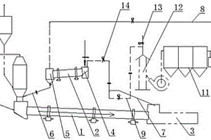
钢铁工业固废危废资源热裂解综合利用系统

本实用新型涉及钢铁工业、固废危废处理、热裂解的技术领域,具体涉及一种钢铁工业固废危废资源热裂解综合利用系统。采用本实用新型的系统可以对可裂解钢铁工业固废、危废产物进行资源化、高值化利用,并实现废气达标排放和废水、废渣零排放,同时获得可观的经济效益。

标签:
固废
山东 - 济南 来源:中冶有色网 2023-03-19
视觉技术的多投放单分离的生活固废垃圾分类装置

本实用新型公开了一种视觉技术的多投放单分离的生活固废垃圾分类装置,涉及垃圾自动分类技术领域。一种视觉技术的多投放单分离的生活固废垃圾分类装置,包括支撑架、上框架和垃圾桶,还包括分类机构、摄像头、固定机构和控制箱,所述支撑架设置有四组,且四组支撑架得的顶部安装有上框架,所述上框架,四组所述支撑架的内侧设置有多组垃圾桶。本实用新型提供一种视觉技术的多投放单分离的生活固废垃圾分类装置,解决了当前社区内与街道上所使用的垃圾桶多数为分桶配置,即不同种类的垃圾使用不同标记,如可回收垃圾、有害垃圾进行区分,分类环节仍然是由人来进行,分类过程存在一定的错误率的问题。

标签:
固废
山东 - 济南 来源:中冶有色网 2023-03-19
热解预处理耦合流化床燃烧的有机固废处理系统

本实用新型公开了一种热解预处理耦合流化床燃烧的有机固废处理系统,属有机固废处理技术领域。本实用新型公开的有机固废处理系统包括绝氧热解碳化反应器、保温夹套和流化床燃烧反应器;绝保温夹套设置在绝氧热解碳化反应器外,保温夹套包括高温烟气进口;流化床燃烧反应器包括高温烟气出口;流化床燃烧反应器的高温烟气出口与保温夹套的高温烟气进口连接。将单纯的干化预处理提升为干燥、热解、碳化一体化预处理,可燃气和炭渣产物可稳定的在后续流化床反应器内实现彻底燃烧;燃烧产生的烟气余热返回绝氧间接热解碳化利用,不需要采用蒸汽或导热油干燥的设备工艺,进行热量转换,提高了能量利用效率。

标签:
固废
山东 - 济南 来源:中冶有色网 2023-03-19
高固废含量的纤维聚合物修复材料及其制备方法

本发明涉及一种高固废含量的纤维聚合物修复材料及其制备方法,按重量份计,包括基体材料70~85份,优化剂2~5份,水15~25份;基体材料,按重量份计,由以下组分组成:水泥10~20份,石英砂20~30份,粉煤灰20~30份,高炉矿渣20~30份,合成纤维0.5~2份,聚合物乳液5~10份;优化剂,按重量份计,由以下组分组成:减水剂1.0~2.5份、消泡剂0.05~0.15份、增稠剂0.05~0.15份和碱激发剂1.5~4.0份。本发明提供的高固废含量的纤维聚合物修复材料具有较高的柔韧性、粘结性能和抗渗性能,且利用粉煤灰矿渣代替部分水泥,有利于实现大宗固废的资源化利用。

标签:
固废
山东 - 济南 来源:中冶有色网 2023-03-19
多固废协同制备的免煅烧吸声砖及其制备方法和应用

本发明属于吸声砖技术领域,尤其涉及一种多固废协同制备的免煅烧吸声砖及其制备方法和应用。所述免煅烧吸声砖包括:固废基胶凝材料,其由如下组分构成:赤泥35‑45份、高炉矿渣25‑35份、粉煤灰10‑15份、脱硫石膏5‑10、水玻璃5‑10份、黏土5‑8份、改性玻璃纤维8‑15份、发气剂1‑2份、抗水剂1‑1.5份、加强剂1‑1.5份;骨料,其由钢渣、煤矸石和陶粒中的任意两种复配而成。本发明制备的吸声砖具备优良的降噪性能,降噪耐久性好,实现了多种固废的高效综合利用。本发明吸声砖的原料完全来源于工业废弃物,无水泥掺入,在保证性能的基础上合理的降低了成本,无需煅烧,降低了生产难度。

标签:
固废
山东 - 济南 来源:中冶有色网 2023-03-19
利用铁铝系高活性材料协同工业固废制备超高水充填材料的方法

本发明提供一种以固废基高活性材料为主体、多类型大宗固废为辅的方式协同制备一种铁铝酸盐超高水充填材料方法。该方法以大宗工业固废为超高水充填材料原材料,在消耗大量堆积固废同时,降低了超高水充填材料的生产成本,并且制备的超高水充填材料与传统充填材料性能更加优异,更能适应现岩溶塌陷区及矿井开采区回填的要求。步骤简单、操作方便、实用性强。

标签:
固废
山东 - 济南 来源:中冶有色网 2023-03-19
利用工业固废制备硫铝酸盐超高水充填材料的系统和方法

本发明公开了一种利用工业固废制备硫铝酸盐超高水充填材料的系统和方法,并利用该基体材料生产超高水充填材料的方法工艺,利用煤矸石等硅铝铁基固废和脱硫石膏等硫酸钙基固废作为原材料,根据需要对上述原材料分别经过原料粉磨、均化、烧成、熟料粉磨等工艺,可制得基体材料。以此基体材料作为核心材料,以特定的添加剂为辅料,经一定的施工工艺,可制成含水率最高达97%的超高水充填材料用于煤矿等采空区的回填。本发明工艺实现了多种大宗工业固废的互补利用,生产的超高水充填材料具有较高的性价比,既替代了优质矿产资源,又大幅度提高大宗工业固废再生产品的附加值。

标签:
固废
山东 - 济南 来源:中冶有色网 2023-03-19
固废基超缓凝胶凝材料及其制备方法和应用

本发明属于固废材料综合利用技术领域,尤其涉及一种固废基超缓凝胶凝材料及其制备方法和应用。本发明所述材料包括以下重量份的组分:粉煤灰80‑100份、矿渣粉40‑60份、脱硫石膏5‑15份、硅酸钠5‑10份。本发明所述材料主要由矿渣粉、粉煤灰等固废材料制备而成,具有良好的物理力学性能,具备应用于路床处置和稳定碎石基层的条件。不仅可以消耗大量的赤泥等固废材料,又可以减少工程建设对水泥、石灰等原材的需求,极大地降低了工程造价,在道路工程中将具有重要的社会和经济效益,而且克服了目前有机酸及其盐类缓凝剂初凝时间短的问题,能够满足某些特殊施工需求。

标签:
固废
山东 - 济南 来源:中冶有色网 2023-03-19
利用固废生产功能型材料的方法及应用

本发明提供一种利用固废生产功能型材料的方法及应用,实现对多种固废回收利用,经过打散、分拣,分选出的25mm‑100mm块状颗粒采用骨料生产系统,制成粗、细骨料;并收集产生的石粉备用。分选出的细颗粒和块状颗粒制备得到的粗、细骨料粉磨后煅烧制备成水泥熟料。水泥熟料和石粉一起制备胶凝材料。复合掺合料,及粗、细骨料,与水泥、水一起用于制备免蒸养混凝土、自密实混凝土、自流平砂浆等。本发明方法对固废充分利用,做到吃干榨净,无二次固废污染。采用本发明方法,将来源于固废的组分生产出能代替传统产品的产品,并在产品所应用的领域内发挥“降本增效”的效果,符合节能环保的产业导向。

标签:
固废
山东 - 济南 来源:中冶有色网 2023-03-19
固废基硫铝酸盐胶凝材料制备免烧陶粒的制备方法

本发明提供一种固废基硫铝酸盐胶凝材料生产免烧陶粒免蒸养陶粒,将粉煤灰、固废基硫铝酸盐水泥按一定比例混合均匀,形成混合料;向上述混合料中喷入一定量的发泡剂水溶液并进行搅拌、造粒,形成陶粒坯料;对陶粒坏料进行标准养护,即得免烧陶粒。本发明从而根本性的改变目前陶粒生产工艺方法,以期达到提高生产效率,保护生态环境以及节能减排的目的。经过本发明方法所制得的免烧陶粒轻集料产品堆积密度(850‑1200Kg/m3),筒压强度(4‑6.5Mpa),吸水率(≤10%),软化系数(0.85‑0.96),经检测各项指标均符合国GB/T 17431.1‑2010轻集料性能标准。步骤简单、操作方便、实用性强。

标签:
固废
山东 - 济南 来源:中冶有色网 2023-03-19
基于生物质类固废及危废的以废治废处置装置

本实用新型公开了一种基于生物质类固废及危废的以废治废处置装置,选择适合热解气化的生物质类固废/危废物质为原料,经预处理后输送到气化系统中进行热解气化得到生物质燃气与灰渣,将燃气与灰渣分别送入熔渣炉内,利用生物质类废弃物气化所得的燃气进行高温熔融焚烧,分解破坏掉二噁英类有毒害的有机质成分,并完成灰渣的熔融,熔融的灰渣经水淬后形成玻璃态熔渣将重金属包裹于熔渣内,实现危废物质的稳定固化,可满足超低浸出毒性的排放要求。本实用新型充分利用生物质类固废/危废气化燃气为灰渣熔融固化提供热能,解决了固废/危废焚烧灰渣易产生二次污染、稳定化处置能耗大以及运行成本高的问题,达到了以废治废的目的。

标签:
固废
山东 - 济南 来源:中冶有色网 2023-03-19
钢铁工业固废危废资源热裂解综合利用方法

本发明涉及钢铁工业、固废危废处理、热裂解的技术领域,具体涉及一种钢铁工业固废危废资源热裂解综合利用方法。可裂解钢铁工业固废危废资源经预处理后得到的裂解原料,经进料系统进入热裂解主机,在隔绝空气的环境下加热至200‑600℃进行连续热裂解反应,并产生高温的气态产物和固态产物(灰渣);裂解产生的高温气态产物经油气分离冷却器后得到气态产物(可燃气体)和液态产物(燃料油);由钢铁工业固废处理回转窑出来的烟气进入回转窑烟气治理系统,处理后的烟气达标排放。采用本发明的方法可以对可裂解钢铁工业固废、危废产物进行资源化、高值化利用,并实现废气达标排放和废水、废渣零排放,同时获得可观的经济效益。

标签:
固废
山东 - 济南 来源:中冶有色网 2023-03-19
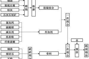
利用工业固废制备用于冬季施工的路面修补材料

本发明属于固废利用领域,提供了一种利用工业固废制备用于冬季施工的路面修补材料,由如下重量份的原料组成:固废基富铁硫铝系胶凝材料45‑55份,骨料45‑55份,氯化钙2‑5份,碳酸锂0.2‑0.8份,聚羧酸减水剂0.1‑0.3份,可再分散性乳胶粉1‑3份,羟乙基甲基纤维素醚0.1‑0.3份。上述修补材料具有负温迅速硬化、成本低、碳排放少、固废利用量大等优点,可满足路面在负温环境下快速高强修补的要求,具极高的产业利用价值。

标签:
固废
山东 - 济南 来源:中冶有色网 2023-03-19
利用窑炉零污染资源化处置污泥及其他固废的系统和方法

本发明涉及污泥干燥领域,具体涉及一种利用窑炉零污染资源化处置污泥及其他固废的系统和方法。将窑炉的余热利用技术与污泥干燥技术相结合,通过设置的余热锅炉或抽气管道将窑炉产生的余热进行回收利用,提高了能源利用率,干化后的污泥与煤矸石、废弃土等固废依次经过破碎、混合、搅拌、陈化、成型、烧结,无废渣产出,干化后的污泥热值在每公斤1000大卡以上,掺混到砖坯中,提高了砖坯的内燃值,可以减少烧结时需要的能耗,根据污泥掺混量的比例可以节省能耗至少5%。本发明中污泥等固废处理全程无废水、无废渣、无臭气排放,达到了零污染资源化处理污泥及其他固废,提高了资源利用率。

标签:
固废
山东 - 济南 来源:中冶有色网 2023-03-19
性能优化剂、基体材料、固废注浆材料及其制备方法与应用

本发明公开了一种性能优化剂、基体材料、固废注浆材料及其制备方法与应用,性能优化剂,包括以下组分:聚羧酸减水剂、高聚物和激发剂。固废注浆材料,按重量份计,包括以下组分:所述基体材料5‑15份;所述性能优化剂0‑87.5份,不包括0;水40‑60份。基体材料,按重量份计,包括以下组分:硅酸盐水泥熟料15‑40份,硫铝酸盐水泥熟料4‑10份,脱硫石膏1‑4份,粉煤灰30‑60份,膨润土3‑9份,炉渣煤渣10‑20份。本发明拟通过将大宗固废材料回收利用,制备成充填胶结注浆材料,用于城市地铁衬砌壁后防渗注浆,解决因固废堆放而造成的环境破坏。

标签:
固废
山东 - 济南 来源:中冶有色网 2023-03-19
基于生物质类固废及危废的以废治废处置工艺

本发明公开了一种基于生物质类固废及危废的以废治废处置工艺,选择适合热解气化的生物质类固废/危废物质为原料,经预处理后输送到气化系统中进行热解气化得到生物质燃气与灰渣,将燃气与灰渣分别送入熔渣炉内,利用生物质类废弃物气化所得的燃气进行高温熔融焚烧,分解破坏掉二噁英类有毒害的有机质成分,并完成灰渣的熔融,熔融的灰渣经水淬后形成玻璃态熔渣将重金属包裹于熔渣内,实现危废物质的稳定固化,可满足超低浸出毒性的排放要求。本发明充分利用生物质类固废/危废气化燃气为灰渣熔融固化提供热能,解决了固废/危废焚烧灰渣易产生二次污染、稳定化处置能耗大以及运行成本高的问题,达到了以废治废的目的。

标签:
固废
山东 - 济南 来源:中冶有色网 2023-03-19
全固废透水砖及其制备方法和应用

本发明涉及透水砖技术领域,具体涉及一种全固废透水砖及其制备方法和应用。所述透水砖包括底层和面层,底层中原料以质量份数计包括:固废基硫铝酸盐胶凝材料15~22份,钢渣70~80份;水胶比0.33;减水剂3~4.4份;面层原料以质量份数计包括:固废基硫铝酸盐胶凝材料15~22份,铁尾矿砂8~10份,水胶比0.33,减水剂3~4.4份。将固废基硫铝酸盐胶凝材料与钢渣进行复配,在提高透水砖的抗压强度的同时,还能够保证透水砖的透水性能良好;并且抗磨性能和抗冻性也都达到透水砖的标准,面层中的骨料选择铁尾矿砂,铁尾矿砂也与固废基硫铝酸盐胶凝材料复配,增加透水性,使得水更容易透过面层到达透水砖的底层,透过的水能够更容易透过基层;采用全固废原料,工艺简单,低成本。

标签:
固废
山东 - 济南 来源:中冶有色网 2023-03-19
适用于既有桩基承载力加固的固废基注浆材料及制备方法

本发明公开了一种适用于既有桩基承载力加固的固废基注浆材料及其制备方法。采用赤泥为主体材料,并协同其他多源固废,以氢氧化钾、电石渣、生石灰为激发剂,制备适用于改扩建工程既有桩基承载力加固的多源固废基注浆材料。本发明的制备方法简单,所制备的注浆材料凝结时间短、早期强度高、膨胀系数大、桩土界面胶结强度高,适用于既有桩基承载力加固,可保证高速公路改扩建工程的安全建设,并且缓解固废堆存压力,解决赤泥对环境造成的污染问题,推动固废高附加值综合利用。

标签:
固废
山东 - 济南 来源:中冶有色网 2023-03-19
全固废路缘石及其制备方法与应用

本发明属于道路工程技术领域,具体涉及一种全固废路缘石及其制备方法与应用。所述种全固废路缘石包括基层和面层,以重量份计,所述基层包括:固废基硫铝酸盐胶凝材料20‑30份、赤泥基水稳骨料50~80份、垃圾灰渣25~30份、水20‑25份;所述面层包括:固废基硫铝酸盐胶凝材料15‑20份;黄金尾矿30‑35份;着色剂1‑2份;水胶比0.35‑0.4。本发明将路缘石分为基层和面层进行不同组分的设定,通过将固废基硫铝酸盐胶凝材料同时引入到基层和面层中发挥作用,避免了多种外加剂的使用,在高效利用固废资源的同时,降低了路缘石的生产成本,而且,本发明所提供的全固废路缘石力学性能和抗冻性优异,能够满足施用标准。

标签:
固废
山东 - 济南 来源:中冶有色网 2023-03-19
全固废高性能混凝土及其制备方法和应用

本发明涉及混凝土制备技术领域,尤其涉及一种全固废高性能混凝土及其制备方法和应用。以重量份计,所述全固废高性能混凝土原料包括以下组分:赤泥20‑60份、矿粉30‑50份、秸秆焚烧灰10‑30份、建筑垃圾300‑650份、减水剂1‑4份、激发剂8‑12份。本发明的全固废高性能混凝土材料具有固废利用率高、早期强度高、和易性好、抗侵蚀及成本低廉等优点,且制作流程简单。另外,本发明的全固废高性能混凝土材料能够大宗利用固废,实现固废资源化利用。

标签:
固废
山东 - 济南 来源:中冶有色网 2023-03-19
以污泥和垃圾飞灰为主的全固废配置硅酸盐水泥生料的方法

本发明属于固废利用领域,涉及一种以污泥和垃圾飞灰为主的全固废配置硅酸盐水泥生料的方法,以增钙干化后的污泥、水洗后的垃圾飞灰为主原料,与辅料混合均匀后,形成水泥生料。提供了以污泥和垃圾飞灰为主的多种固废配比方案,使水泥窑处置固废的规模和种类增加,选择配比方案更加灵活。本发明的方法使新型干法水泥窑处置污水处理厂污泥和垃圾飞灰的处置规模增大,能够彻底解决污泥和垃圾飞灰等固废对环境的污染,减少水泥生产对石灰质和黏土质原料等自然资源的消耗。

标签:
固废
山东 - 济南 来源:中冶有色网 2023-03-19
全工业固废高强度即用型发泡混凝土材料及制备方法

本发明涉及一种全工业固废高强度即用型发泡混凝土材料及制备方法,属于发泡混凝土制备技术领域。本发明采用多种工业固废协同互补和两级跃迁的制备思路:先由工业固废到高活性胶凝材料,再由胶凝材料到高强度即用型发泡混凝土,从而以全工业固废为胶凝材料和掺合料制备高强度即用型发泡混凝土;本发明在得到高性能即用型发泡混凝土的同时,实现了铝灰、赤泥、电石渣、磷石膏、粉煤灰等工业固废的大规模资源化利用,且制备时不消耗任何天然矿产资源。另外,本发明制备发泡混凝土时不需要蒸压养护或蒸养养护,仅需在标准养护条件下养护即可,大幅度降低了发泡混凝土类墙体保温材料的生产成本和能源消耗,实现了资源和能源的双重节约。

标签:
固废
山东 - 济南 来源:中冶有色网 2023-03-19
固废处理焚烧线
固废处理焚烧线 924     
 0

本实用新型涉及固废焚烧领域,具体涉及一种固废处理焚烧线。本实用新型所述固废处理焚烧线,通过回转炉一次煅烧和回转窑二次煅烧,一次煅烧时将产生的带有有害物质的气体经过冷却收尘装置进行冷却除尘后再次进入系统中,避免了直接在回转窑内一次性焚烧,导致对烟室的损害,大大提高了对固废的焚烧效率;本实用新型所述的进行焚烧固废的方法,能通过回转炉和回转窑充分配合焚烧固废,大大提高工作效率,调整灵活,控制焚烧精确。

标签:
固废
山东 - 济南 来源:中冶有色网 2023-03-19
全固废高流态似膏体充填材料的制备方法

本发明涉及一种全固废高流态似膏体充填材料的制备方法,利用硅铝铁基固废和硫酸钙基固废作为原材料,分别经过原粉磨、均化、烧成、熟料粉磨等工艺,可制得基体材料,最后将基体材料与充填骨料、细粒级物料、调节剂和废水配制成似膏体充填材料。该方法实现工业固废再利用制备似膏体充填材料。该材料由A、B液两种组分制成,其中A组分由基体材料与废水组成,搅拌混合成浆料,B组分由充填骨料、细粒级物料、调节剂和废水组成,搅拌混合成浆料。本发明利用多固废制备似膏体充填材料具有高流态、早强快硬、泌水率低等优良性能。本发明合理利用了工业废弃物,能大量消耗工业固废,减少对环境的影响,建设环境友好型社会,且易于制备。

标签:
固废
山东 - 济南 来源:中冶有色网 2023-03-19
上一页 48 49 50 51 52 ... 56 下一页
共56页    到第

中冶有色为您提供最新的山东济南有色金属固/危废处置技术理论与应用信息,涵盖发明专利、权利要求、说明书、技术领域、背景技术、实用新型内容及具体实施方式等有色技术内容。打造最具专业性的有色金属技术理论与应用平台!

全国热门有色金属设备推荐
展开更多 +
全国热门有色金属技术推荐
展开更多 +

 

江西省隆恩特环保设备有限公司
宣传

报名参会
更多+

报告下载

有色专家
更多+

武汉科技大学
院长 / 教授
云南锡业集团(控股)有限责任公司
副总经理
北京航空航天大学、中国工程院
院士
南京理工大学、中国科学院
院士
昆明冶金研究院有限公司
党委书记、执行董事
赤泥综合利用研究报告2025
推广

热门技术
更多+

推荐企业
更多+

福建省金龙稀土股份有限公司
宣传

发布

在线客服

公众号

电话

顶部
咨询电话:
010-88793500-807