青岛垚鑫智能科技有限公司
宣传

位置:北方有色 >

有色技术频道 >

> 固/危废处置技术

分类:
全部
矿山技术
冶金技术
材料制备及加工技术
环境保护技术
分析检测技术
 
全部
废水处理技术
大气治理技术
固/危废处置技术
土壤修复技术
地区:
全部
北京
天津
上海
重庆
河北
山西
辽宁
吉林
黑龙江
江苏
浙江
安徽
福建
江西
山东
河南
湖北
湖南
广东
海南
四川
贵州
云南
陕西
甘肃
青海
内蒙
广西
西藏
宁夏
新疆
其他
其他
展开
 
全部
长沙
株洲
湘潭
衡阳
邵阳
岳阳
常德
张家界
益阳
娄底
郴州
永州
怀化
湘西土家族苗族自治州

湖南长沙有色金属固/危废处置技术理论与应用

免费发布技术信息>>
铝工业固废联合处理制备氟化铝产品的方法

本发明公开了一种铝工业固废联合制备氟化铝产品的方法。通过利用赤泥选铁尾矿调节浸出液pH,并溶出尾矿中有价成分,以复合氟化盐沉淀形式回收铝、氟。采用可溶性氟化盐与酸的混合溶液作为溶出剂,在反应釜高压环境的协同作用下,将复合氟化盐沉淀中的有价铝、氟高效溶出,从而得到高纯度过饱和态的氟化铝溶液和杂质;杂质主成分为冰晶石、钾冰晶石、钾钠复合冰晶石可在流程中循环使用;氟化铝溶液结晶后得到β‑AlF3,煅烧可获得氟化铝产品,晶型为α晶型。本发明以铝电解含氟废料以及赤泥选铁尾矿为原料制备氟化铝产品,所得氟化铝纯度高,满足铝电解工业生产要求,实现了铝工业固废的资源化利用,符合国家对铝工业可持续发展的要求。

标签:
固废
湖南 - 长沙 来源:北方有色网 2023-03-19
利用固废制备陶粒的方法

本发明涉及一种利用固废制备陶粒的方法,将城市脱水污泥采用鼓空气进行干燥,然后磨细,得到污泥粉;将所述污泥粉与粘土、钢渣进行混合,得到初级混合物;向所述初级混合物加入水分,再加入的石灰粉,然后压制成小球。将所述小球进行烘干,然后进行焙烧,然后采用自然冷却方式冷却,得到陶粒。本发明将城市脱水污泥与其他废弃物结合制备陶粒,实现了固废资源化利用,同时也避免了固废污染环境,工艺简单,投资成本低。

标签:
固废
湖南 - 长沙 来源:北方有色网 2023-03-19
工业固废的资源化处理方法

本发明提供了一种工业固废的资源化处理方法,采用表面改性、阻燃、水泥固化使焊接粉尘、秸秆粉、煤化工结晶盐在常温下固化成复合板材,对粒度范围在100μm以下的焊接粉尘、粒度范围在5~10mm的秸秆粉、粒度范围在1~5mm的煤化工结晶盐进行助剂添加、搅拌混合、室温固化、浇注成型、去除气泡、表面处理、脱模,干燥后得到复合型板材。本发明制造过程无污染,工艺简单、成本低、制得的板材实用价值大,实现工业固废的资源化利用。

标签:
固废
湖南 - 长沙 来源:北方有色网 2023-03-19
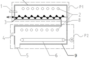
固废资源回收装置
固废资源回收装置 992     
 0

本实用新型公开了一种固废资源回收装置,包括回收装置本体,回收装置本体包括粉碎箱和压实箱,粉碎箱位于压实箱的一侧,粉碎箱顶端的中部设有进料口,粉碎箱顶端的两侧均贯穿连接有转轴,其中一个转轴的顶端固定安装有电机,两个转轴通过设置的皮带轮转动连接,粉碎箱内壁的中部设有筛板,筛板的尺寸与粉碎箱的尺寸相对应且筛板呈倾斜设置,本实用新型经过粉碎辊粉碎后的固废掉入筛板上,残留的液体经过筛板漏向接水池内,设置的活性炭放置盒用来放置活性炭消除残留液体的气味,通过设置的弹簧和弹板,拨动弹板,带动筛板震动,弹簧的设置能够增加震动幅度,将留在筛板上的固废轻松的筛入压实箱内进行下一步操作。

标签:
固废
湖南 - 长沙 来源:北方有色网 2023-03-19
有机固废热解油处理装置

本实用新型公开了一种有机固废热解油处理装置,所述有机固废热解油处理装置包含包含分离塔、油水沉降分离器及过滤器;所述分离塔包含重组分层和含水轻组分层;在所述分离塔的高度方向上,所述重组分层设置在所述分离塔的下部,所述重组分层设置有重组分出液口;所述含水轻组分层设置在所述分离塔的上部;所述分离塔的含水轻组分层通过管道与所述油水沉降分离器连接;所述油水沉降分离器上设置有轻组分油出液口及水出液口;所述过滤器设置在热解油进入所述分离塔的管路上。本实用新型的有益效果是:可以将有机固废热解油中的水、轻组分油与重组分油分离,有利于提高热解油的闪点,便于分别对轻油和重油进行将加工处理。

标签:
固废
湖南 - 长沙 来源:北方有色网 2023-03-19
固废处理场渗滤液导排管与穿坝管连接处的安装检修井

本实用新型公开了一种固废处理场渗滤液导排管与穿坝管连接处的安装检修井,包括安装检修井本体(1)和延伸至安装检修井本体(1)中的渗滤液导排管(2)与穿坝管(3),固废处理场的渗滤液导排管(2)的出液口穿过安装检修井本体(1)的支承井壁(12)并延伸到安装检修井本体(1)的中空腔体(11)中,固废处理场的穿坝管(3)的进液口穿过安装检修井本体(1)的支承井壁(12)并延伸到安装检修井本体(1)的中空腔体(11)中,且渗滤液导排管(2)的出液口与穿坝管(3)的进液口在中空腔体(11)中对接。本实用新型可更好地保证渗滤液导排管与穿坝管的工作稳定性、且便于后期进行施工、安装和检修。

标签:
固废
湖南 - 长沙 来源:北方有色网 2023-03-19
有机固废热解油处理装置及方法

本发明公开了一种有机固废热解油处理装置及方法,所述装置包含分离塔及油水沉降分离器;所述分离塔包含进液层、回流层、含水轻组分层和重组分层;所述重组分层设置在所述进液层的下方;所述含水轻组分层设置在所述进液层的上方;所述分离塔的含水轻组分层通过管道与所述油水沉降分离器连接。所述方法包含以下步骤,S1,加热有机固废热解油并输送至分离塔;S2,所述有机固废热解油在所述分离塔分为含水轻组分和重组分;S3,所述含水轻组分进入油水沉降分离器分离为水和轻组分油,所述重组分可以直接从分离塔的重组分层排出。本发明的有益效果在于:本发明可将有机固废热解油中的水、轻组分油与重组分油分离,便于分别对轻油和重油进行将加工处理。

标签:
固废
湖南 - 长沙 来源:北方有色网 2023-03-19
处理废铅酸蓄电池胶泥与富铁重金属固废的方法及设备

本发明公开了一种处理废铅酸蓄电池胶泥与富铁重金属固废的还原固硫方法及设备,该方法以富铁重金属固废作固硫剂,无烟碎煤作还原剂,先将废铅酸蓄电池胶泥等原料与固硫剂及熔剂充分混匀干燥及制粒,然后将混合料和还原剂(燃料)连续加入到氧气侧吹熔池熔炼炉中进行还原固硫熔炼,在无二氧化硫产生的情况下一步产出粗铅、铁锍和含硫炉渣,原料中的硫被固定在含硫炉渣和铁锍中,彻底消除了低浓度二氧化硫污染,并高效低成本的回收了固硫剂中的铁、金、银、锡、锑、铋等有价元素,实现了废铅酸蓄电池胶泥的连续清洁冶炼和富铁重金属固废的连续无害化处理,具有化害为利,变废为宝,流程简短,环境友好及成本低廉等优点。本发明对废铅酸蓄电池胶泥的连续清洁冶炼和重金属固废的治理及资源利用均具有重大意义。

标签:
固废
湖南 - 长沙 来源:北方有色网 2023-03-19
有机固废热解及原位改性装置

本实用新型公开了一种有机固废热解及原位改性装置,包括热解炉、螺杆进料器、水蒸气产生装置和保护气产生装置;所述热解炉包括炉体和炉管,所述炉体上设置有供热气体通入口和供热气体排出口,所述螺杆进料器包括导料筒和螺杆推送机构,所述导料筒的原料出口与炉管的进料端连通,炉管的出料端设置有排渣口;所述水蒸气产生装置通过水蒸气管道与炉管连通,炉管上设置有热解气排出口,所述保护气产生装置通过保护气管道与导料筒连通,在保护气管道与导料筒的连接处也设置有阀门。该结构的有机固废热解及原位改性装置,采用向炉管内通入水蒸气反应产生氢气作为改性剂的方式,不仅提高了热解产品的品质,而且大大降低了热解产品品质提升的成本。

标签:
固废
湖南 - 长沙 来源:北方有色网 2023-03-19
固废基高活性固碳低钙胶凝材料及其制备方法

本发明公开一种固废基高活性固碳低钙胶凝材料及其制备方法,该胶凝材料以69~85份钙质废渣、7~26份硅质废渣和5~10份铁矿石为原料,其主要矿物相占比为:γ‑C2S 30~55%、β‑C2S 30~50%、C3S20~10%和f‑CaO 5~10%,以5~20℃/min的升温速率在1100~1250℃内烧制而成,后经冷却、破碎、球磨,得到固废基高活性固碳低钙胶凝材料。本发明制备的低钙胶凝材料,具有活性高、易粉磨、早强高强等优异特性,同时大大降低了材料生产成本、煅烧能耗和粉磨电耗,实现了多种工业固废的再生利用,并解决了胶凝材料因早期碳化速率过快而导致后期强度发展过慢等问题,对碳化硬化胶凝材料的工业化生产具有重要意义。

标签:
固废
湖南 - 长沙 来源:北方有色网 2023-03-19
有色冶炼含砷固废短流程制备高纯金属砷的方法

本发明公开了一种有色冶炼含砷固废短流程制备高纯金属砷的方法。该方法是将有色冶炼含砷固废进行氧化碱浸,得到含砷碱性浸出液;在含砷碱性浸出液中依次加入由含羧基和/羟基的水溶性高分子有机质与镁化合物及铵化合物组成的混合镁铵试剂和具有周期性几何结构的疏水性高分子有机质,搅拌反应,得到有机质包裹的砷酸复盐晶体;将有机质包裹的砷酸复盐晶体进行焙烧后,再与碳粉混合进行还原焙烧,从烟气中冷凝回收金属砷。该方法不但能够实现有色冶炼含砷固废的安全化处置,还能资源化利用其中的砷组分制备高纯金属砷产品,且该方法简单快速、高效、低成本,满足工业化生产。

标签:
固废
湖南 - 长沙 来源:北方有色网 2023-03-19
含砷固废处理系统及处理方法

本发明涉及一种含砷固废处理系统及处理方法,包括旋转炉,所述旋转炉的炉尾连接有第一密封罩,旋转炉的炉头连接有第二密封罩;还包括第一进料机构,设置于第一密封罩内,其出料口伸入旋转炉内;和第二进料机构,可活动地设置于旋转炉的炉头侧,用于从旋转炉的炉头向旋转炉内加料。本发明的含砷固废处理系统两端均设有进料机构,可方便地解决物料粘壁堵塞问题;也可定期地分别从旋转炉两端进料,防止粘壁堵塞现象的发生,提升处理效果和效率。

标签:
固废
湖南 - 长沙 来源:北方有色网 2023-03-19
利用富SO2烟气与石膏固废协同贫化冶炼渣的方法

本发明提供了一种利用富SO2烟气与石膏固废协同贫化冶炼渣的方法,包括步骤:S1,将固态或液态的冶炼渣置于贫化炉中,然后将所述贫化炉的炉内温度升温至1150~1450℃;并在升温前或升温后向所述贫化炉中加入碳质还原剂和石膏固废;S2,在完成所述升温后,向贫化炉中鼓入富SO2烟气,以搅动熔融状态的所述冶炼渣;所述鼓入过程中,所述炉内温度为1150~1450℃;S3,在完成所述鼓入的操作后,将所述贫化炉的炉内温度保温1.5~4h,得金属锍相和贫化渣相;所述保温过程中,所述炉内温度为1150~1450℃。本方案利用了富SO2烟气和石膏固废协同贫化冶炼渣、回收有价金属,减少环境污染的同时创造经济效益,可实施性强,值得推广。

标签:
固废
湖南 - 长沙 来源:北方有色网 2023-03-19
利用固废物制取氢碳燃料的方法

本发明提供了一种利用固废物制取氢碳燃料的方法。所述方法包括固废物收集与储存、破袋与分选、粗破碎与粗筛分、风选与人工分选、脱水与剪切、脱氯、脱酸与除臭、除尘、炭化、供热与发电等步骤。该方法从根本上解决了固废物的能源利用问题,特别是生活垃圾和可燃的工业垃圾。

标签:
固废
湖南 - 长沙 来源:北方有色网 2023-03-19
铜基固废协同造锍熔炼强化富集贵金属的方法

一种铜基固废协同造锍熔炼强化富集贵金属的方法,首先将焦锑酸钠和淀粉混合制粒后再与铜基固废混合,控制混合物料中锑、铜和硫的含量在要求范围,其次加入熔剂后在高温下通入富氧空气氧化熔炼,焦锑酸钠中的Sb(Ⅴ)被淀粉还原为金属并与铜基固废中的贵金属作用后富集于铜锍中,熔炼渣送选矿处理。本发明的核心首先是利用焦锑酸钠高温挥发性小和易被淀粉还原的性质,在协同造锍熔炼过程使焦锑酸钠还原为金属锑并与贵金属结合为锑合金,其次利用铜锍对锑合金有一定的溶解度,使锑合金初步富集于铜锍,最终实现铜基固废协同造锍熔炼过程高效富集贵金属的目的。本发明具有原料适应性强、贵金属回收率高和工艺流程简单的优点。

标签:
固废
湖南 - 长沙 来源:北方有色网 2023-03-19
浆状有机固废热解装置
浆状有机固废热解装置 1079     
 0

本实用新型公开了一种浆状有机固废热解装置,包括低温加热单元和高温加热单元,低温加热单元尾端底部的出口与位于下方的高温加热单元首端的入口通过物料通道相互连接,设有螺旋、加热管、链板、烟气管等装置,浆状有机固废可实现先脱水、油蒸发、初级热解使浆状物料状态变为固态,再经过链板及加热管的高温加热发生高温热解,实现浆状物料的高效热解。本实用新型解决了由于具有一定的流动性,有些热解技术无法直接处理浆状有机固废,需要负责的前处理设备的问题;解决了浆状有机固废具有一定的黏结性,在热解装置内无法有效输送的问题;还解决了浆状有机固废热解过程中受热不均匀,热解效率低的问题。

标签:
固废
湖南 - 长沙 来源:北方有色网 2023-03-19
工业硫酸盐固废和废弃镍钴锰锂系电池协同资源化回收方法

本发明公开了一种工业硫酸盐固废和废弃镍钴锰锂系电池协同资源化回收方法,该方法是将废弃镍钴锰酸锂电池正极粉、工业硫酸盐固废与废弃镍钴锰酸锂电池负极粉混合后进行选择性硫化焙烧,硫化焙烧产物采用水浸回收锂,水浸渣采用酸浸出回收锰,酸浸渣通过浮选分离回收镍钴硫化物,或者将水浸渣通过浮选分离回收镍钴硫化物,浮选尾矿采用磁选回收氧化亚锰。该方法可以资源化利用工业硫酸盐固废,且能同时实现锂离子电池中镍、钴、锰、锂等元素高效回收,并获得用于制造新镍钴锰锂系电池原材料,该方法工艺技术简单,成本低、对环境污染小,有利于进行大规模工业生产。

标签:
固废
湖南 - 长沙 来源:北方有色网 2023-03-19
固废处理场中渗滤液入调节池前预处理系统

本实用新型公开了一种固废处理场中渗滤液入调节池前预处理系统,包括有沉淀井,沉淀井一侧靠近其顶部的位置开设有进液口,进液口连通至从固废处理场填埋库区中延伸出的渗滤液穿坝管,进液口的水平高度高于沉淀井中的液面;沉淀井的另一侧开设有出液口,出液口处安装有通向调节池的排污管,该排污管的管口高度低于沉淀井中的液面且高于调节池的最高水位控制线;沉淀井的底部开挖有条状的污泥槽,且沉淀井的底面设置成向污泥槽倾斜的斜面。本实用新型不仅投资少,占地小,而且运营成本低、效率高,适用性强,有利于更好地保证固废处理场系统的安全运作和运营维护。

标签:
固废
湖南 - 长沙 来源:北方有色网 2023-03-19
固废处理场渗滤液导排管与穿坝管连接结构

本实用新型公开了一种固废处理场渗滤液导排管与穿坝管连接结构,其是通过柔性连接方式使渗滤液导排管(2)的出液口与穿坝管(3)的进液口进行对接;穿坝管(3)的上方包覆有固废处理场边坡防渗膜层(5);穿坝管(3)的下方包覆有固废处理场库底防渗膜层(4);固废处理场边坡防渗膜层(5)和固废处理场库底防渗膜层(4)均热熔焊接在穿坝管(3)的外围,且前述热熔焊接所在区域还通过至少一道的不锈钢箍环(6)将固废处理场边坡防渗膜层(5)和固废处理场库底防渗膜层(4)紧箍在穿坝管(3)的外侧。本实用新型可更好地保证渗滤液导排管与穿坝管工作稳定性,便于后期进行检修维护。

标签:
固废
湖南 - 长沙 来源:北方有色网 2023-03-19
铜基固废协同还原熔炼强化富集贵金属的方法

一种铜基固废协同还原熔炼强化富集贵金属的方法,首先将焦锑酸钠和淀粉混合制粒后再与铜基固废混合,控制混合物料中锑和铜的含量在要求范围,其次混合料、熔剂和焦炭加入熔炼炉内,在高温下通入富氧空气还原熔炼,焦锑酸钠中的Sb(Ⅴ)被淀粉还原为金属并与铜基固废中的贵金属作用后富集于粗铜中,熔炼渣送选矿处理。本发明的核心首先是利用焦锑酸钠高温挥发性小和易被淀粉还原的性质,在协同还原熔炼过程使焦锑酸钠还原为金属锑并贵金属结合为锑合金,其次利用粗铜对锑合金有一定的溶解度,使锑合金初步富集于粗铜,最终实现铜基固废协同还原熔炼过程高效富集贵金属的目的。本发明具有原料适应性强、贵金属回收率高和工艺流程简单的优点。

标签:
固废
湖南 - 长沙 来源:北方有色网 2023-03-19
铜基固废协同熔炼富集提取贵金属的方法

一种铜基固废协同熔炼富集提取贵金属的方法,首先将焦锑酸钠和淀粉混合制粒后再与铜基固废混合,控制混合物料中锑、铜和硫的含量在要求范围;其次在高温下通入富氧空气氧化熔炼,焦锑酸钠中的Sb(Ⅴ)被淀粉还原为金属并与铜基固废中的贵金属作用后富集于铜锍中;最后向高温铜锍中加入焦锑酸钠粒料,焦锑酸钠被还原为金属锑后再与铜锍中的贵金属形成富金合金,富金合金沉降于贫金铜锍底层,富金合金用于提取贵金属,贫金铜锍进一步提取铜。本发明的核心首先是焦锑酸钠高温挥发性小和易被淀粉还原的性质,实现贵金属的分步富集;本发明具有原料适应性强、贵金属回收率高和工艺流程简单的优点。

标签:
固废
湖南 - 长沙 来源:北方有色网 2023-03-19
环氧树脂粉末固废中多溴联苯醚的降解及有价金属回收的方法

本发明公开了一种环氧树脂粉末固废中多溴联苯醚的降解及有价金属回收的方法。该方法是将环氧树脂粉末固废采用浓硫酸和双氧水溶液进行浸出,得到含铜浸出液和浸出渣;将含铜浸出液通过调节pH值沉淀铜,得到含铜沉淀物;含铜沉淀物经过洗涤、干燥和煅烧,得到氧化铜。该方法利用浓硫酸和双氧水溶液协同氧化浸出环氧树脂粉末固废,可以实现环氧树脂粉末固废中多溴联苯醚深度降解,同时将金属铜转变成易于沉淀回收的二价铜离子,且获得可以作为建筑材料的浸出渣,从而可以实现环氧树脂粉末固废的无害化和资源化利用,该方法过程简单、操作方便,具有快速、高效、低成本的特点,满足工业化生产。

标签:
固废
湖南 - 长沙 来源:北方有色网 2023-03-19
有色冶炼含砷固废无害化资源化处理的方法

本发明公开了一种有色冶炼含砷固废无害化及资源化处理的方法,该方法是将有色冶炼含砷固废经过氧化碱浸及镁铵试剂沉淀,得到鸟粪石型砷酸复盐矿物沉淀;将鸟粪石型砷酸复盐矿物沉淀与氧化镁混合焙烧得到焦砷酸镁焙烧渣,将焦砷酸镁焙烧渣与酸性硫酸铁溶液进行搅拌反应得到臭葱石沉淀。该方法在利用鸟粪石型砷酸复盐矿化沉淀实现砷碱分离的基础上,利用鸟粪石型砷酸复盐矿物与氧化镁混合焙烧形成结晶度高的焦砷酸镁,并利用焦砷酸镁在酸性硫酸铁溶液中缓慢溶解的特点,生成颗粒大、结晶度高、溶解度低的臭葱石晶体,该方法实现了含砷固废中砷组分的安全化处置,且该方法简单快速、高效、低成本,满足工业化生产。

标签:
固废
湖南 - 长沙 来源:北方有色网 2023-03-19
建筑固废再生集料除杂洁净成套设备

本发明公开了一种建筑固废再生集料除杂洁净成套设备,所述设备包括双轴叶片洗石机(1)和双层滚筒套筛(2),所述双轴叶片洗石机(1)架空倾斜布置,倾斜角度为15‑17°,出料端设有集料溜槽(3)与双层滚筒套筛(2)入口对接。还包括水洗循环净化装置(4)、鼓泡漂洗装置(5)和电控系统(6)。本发明能很好的解决建筑固废再生利用生产线中木屑、泡沫、发泡砼等杂质去除时效率低、成本高的问题,且能解决建筑固废破碎后再生骨料含泥量大、骨料表面不洁净的问题,使用本发明后整个生产线更为简单、经济、高效、环保。

标签:
固废
湖南 - 长沙 来源:北方有色网 2023-03-19
浆状有机固废热解装置及方法

本发明公开了一种浆状有机固废热解装置及方法,该装置包括外壳,在外壳的顶端设有进料口,在进料口的下方转动安装加热滚筒;在加热滚筒的两侧装有清焦器;在加热滚筒的下方水平设置上层链板和下层链板,上层链板的输出端与该下层链板的输入端相对应;在上层链板与下层链板之间装有一排水平布置的加热管;在外壳上设有出气口和热解炭出口,该热解炭出口位于该外壳的底部并与该下层链板的输出端相对应。采用上述装置对浆状有机固废进行热解。本发明的有益效果是:浆状有机固废可实现先脱水、油蒸发、初级热解使浆状物料状态变为固态,再经过链板及加热管的高温加热发生高温热解,实现浆状物料的高效热解,有效解决了常规热解装置面临的技术难点。

标签:
固废
湖南 - 长沙 来源:北方有色网 2023-03-19
含铜固废资源化利用的富集熔炼方法

一种含铜固废资源化利用的富集熔炼方法,含铜固废在石灰溶液中通入氧气氧化转化,转化渣与其他含铜固废配料混合,使混合物料的水分、铜含量和FeO∶SiO2∶CaO质量比分别保持在要求范围,同时加入淀粉后制备砖块,将混合料砖块与焦炭交替加入到熔炼炉中,通入富氧空气进行富集熔炼,熔炼产出的重相熔体控制冷却制度分离产出粗铜与冰铜,熔炼渣在烟化炉中造锍贫化和烟化分别回收铜和锡,熔炼渣再磨细后选矿进一步回收铜。本发明的核心首先是硫酸钙作为新型固硫剂,其次是采用淀粉同时作为粘结剂和还原剂,再次是通过控制熔炼渣中铜含量实现含铜固废的无害化与资源化利用,最后是采用造锍贫化和烟化过程实现熔炼渣中铜和锡的回收。

标签:
固废
湖南 - 长沙 来源:北方有色网 2023-03-19
保障铁品位的固废、烧结、球团协同处置工艺

本发明公开了一种保障铁品位的固废、烧结、球团协同处置工艺,根据固废预处理后得到的焚烧渣、热解渣、还原渣、滤渣,以及烧结原料、球团原料中各自的铁的含量,控制焚烧渣、热解渣、还原渣、滤渣、烧结原料、球团原料的添加量,从而控制混合后的混合料中的铁的质量含量满足实际工况对铁的质量含量的生产需求,进而实现多种固废的协同处理,最终实现多种固废的全流程处置,彻底消除固废对环境的影响和二次污染的风险。而保证了烧结和/或球团产品的品质。

标签:
固废
湖南 - 长沙 来源:北方有色网 2023-03-19
具有粉碎功能的固废原料混合装置

本实用新型涉及混合装置技术领域,具体为一种具有粉碎功能的固废原料混合装置,包括混合筒,混合筒的底部固定连接有底座,混合筒的顶部设有破碎箱,破碎箱的底部固定连接有入料箱。该具有粉碎功能的固废原料混合装置通过顶部设有的破碎箱经过破碎后通过入料箱送入混合筒中进行混合,解决了传统的固废原料混合装置缺少粉碎结构,使得物体进入混合筒时容易造成堵塞的问题,且通过丝杆带动破碎箱进行上升使得操作人员可分别通过入料箱以及混合筒的开口处分别入料,解决了普通固废原料混合装置难以入料,不能做到有效的区分的问题。

标签:
固废
湖南 - 长沙 来源:北方有色网 2023-03-19
利用冶金和市政固废制备烧结NOx抑制剂的方法

本发明公开了一种利用冶金和市政固废制备烧结NOx抑制剂的方法。烧结NOx抑制剂由冶金固废与市政固废原料通过造球、焙烧得到。在铁矿烧结过程中将烧结NOx抑制剂添加在燃料层表面,起抑制烧结过程NOx生成的作用,可减少NOx的排放,同时不影响铁矿烧结矿品位,该方法为冶金和市政固废的清洁资源化利用提供了新途径。

标签:
固废
湖南 - 长沙 来源:北方有色网 2023-03-19
固废物无害化处理装置
固废物无害化处理装置 1002     
 0

本实用新型公开了一种固废物无害化处理装置,它包括依次连通的固废物热解气化炉、燃气配氧预混与过滤室、燃气燃烧室、脱氯脱硫烘干装置、固废物预处理装置;所述固废物无害化处理装置还包括与燃气配氧预混过滤室连通的生物质热解气化炉,与脱氯脱硫烘干装置顶部连通的尾气处理装置。利用本实用新型方法和装置处理固废物时,其排放尾气中二噁英的含量经检测低于0.023ng/m3,其它CO、SO2、HC1、NOx等排放指标也大大优于国家于2014年7月1日颁布的排放标准(GB18485-2014),完全能达到环保要求。

标签:
固废
湖南 - 长沙 来源:北方有色网 2023-03-19
上一页 47 48 49 50 51 ... 53 下一页
共53页    到第

北方有色为您提供最新的湖南长沙有色金属固/危废处置技术理论与应用信息,涵盖发明专利、权利要求、说明书、技术领域、背景技术、实用新型内容及具体实施方式等有色技术内容。打造最具专业性的有色金属技术理论与应用平台!

全国热门有色金属设备推荐
展开更多 +
全国热门有色金属技术推荐
展开更多 +

 

江西省隆恩特环保设备有限公司
宣传

报名参会
更多+

报告下载

有色专家
更多+

中国科学院赣江创新研究院
院长
中国工程院
院士
中国矿业大学
教授
赣州有色冶金研究所有限公司
副主任/高级工程师
有研资源环境技术研究院(北京)有限公司
副总经理/教授级高工
赤泥综合利用研究报告2025
推广

热门技术
更多+

推荐企业
更多+

福建省金龙稀土股份有限公司
宣传

发布

在线客服

公众号

电话

顶部
咨询电话:
010-88793500-807