青岛垚鑫智能科技有限公司
宣传

位置:中冶有色 >

有色技术频道 >

> 固/危废处置技术

分类:
全部
矿山技术
冶金技术
材料制备及加工技术
环境保护技术
分析检测技术
 
全部
废水处理技术
大气治理技术
固/危废处置技术
土壤修复技术
地区:
全部
北京
天津
上海
重庆
河北
山西
辽宁
吉林
黑龙江
江苏
浙江
安徽
福建
江西
山东
河南
湖北
湖南
广东
海南
四川
贵州
云南
陕西
甘肃
青海
内蒙
广西
西藏
宁夏
新疆
其他
其他
展开
 
全部
长沙
株洲
湘潭
衡阳
邵阳
岳阳
常德
张家界
益阳
娄底
郴州
永州
怀化
湘西土家族苗族自治州

湖南长沙有色金属固/危废处置技术理论与应用

免费发布技术信息>>
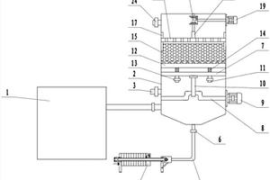
水平振荡器
水平振荡器 1166     
 0

本实用新型公开的一种水平振荡器,涉及分析检测实验设备技术领域,包括上箱体1、试剂瓶支撑装置、下箱体15、底板14和振荡装置;所述振荡装置包括电机7、偏心轮11、连杆9、连动座8、振荡板6和一组以上的摆杆组件;具有频率可控、振荡幅度大、使用方便等特点,适用于环保、固废处置等与固体废物的毒性鉴别、研究、处理、处置的相关行业,也适用于医药、化工、教学等行业的生产试验和科学研究。

标签:
固废
湖南 - 长沙 来源:中冶有色网 2023-03-19
矿物棉的配方及其生产方法

本发明涉及一种矿物棉的配方及矿物棉的生产方法,按干基重量份计,矿物棉配方包括垃圾飞灰40~50份、煤矸石35~45份、滑石8~15份、硬硼钙石4~6份,石英砂0~6份、铁粉0~1份;其中,所述矿物棉配方中,SiO2的含量>40wt%,B2O3的含量>1.5wt%,Fe2O3和FeO的总含量>3.5wt%。本发明利用垃圾飞灰和煤矸石生产矿物棉,实现了固体废弃物的资源化利用,固废利用率可达75%以上,且所得矿物棉中重金属稳定度高,可满足毒性浸出要求。

标签:
固废
湖南 - 长沙 来源:中冶有色网 2023-03-19
高镁铝灰渣熔制铝酸钙炼钢脱硫剂的方法

本发明公开了一种高镁铝灰渣熔制铝酸钙炼钢脱硫剂的方法,该方法是将高镁铝灰渣在碱性条件下进行湿式球磨,所得湿式球磨物料经过固液分离,所得固体产物与钢渣及消石灰进行干式球磨,所得干式球磨物料进行焙烧处理,即得铝酸钙产品。该方法以工业危险固废高镁铝灰渣为原料,获得可以用于钢铁冶炼脱硫的铝酸钙脱硫剂,不但实现了废物利用,而且获得较高的经济价值,且该方法操作简单、生产成本低,满足工业化生产要求。

标签:
固废
湖南 - 长沙 来源:中冶有色网 2023-03-19
利用充填料封存井下回风巷CO2的方法

本发明公开了一种利用充填料封存井下回风巷CO2的方法,通过将不同类型、比例的工/矿业固体废弃物作为充填骨料,添加适当的胶结剂,并以一定比例与水混合形成均质充填料浆后,泵送或自流至井下采空区,同时通过压缩机将上游含有CO2的污风引入充填区并使其保持较高CO2浓度的状态,在此过程中采用分层充填方法,使充填料浆与CO2反应实现高效、安全的矿化封存CO2。本发明的原理简单,普适性强,通过优化骨料、胶凝材料配比以及改善力学性能的辅料,制备各龄期强度满足充填要求同时具有高效吸收CO2性能的充填体,从而在综合处理工业固废和处理井下采空区的同时,为资源回收利用、减少矿山碳排放和绿色矿山发展提供新的思路。

标签:
固废
湖南 - 长沙 来源:中冶有色网 2023-03-19
铜渣和电镀污泥协同处理回收有价金属的方法

本发明公开了一种铜渣和电镀污泥协同处理回收有价金属的方法,包括以下步骤:(1)将铜渣、电镀污泥和还原剂混合进行还原熔炼,得到锡镍铜合金和铬铁渣;其中,所述铜渣和电镀污泥的质量比为5~7∶10~12;(2)将步骤(1)所得的锡镍铜合金进行电解,得到电解铜、锡阳极泥和电解液;(3)将步骤(2)所得的电解液浓缩结晶,得到硫酸镍和电解后液,所得的电解后液返回步骤(2)作为电解的电解液;所述铜渣为诺兰达熔池炼铜过程中产生的固体废弃物。本发明能在不加造渣剂的情况下将低品位多金属铜渣与电镀污泥中的有价金属进行高效资源化回收,同时对有毒物质进行无毒化处理,具有工艺路线简单、生产成本低、无高危固废产生等优点。

标签:
固废
湖南 - 长沙 来源:中冶有色网 2023-03-19
绿色粉煤灰蒸压砖配方及其制备方法

本发明提供一种绿色粉煤灰蒸压砖配方及其制备方法。所述绿色粉煤灰蒸压砖配方包括粉煤灰、电石泥、脱硫石膏、炉渣、石子煤,其中粉煤灰40%、电石泥20%、脱硫石膏8%、炉渣8%、石子煤22%。本发明提供的一种绿色粉煤灰蒸压砖配方使用工业固废,通过优化现有配方,实现工业固体废弃物就地转化绿色环保材料。

标签:
固废
湖南 - 长沙 来源:中冶有色网 2023-03-19
多元低碳少熟料复合水泥及其制备方法

本发明公开了一种多元低碳少熟料复合水泥及其制备方法。该复合水泥按重量百分比记包含如下成分:硅酸盐水泥熟料:25%‑50%,活化高岭土质材料:15%‑30%,矿渣:0‑50%,石灰石:2‑15%,石膏:0‑5%。所述活化高岭土质材料为天然黏土或工业固废煤矸石(高岭土含量≥30%),通过破碎、粉磨及低温煅烧600‑800℃激发活性,再通过配料、均化及粉磨制备复合水泥。基于高岭土‑石灰石‑矿渣协同水化作用,本发明提出的多元低碳少熟料复合水泥熟料用量可低至25%,同时具有强度发展快、后期性能好及微结构密实的优点,能解决现有普通硅酸盐水泥高碳排放及少熟料水泥性能差的技术缺陷,同时能有效消纳固体废弃物、降低水泥成本,有利于水泥行业的低碳可持续发展。

标签:
固废
湖南 - 长沙 来源:中冶有色网 2023-03-19
磺胺嘧啶的绿色合成方法

本发明公开了一种磺胺嘧啶的绿色合成方法,它包括以下步骤:(a)向有机醇溶剂与磺胺脒的混合物中加入3‑烷氧基丙烯醛,混合后升温回流以进行成环反应;(b)待所述成环反应结束后,将混合物料降温以进行固液分离,所得固体为磺胺嘧啶粗品,所得液体循环套用;(c)向液碱中加入所述磺胺嘧啶粗品,升温进行成盐反应,随后进行搅拌脱色,过滤以取滤液;(d)向所述滤液中滴加盐酸溶液,进行酸化结晶,分离晶体经烘干即可。不产生含磷有机废液,固废产生量少。

标签:
固废
湖南 - 长沙 来源:中冶有色网 2023-03-19
从硫铁矿尾矿中综合回收铝、硅、钛的方法

本发明公开了一种从硫铁矿尾矿中综合回收铝、硅、钛的方法。硫铁矿浮选尾矿经氧化煅烧,采用氢氧化钠溶液搅拌溶出尾矿焙砂中的二氧化硅,固液分离后的固体产物为氧化铝精矿,液体产物为含硅碱溶液;以氧化铝精矿为原料、采用拜耳法工艺提取氧化铝,拜耳法白泥除杂后制取富钛料;含硅碱溶液中加入活性生石灰,控制硅酸钠与氧化钙的合成反应使其转化水合硅酸钙晶须,同时使氢氧化钠溶液再生;再生后的苛性碱溶液返回浸出新的尾矿焙砂。本发明可实现硫铁矿资源中铝、硅、钛的梯级分离富集与增值加工利用,解决了尾矿固废堆存占用土地、污染环境,以及产生潜在公共安全危害隐患的问题,具有极大的经济、社会和环境效益,为实现矿山“无废”开采提供了新方法。

标签:
固废
湖南 - 长沙 来源:中冶有色网 2023-03-19
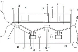
垃圾热解回收系统
垃圾热解回收系统 947     
 0

本实用新型公开了一种垃圾热解回收系统,包括气氛保护系统、垃圾热解系统、热解气收集处理系统、集油罐、热解固废收集系统;垃圾热解系统包括热解炉体、样品台;所述样品台置于热解炉体内的中央位置,样品台下部与所述热解固废收集系统相连通;所述样品台中间设有通道;所述热解炉体的底部以样品台为中心、以热解炉侧壁底部周边为边缘,形成周向凹槽,在所述凹槽最低处设有2个以上的所述集油罐;所述热解炉体侧壁有第一开口与所述气氛保护系统相连通;有第二开口与所述解热气收集处理系统相连通。本实用新型可避免多余气体产物外泄导致环境污染,有利于减少固体、液体产物的收集损失,结构简单紧凑,适合广泛推广。

标签:
固废
湖南 - 长沙 来源:中冶有色网 2023-03-19
从钨冶金磷砷渣中提取和稳定砷的方法

本发明公开了一种从钨冶金磷砷渣中提取和稳定砷的方法,包括以下步骤:(1)将钨冶金磷砷渣与钙化合物混合反应,得磷砷渣钙化合物混合渣;(2)将步骤(1)所得的磷砷渣钙化合物混合渣置于碱性水溶液中进行选择性浸出砷,然后固液分离得到脱砷渣和砷浸出液;(3)向步骤(2)所得的砷浸出液中加入石灰和铁盐对砷进行沉淀,然后固液分离得到砷稳定渣和脱砷水。该方法所得砷稳定渣的稳定性好、工艺简单、成本低,能实现砷的选择性分离,大幅度减少砷在固体渣中的含量,减少危险固废总量,降低危险固废处理成本和潜在的环境危害。

标签:
固废
湖南 - 长沙 来源:中冶有色网 2023-03-19
发泡混凝土砌块及其制备方法和应用

本发明公开了一种发泡混凝土砌块及其制备方法和应用,包括干基材料和水,干基材料包括以下质量百分比的组分:水泥25~35%,陶粒25~35%,熟料30~45%,脱硫石膏4.5~10%,发泡剂0.1~0.3%,所述陶粒和所述熟料均包含锂离子电池回收产生的固体废料组分。本发明中的发泡混凝土砌块所用原料固体废料占比超过75%,其中,锂离子电池回收工业固废利用率达100%,原料成本低,充分利用来源丰富的固体废料,解决了锂离子电池的环境污染问题,环保经济,实现固体废料的二次利用。

标签:
固废
湖南 - 长沙 来源:中冶有色网 2023-03-19
油气净化装置
油气净化装置 1172     
 0

本实用新型公开了一种油气净化装置,涉及有机固废热解技术领域。所述油气净化装置包含:洗涤塔,所述洗涤塔用于洗涤有机固废热解产生的油气,并将净化后的油气排出;沉降罐,所述沉降罐通过第一管路与所述洗涤塔连通,所述沉降罐用于沉降所述洗涤塔内洗涤所述油气产生的液体;储罐,所述储罐通过第二管路与所述沉降罐连通,所述储罐用于存储经所述沉降罐沉降净化后的液体;泵,所述泵的输出端与所述洗涤塔连接,用于为所述洗涤塔提供所需洗涤液体。本实用新型的有益效果是:有机固废热解产生的油气进入洗涤塔,可以去除热解油气中夹杂的固体颗粒,以及焦油和半焦等高沸点等大分子物质,经洗涤塔排出后的油气纯度提高,有利于后续冷凝过程的处理。

标签:
固废
湖南 - 长沙 来源:中冶有色网 2023-03-19
快速低温处理黑泥的方法和应用

本发明属于固废资源化和无害化处理技术,具体涉及一种快速低温处理黑泥的方法和应用。本发明以黑泥粉末和/颗粒为处理对象,加入处理对象质量4‑8%的粉状催化剂;混合均匀后,在含氧气氛中,加热至380℃以上保温至少1小时;得到环保型脱氮粉末;所述粉状催化剂中含有KClO3和含氟盐。此粉末可以排放,无污染,可以做铺路料、水泥添加料等;尤其是以此脱氮粉末为主要原料可配制一种环保型固体材料,如制备适用于作路用或墙体装饰材料的免烧砖。本发明以工业生产过程中产生的固体废料为主要原料,实现其无害化和资源化利用,减少对环境的有害影响,具有良好的环保效益、经济效益和社会效益。

标签:
固废
湖南 - 长沙 来源:中冶有色网 2023-03-19
城市污水初级过滤系统
城市污水初级过滤系统 1129     
 0

本实用新型涉及一种城市污水初级过滤系统,其包括排水竖井和市政排水管道,所述市政排水管道设于所述排水竖井的底部且连通所述排水竖井;所述排水竖井的一侧还设有固废物排污井,所述固废物排污井的一侧设有连通所述排水竖井底部的倾斜的通道;所述排水竖井的底部设有固液分离装置,所述固液分离装置的进料口设于所述排水竖井,固体出料口设于所述固废物排污井。本实用新型通过在排水竖井的一侧设置固废物排污井,并在排水竖井的底部设置一固液分离装置,对进入市政排水管道内的污水进行初次处理,将水体内的固废物排除,防止市政排水管道的堵塞,排除的固废物进入固废物排污井内进行集中处理,相对于对市政排水管道进行清污处理,处理成本低。

标签:
固废
湖南 - 长沙 来源:中冶有色网 2023-03-19
轻质环保陶粒及其制备方法和应用

本发明属于固体废弃物协同综合利用领域,公开了一种轻质环保陶粒,包括以下原料:废锂离子电池湿法回收过程中产生的工业固废、建筑弃土和陶瓷行业固废;所述废锂离子电池湿法回收过程中产生的工业固废选自铁铝矾渣、碳酸钙渣、废石墨粉和氢氧化铝渣;所述轻质环保陶粒由以下质量百分比的原料制备而成:铁铝矾渣20~40%,碳酸钙渣1~5%,石墨粉1~5%,氢氧化铝渣1~10%,陶瓷行业固废1~2%,余量为建筑弃土。本发明的原料为100%全量固废,以废锂离子电池湿法回收过程中产生的工业固废、建筑弃土和陶瓷行业固废为原料,采用高温烧胀工艺制备陶粒,具有工艺简单、投资小、成本低、无二次污染、操作方便和生产效率高的优点。

标签:
固废
湖南 - 长沙 来源:中冶有色网 2023-03-19
废WC生产APT过程中副产物的综合利用工艺

本发明涉及一种对WC生产APT过程中所有副产物进行综合利用的方法,包括利用煅烧过程中生成的高温二氧化碳与蒸发结晶的含氨蒸汽反应生成碳酸氢铵,替代需要补加的固体部分,降低成本,同时减少了温室效应;将苛化渣(主要成分为碳酸钙)进行煅烧,获得对萃余液(主要成分为碳酸氢钠)进行苛化所需的氧化钙;并且整个过程仅需一次0.1‑0.14Mpa的低增压,其它均在常压下进行,对设备要求不高。

标签:
固废
湖南 - 长沙 来源:中冶有色网 2023-03-19
EPN畜禽养殖废水处理的离心挤压式固液分离机

本实用新型涉及一种用于EPN畜禽养殖废水处理的离心挤压式固液分离机,包括机架、壳体、泵、滚筒、螺旋机,壳体上设有离心驱动机构,通过带动设置在滚筒上的离心传动机构驱动滚筒转动;滚筒内衬有内层滤网,泵一端通过软水管路与滚筒内连通。本实用新型在有限的空间内最大限度的提升了过滤网的面积,并通过设计使其在保证过滤效率、处理效果的情况下尽可能的降低能耗;充分利用离心力的作用,结合离心分离机与螺杆挤压分离机的优点,使处理效率较传统固液分离大为提升,同时最大程度降低固体物质的含水量,处理效率较传统固液分离大为提升,同时旋转带动的水在高位由引力导致的反渗(也可强制反冲),可清洗滤网,使其不会堵塞,无需人工清理。

标签:
固废
湖南 - 长沙 来源:中冶有色网 2023-03-19
含重金属酸性废水电化学处理装置

本实用新型公开了一种含重金属酸性废水电化学处理装置,包括壳体、稳压直流电源与电极模块,所述壳体具有进水口、出水口和容纳腔,所述电极模块设置于容纳腔内,所述进水口靠近该电极模块的下端,所述出水口靠近该电极模块的上端,所述进水口设置于第一侧板上,所述出水口设置于顶板上,所述容纳腔内的极板固定在第二侧板上,所述稳压直流电源与腔内极板连接。本实用新型有利于污水在后续工艺中的处理,且使用电能代替昂贵的化学试剂,能够同时祛除水中的重金属、悬浮固体、乳化有机物和其它多种污染物。

标签:
固废
湖南 - 长沙 来源:中冶有色网 2023-03-19
废旧NCM三元电池正负极综合回收方法

本发明公开了一种废旧NCM三元电池正负极综合回收方法,包括以下步骤:步骤(1):将电池破碎除去隔膜和电池壳后,在(70‑130)K下进行两段球磨,然后筛分;步骤(2):将步骤(1)得到的混合物进行超声辅助碱溶并洗涤过滤;步骤(3):将步骤(2)得到的固体混合物与水、抑制剂、起泡剂和捕获剂混合调浆,浮选分离正极材料和碳质材料。本发明实现了NCM三元电池的综合回收,通过本方法回收的材料的结构和组成没有发生改变,且回收率和纯度高。

标签:
固废
湖南 - 长沙 来源:中冶有色网 2023-03-19
基于转轮的RTO废气处理装置

本实用新型提供一种基于转轮的RTO废气处理装置,包括燃烧炉,所述燃烧炉一侧上方可拆卸连接进气管,所述燃烧炉内对称设有两个陶瓷蓄热体,所述陶瓷蓄热体内部一侧设有多个燃烧器;所述燃烧炉下方设有第一连接管,所述第一连接管下端可拆卸连接第二连接管,所述第二连接管可拆卸连接集料箱,所述集料箱内设有过滤组件,且所述第二连接管一侧可拆卸连接第三连接管,所述第三连接管一端可拆卸连接于残余气体化学反应器内,且所述燃烧炉下方可拆卸连接支撑架。本实用新型通过集料箱和残余气体化学反应器将燃烧后的气体、液体和固体进行收集,并且将残余气体进行在反应。

标签:
固废
湖南 - 长沙 来源:中冶有色网 2023-03-19
从制备氟化镁产生的废液中回收氯化铵的方法

一种从制备氟化镁产生的废液中回收氯化铵的方法,在饱和氯化铵体系中制备氟化镁所得的上清液中加入氟化铵固体,搅拌加热后降温,再加入氯化铵晶种,至室温下过滤洗涤,所得沉淀烘干后,得到氯化铵晶体产品。本发明不仅解决了在饱和氯化铵体系中制备氟化镁时需要的饱和氯化铵能够循环利用,不致造成水体污染和资源浪费,还可以得到副产品氯化铵晶体,实现了工业生产制备氟化镁饱和氯化铵体系持续利用,氯化铵回收率≥94%,不仅降低成本,还具有良好的环境效益。

标签:
固废
湖南 - 长沙 来源:中冶有色网 2023-03-19
高浓度畜禽养殖废水及粪渣协同处理系统及处理方法

本发明公开了一种高浓度畜禽养殖废水及粪渣协同处理系统,包括固液分离机、堆肥发酵与氨氮吹脱联合装置、生化反应器和强化混凝沉淀池及曝气生物滤池,堆肥发酵与氨氮吹脱联合装置包括壳体和设置于壳体内的氨氮吹脱塔,氨氮吹脱塔与壳体内之间形成好氧堆肥区,固液分离机的液体排出口与氨氮吹脱塔的进水口连通,固液分离机的固体排出口与好氧堆肥区的进料口连通,氨氮吹脱塔的出水口顺次连接至生化反应器和强化混凝沉淀池及曝气生物滤池。本发明还公开了一种采用上述装置的处理方法。本发明具有结构合理、工艺环节简单、运行稳定、不产生二次污染副产物等优点;同时处理过程中的污泥经过堆肥发酵可以做成有机肥用于农作物的生态肥料。

标签:
固废
湖南 - 长沙 来源:中冶有色网 2023-03-19
应用于阿维菌素生产废水处理工艺的蒸发设备

本实用新型公开了一种应用于阿维菌素生产废水处理工艺的蒸发设备,包括蒸发器主体和过滤装置,过滤装置包括过滤容器和阻挡件,阻挡件包括支架、上配合组件和下配合组件,上配合组件包括固定环、中心扣罩和上扣环,中心扣罩的开口向下,上扣环的下表面上设有第一环形凹槽,上扣环环绕中心扣罩设置,固定环固定于过滤室中,中心扣罩和上扣环之间以及上扣环和固定环之间形成过液通道,下配合组件包括对应于过液通道的数量设置的下扣环,下扣环的上表面设有第二环形凹槽,过液通道插入第二环形凹槽中,下扣环和上扣环之间具有连通过液通道的间隙。与现有技术相比,本实用新型具有过滤功能,从而避免较大体积的固体物质进入蒸发设备中。

标签:
固废
湖南 - 长沙 来源:中冶有色网 2023-03-19
处理废旧钕铁硼料溶出稀土的方法

本发明公开了一种处理废旧钕铁硼料溶出稀土的方法,将物料破碎成粉料,用电解质溶液润湿、分散,调浆;然后加入氧化剂控制电位+400~+800mV,加入无机酸控制pH2.5~4.5;在温度50~90℃条件下浸出30~80min;浸出完成后,进行固液分离和滤渣洗涤;对分离固体浸出渣后的浸出液净化、富集、分离稀土,滤渣经洗涤后作为生产铁产品的原料。本发明采用弱酸性氧化浸出,提高了稀土提取率,并方便后续采用多种方法提取稀土;而且降低酸、碱及其他化学品用量;不采用高温氧化法、降低能耗。

标签:
固废
湖南 - 长沙 来源:中冶有色网 2023-03-19
利用吸附法处理废水的装置及处理方法

本发明公开了一种利用吸附法处理废水的装置及处理方法,包括污水处理池、吸附仓、污泥压滤机、吸附树脂和排水口,所述污水处理池通过管路与吸附仓连通,吸附仓的内部设有活动板,活动板与吸附仓的内壁滑动连接,活动板的下方设有曲轴,吸附仓的右侧外壁安装有第一电机,曲轴的轴颈处套设有连杆,连杆与活动板铰接,活动板的表面开设有若干进水管,进水管上安装有单向阀,活动板的上方设有分流盘,分流盘的上方设有吸附树脂,本发明可以对污水进行系统化处理,利用污水处理池除去污水中的固体污染物,利用吸附树脂除去污水中的重金属离子,同时将污水中沉淀的淤泥加工成泥饼,整个污水处理过程自动化进行,处理效率高。

标签:
固废
湖南 - 长沙 来源:中冶有色网 2023-03-19
微波制备废水重金属吸附材料的方法

一种微波制备废水重金属吸附材料的方法,将偏铝酸钾和氢氧化钾混合溶解于水中,然后加入四丙基氢氧化铵,并搅拌一段时间,加入硅源,然后得到初级混合液,将初级混合溶液进行陈化;将陈化完的混合液送入微波反应器,反应一段时间,然后冷却,得到合成液;向合成液中加入硅烷偶联剂,然后搅拌一段时间,得到次级混合液;将次级混合液加热一段时间,然后过滤、洗涤、烘干,得到初级固体;将初级固体加入含有硝酸钾的溶液中,并将该溶液在水浴加热的条件下进行搅拌;将搅拌后的溶液进行过滤、冷却、干燥、研磨,得到沸石吸附材料。本发明制备工艺简单,反应条件容易达到,绿色环保,能耗小,沸石吸附材料纯度高,吸附效果好。

标签:
固废
湖南 - 长沙 来源:中冶有色网 2023-03-19
锂电池拆解用废水处理加药装置

本实用新型公开了一种锂电池拆解用废水处理加药装置,属于加药装置技术领域,其中,包括安装箱,所述安装箱内壁底部固定连接有第一伺服电机,所述安装箱内穿设有第一轴承,所述第一伺服电机的输出轴穿过第一轴承固定连接有支撑板,所述支撑板顶部固定连接有固定柱,所述固定柱两侧分别固定连接有固体药箱和液体药箱,所述液体药箱顶部固定连接有防护壳,所述防护壳内壁固定连接有第二伺服电机,其有益效果是,通过设置第一伺服电机,第一伺服电机工作,第一伺服电机的输出轴能够带动支撑板进行转动,从而能够带动固定柱进行转动,进而能够带动固体药箱和液体药箱进行转动,因此可以方便工作人员根据使用需求对固体药箱和液体药箱进行使用。

标签:
固废
湖南 - 长沙 来源:中冶有色网 2023-03-19
利用无机原料制备废水重金属吸附材料的方法

一种利用无机原料制备废水重金属吸附材料的方法,将偏铝酸钾和氢氧化钾混合溶解,加入四乙基氢氧化胺和白炭黑,得到初级混合液;放入反应釜中,再放入烘箱,反应后取出,过滤、洗涤、烘干,得到初级固体,进行焙烧,得到初级晶种;将偏铝酸钾和氢氧化钾混合溶解,加入白炭黑,得到初级凝胶,加入硫酸铁,得到次级凝胶,再加入初级晶种,得到混合凝胶;将混合凝胶放入反应釜中,在烘箱内进行晶化反应,过滤、洗涤、烘干,得到次级固体;将次级固体加入含有氢氧化钠的溶液中,进行水浴加热;将溶液进行过滤、冷却、干燥、研磨,然后得到沸石吸附材料。本发明制备工艺简单,反应条件容易达到,绿色环保,能耗小,沸石吸附材料纯度高,吸附效果好。

标签:
固废
湖南 - 长沙 来源:中冶有色网 2023-03-19
分散式农村废水处理装置

本实用新型公开了一种分散式农村废水处理装置,包括本体,所述本体的顶部固定连接有两个放置座,两个所述放置座的顶部均设有放置槽,两个所述放置槽共同放置有氧气瓶,所述本体的外表面一侧顶部开设有进水口,所述本体的内顶部设有布水器,且布水器与进水口固定连接。本实用新型中,通过布水器、滤床、曝气管、氧气瓶、微孔曝气器、填料等组成。填料主要由腐殖质土壤、矿化垃圾、一般固体废弃物等组成,其主要特征为有机质含量在7%‑12%,具有良好的透水性,长时间堆放不板结等特点,填料中的土著微生物具有较强的分解能力,且耐受性强,可长期存活于填料中。当有污水与填料接触时,该土著微生物会对污水中的各类污染物质进行分解。

标签:
固废
湖南 - 长沙 来源:中冶有色网 2023-03-19
上一页 36 37 38 39 40 ... 53 下一页
共53页    到第

中冶有色为您提供最新的湖南长沙有色金属固/危废处置技术理论与应用信息,涵盖发明专利、权利要求、说明书、技术领域、背景技术、实用新型内容及具体实施方式等有色技术内容。打造最具专业性的有色金属技术理论与应用平台!

全国热门有色金属设备推荐
展开更多 +
全国热门有色金属技术推荐
展开更多 +

 

江西省隆恩特环保设备有限公司
宣传

报名参会
更多+

报告下载

有色专家
更多+

郑州大学
校长/党委书记
江西理工大学
副处长/教授
石家庄铁道大学
团委书记/副教授
江西省科学院应用化学研究所
副主任/副研究员
中国有色金属工业协会
副会长兼秘书长
赤泥综合利用研究报告2025
推广

热门技术
更多+

推荐企业
更多+

福建省金龙稀土股份有限公司
宣传

发布

在线客服

公众号

电话

顶部
咨询电话:
010-88793500-807