青岛垚鑫智能科技有限公司
宣传

位置:中冶有色 >

有色技术频道 >

> 固/危废处置技术

分类:
全部
矿山技术
冶金技术
材料制备及加工技术
环境保护技术
分析检测技术
 
全部
废水处理技术
大气治理技术
固/危废处置技术
土壤修复技术
地区:
全部
北京
天津
上海
重庆
河北
山西
辽宁
吉林
黑龙江
江苏
浙江
安徽
福建
江西
山东
河南
湖北
湖南
广东
海南
四川
贵州
云南
陕西
甘肃
青海
内蒙
广西
西藏
宁夏
新疆
其他
其他
展开
 
全部
北京

北京有色金属固/危废处置技术理论与应用

免费发布技术信息>>
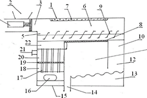
固体有机废物好氧发酵装置

一种固体有机废物好氧发酵装置,包括:利用皮带进行物料分层和皮带的运动来实现物料的传递,所述物料分层,则根据固体有机物料发酵时间作为分层的依据,利用皮带承受物料和分层,所述物料传递,则通过动力滚筒和改向滚筒的运动控制皮带的均匀移动,确保各层物料的相互传递。这种装置可以对有机质成分含量高(40-80%以上)的固体废物进行好氧发酵处理后变成有机肥。

标签:
固废
北京 - 北京 来源:中冶有色网 2023-03-19
热等离子体炬固体废物焚烧发电系统

本实用新型提供了一种热等离子体炬固体废物焚烧发电系统,包括:包括:依次连接的热等离子体炬焚烧炉、烟气焚烧室、折板除尘器、烟气余热利用单元和烟气后处理单元;所述热等离子体炬焚烧炉由多个炉体级联构成,相邻炉体内部连通;所述炉体内设置有多个热等离子体炬,所述炉体底部设置有搅拌组件;所述烟气焚烧室内设置有多个烟道热等离子体炬以焚烧清除烟气中存在的焦油及有机物;焚烧炉热等离子体炬和所述烟道热等离子体炬均为高频高压交流热等离子体炬。本实用新型的热等离子体炬固体废物焚烧发电应用系统,不仅实现对固体废物进行焚烧处理,无需添加辅助性化石燃料,节约成本,运行稳定,实现环保达标排放,而且可以实现余热资源的发电利用。

标签:
固废
北京 - 北京 来源:中冶有色网 2023-03-19
有机固体废弃物处理装置

本实用新型属于废弃物处理技术领域,提供了一种有机固体废弃物处理装置,包括加热室、热解室、过热蒸汽供给管、燃烧室、排气管、排放装置、热解气体燃烧机和辅助燃料燃烧机。本实用新型能够实现有机固体废弃物的无害化和资源化处理,也可以用于从废弃物中回收原尺寸的高价值资源。整个装置结构简单、易维护,且处理成本低。

标签:
固废
北京 - 北京 来源:中冶有色网 2023-03-19
密闭环境系统中的固体废物高温氧化装置及方法

本发明涉及一种密闭环境系统中的固体废物高温氧化装置及处理方法,该装置包括系统参数采集控制装置、焚烧装置、尾气除尘除水装置、尾气催化净化装置及尾气成分检测装置,焚烧装置包括焚烧炉,焚烧炉通过气体流量控制器与空压机连接,通过进料管与给料机连接,尾气除尘除水装置与焚烧炉尾气出口相连,尾气催化净化装置包括催化反应床及精细过滤器。物料进入焚烧装置完成燃烧后,依次进入尾气除尘除水装置、尾气催化氧化装置,最终直接排放到密闭空间内。本发明能够对密闭环境系统中的植物秸秆、植物根系等生物质固体废物的进行减量化、资源化回收处理,实现了密闭环境系统中物质的循环利用,尤其是实现了碳元素的回收利用。

标签:
固废
北京 - 北京 来源:中冶有色网 2023-03-19
用于固体废弃物的两级差速单螺旋裂解设备

本发明公开一种用于固体废弃物的两级差速单螺旋裂解设备,包括差速单螺旋裂解装置、产物回收装置、进料口密封装置、出渣口密封装置、轴封微正压推送装置。本发明通过进料口密封装置使物料在电机运行时进入机筒,电机停止物料堆积提供密封。出渣口密封装置在于锥螺旋、锥形机筒,物料挤出慢、堆积快为机筒提供密封。产物回收装置排空机筒内空气,使物料处于抽真空状态下裂解。轴封微正压推送装置在于为抽真空状态下的机筒内物料提供推送力。差速单螺旋裂解装置作用在于使大粒径物料在外螺旋中均匀混合和充分预热,小粒径物料在内螺旋中快速裂解。本发明实现连续高效裂解固体废弃物,提高效率,通过调控两级螺旋的转速实现调控产物、降低能耗。

标签:
固废
北京 - 北京 来源:中冶有色网 2023-03-19
钢铁厂含铁含锌固体废料直接熔炼工艺装置

一种钢铁厂含铁含锌固体废料直接熔炼工艺装置,属于钢铁厂含铁含锌固体废料资源化处理技术领域。直接熔炼炉、水冷烟道、重力除尘器、高温旋风、余热锅炉、布袋除尘器、减压阀组、煤气管网、铁水处理系统、水冲渣系统、热风炉、含铁粉料和白云石仓、含铁粉料混匀制粒装置、含铁粉料预热装置、粒煤制备系统、原煤仓、石灰仓、热粉料喷吹系统、粒煤喷吹系统、石灰喷吹系统。优点在于,克服了流程复杂,投资高等缺陷;实现了完全不使用焦炭、原料无需造块、清洁环保、工艺简洁、可生产液态铁水和综合回收锌、铅等有价元素。

标签:
固废
北京 - 北京 来源:中冶有色网 2023-03-19
固体废弃物填埋场渗漏检测的导电HDPE膜结构

固体废弃物填埋场渗漏检测的导电HDPE膜结构。采用复合人工合成衬层、单层地下水导排与渗滤液导排系统,从下到上依次为地下水导排系统(1)、压实地基层(2)、GCL膨润土垫(3)、导电HDPE膜(4)、600g/m2无纺土工布(5)、渗滤液导排系统(6)、复合土工排水网(7)、固体废弃物(8)。所述的结构能够有效、及时发现HDPE膜防渗层渗漏点位置。

标签:
固废
北京 - 北京 来源:中冶有色网 2023-03-19
固体废物热解式熔融气化处理装置

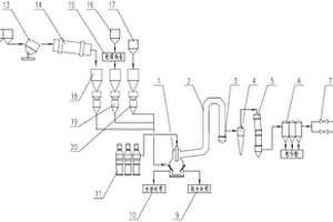
本实用新型公开一种固体废物热解式熔融气化处理装置,包括:密封上料机构,热解式熔融焚烧炉,废气转化装置,燃气净化塔和燃气储存罐,其中,热解式熔融焚烧炉包括垃圾干燥仓,热解仓和熔融焚烧室,垃圾干燥仓一端与密封上料机构相连,垃圾干燥仓内部设有物料螺旋输送机,垃圾干燥仓另一端与热解仓连接,热解仓底部设有网状隔料板,热解仓的物料出口与熔融焚烧室的物料进口连接,熔融焚烧室内部设有往复炉排,往复炉排末端设有出渣口,废气转化装置与热解仓的气体收集管连接,燃气净化塔连接在废气转化装置和燃气储存罐之间。

标签:
固废
北京 - 北京 来源:中冶有色网 2023-03-19
用于流动性固体废弃物处理的节能储泥池

用于流动性固体废弃物处理的节能储泥池,属于环保技术领域,涉及处理流动性固体废弃物的储泥池。包括池体、搅拌器、进出泥管及盖板;其中,池体由内储池和外储池组成,外储池包围内储池成同心圆形,内储池和外储池之间由溢流孔洞或预埋管相互连通;内储池设有内池出泥管和内池进泥管,外储池设有外池出泥管和外池进泥管;内储池和外储池中安置搅拌器,其上设有盖板。本实用新型中的储泥池建造成同心圆形,当采用厌氧消化工艺处理污泥时,内侧储池作为前储泥池,可利用后储泥池的消化后污泥为前储池中的进泥进行加热、保温,解决了冬季及含油有机废弃物需加热处理的问题;且两池体之间利用溢流孔洞或预埋管易于连通,降低了故障率;池体成圆形,减少了占地面积。

标签:
固废
北京 - 北京 来源:中冶有色网 2023-03-19
建筑垃圾固体废弃物再生骨料分选机上的振动筛选装置

本实用新型公开了一种建筑垃圾固体废弃物再生骨料分选机上的振动筛选装置,其包括有振动筛,还包括有上支架、下支架、固定安装在振动筛一侧面上的双向振动电机以及减震安装组件,其中振动筛其上端与所述上支架固定相连,振动筛其底端通过呈四周布置的多个减震安装组件安装在下支架上,振动筛在所述双向振动电机的驱动下,其相对于下支架进行振动动作;本方案所提供的建筑垃圾固体废弃物再生骨料分选机上的振动筛选装置其通过在振动筛的一侧设置有双向振动电机,同时振动筛其通过四周设置有的减震安装组件安装在下支架上,工作时,振动筛通过双向振动电机的带动,进而是得其可以相对于下支架进行振动,从而实现对其上的物料筛选工作。

标签:
固废
北京 - 北京 来源:中冶有色网 2023-03-19
处理固体废弃物的产氢产甲烷反应器

本发明属于固体废弃物厌氧处理技术领域,特别涉及一种处理固体废弃物的产氢产甲烷反应器。该反应器包括罐体(15)、产氢反应区(2)、分离装置(5)、产甲烷反应区(6)以及三相分离器(8)。该反应器具有相互独立的反应区,使反应器内部产氢和产甲烷反应区之间形成水力停留时间差。产氢结束后的固体混合物中的污泥被分离后,与一体化反应器的出水混合,经过曝气或热处理后,在产氢反应区(2)上部均匀喷淋,从而保证产氢反应区(2)内的微生物浓度,并能够促进产氢发酵的传质。产甲烷反应区(6)接种的污泥与三相分离器(8)形成颗粒污泥床,从而高效转化产氢过程中形成的液相产物。

标签:
固废
北京 - 北京 来源:中冶有色网 2023-03-19
利用固体废弃物制备类沸石型多孔材料的方法、类沸石型多孔材料及其应用

本发明的主要目的在于提供一种利用固体废弃物制备类沸石型多孔材料的方法、类沸石型多孔材料及其应用。所述的方法包括以下步骤:将固体废弃物通过水蒸气活化,混合均匀,得活化渣;将活化渣用盐酸预处理,再置于碱性溶液中,加入非晶态导向剂,搅拌均匀,于水热合成仓中发生水热反应;反应产物过滤,用蒸馏水洗涤至滤液呈中性,得类沸石型多孔材料。所要解决的技术问题是利用固体废弃物制备一种对于陶粒窑尾烟气具有优异净化效果的类沸石型多孔材料,将其应用于烟气净化系统中对该类烟气的净化效果很好,而且,被净化后的烟气可以通入水热合成仓的烟气加热层中,为制造新的类沸石型多孔材料提供热源,从而更加适于实用。

标签:
固废
北京 - 北京 来源:中冶有色网 2023-03-19
电解铝固体废物的无害化处置工艺方法与装置

本发明专利提供了一种电解铝固体废物的无害化处置工艺方法与装置,包括:将电解铝固体废物废槽衬与煤混合并粉碎后,从流化床锅炉炉膛中部送入;将石灰石粉碎后随一次风从布风板下部送入炉膛,二次风从炉膛中部送入;在一次风和二次风的作用下呈现流动状态的废槽衬粉、煤粉、石灰石粉混合物,在炉膛内燃烧发生无害化反应过程;在燃烧过程产生的烟气循环利用。装置包括:石灰石仓(1)、煤仓(1)、炉膛(3)、汽包(4)、热交换箱体(5)、旋风分离器(6)、返料器(7)、除尘脱硫脱硝联合装置(9)、过热器(11)、省煤器(12)与空气预热器(13);通过循环流化床无害化处置,有效减少了有害毒物的浸出量,降低废弃物所造成的环境污染,不仅实现了无害化,而且不用另置一套新设备,节约了运行成本。

标签:
固废
北京 - 北京 来源:中冶有色网 2023-03-19
有机固体废物热解气化装置

一种有机固体废物热解气化装置,属于可再生能源技术领域。本实用新型的热解室采用回转窑热解室,该回转窑热解室倾斜向下布置,在回转窑热解室上分别设有热解物料给料进口、热载体进口、热解后的混合气出口以及固体产物出口;热解物料给料进口与热解物料给料装置连接,热载体进口与第一旋风分离器的底部连接。本实用新型热解器采用了回转窑炉,不再用蒸汽或其它气体流化,节约了能量;使新物料与热载体之间均匀混合,增强了换热能力;原料在热解器中的停留时间是可控的,使热解反应进行得更彻底;新物料与热载体从回转窑炉的同一端分别送入炉内,更易于操作与控制。这种装置可用于生物质、生活垃圾及其它有机固体废物的热解气化。

标签:
固废
北京 - 北京 来源:中冶有色网 2023-03-19
固体废弃物处置车
固体废弃物处置车 825     
 0

本实用新型公开了一种固体废弃物处置车,包括:车体;机械臂,所述机械臂在动力部件的驱动下可转动地安装于所述车体的车架上,所述机械臂的末端安装有用于抓取废弃物的物料抓斗;搅拌装置,所述搅拌装置安装于所述车架上,且用于接收所述物料抓斗释放的废弃物;配料舱,所述配料舱具有盛放药剂的仓体,配料舱与所述搅拌装置的药剂投放口相连通,并将药剂传输至所述搅拌装置内。解决了现有技术中,油田固体废弃物处理不方便且处理成本较高的技术问题。

标签:
固废
北京 - 北京 来源:中冶有色网 2023-03-19
放射性固体废弃物转运装置

本发明公开了一种放射性固体废弃物转运装置,包括密封方舱,所述的密封方舱的两侧面均通过合页安装有两个立转舱门,密封方舱内部设置有多个抽屉组合。本发明的有益效果在于:解决了放射性废物场内运输容易造成二次污染的问题,运输过程中实现了负压、密封,屏蔽不会对外界造成影响。实现了废物在运输过程中的拴固,运输过程中包装袋不会倾覆、散落。易于清洗,洗消废水容易从底盘流出。

标签:
固废
北京 - 北京 来源:中冶有色网 2023-03-19
熔融炉处理钢铁厂固体废料工艺方法

一种利用熔融炉处理钢铁厂含铁固体废料的工艺,以含锌、铅的高炉粉尘、转炉污泥、电炉除尘灰、渣钢以及废钢等为主要原料,进行冷凝造块或高温造块,经养护或冷却、整粒等操作后得到成品团块。成品团块与焦炭混合后送入熔融炉进行高温熔融,同时含锌废钢等废料也可按一定比例加入熔融炉,最终产生高温混合气体,混合气体在炉顶经过旋风除尘器,可将碳等元素分离出来,含碳粉尘可重新回收利用,剩余混合气体经布袋除尘器进一步分离,得到富锌、铅粉尘,回收用于高温造块、熔融炉热风预热及后续提纯工序。收集到的富锌、铅粉尘进一步提纯,提纯后可得到较高纯度的锌、铅产品。熔融炉底定期打开排铅口,收集铅液,得到粗铅,同时也可得到铁水和炉渣等产品。

标签:
固废
北京 - 北京 来源:中冶有色网 2023-03-19
基于等离子体技术的锅炉燃烧固体废料处理装置

本实用新型公开了废弃物处理领域的一种基于等离子体技术的锅炉燃烧固体废料处理装置,包括垃圾前处理装置、等离子体处理装置、锅炉、灰烬处理装置和尾气处理装置,所述等离子体处理装置将前处理后的固体废料输入到等离子体处理装置内,所述等离子体处理装置将产生的合成气和灰烬分别输送至锅炉和灰烬处理装置内,所述锅炉还连接所述尾气处理装置,不会产生二次污染源,处理物可以被回收利用后产生新的经济效益,保护环境的同时也便于资源的可循环再生利用,具有巨大的社会经济价值和商业使用前景。

标签:
固废
北京 - 北京 来源:中冶有色网 2023-03-19
基于等离子体技术的锅炉燃烧固体废料处理装置及其工艺

本发明公开了废弃物处理领域的一种基于等离子体技术的锅炉燃烧固体废料处理装置,包括垃圾前处理装置、等离子体处理装置、锅炉、灰烬处理装置和尾气处理装置,所述等离子体处理装置将前处理后的固体废料输入到等离子体处理装置内,所述等离子体处理装置将产生的合成气和灰烬分别输送至锅炉和灰烬处理装置内,所述锅炉还连接所述尾气处理装置,不会产生二次污染源,处理物可以被回收利用后产生新的经济效益,保护环境的同时也便于资源的可循环再生利用,具有巨大的社会经济价值和商业使用前景。

标签:
固废
北京 - 北京 来源:中冶有色网 2023-03-19
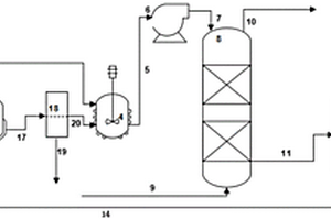
固体危险废物资源化利用系统

本实用新型提供了一种固体危险废物资源化利用系统。该系统包括预处理系统、热解气化系统、资源化利用系统、气体净化系统和废液收集系统,预处理系统具有气体出口、废液出口和物料出口,气体出口与气体净化系统的进口端连通,废液出口与废液收集系统的进口端连通,物料出口与热解气化系统的进口端连通,热解气化系统包括气化炉,气化炉具有可燃气出口和炉渣出口,气体净化系统的出口端与气化炉连通,资源化利用系统包括水泥窑,可燃气出口、炉渣出口和废液收集系统的出口端分别与水泥窑连通。该系统能够彻底焚烧处置危险废物,不产生外排残渣,降低了环境污染,节省了处理成本,实现了危险废物的无害化及资源化处置。

标签:
固废
北京 - 北京 来源:中冶有色网 2023-03-19
固体废弃物和碱液循环脱硫脱碳系统及其工作方法

本发明公开的一种固体废弃物和碱液循环脱硫脱碳系统及其工作方法,属于沼气除杂提纯技术领域。包括碱性氧化物固体废弃物进料装置、搅拌装置、脱硫脱碳反应器、第一固液分离器、碱液再生反应装置和第二固液分离器。采用碱性氧化物固体废弃物和碱液对沼气进行脱硫脱碳,反应后的碱液能够通过碱液再生反应装置再生后循环重复利用。系统的原料来源广泛、节能环保、效率高;由于反应参数要求不高,对系统中的设备要求低,极大的降低了生产和运行成本,使系统容易构建;过程中产生多种副产物,经济效益好,具有良好的应用前景。

标签:
固废
北京 - 北京 来源:中冶有色网 2023-03-19
利用水泥窑协同处置固体废物综合装置

本实用新型属于污染处理装置技术领域,尤其涉及一种利用水泥窑协同处置固体废物综合装置,所述固体废物输送带输出连接于叶轮喂料器,所述叶轮喂料器输出连接于烘干破碎机,所述烘干破碎机输出连接于水泥窑的固体废物燃烧炉,本实用新型解决了现有技术存在由于固体废物具有含量达到70%~90%的重金属元素,如果对重金属元素不加以焚烧处理,容易造成地表污染,从而导致人类或动物的重金属中毒问题,具有有效防止了人类或动物的重金属中毒、减少了大气污染、减少了有害物质的产生、氯化处理效果好的有益技术效果。

标签:
固废
北京 - 北京 来源:中冶有色网 2023-03-19
无机固体废弃物陶粒矿化混凝土封存二氧化碳的方法

本发明涉及一种无机固体废弃物陶粒矿化混凝土封存二氧化碳的方法,包括以下步骤,制备无机固体废弃物陶粒滤球;制备氨基化陶粒滤球;氨基化陶粒滤球充分吸收二氧化碳后获得吸附饱和二氧化碳滤球;将吸附饱和二氧化碳滤球与水泥砂浆混凝土混合搅拌均匀制成矿化轻质混凝土试件。本发明通过将无机固体废弃物陶粒滤球进行氨基酸盐溶液和/或胺基离子液体处理后引入至如工厂烟囱气等高浓度CO2环境中吸附饱和CO2后,再通过将其作为添加剂直接加入混凝土中,在水泥拌合水、水化热或者蒸养养护过程中,逸出的CO2快速矿化养护胶凝材料,转化为混凝土的主要成分碳酸钙,对CO2转化和封存。

标签:
固废
北京 - 北京 来源:中冶有色网 2023-03-19
利用豆类粉丝废水生产高蛋白固体饮料的方法

本发明公开了一种利用豆类粉丝废水生产高蛋白固体饮料的方法,包括如下步骤:(1)酸沉:在制豆类粉丝废水中加入乳酸,静置沉淀,去除上清液,收集下层的淡黄色浆液;(2)离心分离;(3)调浆中和;(4)酶解;(5)灭酶杀菌;(6)配料;(7)加热均质;(8)喷雾干燥;(9)造粒精制:将喷雾干燥得到的粉状产品,在干燥的环境中进行造粒、过筛处理,得到颗粒均匀、蛋白含量>12%、水分含量<5%的高蛋白固体饮料。本发明的高蛋白固体饮料速溶性好,口感顺滑,口味香浓。本发明的方法直接利用豆类粉丝废水提取蛋白后加工成高蛋白固体饮料,工艺流程简单,本发明极大地提高豆类原料的综合利用率,增加企业的经济效益。

标签:
固废
北京 - 北京 来源:中冶有色网 2023-03-19
基于机械力化学分解溴代固体废物制备发光材料溴氧化镧的方法

本发明属于新型材料制备和环境污染废物处理技术领域,特别涉及一种基于机械力化学分解溴代固体废物制备发光材料溴氧化镧的方法。该方法在常温常压下,将溴代固体废物与反应试剂混合后置于行星式高能球磨反应器内,利用球磨产生的机械力诱发化学反应,制备出发光材料溴氧化镧,并在此过程中实现溴代污染物的分解。本发明方法具有以下优点:工艺流程简单,反应条件温和(常温常压下即可),制备过程不使用有机溶剂,最终生成的产物为发光材料溴氧化镧,且在此过程中溴代污染物彻底分解,过程中不产生二次污染,溴代污染物与反应试剂按照化学计量比进行添加和反应,符合绿色化学的理念。

标签:
固废
北京 - 北京 来源:中冶有色网 2023-03-19
可燃性固体废物的等离子体气化熔融处理系统

本实用新型提出了可燃性固体废物的等离子体气化熔融处理系统,涉及废物处理技术领域。可燃性固体废物的等离子体气化熔融处理系统,包括低温磁致等离子体气化灰化炉,上述低温磁致等离子体气化灰化炉用于固体废物的气化灰化;余热锅炉,上述余热锅炉用于接收上述低温磁致等离子体气化灰化炉排出的气体,上述余热锅炉的进气端连通上述低温磁致等离子体气化灰化炉的排气端;尾气处理装置,上述尾气处理装置的进气端连通上述余热锅炉的排气端;等离子体熔融炉。本实用新型具有耗能低和无二英产生的优点。低温磁致等离子体气化灰化炉产生的灰化物拣选金属物质后,无浸出毒性灰化物可以直接堆肥,反之直接进入等离子体熔融炉进行玻璃化。

标签:
固废
北京 - 北京 来源:中冶有色网 2023-03-19
三溴化硼生产用固体废料排出装置

本发明涉及三溴化硼生产技术领域,且公开了一种三溴化硼生产用固体废料排出装置,包括箱体以及固定于箱体外侧用于对箱体进行支撑的支撑架,所述箱体底部具有回收部,所述回收部的一侧具有成型部,所述箱体的外侧连通有储存部;所述回收部包括:回收箱,固定于所述箱体底部,所述回收箱的外侧具有电机;密封板,活动地套设于所述电机外表面,且所述密封板的内侧设置有滤网。通过本发明所提供的一种三溴化硼生产用固体废料排出装置,能够用于对三溴化硼生产过程中所产生的废料进行回收,且相对于普通的排出装置,本发明所提供的排出装置具备能够便于稳定的对固定废料进行回收处理,保证废料回收时的稳定性等优点。

标签:
固废
北京 - 北京 来源:中冶有色网 2023-03-19
多功能移动式固体废物焚化装置

本实用新型涉及一种多功能移动式焚化装置,它包括一燃室、二燃室、空气预热器、柴油发电机、鼓风机、中和处理室、活性炭吸收器、补给水箱、引风机和烟囱。可对遇难者遗体、动物尸体、危险废物、医疗垃圾、生活垃圾等多种固体废弃物实行就地或在装置行进当中的连续焚化处理。整个装置设有烟气净化部分,可使烟气排放达标。该装置可满足在应急或常态时,对须处理的固体废物实行零距离无害化迅即焚化的需求。可车载、舰载、直升机吊装移动、亦可就地安装等方式对不同固体废物进行就地焚化处理的装置。?

标签:
固废
北京 - 北京 来源:中冶有色网 2023-03-19
利用制浆固体废弃物制备的有机肥及其制备方法

本发明提供一种利用制浆固体废弃物制备的有机肥,包括如下重量份数的组分:秸秆废料10‑40份,浆渣10‑30份,废液沉淀混合物5‑20份,豆渣10‑40份,粪便10‑30份,氧化石墨烯0.01‑2份,菌种液0.01‑1份,有机肥助剂2.5份,防板结剂0.5份。本发明的机肥采用制浆过程中的固体废料作为原料制备有机肥,既解决了废料的处理问题,保护环境,且采用该方法其制得有机肥具有良好的肥效,可以改善土壤各种特性。

标签:
固废
北京 - 北京 来源:中冶有色网 2023-03-19
用于固体废物玻璃化处理的感应式熔融炉

一种用于固体废物玻璃化处理的感应式熔融炉,属于固体废物高温熔融处理技术领域。炉架的固定架连接炉壳,固定架支撑连接倾炉机构,炉壳的内腔连接炉衬,炉衬与炉壳之间连接感应器及磁轭,炉衬的顶部连接炉盖,电缆与感应器连接,倾炉机构的一端连接在炉壳上。本实用新型的优点是可供选择的、用于固体废物玻璃化处理的电热式熔融炉,此感应式熔融炉与其它型式的电热式熔融炉(电弧式、电阻式、等离子体式等)相比,具有加热速度快、生产效率高、节能环保、运行成本低等显著特点。

标签:
固废
北京 - 北京 来源:中冶有色网 2023-03-19
上一页 213 214 215 216 217 ... 226 下一页
共226页    到第

中冶有色为您提供最新的北京有色金属固/危废处置技术理论与应用信息,涵盖发明专利、权利要求、说明书、技术领域、背景技术、实用新型内容及具体实施方式等有色技术内容。打造最具专业性的有色金属技术理论与应用平台!

全国热门有色金属设备推荐
展开更多 +
全国热门有色金属技术推荐
展开更多 +

 

江西省隆恩特环保设备有限公司
宣传

报名参会
更多+

报告下载

有色专家
更多+

太原理工大学
院长/教授
南方科技大学
外籍院士
湖南有色金属研究院
教授级高工/原总工程师
湖南科技大学
所长/教授
中冶沈勘秦皇岛工程技术有限公司
原矿山院院长/教授级高工
赤泥综合利用研究报告2025
推广

热门技术
更多+

推荐企业
更多+

福建省金龙稀土股份有限公司
宣传

发布

在线客服

公众号

电话

顶部
咨询电话:
010-88793500-807