青岛垚鑫智能科技有限公司
宣传

位置:中冶有色 >

有色技术频道 >

> 加工技术

分类:
全部
矿山技术
冶金技术
材料制备及加工技术
环境保护技术
分析检测技术
 
全部
功能材料技术
复合材料技术
新能源材料技术
合金材料技术
加工技术
地区:
全部
北京
天津
上海
重庆
河北
山西
辽宁
吉林
黑龙江
江苏
浙江
安徽
福建
江西
山东
河南
湖北
湖南
广东
海南
四川
贵州
云南
陕西
甘肃
青海
内蒙
广西
西藏
宁夏
新疆
其他
其他
展开
 
全部

有色金属加工技术理论与应用

免费发布技术信息>>
电容器辅助固态电池
电容器辅助固态电池 1207     
 0

通过将至少一个电池电极用具有用来替代电池颗粒状阳极材料或阴极材料的合适的颗粒组合物的电容器电极替代,形成电容器辅助固态锂离子电池。固态电极通常含有固态电极材料,并用固态电极材料分开。在另一个实施例中,电容器阳极颗粒或阴极颗粒可分别与锂离子电池阳极颗粒或阴极颗粒混合。优选地,所述电池包含至少两个带正电荷的电极和两个带负电荷的电极,并且可对电容器材料电极的位置和组成进行选择,以提供所需的能量和功率组合。

标签:
加工技术
其他 - 其他 来源:中冶有色网 2023-03-18
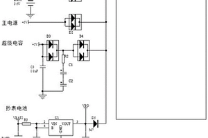
时钟电源供电装置
时钟电源供电装置 955     
 0

本申请公开了一种时钟电源供电装置,包括:依次连接的时钟电池供电模块、主电源模块、超级电容充放电模块和抄表电池供电模块;时钟电池供电模块包括可更换的时钟电池,时钟电池的正极分别与第一二极管的阳极、第二二极管的阳极连接;抄表电池供电模块包括可更换的锂电池,锂电池的正极与LDO电源的输入脚相连,LDO电源的输出脚与第三二极管的阳极相连;主电源模块包括AC/DC降压开关电源电路;超级电容充放电模块包括超级电容充电电路以及超级电容放电电路。本申请中即使在出现极端异常的情况时,也能通过超级电容维持时钟电源48小时,使得在电力人员进行电池更换时,保证时钟能够维持准确。

标签:
加工技术
广东 - 广州 来源:中冶有色网 2023-03-18
规模化多孔芳纶微纤隔膜的制备方法及其应用

一种规模化多孔芳纶微纤隔膜的制备方法及其应用,属于隔膜制备技术领域。本发明的目的是为了解决现有的锂离子电池隔膜强度不足、耐热温度不高、浸润性差的问题,所述方法为:将芳纶短切纤维加入到装有含有氢氧化钾的二甲基亚砜反应容器当中浸泡;用纯二甲基亚砜进行清洗,将多余的氢氧化钾去除,将预氧化芳纶短切纤维分散在二甲基亚砜中,机械分离;采用真空抽滤的方式进行抽滤制膜,二甲基亚砜抽干后,清洗,去除掉多余的二甲基亚砜,取下隔膜,进行压实即可。芳纶微纤优异力学性能可以抑制锂枝晶在循环过程中的生长,防止其刺破隔膜而引发的短路现象发生,实现提高电池的使用年限和安全性目的。

标签:
加工技术
黑龙江 - 哈尔滨 来源:中冶有色网 2023-03-18
用气相沉积碳纳米管管包覆硅负极材料的制备方法

本发明公开了一种用气相沉积碳纳米管管包覆硅负极材料的制备方法,包括依次进行的以下步骤:将硅粉与催化剂放入搅拌机中混合,取出;将混合得到的粉体放入流化床中,通入H2还原粉体;在流化床中继续将还原得到的粉体用N2流化,通入碳源气体,炉温500~1000℃反应,得到反应后产物A;将反应后产物A进行气流粉碎,得到成品。本发明中的制备方法简单,成本低廉;制得的材料增强了电极的导电性,限制了硅脱嵌锂过程中的膨胀和收缩,适用于所有锂离子电池的负极。

标签:
加工技术
上海 - 上海 来源:中冶有色网 2023-03-18
数显张力计
数显张力计 1208     
 0

本发明公开了一种数显张力计,包括壳体、锂电池和线路板,所述壳体后端设有线路板安装板,所述线路板安装于线路板安装板上,所述壳体内设有传感器,该传感器通过传感器固定板装于壳体内,所述传感器两侧设有挂钩固定板,该挂钩固定板上设有拉伸弹簧,所述传感器上还装有拨针,通过拔针测试张力;本发明结构简单合理,内部设有锂电池,可实现充电功能,适配范围更广,受力后,传感器左右摆动范围一致,精度高。

标签:
加工技术
浙江 - 温州 来源:中冶有色网 2023-03-18
花状二硫化钼包覆球形剑麻炭电极材料的制备及其应用

本发明公开了一种花状二硫化钼包覆球形剑麻炭电极材料的制备及其应用。以球形剑麻炭为基底、三氧化钼为钼源、硫代乙酰胺为硫源、尿素为还原剂、一步水热后再高温炭化制备花状二硫化钼包覆球形剑麻炭(MoS2@SSFC)的方法,并以此MoS2@SSFC作为锂离子电池负极材料。具体制备步骤:(1)球形剑麻炭(SSFC)制备;(2)复合二硫化钼,水热反应;(3)炭化处理。本发明原材料价廉易得,实验流程简单,条件易控,制备出的花状二硫化钼包覆球形剑麻炭(MoS2@SSFC)作为锂离子电池负极材料,由于其独特的结构,有利于Li+穿插、嵌入,同时具有导电性佳,放电比容量好等优点。

标签:
加工技术
广西 - 桂林 来源:中冶有色网 2023-03-18
基于燃气内燃机和燃料电池联供的冷热电综合能源集成系统及工作方法

本发明涉及一种基于燃气内燃机和燃料电池联供的冷热电综合能源集成系统及工作方法。本发明中的天然气控制模块与燃气内燃机系统连接,天然气控制模块与SOFC燃料电池系统连接,燃气内燃机系统与缸套水控制装置连接,燃气内燃机系统与烟气控制装置连接,燃气内燃机系统与电力变换与供电模块连接,燃料电池系统与缸套水控制装置连接,燃料电池系统与烟气控制装置连接,烟气控制装置与有机朗肯循环发电系统连接,烟气控制装置与烟气热水双效溴化锂系统连接,缸套水控制装置与烟气热水双效溴化锂系统连接,燃料电池系统与电力变换与供电模块连接,电力变换与供电模块与有机朗肯循环发电系统连接。实现了燃气内燃机系统和燃料电池系统的耦合。

标签:
加工技术
浙江 - 杭州 来源:中冶有色网 2023-03-18
低温高耐热全瓷及其制备方法

一种低温高耐热全瓷及其制备方法,一种低温高耐热全瓷,包括坯体和釉料,坯体包括以下重量份的原料:澳大利亚锂辉石、德化石英绢云母岩、德化高岭土、德化紫木节土、膨润土、海泡石、硅微粉、氮化硅、氮化硼,通过对坯体配方组成的改良,以锂辉石、德化石英绢云母岩、紫木节土、海泡石、硅微粉、膨润土、高岭土为主料,以氮化硅、氮化硼为辅料,使制备的瓷器的耐热性能可达980℃,且在980‑20℃的水中热交换一次不开裂。

标签:
加工技术
福建 - 泉州 来源:中冶有色网 2023-03-18
智能喷涂装置
智能喷涂装置 1152     
 0

本发明提供了一种智能喷涂装置,包括喷枪本体、设置于喷枪本体后端的锂电池、设置于喷枪本体内部的微型电动气泵,微型电动气泵的出气口连接输气管的进口,输气管穿出喷枪本体进入与喷枪本体连接的容器内,输气管的出口在容器底部通过液气混合装置与出液管进液口固连,出液管的出液端穿出容器进入喷枪本体内部通过电磁阀与喷枪嘴的喷头固连,喷枪本体的扳机结构设置为启动开关并与微型电动气泵和电磁阀连接,锂电池为微型电动气泵和电磁阀供电。该智能喷涂装置小巧、轻便、耗能低、效率高、使用方便易携带,不需要任何外部设备。

标签:
加工技术
河南 - 郑州 来源:中冶有色网 2023-03-18
微型质子交换膜燃料电池冷热电联供系统

本发明公开了一种微型质子交换膜燃料电池冷热电联供系统,包括质子交换膜燃料电池、逆变器、热交换器、热水水箱、吸收式制冷系统和进气处理系统,所述质子交换膜燃料电池为质子交换膜燃料电池电堆,所述吸收式制冷系统为单效溴化锂制冷机,所述质子交换膜燃料电池电堆的循环冷却水系统与热交换器交换,热交换器的热水经热水水箱分流,其中一部分通往进气处理系统,一部分通往单效溴化锂制冷机,一部分用于生活热水。本发明适用作类似公寓、家庭等小微型应用场合的微型冷热电联供系统,在满足用户多种用途需求的同时,进一步提升了联供系统的输出电效率。

标签:
加工技术
湖南 - 岳阳 来源:中冶有色网 2023-03-18
固体电解质及全固体电池

提供即使在低温烧制时也能够实现高离子传导率的固体电解质及全固体电池。固体电解质包含具有石榴石型结构的锂离子传导性物质、具有LISICON型结构的锂离子传导性物质以及含有Li和B的化合物。

标签:
加工技术
其他 - 其他 来源:中冶有色网 2023-03-18
半潜式无人潜器智能电源管理系统及方法

本发明属于半潜式无人潜器技术领域,具体涉及一种半潜式无人潜器智能电源管理系统及方法。本发明的半潜式无人潜器智能电源管理系统与程序软件相结合,实现在保证长时间续航的前提下,自动选择太阳能电池或锂电池组作为主电源进行配置,并且可监测锂电池组电量情况,在某一电池组电量耗尽情况下,自动切换充足电量的电池组。本发明在遭遇恶劣天气时通过上位机进行电源切换,使用超级电容为系统提供额外的功率补偿;具有远程监控功能,操作人员无需在现场就可实现对电源系统的全程管理,给操作人员更加灵活的空间,极大提高了半潜式无人潜器作业的安全性。

标签:
加工技术
黑龙江 - 哈尔滨 来源:中冶有色网 2023-03-18
移动式航空发动机在翼清洗用净水加热车

一种移动式航空发动机在翼清洗用净水加热车。其包括拖车、水箱系统、外壳、工业净水装置系统、电气控制柜、冷热水循环泵、锂电池电源系统、废液箱;本发明提供的移动式航空发动机在翼清洗用净水加热车具有以下优点:(1)质量轻,加热车清洗车分离作业,缩短作业时间。(2)自备锂电池组电源系统,作业时不需要外接电源,且此电源系统绿色环保无污染。(3)自备净水系统,可以直接接入自来水,且无需考虑水源质量。(4)控制柜触摸屏面版内内置操作流程程序,工作人员只需按照工卡进行加热作业次序选择,作业时间精准,避免作业误差。

标签:
加工技术
天津 - 天津 来源:中冶有色网 2023-03-18
卷绕式多极耳电池及终端

本发明公开了一种卷绕式多极耳锂离子二次电池及终端。该电池有两个或两个以上正极耳和两个或两个以上负极耳,其中一对正/负极耳起到传统极耳的充放电电流传输的作用,其它的正负极耳起到辅助作用,包括电压内阻监测、以及电流微调的作用。该技术主要优势在于在电池的全寿命使用过程中,全程检测电池极片上各个位置的电压内阻分布,可以更好的监控电池的内阻、安全、寿命情况,防范安全事故的发生。该技术对于极片较长、极片面积较大的电池,以及大电流充放电的使用情况尤为适用。本发明同时公开了使用该锂离子二次电池的终端,用于控制、保护、平衡、修复该电池。

标签:
加工技术
江苏 - 无锡 来源:中冶有色网 2023-03-18
电磁加热的自行车握把
电磁加热的自行车握把 1077     
 0

本发明公开了一种电磁加热的自行车握把,包括保温手套,所述保温手套的下端内侧缝制连接有加强固定绑带,所述保温手套通过加强固定绑带固定连接有握把,所述握把和保温手套的连接处套接有电磁加热器,所述握把远离保温手套的一端连接有车头,所述车头内卡接有移动锂电池,所述车头的外壁设有旋钮开关,所述车头的底部焊接有竖管,所述竖管远离车头的一端焊接有前管,所述前管远离竖管的一端焊接有前叉,所述前叉的底端转动连接有轮轴,所述自行车轮轴的一侧壁套接有发电机,所述发电机为花鼓发电机,且花鼓发电机通过导线与移动锂电池电连接。本发明结构简洁,构造合理,使用方便,大大的提高了人们冬季骑行的舒适度。

标签:
加工技术
广东 - 中山 来源:中冶有色网 2023-03-18
掺杂腐植酸的复合电极微粉材料及制备工艺

本发明公开了一种掺杂腐植酸的复合电极微粉材料及其工艺。先将醋酸锂(锂源)、草酸亚铁(铁源)、磷酸二氢铵(磷酸源)及Y粉按照Li1‑xYxFePO4的原子比例进行配料混合,将混合原料用玛瑙研钵进行研磨,研细后再加入腐植酸继续研磨均匀,收集粉末将其在惰性气体的气氛保护下进行热处理,即可得一种掺杂腐植酸的复合电极微粉。其工艺简单,热处理温度低,制备的电极微粉材料性能好,具有较好发展前景。

标签:
加工技术
广西 - 贺州 来源:中冶有色网 2023-03-18
新能源混合动力汽车电气系统

本发明公开了一种新能源混合动力汽车电气系统,包括直流电源(1)、蓄电池(2)、电子元器件(3)、高压配电单元(4)、电机控制器(5)、电动机(6)、变速箱(7)、内燃机(8)、发电机(9)、执行机构(10)、整流器(11)、BMS电池管理单元(12)和锂电池(13),直流电源输出端与蓄电池相连,蓄电池与电子元器件相连,高压配电单元分别与电机控制器和BMS电池管理单元相连,电机控制器与电动机相连,电动机与变速箱相连,变速箱分别与内燃机、发电机和执行机构相连,发电机与整流器相连,整流器与BMS电池管理单元相连,所述BMS电池管理单元连接于锂电池。本发明采用新能源混合动力汽车电气系统,结构设计合理。

标签:
加工技术
江苏 - 泰州 来源:中冶有色网 2023-03-18
铜‑铝‑硅纳米合金材料的热处理方法及其应用

本发明一种铜‑铝‑硅纳米合金材料的热处理方法及其应用,属于锂电池负极材料制备技术领域,本发明克服现有技术的不足,提供一种采用热处理方法处理铜‑铝‑硅合金纳米材料及其应用,采用的技术方案为:所述的热处理方法是在配料、熔炼、制粉、分离和筛选步骤后进行真空干燥后进行的,将干燥后的铜‑铝‑硅纳米合金粉末进行热处理,热处理温度为250~500℃,时间为48~90h;所述的铜‑铝‑硅纳米合金的成分为按重量份计的:硅22~70份,铜20~70份,铝0.5~15份,杂质0~5份,粒径≤80μm,本发明可广泛应用到锂电池负极材料领中。

标签:
加工技术
山西 - 太原 来源:中冶有色网 2023-03-18
复合全固态聚合物电解质膜的制备方法

一种复合全固态聚合物电解质膜的制备方法,包括以下步骤:将碳酸酯官能化乙烯基单体和聚醚结构单体与溶剂在惰性气体氛围下搅拌混合,然后加入引发剂,在惰性气体氛围中进行反应,干燥提纯后得到碳酸酯官能化乙烯基共聚物;将得到的碳酸酯官能化乙烯基共聚物与无机填料或快离子导体加入溶剂中搅拌混合均匀,再加入锂盐搅拌得到混合均匀的混合液;将混合液均匀涂布在模具上,真空干燥蒸干溶剂后,得到复合全固态聚合物电解质膜。本发明的电解质膜具有更好的保液率、更高的锂离子电导率、更优越的力学性能、良好的机械加工性能、更好的电化学稳定性和更好的应用前景。

标签:
加工技术
广东 - 珠海 来源:中冶有色网 2023-03-18
基于混合储能的再生电能回收利用实验系统

一种基于混合储能的再生电能回收利用实验系统,包括直流电源、再生电能模拟系统、混合储能系统、直流制动电阻柜、上位机控制系统;所述的直流电源的输入侧连接三相市电,输出侧形成直流母线的连接平台;所述的再生电能模拟系统包括第一双向DC/DC变换器、第一锂电池储能系统,所述的第一双向DC/DC变换器的高压侧与直流母线的两端连接、其低压侧与第一锂电池储能系统连接;所述的上位机控制系统分别与第一双向DC/DC变换器、第二双向DC/DC变换器、第三双向DC/DC变换器相连实现通讯。优点是,对控制策略在实际系统的控制效果具有较好的验证作用。

标签:
加工技术
广东 - 广州 来源:中冶有色网 2023-03-18
防锈润滑油及其制备方法

本发明涉及润滑油技术领域,具体涉及一种用于暴露室外设备的防锈润滑油及其制备方法。所述防锈润滑油是由A和B两种组分组成;A组分是由下述重量份的原料组成:基础油50‑60份,调和油8‑12份,铬粉1.6‑2.4份,铝粉2.6‑3.4份;基础油是由下列重量份的2种原料组成:锂基脂50份或钙基脂50份、和锂皂5份;B组分是由下述重量份的原料组成:铬粉1.6‑2.4份,铝粉2.6‑3.4份,聚乙烯粘合剂15‑25份,锌钠水8‑12份;所述A组分和B组分中所含铬粉的量相同、所含铝粉的量相同。本发明提供的防锈润滑油防锈能力卓越,润滑效果极好,具有抗压能力,大大延长了金属摩擦部位的使用寿命,与现使用的防锈技术相比工作量提高6‑8倍,并且可被生物降解,对环境不污染,降低人工维护成本。

标签:
加工技术
吉林 - 吉林 来源:中冶有色网 2023-03-18
高性能密集型三元正极材料的制备方法

本发明公开了一种高性能密集型三元正极材料的制备方法,以乙酸镍、乙酸锰和乙酸钴为原材料,以聚乙烯吡咯烷酮作为添加剂溶解在无水乙醇中,密封反应与减压蒸馏形成聚乙烯吡咯烷酮包裹的纳米级的氧化镍、氧化锰和氧化钴,然后加入碳酸锂与发泡剂得到三元碳酸液,最后经由水浴蒸馏与梯度加热恒压反应得到三元正极材料。本发明制备的三元正极材料具有充放电循环稳定、高温稳定、成本低、环境污染小等优势。

标签:
加工技术
浙江 - 绍兴 来源:中冶有色网 2023-03-18
碳化钽陶瓷先驱体制备方法

本发明提供了一种碳化钽陶瓷先驱体制备方法,首先将钽源化合物TaX5(X=Cl、Br、I)先后与含有两个N‑Li键的胺基锂化合物和胺基化锂在室温下进行预反应后再升温进行反应,从而得到碳化钽陶瓷先驱体。本发明合成过程中成本低,工艺简便,合成的碳化钽陶瓷先驱体适于碳化钽陶瓷材料的制备。

标签:
加工技术
湖南 - 长沙 来源:中冶有色网 2023-03-18
陶瓷粉末及其制造方法
陶瓷粉末及其制造方法 1034     
 0

本发明的陶瓷粉末的特征在于,析出有β‑锂霞石或β‑石英固溶体作为主晶相,且包含TiO2和/或ZrO2

标签:
加工技术
其他 - 其他 来源:中冶有色网 2023-03-18
球状S/C@MoO<sub>2</sub>复合材料及其制备方法和应用

本发明涉及一种球状S/C@MoO2复合材料及其制备方法和应用。该复合材料通过下述步骤制备:1)将磷钼酸与四丁基溴化铵反应得TBA3PMo12O40;2)将SiO2/C加入到甲苯溶液中;3)TBA3PMo12O40溶解到乙腈溶液中,此混合溶液加入步骤2)中得SiO2/C@TBA3PMo12O40;4)产物高温煅烧得SiO2/C@MoO2;5)用HF刻蚀得C@MoO2;6)将C@MoO2与升华硫混合研磨进制得S/C@MoO2复合材料。该复合材料可作为锂硫电池正极材料。本发明方法简单可行,成本较低;制备出的复合材料形貌均一,具有较高的比表面积和大孔容,具有提高电池的库伦效率与循环稳定性的效果。

标签:
加工技术
江苏 - 扬州 来源:中冶有色网 2023-03-18
Li<sub>4</sub>Ti<sub>5</sub>O<sub>12</sub>/石墨烯复合材料和制备方法及其负极和应用

本发明涉及一种Li4Ti5O12/石墨烯复合材料及其制备方法。采用高温高压诱导Li4Ti5O12纳米颗粒在石墨烯片上的取向附着生长。此方法不仅可以保持Li4Ti5O12颗粒的纳米化,保证Li4Ti5O12与石墨烯的充分接触,而且Li4Ti5O12晶粒暴露(111)晶面,这些特征能同时保证良好的电导率和质子传导效率,从而得到较高的倍率性能和循环性能。Li4Ti5O12/石墨烯复合材料可作为负极材料应用于锂离子容器和锂离子电池。

标签:
加工技术
辽宁 - 大连 来源:中冶有色网 2023-03-18
煤矿皮带机自动巡检机器人

本发明公开了一种煤矿皮带机自动巡检机器人,包括轨道式行走单元和机器人控制系统、机箱壳体、工字钢轨道、斜底座和立柱,所述轨道式行走单元和机器人控制系统安装在机箱壳体中并架设在工字钢轨道上,所述工字钢轨道底板的下表面两端分别设置有斜底座,所述一个斜底座连接立柱一,另一个斜底座连接立柱二,立柱一和立柱二长度不相等;所述轨道式行走单元包括驱动部分和导向部分,所述机器人控制系统包括可见光摄像机、红外摄像机、电控云台、拾音器、控制器、锂电池,所述可见光摄像机、红外摄像机、电控云台、拾音器、控制器分别与锂电池连接。

标签:
加工技术
江苏 - 徐州 来源:中冶有色网 2023-03-18
硅碳复合负极材料及其制备方法

本发明涉及一种硅碳复合负极材料及其制备方法,属于锂离子电池材料技术领域。本发明的硅碳复合负极材料的制备方法,包括如下步骤:将硅烷偶联剂、多孔碳材料在有机溶剂中混合均匀后喷雾干燥,制得改性多孔碳材料;将改性多孔碳材料在硅烷气体存在条件下,1000‑1200℃保温1‑6h;然后降温至600‑800℃,在气体掺杂剂存在下,保温1‑6h,制得硅碳材料;所述气体掺杂剂为NH3、N2O、NO、N2O4中的一种或几种的组合;将硅碳材料在碳源气体存在条件下,700‑900℃保温1‑12h,即得。本发明制备出的硅碳复合负极材料具有比容量高、导电性强、循环性能好的特点,能够应用于高比能量密度的锂离子电池。

标签:
加工技术
内蒙 - 乌兰察布 来源:中冶有色网 2023-03-18
高强度齿科修复用陶瓷复合材料及其制备方法

本发明公开了一种高强度齿科修复用陶瓷复合材料,其原料组成为:SiO231~41wt%、Li2CO325~31wt%、Al2O32~5wt%、K2CO32~4wt%、(NH4)2·HPO42~8wt%、ZrSiO47~17wt%、Y2O30.5~2wt%、MgO 1~2wt%,以及着色剂CeO20.2~1wt%、TiO20.2~1wt%;所述材料为含氧化锆、二硅酸锂和残留玻璃相三种物相的陶瓷复合材料。此外,还公开了上述高强度齿科修复用陶瓷复合材料的制备方法。本发明陶瓷复合材料不仅具有高的强度和稳定性,而且具有与天然牙齿类似的色度及良好的光学透过率,有利于实现实际应用,适用于义齿移植、骨科修复及其他对陶瓷强度有特殊要求的领域。

标签:
加工技术
江西 - 景德镇 来源:中冶有色网 2023-03-18
长时间内渐变色彩半透明外墙涂料及其制造方法

本发明公开了一种长时间内渐变色彩半透明外墙涂料及其制造方法,该外墙涂料由三个部分组成,一是内部固化有三氧化钨粉末的分别作为底层涂层和最外层涂层的聚氨酯基柔性固态导电膜,二是钙钛矿太阳能转换材料,三是以1枚/m2‑2枚/m2植入密度贯穿底层涂层和最外层涂层的M2规格不锈钢自攻螺钉;聚氨酯基柔性固态导电膜具体由异氟尔酮二异氰酸酯、聚丙二醇、1,4‑丁二醇、非离子聚醚二元醇、二月桂酸丁基锡、高氯酸锂、双三氟甲基磺酰亚胺锂反应获得;钙钛矿太阳能转换材料具体由甲基碘化胺、碘化铅反应获得。本发明环保、耐高温、电致变色、耐侯、抗冲击、墙面结合力好。

标签:
加工技术
山东 - 青岛 来源:中冶有色网 2023-03-18
上一页 1978 1979 1980 1981 1982 ... 2000 ... 5000 ... 6681 下一页
共6681页    到第

中冶有色为您提供最新的有色金属加工技术理论与应用信息,涵盖发明专利、权利要求、说明书、技术领域、背景技术、实用新型内容及具体实施方式等有色技术内容。打造最具专业性的有色金属技术理论与应用平台!

全国热门有色金属设备推荐
展开更多 +
全国热门有色金属技术推荐
展开更多 +

 

江西省隆恩特环保设备有限公司
宣传

报名参会
更多+

报告下载

有色专家
更多+

长春黄金研究院有限公司
总经理
广东省科学院资源利用与稀土开发研究所
教授
矿冶科技集团
副所长/研究员
中国矿业大学
副院长/教授
辽宁忠旺集团
教授级高工
赤泥综合利用研究报告2025
推广

热门技术
更多+

推荐企业
更多+

福建省金龙稀土股份有限公司
宣传

发布

在线客服

公众号

电话

顶部
咨询电话:
010-88793500-807