青岛垚鑫智能科技有限公司
宣传

位置:中冶有色 >

有色技术频道 >

> 加工技术

分类:
全部
矿山技术
冶金技术
材料制备及加工技术
环境保护技术
分析检测技术
 
全部
功能材料技术
复合材料技术
新能源材料技术
合金材料技术
加工技术
地区:
全部
北京
天津
上海
重庆
河北
山西
辽宁
吉林
黑龙江
江苏
浙江
安徽
福建
江西
山东
河南
湖北
湖南
广东
海南
四川
贵州
云南
陕西
甘肃
青海
内蒙
广西
西藏
宁夏
新疆
其他
其他
展开
 
全部

有色金属加工技术理论与应用

免费发布技术信息>>
3:1型Mg/Li双金属催化剂及其制备方法和应用

本发明提供了一种3:1型Li/Mg双金属催化剂及其制备方法和应用。催化剂制备方法:1)制备N,N,O‑三齿的胺基醇配体;2)在惰性气体保护和冰水浴下,将1.5倍量的正丁基锂逐滴滴加到胺基醇的乙醚溶液中,所得反应液中滴加0.5倍量的二丁基镁,然后滴入0.5倍量水的乙醚溶液,待反应完毕后过滤,真空浓缩滤液,析出无色透明晶体即可。该催化剂制备方法简便,条件要求低,使用廉价、低毒性的非过渡金属锂、镁为催化活性金属,对不同类型的醛、酮化合物还原制备相应的一级和二级醇类化合物的Meerwein‑Ponndorf‑Verley(MPV)反应具有较高选择性和催化活性,该催化反应时间短,产率高,有很好的工业应用前景。

标签:
加工技术
山西 - 太原 来源:中冶有色网 2023-03-18
波导调制器以及波导调制器制备方法

本发明提供一种波导调制器以及波导调制器制备方法,其中,所述波导调制器包括:第一波导层、第二波导层和铌酸锂层;其中,所述铌酸锂层键合设置于所述第一波导层和所述第二波导层之间。通过本发明提供的波导调制器,可以具有低半波电压‑长度积、高调制速率、低插入损耗的光场相位调控性能。

标签:
加工技术
北京 - 北京 来源:中冶有色网 2023-03-18
多功能核壳结构负极材料及其制备方法与应用

本发明公开一种多功能核壳结构负极材料及其制备方法与应用,其中,制备方法包括步骤:将纳米硅颗粒、石墨、纳米补锂添加剂以及包覆层前驱体混合均匀,获得负极材料前驱体;对所述负极材料前驱体进行煅烧处理,使包覆层前驱体碳化形成软碳包覆层,所述软碳包覆层将所述纳米硅颗粒、石墨以及纳米补锂剂包覆在内部,制得所述多功能核壳结构负极材料。采用本发明多功能核壳结构负极材料,可以显著缓解硅负极材料体积膨胀,改善循环和倍率性能,同时不会恶化首次库伦效率,提高电池整体能力密度。

标签:
加工技术
广东 - 广州 来源:中冶有色网 2023-03-18
非水电解质二次电池用正极活性物质、非水电解质二次电池用正极、非水电解质二次电池、非水电解质二次电池的制造方法和非水电解质二次电池的使用方法

一种非水电解质二次电池用正极活性物质,含有锂过渡金属复合氧化物,上述锂过渡金属复合氧化物具有α-NaFeO2结构,Li与过渡金属(Me)的摩尔比Li/Me为1.05≤Li/Me<1.4,含有作为过渡金属(Me)的Ni和Mn、或者Ni、Co和Mn,Mn与Me的摩尔比Mn/Me为0.4≤Mn/Me<0.6,Ni与Me的摩尔比Ni/Me为0.2≤Ni/Me≤0.6。

标签:
加工技术
其他 - 其他 来源:中冶有色网 2023-03-18
切削加工所需的牙科用块体及其制造方法

本发明公开一种作为非晶体的玻璃基质内包含晶相的微晶玻璃块,晶相是主晶相为二硅酸锂,补充晶相以磷酸锂构成,主晶相大小随着深度具有梯度,主晶相大小的梯度值变化位置不存在界面的梯度功能材料即切削加工所需的牙科用块体。其有益效果在于,可以用于与自然牙齿相似的人工牙齿修复体的制造,进而缩短制作人工牙齿修复体所需的时间和工序,以机械物理性质的梯度功能化,从力的分散方面增加结构稳定性。

标签:
加工技术
其他 - 其他 来源:中冶有色网 2023-03-18
硫化钼/石墨烯/碳纳米纤维复合材料及其制备方法

本发明属于过渡金属硫化物-碳材料技术领域,具体为一种硫化钼/石墨烯/碳纳米纤维复合材料及其制备方法。本发明的制备方法包括:通过静电纺丝制备得到聚丙烯腈纳米纤维,经过机械搅拌和冷冻干燥制备氧化石墨烯/聚丙烯腈纳米纤维气凝胶,再通过高温碳化制备得到石墨烯/碳纳米纤维气凝胶,最后通过一步水热法在石墨烯/碳纳米纤维气凝胶上原位生长硫化钼纳米片。本发明所制备的硫化钼/石墨烯/碳纳米纤维复合材料具有三维多孔的空间结构、导电性好、化学性质稳定等优点,可作为一种理想的高性能电催化材料,以及锂离子电池和太阳能电池等新能源器件的电极材料。

标签:
加工技术
上海 - 上海 来源:中冶有色网 2023-03-18
氮化硅陶瓷烧结体及其制备方法

本发明属于陶瓷材料技术领域,具体涉及一种氮化硅陶瓷烧结体及其制备方法。本发明提供的氮化硅陶瓷烧结体中氮化硅结晶相的含量≥98wt%;相对密度≥99%;气孔率≤1%;晶界相元素包括Li元素、O元素、N元素和Si元素;氮化硅陶瓷烧结体中C元素、F元素、Al元素、Mg元素、K元素、Ca元素、Na元素和稀土金属元素的总含量<0.1wt%。本发明提供的氮化硅陶瓷烧结体氮化硅晶粒排布密集,同时具有高纯度和高致密化的特点,且高温力学性能优异。本发明提供的制备方法将氮化硅粉体和氧化锂源混合进行烧结,以氧化锂源作为烧结助剂,能够烧结得到的氮化硅陶瓷同时具有高纯度和高致密化的特点,且高温力学性能优异。

标签:
加工技术
甘肃 - 兰州 来源:中冶有色网 2023-03-18
聚合物基电解质及其制备方法和固态电池

本发明涉及一种聚合物基电解质及其制备方法和固态电池,属于锂离子电池领域。该聚合物基电解质包括由第一聚合单体与第二聚合单体通过碳碳双键聚合的聚合物基体,以及分散在聚合物基体中的锂盐;所述第一聚合单体占第二聚合单体重量的0.01%~10%;所述第一聚合单体为端部具有含碳碳双键基团的聚氨酯低聚物,分子量为1000~20000;所述第二聚合单体包括丙烯酸酯类单体和碳酸酯类单体。本发明提供的聚合物基电解质,具有较高的室温离子电导率、较高的电化学窗口、较高的氧化电位,可应用于高电压三元正极材料体系中。

标签:
加工技术
河南 - 郑州 来源:中冶有色网 2023-03-18
利用高杂磷酸制备磷酸铁的方法、正极材料的制备方法

本申请属于材料技术领域,尤其涉及一种利用高杂磷酸制备磷酸铁的方法,以及一种正极材料的制备方法。包括步骤:加水稀释高杂磷酸,过滤得到预处理高杂磷酸,采用含氟除杂剂对预处理高杂磷酸进行化学除杂处理,得到化学除杂磷酸;对化学除杂磷酸进行萃取除杂处理,得到净化磷酸;将净化磷酸与铁元素的质量百分含量不低于88%的铁源混合后进行热反应,得到磷酸二氢亚铁溶液;将磷酸二氢亚铁溶液与氧化剂混合,调节pH值至2~4,得到二水磷酸铁。本申请以高杂磷酸为原料制备二水磷酸铁,在酸性条件下溶解性好,能作为制备磷酸铁锂电池材料的原料,深度挖掘了高杂质磷酸的潜在价值,降低电池磷酸铁锂正极原材料的成本,降低电池原材料的成本。

标签:
加工技术
广东 - 深圳 来源:中冶有色网 2023-03-18
稀土锆酸盐纳米粉体及其制备方法和应用

本发明涉及稀土锆酸盐纳米材料技术领域,尤其涉及一种稀土锆酸盐纳米粉体及其制备方法和应用。本发明提供的一种稀土锆酸盐纳米粉体的制备方法,包括以下步骤:将稀土氧化物、氧化锆、熔盐和无水乙醇混合,得到混合物料;将所述混合物料进行煅烧,得到所述稀土锆酸盐纳米粉体;所述熔盐包括氯化钠、氯化钾和氯化锂;所述氯化钠、氯化钾和氯化锂的质量比为1:(1~5):(1~5);所述煅烧的温度为1000~1200℃,所述煅烧的时间为2~8h。根据实施例的记载,利用所述制备方法制备得到的稀土锆酸盐纳米粉体的粒径为50~200nm。

标签:
加工技术
广东 - 深圳 来源:中冶有色网 2023-03-18
船舶及其燃料电池动力系统结构

本发明公开了一种船舶及其燃料电池动力系统结构,其中所述燃料电池动力系统结构包括若干组可独立运行的燃料电池装置,所述燃料电池装置包括燃料电池、DC‑DC模块、控制模块、供氢组件和锂电池,所述供氢组件连接燃料电池,所述DC‑DC模块连接于燃料电池的电源输出端,所述锂电池、DC‑DC模块均与控制模块连接,通过DC‑DC模块调节燃料电池的电源输出电压,以适用于不同设备,而且控制模块之间电连接,每一控制模块控制一DC‑DC模块,使控制模块可根据设备用电需求经DC‑DC模块控制燃料电池的输出电压,使每组燃料电池装置可独立运行,以便于定制批量生产,同时还可以组合成一个大功率发电系统,以满足于不同设备所需。

标签:
加工技术
安徽 - 淮北 来源:中冶有色网 2023-03-18
燃料电池子母无人机
燃料电池子母无人机 734     
 0

一种燃料电池子母无人机,包括分布式推进燃料电池动力系统、固定翼无人机和旋翼机,固定翼无人机内设置有分布式推进燃料电池动力系统,固定翼无人机下部连接有若干旋翼机;当飞行器需要大功率推进或起飞时,燃料电池驱动固定翼无人机推进器、旋翼机锂电池驱动旋翼机推进器同时工作,使飞行器能够进行机动飞行和复杂气候条件下起降,当子母无人机进行巡航飞行时,所需推进功率较小,此时固定翼无人机推进器工作,巡航飞行更节能,燃料电池发电,为旋翼机锂电池充电;到达指定的任务地点时,对接夹头打开,旋翼机和固定翼无人机分离,适用场景范围更广,旋翼机回收后与固定翼无人机进行对接锁定,补充电量方便下次使用,实用性更佳。

标签:
加工技术
重庆 - 重庆 来源:中冶有色网 2023-03-18
电致变色用准固态电解质的制备及其应用

本发明涉及一种电致变色用准固态电解质的制备及其应用,原材料包括:无水氯化锂、聚乙烯醇、聚碳酸酯、去离子水。将无水氯化锂、聚乙烯醇和聚碳酸酯按一定比例加入去离子水中,加热搅拌一段时间,制备出准固态电解质。将该电解质用于柔性电致变色器件中。本发明制备工艺简单、成本低;制备的准固态电解质电导率高。能用于电致变色器件中,并能有效提高器件的电致变色性能,有很好的应用前景。

标签:
加工技术
湖南 - 湘潭 来源:中冶有色网 2023-03-18
双链聚环氧乙烷修饰的共价有机框架、制备方法及其应用

本发明公开了一种双链聚环氧乙烷修饰的共价有机框架、制备方法及其应用。所述的共价有机框架通过以PEG‑n,n‑NHNH2(n=1,2,3,6)和1,3,5‑三(4‑甲酰基苯基)苯为原料,以均三甲苯和1,4二氧六环为溶剂,以醋酸作为催化剂,经溶剂热法制得。本发明的共价有机框架具有良好的结晶度和热稳定性,在高温下显示出良好的锂离子传导性能以及固态锂电池循环性能。

标签:
加工技术
江苏 - 南京 来源:中冶有色网 2023-03-18
V3S4@C复合材料及其制备方法与应用

本发明公开一种V3S4@C复合材料及其制备方法与应用。所述复合材料包括一维棒状结构的碳基体以及原位生长在该碳基体表面上的V3S4成分的纳米片。所述制备方法包括如下步骤:(1)将含有V2C MXene材料、对苯二甲酸的溶液进行水热反应,分离出反应液中固体产物,干燥后备用。(2)将步骤(1)的所述固体产物进行退火处理,得到前驱体MIL‑47as。(3)对步骤(2)的所述前驱体MIL‑47as进行气相硫化处理,即得V3S4@C复合材料。当该V3S4@C复合材料作为锂硫电池的正极材料时,既可以作为硫的导电基体,又可以加快长链的多硫化锂向Li2S2与Li2S的转化,有效抑制穿梭效应,提升电池的循环性能。

标签:
加工技术
山东 - 济南 来源:中冶有色网 2023-03-18
提高盐田蒸发浓缩效率的方法

一种提高盐田蒸发浓缩效率的方法,它包括但并不限于在盛有蒸发浓缩前期锂浓度较低的卤水的预浓缩池或蒸发池中,铺上一定数量的蒸发球和一定数量的分隔线,在预浓缩池的出口安装塑料过滤网;所述的蒸发球为塑料空心小球外面包裹布或吸水海绵或其他吸水性好且在袋口处用松紧带抽口或安装塑料拉链的物料袋,通过其毛细效应增大了有效蒸发面积,以使盐池蒸发速率提高或和使蒸发池的面积得以缩小。它具有工艺简单、生产成本低、生产应用的可行性好且经济效益和环境效益显著等优点,适于盐湖提锂应用。

标签:
加工技术
福建 - 龙岩 来源:中冶有色网 2023-03-18
ADSS光缆用防鼠油
ADSS光缆用防鼠油 1077     
 0

本发明涉及一种ADSS光缆用防鼠油,包括以下组分组成:80~100重量份的硅油、10.1~12.7重量份的钠基脂、8.1~9.4重量份的钙基脂、13.1~15.7重量份的锂基脂、5~8重量份的石墨、7~11重量份的磷酸三乙脂和1~2重量份的精油;本发明的优点:通过硅油、钠基脂、钙基脂、锂基脂、石墨、磷酸三乙脂和精油混合制成的防鼠油,使制备后的防鼠油具有良好的抗氧化性、防腐蚀性、绝缘性能、抗磨性能、稳定性和刺激性气味,使防鼠油在涂抹后不会对ADSS光缆表面形成一定的干涉,不会影响ADSS光缆的运行质量,而且能使ADSS光缆承受日晒雨淋的长期侵蚀,从而能有效的延长防鼠油的更换周期,提高了防鼠效果。

标签:
加工技术
浙江 - 湖州 来源:中冶有色网 2023-03-18
储能装置控制方法及储能系统

本申请提供一种储能装置控制方法及储能系统。该储能装置控制方法包括:获取每个储能单元的最大充电功率和最大放电功率;根据每个储能单元的最大充电功率确定所述储能装置的最大充电功率,根据每个储能单元的最大放电功率确定所述储能装置的最大放电功率;根据所述储能装置的最大充电功率、所述储能装置的最大放电功率、所述储能装置的额定充电功率和所述储能装置的额定放电功率,控制所述储能装置中非故障的储能单元以最大充电功率和最大放电功率运行,或控制所述储能装置停止运行。本申请用以对重组的锂电池储能系统进行管理和控制,使得锂电池储能系统的功率输出稳定。

标签:
加工技术
北京 - 北京 来源:中冶有色网 2023-03-18
多元正极材料及其制备方法

本发明属于锂离子电池正极材料技术领域,具体涉及一种多元正极材料的制备方法,包括如下步骤:(1)在氮气氛围的反应釜内,将去离子水作为底液;(2)过渡金属盐混合组成的溶液与氢氧化钠溶液、氨水溶液,流入反应釜;(3)35~75℃、300~1200r/min,调节pH,过渡金属盐混合组成的溶液与氢氧化钠溶液、氨水溶液发生沉淀反应,经静置分离,得到沉淀物,沉淀物经洗涤、烘箱干燥,得到多元前驱体氢氧化物;(4)将多元前驱体氢氧化物与锂源混匀后烧结,得到多元正极材料。工艺简单,反应易控制,适合商业化,市场前景大。本发明制备的多元正极材料产品,成本低,一致性好,电性能优异且更稳定。

标签:
加工技术
浙江 - 湖州 来源:中冶有色网 2023-03-18
铬酸铬包覆三元正极材料的制备方法

本发明提供了一种通过铬酸铬(Cr2(Cr2O7)3)包覆层状正极材料的方法,属于锂离子电池技术领域,该层状正极材料的化学通式是:Li(NixCoyMn1‑x‑y)O2,其中0.5≤x≤0.6,y=0.2,0.2≤1‑x‑y≤0.3。该方法首先将三氧化铬溶于去离子水中,然后加入三元正极材料,再进行超声分散、干燥、热处理等步骤,获得铬酸铬包覆镍钴锰三元正极材料。本发明提供的方法既可以改善层状三元正极材料的循环性能,又可以提高三元材料的首次库伦效率,具有制备方法简单可行、通用性强的优点。

标签:
加工技术
湖北 - 武汉 来源:中冶有色网 2023-03-18
适用于固态电池的电极结构及其构造方法

本发明涉及一种固态电池电极及其构造方法。所述电极由集流体、活性物质、导电剂和粘结剂组成,其特点在于,其中的粘结剂由2种或2种以上组分构成,且其中至少一种是包含结构单元、具有锂离子导通能力的可溶性聚合物C。极片的构造方法在于,C是在极片涂布并干燥后通过滴涂或旋涂的方式转移至极片的。C在毛细作用下在极片孔道中形成连续的锂离子通道,因而保障了电极内有较好的离子输运,从而提升了固态电池的性能。

标签:
加工技术
北京 - 北京 来源:中冶有色网 2023-03-18
镍钴锰三元前驱体包覆LATP的方法

一种镍钴锰三元前驱体包覆LATP的方法,包括:将可溶性锂盐溶液和可溶性铝盐溶液混合,调节pH至4~5,配制成锂和铝的混合溶液A;分别配制碳酸氢铵溶液B、磷酸二氢氨溶液C、钛盐溶液D;在反应釜中加入溶液A作为底液,加入镍钴锰三元前驱体;将溶液B泵入反应釜中,将溶液C和溶液D分别泵入反应釜,分别控制加入时间后停止进料,并继续维持搅拌转速和温度2h,得到浆料;将浆料离心、洗涤、烘干、筛分、除铁得到LATP包覆的NCM三元前驱体材料。采用共沉淀法能够规模化生产LATP包覆的NCM前驱体,包覆层比高温固相法更加均匀。

标签:
加工技术
湖北 - 荆门 来源:中冶有色网 2023-03-18
无光晶体釉及其制备方法

本发明涉及一种装饰晶体釉领域,具体是一种喷蚀刻分散效果无光晶体釉及其制备方法,所述釉组分和各组分质量比如下:长石30~45份:白云石5~6份:界牌泥15~20份:石英15~25份:滑石10~12份:氧化钛10~12份:碳酸锂3~5份:氧化镍1.5~2份:氧化锰2~3份;所述蚀刻分散效果各组分质量比如下:钾长石30~35份:方解石10~15份:氧化锌10~15份:硼砂10~15份:石英10~15份:碳酸锂3~5份:外加140~300目金属钒颗粒0.35克。本发明通过钒金属颗粒的强溶性,使无光晶体釉装饰更加丰富,效果更加自然,整体效果晶莹通透、立体感强,通过低温钒金属颗粒800℃熔融的特性,让钒金属颗粒首先熔融,在通过高温的烧成使釉面的反应更加的自然。

标签:
加工技术
湖南 - 株洲 来源:中冶有色网 2023-03-18
生物可降解的高性能纤维素凝胶膜及其制备方法

本发明提供了一种生物可降解的高性能纤维素凝胶膜及其制备方法,通过一步溶液浇铸交联法制备了机械性能良好且环保的纤维素凝胶膜。本发明所制备的纤维素凝胶膜不仅具有良好的拉伸断裂强度,同时也表现出卓越的电化学性能,包括高达540%的电解质吸收率,高的离子电导率,与锂电极的相容性好,电化学稳定性好。这表明这种天然聚合物膜作为一种高安全、低成本、环保的锂离子电池凝胶聚合物电解质膜具有很大的发展潜力。

标签:
加工技术
安徽 - 合肥 来源:中冶有色网 2023-03-18
多沟道表面修饰非晶态氧化铁纳米球的制备方法

本发明公开了一种多沟道表面修饰非晶态氧化铁纳米球的制备方法,具体步骤如下:(1)配制前驱体溶液;(2)将前驱体溶液转移至水热釜,温度设置在180~200℃,水热处理为1~6h;(3)将沉淀物反复离心、洗涤,去除多余反应离子;(4)烘干,干燥温度为80~110℃,干燥时间为8~12h。本发明采用水热法制备氧化铁纳米颗粒,利用水热反应中的熟化和氢离子蚀刻的协同效应,得到多沟道表面修饰非晶态氧化铁纳米球。将其作为锂离子电池负极材料,得到较好的电化学性能,这对氧化铁非晶材料在锂离子电池领域进一步发展中具有重要意义。

标签:
加工技术
江西 - 景德镇 来源:中冶有色网 2023-03-18
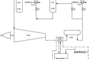
丙烯制冷降耗方法和系统

本发明属于丙烯制冷技术领域,公开了一种丙烯制冷降耗方法和系统。该系统包括多段位丙烯制冷压缩机、收集缓冲罐、多级温位丙烯冷剂用户、多级吸入罐、溴化锂制冷单元和冷量回收换热器;冷量回收换热器设置在所述多段位丙烯制冷压缩机与收集缓冲罐之间;溴化锂单元用于为所述冷量回收换热器提供冷量;多段位丙烯制冷压缩机的段数比多级吸入罐的个数少至少一段,多级吸入罐的个数与多级温位丙烯冷剂用户的个数相同。本发明利用冷冻水冷却丙烯制冷压缩机的出口气相,降低丙烯制冷压缩机末段所需的压力,从而降低丙烯制冷压缩机压比,使得所述多段位丙烯制冷压缩机的段数减少至少一段。

标签:
加工技术
北京 - 北京 来源:中冶有色网 2023-03-18
预应力陶瓷及其制备方法

本发明公开了一种预应力陶瓷及其制备方法,包括坯体和位于坯体表面的第一预应力层,第一预应力层热膨胀系数小于坯体的热膨胀系数;第一预应力层的原料包括方解石、高岭土、石英、锂辉石、氧化锌、碳酸钡和熔块;其中,熔块的原料包括高岭土、石英、滑石、白云石、氧化铝、氧化锌、硅灰石和锂辉石。本发明的预应力陶瓷,通过在坯体的表面和底面均分别设置有第一预应力层,当陶瓷受到外部一定的张应力时会被第一预应力层的预应力所抵消,从而大大提高陶瓷的强度和韧性,避免陶瓷结构被破坏,解决了现有陶瓷耐冲击能力较低和强度低的问题,优选的,本发明的预应力陶瓷为建筑陶瓷领域。

标签:
加工技术
广东 - 佛山 来源:中冶有色网 2023-03-18
三电极电芯结构及其制备方法、测试负极电位的方法

本发明提供了一种三电极电芯结构及其制备方法、测试负极电位的方法。该三电极电芯结构中,至少一组极组还包括第一参比电极、第二隔膜、第二参比电极以及第三隔膜,第一参比电极位于负极和第一隔膜之间;第二隔膜位于负极和第一参比电极之间;第二参比电极位于正极和第一隔膜之间;以及第三隔膜位于正极和第二参比电极之间。在实际测量过程中,可在进行叠片、卷绕电芯的生产过程中,按照本发明提供的三电极电芯结构进行组装,然后通过测试负极和第一参比电极的电位差、负极和第二参比电极之间的电位差,即可修正三电极测试中因引入隔膜产生的极化,在充电过程中测量得到更准确的负极电位,进而为判断锂电池是否发生析锂提供更准确的数据支撑。

标签:
加工技术
江苏 - 常州 来源:中冶有色网 2023-03-18
润湿型复合路面抑尘剂及其使用方法

本发明提供一种润湿型复合路面抑尘剂,由吸湿剂、保湿剂、增稠剂与表面活性剂组成;所述的吸湿剂选自溴化锂、氯化锂或果糖,保湿剂选自PCA‑Na、三甲基甘氨酸或聚乙二醇,增稠剂选自羧甲基纤维素钠、氧化胺、水玻璃或聚丙烯酰胺,表面活性剂选自十二烷基苯磺酸钠、十二烷基磺酸钠或者丁二酸钠。本发明润湿型复合路面抑尘剂无毒、无副作用,价格低廉、性能优异、有效作用时间长、不污染环境、原料易购、使用方便。

标签:
加工技术
甘肃 - 兰州 来源:中冶有色网 2023-03-18
具有改进的性质的玻璃陶瓷制品及其制造方法

包含二硅酸锂盐晶相、透锂长石晶相和残留玻璃相的玻璃陶瓷制品。玻璃陶瓷制品具有:翘曲(μm)<(3.65x10‑6/μm x对角线2),式中,对角线是玻璃陶瓷制品的对角线测量,单位是μm;每mm玻璃陶瓷制品厚度小于30nm延迟的应力;雾度(%)<0.0994t+0.12,式中,t是玻璃陶瓷制品的厚度,单位是mm;和对于450nm至800nm的电磁辐射波长,光学透射率(%)>0.91x10(2‑0.03t),式中,t是玻璃陶瓷制品的厚度,单位是mm。

标签:
加工技术
其他 - 其他 来源:中冶有色网 2023-03-18
上一页 1977 1978 1979 1980 1981 ... 2000 ... 5000 ... 6681 下一页
共6681页    到第

中冶有色为您提供最新的有色金属加工技术理论与应用信息,涵盖发明专利、权利要求、说明书、技术领域、背景技术、实用新型内容及具体实施方式等有色技术内容。打造最具专业性的有色金属技术理论与应用平台!

全国热门有色金属设备推荐
展开更多 +
全国热门有色金属技术推荐
展开更多 +

 

江西省隆恩特环保设备有限公司
宣传

报名参会
更多+

报告下载

有色专家
更多+

石家庄铁道大学
团委书记/副教授
中国矿业大学
副院长/教授
重庆大学
副院长/教授
长沙矿冶院检测技术有限责任公司
总经理
长沙有色冶金设计研究院有限公司
正高级工程师/中国铝业首席工程师/全国有色金属行业设计大师/国家注册采矿工程师
赤泥综合利用研究报告2025
推广

热门技术
更多+

推荐企业
更多+

福建省金龙稀土股份有限公司
宣传

发布

在线客服

公众号

电话

顶部
咨询电话:
010-88793500-807