青岛垚鑫智能科技有限公司
宣传

位置:北方有色 >

有色技术频道 >

> 加工技术

分类:
全部
矿山技术
冶金技术
材料制备及加工技术
环境保护技术
分析检测技术
 
全部
功能材料技术
复合材料技术
新能源材料技术
合金材料技术
加工技术
地区:
全部
北京
天津
上海
重庆
河北
山西
辽宁
吉林
黑龙江
江苏
浙江
安徽
福建
江西
山东
河南
湖北
湖南
广东
海南
四川
贵州
云南
陕西
甘肃
青海
内蒙
广西
西藏
宁夏
新疆
其他
其他
展开
 
全部
沈阳
大连
鞍山
抚顺
本溪
丹东
锦州
营口
阜新
辽阳
盘锦
铁岭
朝阳
葫芦岛

辽宁大连有色金属加工技术理论与应用

免费发布技术信息>>
热电联合的混水与分水式热泵供暖装置

热电联合的混水与分水式热泵供暖装置,属于供热余热回收与热量分配领域,为了解决为溴化锂热泵提供高温热源,且热量供需不匹配,将高温电厂水和存储水的热量分级供给用户端的问题,所述的混水器包括第一入口、第二入口及出口;板式换热器的冷水流道连接第二输出管路,乏汽装置的换热管路并行连通蒸汽热泵机组的蒸发器及各溴化锂热泵机组的低温热源,所述蒸汽轮机的换热管路并行连通各溴化锂热泵机组的高温热源,效果是高温水是由低温电厂水在乏汽装置、蒸汽轮机提供热源,并由蒸汽热泵机组和多个溴化锂热泵机组逐级提升热量,为溴化锂热泵提供高温热源,实现了电厂水的循环利用。

标签:
加工技术
辽宁 - 大连 来源:北方有色网 2023-03-18
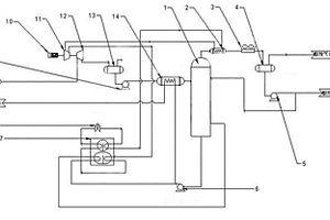
应用在尿素脱腊工艺的冷却系统

一种应用在尿素脱腊工艺的冷却系统,涉及溴化锂吸收式制冷技术领域。溴化锂吸收式制冷机单元连接驱动热源控制单元与主控制系统单元,套管反应器连接溴化锂吸收式制冷机单元的冷冻水系;主控制系统单元包括用于实时检测溴化锂吸收式制冷机单元的各点温度、内部压力、再生液位以及冷冻水系与冷却水系流量数据的控制执行单元;套管反应器内与冷冻水泵送入其壳程的新鲜冷冻水换热降温。本发明采用大温差溴化锂吸收式制冷机组的大温差小流量设计,不仅可以降低设备投资,还可以大幅降低动力设备的运行费用;主控制系统采用一种自适应PID温度控制算法和安全连锁控制方式,可减小或消除尿素脱蜡冷却系统由于水流量不稳定导致的温度大幅波动。

标签:
加工技术
辽宁 - 大连 来源:北方有色网 2023-03-18
可替代铱催化剂的复合催化剂及其制备方法和应用

一种可替代铱催化剂的复合催化剂制备方法及应用,催化剂是由活性金属钌和莫来石纤维、粘合材料、锂辉石、滑石组成的复合催化剂,具有一定的宏观形状;该复合催化剂的组成如下:以莫来石纤维和粘合材料的总质量计为100%,其中莫来石纤维质量百分比为50%~80%。锂辉石质量百分比为0.5%~5%,滑石质量百分比1%~5%,活性金属钌质量百分比为25%~40%。锂辉石质量百分比为锂辉石质量/莫来石纤维和粘合材料总质量×100%,滑石质量百分比为锂辉石质量/莫来石纤维和粘合材料总质量×100%,活性金属钌质量百分比为钌质量/莫来石纤维和粘合材料总质量×100%。与现有技术相比,本发明的复合催化剂具有优秀的肼类推进剂和绿色推进剂分解活性,可以取代铱催化剂,解决对战略物资铱的依赖度。

标签:
加工技术
辽宁 - 大连 来源:北方有色网 2023-03-18
双阳离子液体电解液及其制备和应用

本发明涉及一种双阳离子液体电解液及其制备和应用,该双阳离子以含氮芳香化合物、卤代物和锂盐为原料,通过取代反应和离子交换反应制备而成的双阳离子液体;应用于锂硫电池中具有抑制飞梭效应的效果,同时可抑制聚硫根离子对锂负极的腐蚀以及锂枝晶的生长,通过阴阳离子协同作用,有效提高锂硫电池循环寿命,具有良好的应用前景。

标签:
加工技术
辽宁 - 大连 来源:北方有色网 2023-03-18
Bi<sub>2</sub>Mn<sub>4</sub>O<sub>10</sub>化合物及其制备和应用

本发明涉及一种Bi2Mn4O10化合物及其制备方法,该化合物作为锂离子电池负极材料应用于锂离子电池中。采用溶胶凝胶‑燃烧法或固相球磨法可制备Bi2Mn4O10化合物和Bi2Mn4O10/C锂离子电池负极材料;具有较好的锂离子电池充放电性能,循环稳定性良好,工作电压合适,可用作锂离子电池负极材料。

标签:
加工技术
辽宁 - 大连 来源:北方有色网 2023-03-18
热电联合的混水与分水式热泵供暖方法

热电联合的混水与分水式热泵供暖方法,属于供热余热回收与热量分配领域,为了解决为溴化锂热泵提供高温热源,且热量供需不匹配,将高温电厂水和存储水的热量分级供给用户端的问题,第二分水器分出与热电联产装置输入的等量的水,并由电厂冷凝气回水管输送回电厂,其余的水被管路输送至分水器作为回水;蒸汽轮机产生的100℃的高温蒸汽进入第一溴化锂热泵机组作为高温热源,第一溴化锂热泵机组的中温热源的出水50℃左右的二级换热水,效果是高温水是由低温电厂水在乏汽装置、蒸汽轮机提供热源,并由蒸汽热泵机组和多个溴化锂热泵机组逐级提升热量,为溴化锂热泵提供高温热源,实现了电厂水的循环利用。

标签:
加工技术
辽宁 - 大连 来源:北方有色网 2023-03-18
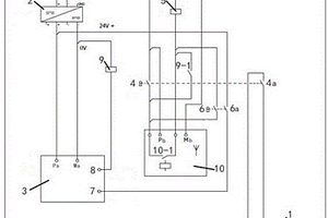
具有自动睡眠及唤醒功能的自动导航小车

本发明公开一种具有自动睡眠及唤醒功能的自动导航小车,有锂电池,锂电池通过开关电源与PLC的Pa、Ma端相接,在锂电池的正负极之间设有相串联的第一钥匙开关及上电接触器,所述上电接触器的常开接点串联在锂电池与开关电源之间,与第一钥匙开关并联有第一辅助开点,所述第一辅助开点与锂电池相接以控制锂电池的开关机状态,设有第二钥匙开关,与第二钥匙开关并联有第二辅助开点,所述第二钥匙开关与第一钥匙开关串联,所述第二辅助开点串联在PLC的输入端和Pa端之间,所述PLC的输出端和Ma端之间接有继电器,继电器的常开接点与第二钥匙开关并联。具有自动化程度高、操作容易、节约电能及降低使用成本等优点。

标签:
加工技术
辽宁 - 大连 来源:北方有色网 2023-03-18
用于水下供电的组合能源系统

本发明公开了一种用于水下供电的组合能源系统,包括镁海水燃料电池、控制单元、一级锂电池、电压转换器、深海着陆器、升压电路、降压电路、充电器、二级锂电池、保护电路和深海潜水器。本系统工作状态下一方面由一级锂电池和镁海水燃料电池配合工作为深海着陆器提供稳定电能,另一方面一级锂电池为深海潜水器供电,同时对二级锂电池充电,确保深海潜水器具有长时间探测作业所需的足够电能,因此本发明能够满足深海装备长时间探测作业的需求,具有工作稳定、无须维护、低成本、高可靠性等优点,实现了深海潜水器用电设备的稳定功率供给,同时解决水下系缆线路较长导致的功率损耗大问题。

标签:
加工技术
辽宁 - 大连 来源:北方有色网 2023-03-18
节能型脱硫溶剂再生系统及工艺

本发明公开了一种节能型脱硫溶剂再生系统及工艺,其中的节能型脱硫溶剂再生系统,包括设有再生塔的溶剂再生系统、内循环里设有热泵工质的热泵工质系统、为再生塔塔底溶剂的再沸提供热量的溴化锂提温系统;所述的节能型脱硫溶剂再生工艺,包括A.溶剂再生工艺、B.热泵工质工艺、C.溴化锂提温工艺。本发明利用热泵工质提取再生塔塔顶的气相潜热,经压缩后为溴化锂提温系统提供热量及冷源,使溴化锂提温系统内溴化锂溶液与水蒸气接触吸收后产生的高温为再生塔塔底溶剂提供再沸热源。本发明适用于炼厂、化工厂等场所,用于以MDEA溶剂法脱硫。

标签:
加工技术
辽宁 - 大连 来源:北方有色网 2023-03-18
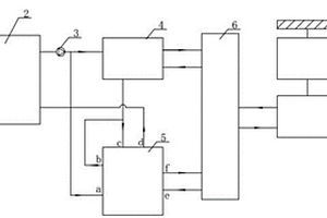
新型谷电储能供热系统
新型谷电储能供热系统 1047     
 0

一种新型谷电储能供热系统,储能设备与储电电源相连,储能设备的出口连接循环水泵入口端,循环水泵出口端分为两路,一路连接到板式换热器高温水入口,另一路连接到溴化锂热泵机组驱动热源入口a口;板式换热器高温水出口通过管路连接到溴化锂热泵机组的冷媒水入口c口,溴化锂热泵机组的冷媒水出口d口连接到储能设备的入口,溴化锂热泵机组的驱动热源出口b口通过管路连接到溴化锂热泵机组的冷媒水入口c口的管路上,溴化锂热泵机组的冷却水入口e和冷却水出口f通过管路连接到热用户;水源热泵机组的驱动电源连接到全钒液流电池,全钒液流电池连接到太阳能光伏板。此系统可有效提高储能设备的储热效率,节省运行费用。

标签:
加工技术
辽宁 - 大连 来源:北方有色网 2023-03-18
合成二茂铁硼酸酯的新方法

本发明涉及二茂铁硼酸的合成方法。一种合成二茂铁硼酸酯的新方法,a)二茂铁锂盐的合成:以二茂铁为原料,在无水醚类溶剂中与正丁基锂在0-40度反应得到二茂铁的锂盐;b)二茂铁硼酸的合成:在-50度将B(OR)3(其中R为烷基)加到二茂铁的锂盐溶液中,自然升温到室温,搅拌2-15小时,加入碱性水溶液淬灭未反应完的正丁基锂,分液,有机相用碱性水溶液洗一次,水相用酸调PH=6-7,析出二茂铁硼酸粗品,抽滤用水洗两次;c)二茂铁硼酸酯的合成;加入芳烃溶剂中,再加入频哪醇,加热回流分水6-12小时,蒸干溶剂,柱层析分离得到二种产物。本发明操作简单,使用均一溶剂,且不用合成溴代物直接得到硼酸,不用使用TMEDA等氨基化合物,不使用超低温反应,合成分离比较容易。

标签:
加工技术
辽宁 - 大连 来源:北方有色网 2023-03-18
余热回收式谷电储能采暖系统

余热回收式谷电储能采暖系统,包括太阳能集热器、储热水箱、储电电源、储能设备和溴化锂热泵机组;太阳能集热器与储热水箱相连,储能设备与储电电源相连,储热水箱的出口与储能设备的出口通过管路并行连接到溴化锂热泵机组的驱动热源入口a口,储热水箱的入口与储能设备的入口通过管路并行连接到溴化锂热泵机组的驱动热源出口b口;溴化锂热泵机组的冷媒水入口c口通过管路连接到冷凝器的出口管路上,溴化锂热泵机组的冷媒水出口d口通过管路连接到冷凝器的入口管路上;溴化锂热泵机组的冷却水入口e和冷却水出口f通过管路连接到热用户,本实用新型利用低谷电和太阳能将热电厂的余热进行回收,达到节能的目的。

标签:
加工技术
辽宁 - 大连 来源:北方有色网 2023-03-18
便携式移动电源
便携式移动电源 933     
 0

本实用新型公开了一种便携式移动电源,其特征在于包括外部电源接口、太阳能电池组、手摇发电机组、电源切换开关及电压指示电路、锂电池充电电路、聚合物锂电池及其保护电路和升压电路及输出接口;外部电源接口、太阳能电池组的稳压及保护电路和手摇发电机组的整流及稳压保护电路分别同电源切换开关及电压指示电路相连接;电源切换开关及电压指示电路同锂电池充电电路相连接,锂电池充电电路同聚合物锂电池及其保护电路相连接;放电时,聚合物锂电池及其保护电路通过开关后连接到升压电路及输出接口上,外部负载连接在升压电路及输出接口上以获取电能。该便携式移动电源,极大的提高了便携电源的可用性与便携性。

标签:
加工技术
辽宁 - 大连 来源:北方有色网 2023-03-18
可加热型浮子式水位计

本实用新型公开了一种可加热型浮子式水位计,包括水位轮,所述悬索的外壁与水位轮间歇配合,所述悬索的一端固接有浮子外壳,所述浮子外壳的内壁贴合有PI电热膜,所述PI电热膜的内壁固接有有两个耐热橡胶垫,所述耐热橡胶垫的内壁贴合有锂电池,所述锂电池的正负极通过电线与PI电热膜电连接。该可加热型浮子式水位计,通过悬索、浮子外壳、PI电热膜和锂电池之间的配合,将锂电池放入浮子外壳内部,并将锂电池的正负极与PI电热膜的导线连接,随后将浮子外壳放入水中,PI电热膜开始放热,耐热橡胶垫将热量与锂电池分离,防止锂电池损坏,浮子外壳可以有效的防止水进入内部,解决了浮子式水位计无法自行加热,导致在冬季时无法使用的问题。

标签:
加工技术
辽宁 - 大连 来源:北方有色网 2023-03-18
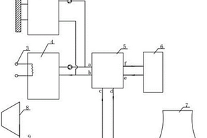
电厂热电联产装置
电厂热电联产装置 1057     
 0

电厂热电联产装置,属于供热余热回收与热量分配领域,为了解决电厂水逐级提高热量的问题,包括乏汽装置(50)、蒸汽轮机(49)、蒸汽热泵机组(48)、第三溴化锂热泵机组(47)、第二溴化锂热泵机组(46)、第一溴化锂热泵机组(45),各溴化锂热泵(38)机组包括高温热源、低温热源和中温热源,所述的乏汽装置(50)的换热管路并行连通蒸汽热泵机组(48)的蒸发器及各溴化锂热泵(38)机组的低温热源,所述蒸汽轮机(49)的换热管路并行连通各溴化锂热泵(38)机组的高温热源,效果是逐级提高热量。

标签:
加工技术
辽宁 - 大连 来源:北方有色网 2023-03-18
具有多级孔分布结构的电极材料及其制备和应用

本发明涉及一种具有多级孔分布结构的电极材料及其制备方法和应用,电极材料是由基本结构单元通过骨架碳连接构成,骨架碳由作为粘结剂的含碳有机物炭化制备而成,电极材料粒径为0.2~20um;基本结构单元包括颗粒型材料,一维线状材料,石墨烯型片层材料。电极材料内部,由结构单元间的间隙构建较小孔径孔,而较大粒径的电极材料粒子间的较大间隙构建较大孔径孔,从而实现了一种材料双孔径分布的目标,极大拓展了其在电池应用中所具备的功能。将该材料应用于锂-空气电池,锂-硫电池,锂亚硫酰氯电池正极,可有效改善电极内的反应物传质,从而提高电池的充放电容量。

标签:
加工技术
辽宁 - 大连 来源:北方有色网 2023-03-18
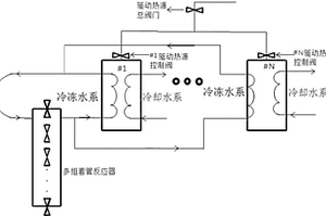
焦炉荒煤气余热回收利用系统

一种焦炉荒煤气余热回收利用系统,属于焦化行业节能环保技术领域。由溴化锂吸收式热泵,循环氨水系统,初冷器等换热单元组成。循环氨水系统与溴化锂吸收式热泵的再生器Ⅰ构成第一换热单元,初冷器上段与溴化锂吸收式热泵的再生器Ⅱ构成第二换热单元,初冷器中段与溴化锂吸收式热泵的蒸发器Ⅰ构成第三换热单元,初冷器下段与溴化锂吸收式热泵的蒸发器Ⅱ构成第四换热单元,实现了循环氨水系统和初冷器中的高、中、低品位的焦炉荒煤气余热的梯级高效回收利用,通过溴化锂吸收式热泵加热纯水用于余热锅炉供水或作为采暖水使用,减少了能源的消耗,大大降低了系统中冷却塔和冷却水泵的投资费用和运转电耗,减少了冷却塔运行时冷却水的飘散损失。

标签:
加工技术
辽宁 - 大连 来源:北方有色网 2023-03-18
防撞清洗篮
防撞清洗篮 928     
 0

本实用新型公开一种防撞清洗篮,包括:清洗篮外框架和由下至上设置在清洗篮外框架内部的两个放置层,在使用时,可将长方体筒状的锂电池外壳放置在放置层内,利用承载杆承载锂电池外壳,利用夹持杆夹持锂电池外壳的两端,从而放置发哦清洗装置进行清洗,由于对锂电池外壳的放置稳固,因此可避免清洗过程中锂电池外壳受损,另外也可以在承载杆的外部包覆第一橡胶套,夹持杆的外部包覆第二橡胶套,进一步避免锂电池外壳受损,结构简单,成本较低,经济实用,可显著提升清洗锂电池外壳的良率。

标签:
加工技术
辽宁 - 大连 来源:北方有色网 2023-03-18
四氧化三钴纳米中空球镶嵌碳片花状复合材料的制备方法及其应用

一种四氧化三钴纳米中空球镶嵌碳片花状复合材料的制备方法及其应用,属于新型功能材料与新能源技术领域。这种融合四氧化三钴纳米中空结构与碳片结构于一体的花状复合材料成功实现了多级结构的有机耦合,制备方法简单可靠。碳片不仅增加了复合材料的导电性,而且作为基体起到了固定空心四氧化三钴纳米球的作用。作为锂离子阳极材料,碳片结构大大缩短了电解质和锂离子的传输距离,四氧化三钴空心结构有利于提高储锂比容量并缓冲充放电过程氧化物的体积膨胀,因此,以上复合材料作为锂离子电池阳极材料有助于开发高比容量和优异循环性能的锂离子电池。本发明为高性能锂离子电池阳极材料的制备提供了一种很好的设计策略。

标签:
加工技术
辽宁 - 大连 来源:北方有色网 2023-03-18
列车车轴发电装置
列车车轴发电装置 791     
 0

本实用新型公开了一种列车车轴发电装置,包括车轴发电机、两组锂电池组和一个电池箱,所述的电池箱是一个可快速更换电池的电池箱,所述的车轴发电机和电池箱均悬挂在列车底部,车轴发电机通过皮带与安装在车轴上的皮带轮连接;所述的两组锂电池组分别为列车车厢供电系统电池组和列车多余电能储存电池组。由于本实用新型在列车车轴发电机的输出端设计了两组适当容量的锂电池组,锂电池组具有快速充电、高容量、体积小等优点,其中一组锂电池组储存电能同时向车厢供电系统提供电能,保证车厢用电系统正常工作。另一组锂电池组则储存列车发电机所产的过剩电能,这一组锂电池组方便拆装以便将这部分过剩电能利用到其他地方,达到节能减排的效果。

标签:
加工技术
辽宁 - 大连 来源:北方有色网 2023-03-18
用于叠片机的辅助治具
用于叠片机的辅助治具 1105     
 0

本实用新型公开了一种用于叠片机的辅助治具,包括一平板以及手柄,所述手柄从所述平板的一侧边沿向远离所述平板的方向延伸,所述平板具有多个用于放置锂片的凹槽,每一所述凹槽由底面和三个分别固定在所述底面的三个方位的限位件构成,第一限位件和第三限位件的位置相对,并且所述第一限位件和所述第三限位件之间的宽度为所述锂片的宽度,第二限位件对应着所述锂片的滑入口,所述多个凹槽的滑入口位于所述平板的同一侧。本实用新型能够提高金属锂片的摆片速度,提高生产效率,避免在摆放过程中金属锂片变形。提高金属锂片的摆片速度,提高生产效率,避免在摆放过程中金属锂片变形。

标签:
加工技术
辽宁 - 大连 来源:北方有色网 2023-03-18
2,3-二卤甲苯的制备方法

本发明公开一种制备如下通式(I)所示的2,3-二 卤甲苯的方法,该方法包括:使金属锂和卤代烷在第一溶剂中 反应生成金属锂有机化 合物;及在生成的金属锂有机化合物存在下使如下通式(II)所示 的邻二卤苯在第二溶剂中与甲基化试剂反应,其中在通式(I)和 (II)中X1、 X2分别选自F、Cl、Br或I。本 发明制得的2,3-二卤甲苯是制备药物活性分子的重要中间 体。

标签:
加工技术
辽宁 - 大连 来源:北方有色网 2023-03-18
磷酸亚铁铵、其制备方法及用途

本发明提供一种磷酸亚铁铵、其制备方法及用途,磷酸亚铁铵的通式为:NH4FexM(1‑x)PO4,其中x=大于0,小于等于1;M选自V、K、Co、Mn、Zn、Mg、Ni、Al、Ti、Nb、Zr和Cu中的一种或多种。本发明还公开了磷酸亚铁铵制备磷酸铁锂的方法包括以下步骤:将亚铁盐、磷源和氨水混合,调整反应体系pH为6~7,反应生成磷酸亚铁铵;所述亚铁盐与磷源的摩尔比为0.95~1.03:0.95~1.03;将磷酸亚铁铵在惰性气氛保护下高温还原煅烧,获得焦磷酸亚铁;所述焦磷酸亚铁与锂盐、碳源混合、粉碎、球磨;煅烧包碳、合成,获得磷酸铁锂。本发明生产工艺简单,生产精度要求低,易于制备及掺杂。

标签:
加工技术
辽宁 - 大连 来源:北方有色网 2023-03-18
固态电池
固态电池 746     
 0

本发明公开了一种固态电池及其制备方法。固态电池由正极、有机‑无机复合固体电解质隔膜和负极构成。所述有机‑无机复合固体电解质隔膜与正极具有良好的化学和电化学稳定性;与负极不仅具有较小的界面阻抗,而且能够抑制锂枝晶的生长。本发明制备的固态电池不仅界面阻抗小,而且界面副反应可控,能够匹配多种正、负极,无锂枝晶生长现象,从而使得固态电池具有高比能量和长循环寿命。并且本发明设计的固态电池的制备工艺与现有的锂离子电池的制备工艺相匹配,符合大规模生产的需求。

标签:
加工技术
辽宁 - 大连 来源:北方有色网 2023-03-18
1-(2,3,5,6-四氟苯基)-2,2-二甲基丙酮化合物及制备方法

一种1-(2, 3, 5, 6-四氟苯基)-2, 2-二甲基丙酮化合物,其结构式为:???。所述化合物的一种合成方法是以1, 2, 4, 5-四氟苯为原料,经过与正丁基锂交换生成2, 3, 5, 6-四氟苯基锂,再与叔丁基甲腈加成,最后水解成产物;另一种合成方法是以2, 3, 5, 6-四氟苯甲腈为原料,经过与叔丁基锂加成,最后水解成目标产物。本发明的化合物在应用过程中具有合成时间短、成本低的优点。

标签:
加工技术
辽宁 - 大连 来源:北方有色网 2023-03-18
无机磷酸盐晶体材料的制备方法

一种无机磷酸盐晶体材料,具有由铝、氧、磷、氟四种元素组成的二维电负性骨架结构,钠离子和/或锂离子位于二维电负性骨架的层间和孔道间,表达式为Na5-XLiXAl3(PO4)6F6。制备方法为:将铝源、钠的磷酸盐和/或锂的磷酸盐、氟化物、去离子水按照3-5∶6-10∶6-10∶20-100的摩尔比混合,搅拌形成初始凝胶;用氢氧化钠溶液和/或氢氧化锂溶液将步骤a所得初始凝胶的pH值调至8-9;将步骤b所得凝胶在水热条件下晶化,晶化温度为120-160℃,晶化时间为12-90小时,得到所述无机磷酸盐晶体材料。本发明的无机磷酸盐晶体材料提高了作为固体电解质和无机离子交换剂方面的性能。

标签:
加工技术
辽宁 - 大连 来源:北方有色网 2023-03-18
合成叔丁基亚磺酰胺的工艺方法

本发明涉及有机化合物的合成方法。一种合成叔丁基亚磺酰胺的工艺方法,a)-50~-70℃,将三苯基卤代甲烷加到液氨中,得N甲基三苯基氨;b)-60~-70℃,将正丁基锂加入N甲基三苯基氨的有机溶液中,得N甲基(三苯基)氨基锂的有机溶液;c)-50~-70℃,将(S)-叔丁基亚磺酸叔丁硫酯的有机溶液滴入N-甲基(三苯基)氨基锂中,用水萃灭,硫酸二甲酯除臭,氨水破坏过量的硫酸二甲酯,后处理得(S)-N-甲基(三苯基)叔丁基亚磺酰胺;d)取c)得产品,加入稀酸,调节pH至3,用碱性溶液中和至pH13-14,后处理得(S)-叔丁基亚磺酰胺。本发明操作简便,工艺稳定性好,避免深冷低超低温,氨气用量降低,除掉恶臭气味,易于实现工业化生产。

标签:
加工技术
辽宁 - 大连 来源:北方有色网 2023-03-18
改性石墨负极材料及其制备方法与应用

本发明涉及电极材料,尤其涉及一种改性石墨负极材料及其制备方法与应用。改性石墨负极材料包括:石墨;以及锂盐材料层,所述锂盐材料层包覆在石墨至少90%的外表面上;其中,锂盐材料层的厚度为10~100nm。改性石墨负极材料有效改善了负极极片与电解液的浸润性,提高了负极极片的保液能力,减少了锂离子的界面反应阻抗,有效改善了石墨材料的嵌锂动力学特性;由于锂离子的界面反应阻抗降低,电芯的低温性能、倍率性能得到相应优化,特别是在电池快速充电与放电方面上有明显地提升,电池表面温度也相对较低;本发明所提供的锂离子二次电池,与现有技术中的锂离子二次电池(以石墨为负极材料)相比,电池首次效率更高,且高出4~6%。

标签:
加工技术
辽宁 - 大连 来源:北方有色网 2023-03-18
混合电力船舶推进系统的优化控制方法

本发明公开了一种混合电力船舶推进系统的优化控制方法,包括:设置柴油机发电机组油耗曲线系数、负载功率和锂电池组参数;根据负载功率计算负载功率的等效电阻;根据锂电池组的荷电状态确定锂电池组的充电/放电时间;根据锂电池组的充电时间和放电时间计算锂电池组的工作系数;采用粒子群算法计算柴油发电机组最优油耗值;根据油耗曲线系数、负载功率、锂电池组参数、负载功率的等效电阻、锂电池组的工作系数以及最优油耗值计算柴油发电机组最优输出功率、储能单元最优分配系数;根据最优输出功率和最优分配系数对混合电力船舶推进系统进行优化。本发明可以有效的节省柴油机发电机组的燃料,提高了工作效率。

标签:
加工技术
辽宁 - 大连 来源:北方有色网 2023-03-18
提高全钒液流电池负极电解液稳定性的方法

本发明涉及一种提高全钒液流电池负极电解液稳定性的方法,所述负极电解液中添加有含锂的盐类,含锂的盐类为双三氟甲烷磺酰亚胺锂(LiTFSI),双氟磺酰亚胺锂(LiFSI),二草酸硼酸锂(LiBOB),三氟甲磺酸锂(LiOTF)中的一种或二种以上:所述含锂的盐类在电解液中的浓度为0.001wt%~5wt%。本发明使用的含锂盐类作为电解液的稳定剂,既能有效提高电解液在高质子浓度下的稳定性,实现电池的稳定运行,又能提高电解液中钒离子的浓度,提高电池能量密度。本发明制备工艺操作简单、节能环保、成本低、同时能够实现电解液在电池中的稳定运行。

标签:
加工技术
辽宁 - 大连 来源:北方有色网 2023-03-18
上一页 17 18 19 20 21 ... 42 下一页
共42页    到第

北方有色为您提供最新的辽宁大连有色金属加工技术理论与应用信息,涵盖发明专利、权利要求、说明书、技术领域、背景技术、实用新型内容及具体实施方式等有色技术内容。打造最具专业性的有色金属技术理论与应用平台!

全国热门有色金属设备推荐
展开更多 +
全国热门有色金属技术推荐
展开更多 +

 

江西省隆恩特环保设备有限公司
宣传

报名参会
更多+

报告下载

有色专家
更多+

中南大学
中国工程院院士
洛阳有色矿业集团有限公司
生产技术部经理
有研资源环境技术研究院(北京)有限公司
副总经理/教授级高工
西安建筑科技大学
院长/教授
广东省科学院工业分析检测中心
副主任
赤泥综合利用研究报告2025
推广

热门技术
更多+

推荐企业
更多+

福建省金龙稀土股份有限公司
宣传

发布

在线客服

公众号

电话

顶部
咨询电话:
010-88793500-807