青岛垚鑫智能科技有限公司
宣传

位置:中冶有色 >

有色技术频道 >

> 新能源材料技术

分类:
全部
矿山技术
冶金技术
材料制备及加工技术
环境保护技术
分析检测技术
 
全部
功能材料技术
复合材料技术
新能源材料技术
合金材料技术
加工技术
地区:
全部
北京
天津
上海
重庆
河北
山西
辽宁
吉林
黑龙江
江苏
浙江
安徽
福建
江西
山东
河南
湖北
湖南
广东
海南
四川
贵州
云南
陕西
甘肃
青海
内蒙
广西
西藏
宁夏
新疆
其他
其他
展开
 
全部
济南
青岛
淄博
枣庄
东营
烟台
潍坊
济宁
泰安
威海
日照
滨州
德州
聊城
临沂
菏泽

山东济南有色金属新能源材料技术理论与应用

免费发布技术信息>>
用于船舶新能源的供能组散热装置

本发明涉及船舶配件技术领域,具体是一种用于船舶新能源的供能组散热装置,包括:安装箱,所述安装箱内侧设置有供能组;支撑箱,所述支撑箱设于所述安装座与所述供能组之间;散热机构,所述散热机构设于所述安装箱外侧,且与所述安装箱相连;其中,所述散热机构包括:散热箱,所述散热箱设于所述安装箱外侧;换气组件,所述换气组件设于所述散热箱与所述安装箱之间;吸热组件,所述吸热组件设于所述散热箱内侧,且与所述支撑箱相连,通过设置安装箱和散热箱,散热机构在实现对供能组散热的同时,不会影响供能组在使用时的密封性,保证了供能的安全性,而换气组件和吸热组件,能对供能组进行多重散热,大大提升散热性能。

标签:
新能源
山东 - 济南 来源:中冶有色网 2023-03-18
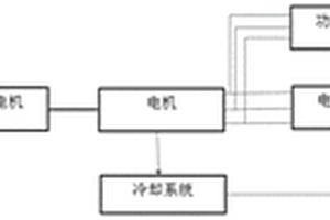
新能源汽车电驱系统自动工况测试系统及方法

本发明公开了一种新能源汽车电驱系统自动工况测试系统及方法,系统包括电池模拟器、电机控制器、电机、测功机电机、测功机控制单元、水路循环冷却系统和功率分析仪;所述电机控制器与电池模拟器之间柔性连接,所述电机与电机控制器之间柔性连接,所述测功机电机与电机通过传动轴和法兰盘机械链接,所述测功机控制单元与测功机电机柔性连接,所述冷却系统分别与电机和电机控制器柔性连接,所述功率分析仪与电机控制器柔性连接。本发明不仅线路清晰,便于测试及故障分析,满足了不同车型需求,维护成本低,自动工况测试结果准确度高;而且验证并且实现了自动工况下的模拟道路环境测试工作,并且更加趋近于真实状态。

标签:
新能源
山东 - 济南 来源:中冶有色网 2023-03-18
新能源电动汽车热泵系统

本发明公开了一种新能源电动汽车热泵系统,包括汽车热泵主体、汽车热泵主体底端的保护机构和汽车热泵主体一侧的密封机构,所述保护机构包括保护座,所述汽车热泵主体的中间设置有外壳,所述外壳的底端设置有保护座,所述保护座的顶端两侧设置有滑板,所述滑板的一侧设置有拉环,所述滑板的另一侧设置有橡胶垫,所述保护座的顶端相对于外壳的底端设置有橡胶环;保护座的设置有效的减少了因路况不好而带来的颠簸和损坏,只需将滑板向两侧滑动,将热泵对准安装即可,不仅安装拆卸简单迅速,同时有效的减小了震动和颠簸,减小了热泵内部器件损坏的情况,同时保证了热泵的工作效率,减少了经济损失。

标签:
新能源
山东 - 济南 来源:中冶有色网 2023-03-18
五位一体新能源销售示范中心挥发气体回收系统

本发明涉及一种五位一体新能源销售示范中心挥发气体回收系统,它包括回收罐,回收罐内设置有制冷盘管,制冷盘管通过A管道连接到压缩机;回收罐内还设置有活塞,活塞通过推拉杆连接到外部的液压缸;还包括增压泵,增压泵的输入端通过B管道连接到气源罐,增压泵的输出端通过C管道连接到回收罐,回收罐还通过D管道连接到气源罐,D管道上设置有第一电磁阀,挥发气体通过E管道连接到回收罐;E管道上设置有第二电磁阀;回收罐内还设置有压力传感器和温度传感器,温度传感器和压力传感器均连接到微控制器的信号输入端,微控制器的信号输出端连接有第一电磁继电器、第二电磁继电器,以及所述的第一电磁阀、第二电磁阀、溶剂回收电磁阀。

标签:
新能源
山东 - 济南 来源:中冶有色网 2023-03-18
五位一体新能源销售示范中心前庭设备控制系统

本发明涉及五位一体新能源销售示范中心前庭设备控制系统,包括服务器和若干第一信号采集装置,用于实时采集销售中心前庭设备销售的能源数据并将所述能源数据发送给服务器;还包括若干第二信号采集装置,用于实施采集用于显示销售中心前庭设备的运行数据和状态参数发送给服务器;所述服务器包括人机界面组态子系统,用于实时显示第一采集装置采集的实时销售的能源数据和用于实时监测销售中心前庭设备的运行状态;所述人机界面组态子系统包括画面组态模块,人机界面组态子系统还包括参数获取模块、分析模块和监控模块;监控模块,用于判断从参数获取模块获得的监控设备的实时状态并对应当前组态画面进行状态显示或数据显示。

标签:
新能源
山东 - 济南 来源:中冶有色网 2023-03-18
新能源客车
新能源客车 784     
 0

本发明公开一种新能源客车,用于解决现有的电池组升温问题。它包括锂电池包、液泵、散热器和液体输送管路,锂电池包包括电池芯、均温组件和壳体,电池芯和均温组件彼此间隔叠加,均温组件包括左壳体、右壳体、导液片和进液管、出液管,左、右壳体为对称结构,导液片内部腔室为冷却液通道,导液片的边沿嵌入在左、右壳体的接缝内,导液片两侧分别与左、右壳体之间形成均温场,在导液片的两侧面上设置有中心孔和螺旋布液槽孔,壳体和导液片通过四根出液管和一根进液管进行连接,形成冷却介质流动通道。本发明可以对均温组件中的冷却介质的流动速度加以控制,达到控制电池芯内部温度的目的。

标签:
新能源
山东 - 济南 来源:中冶有色网 2023-03-18
高比例新能源电网考虑蓄热动态的风火协同调频方法

本发明提出了高比例新能源电网考虑蓄热动态的风火协同调频方法,包括:将主蒸汽压力是作为描述锅炉蓄热状态和蓄热动态的关键参数,建立考虑主蒸汽压力的改进SFR模型;基于建立的模型,由电网频率估计主蒸汽压力的变化,以估计的主蒸汽压力代替实际火电机组的主蒸汽压力,基于主蒸汽压力增发风电功率,以辅助火电机组进行一次调频,弥补由主蒸汽压力下降引起的机械功率减少量。

标签:
新能源
山东 - 济南 来源:中冶有色网 2023-03-18
新能源电动车热管理系统和热管理方法

本发明涉及一种新能源电动车热管理系统和热管理方法,包括制冷剂循环回路、冷却液循环回路和电池加热回路,制冷剂循环回路由依次连接的压缩机、冷凝器、节流元件及蒸发器组成,冷却液循环回路包括依次连接的第一换热器、安装在发热件内部的第二换热器及散热装置,散热装置可选择地连接在第二换热器出口端与第一换热器入口端之间,散热装置包括车内供暖装置和/或车外散热装置,车内供暖装置和车外散热装置并联连接,发热件包括电池、电机及电控件,第一换热器中的冷却液与所述蒸发器中的制冷剂进行热交换。本发明提供了一种综合性热管理系统,可以同时为车上的电池、电机、电控件进行有效的热量管理,达到节能高效的目的。

标签:
新能源
山东 - 济南 来源:中冶有色网 2023-03-18
基于新能源的无花果烘干设备

本发明公开了一种基于新能源的无花果烘干设备,包括发电装置,发电装置输出的电能经过控制装置后为烘干装置供电;所述烘干装置从上至下依次分为三个部分:抽风箱、烘干箱和加热箱;所述抽风箱内设有抽风通道,抽风通道内设抽风机;所述加热箱内设有空气加热机和进风机,进风机与进风口相通,并将空气输送给空气加热机;所述烘干箱内架设烘干部件,所述烘干部件壁上贴附有抗粘性薄膜,所述烘干箱内部设有出风口,出风口与空气加热机连通;所述发电装置为太阳能发电和风力发电结合方式发电。该设备利用太阳能和风力结合发电,避免浪费资源破坏环境,并可以有效加速对无花果的烘干。

标签:
新能源
山东 - 济南 来源:中冶有色网 2023-03-18
基于数据挖掘的新能源远程测试设备故障诊断方法

本发明公开了一种基于数据挖掘的新能源远程测试设备故障诊断方法,现场获取设备特征信息参数、构建数据库、根据设备运行数据源挖掘构建设备故障数据模型与设备正常运行数据模型、对异常数据进行故障诊断分析、故障预警、判定故障原因等。本发明将离线建模、数据挖掘技术和Internet技术相结合,针对远程测试设备结构复杂、运行数据动态不稳定、设备故障交互影响严重、故障定位预警困难等问题,帮助运维检修人员快速排查故障,对由于隐性故障和显性故障交叉影响产生的复合故障所带来的经济风险、安全风险和维修风险定量化,及时控制大型复杂检测设备隐性故障的扩散,具有诊断准确度高、速度快、大幅度提高检修效率、降低维修费用等优点。

标签:
新能源
山东 - 济南 来源:中冶有色网 2023-03-18
低频断路器柜及新能源箱式变电站

本发明涉及配电设备技术领域,具体涉及一种低频断路器柜及新能源箱式变电站。本发明提供的低频断路器柜,包括柜体,所述柜体底部设有出线口,背侧上部设有进线口,所述柜体包括仪表室、互感器室及断路器室,所述互感器室,设置于所述柜体背侧,所述互感器室内上部设有低频电流互感器,底部设有低频电压互感器,所述断路器室,设置于所述仪表室与所述互感器室之间,包括内凹空间,所述低频电流互感器的出线端通过下行母线排依次连接所述低频断路器及外接电缆头至出线口,本发明提供的低频断路器柜通过合理的内部布局,并采用背侧进线下电缆出线方式,柜体的体积与占地面积较小,结构紧凑的同时便于后续的检修与维护作业。

标签:
新能源
山东 - 济南 来源:中冶有色网 2023-03-18
基于新能源汽车使用的温度测量装置

本发明公开了一种基于新能源汽车使用的温度测量装置,包括连接框,所述连接框的上侧壁固定有连杆,所述连杆与连接框之间设有固定机构,所述连杆的上端外壁上通过横杆固定连接有电机,所述横杆的下侧壁连接有测温管,所述测温管的下侧壁固定插设有导热杆,所述测温管的内壁滑动设置有活塞板,所述测温管内填充有位于活塞板下侧的膨胀液,所述活塞板的上侧壁固定连接有贯穿测温管上侧壁设置的按压杆。本发明通过膨胀液的膨胀度进行电池温度的检测,当电池温度过高时通过电机的启动实现水流在冷却管内的流动以及扇叶转动鼓动气流流动,实现对电池热量的吸附导出,保证电池的正常工作。

标签:
新能源
山东 - 济南 来源:中冶有色网 2023-03-18
动力电池、动力电池温控方法及新能源车

本发明公开了一种动力电池、动力电池温控方法及新能源车。用于解决现有动力电池温控不佳的问题。该动力电池包括外壳、电芯、柔性导热条和指板工具,在电芯和电芯之间的缝隙Ⅰ中、以及电芯与电池外壳内壁之间的缝隙Ⅱ中填充有成对设置的柔性导热条,柔性导热条之间的间隙处插入指板工具使得两者之间成面接触;柔性导热条包括柔性导热材料、铜管、电热丝和温度传感器,柔性导热条两端分分别延伸至电池外壳外侧,并连接导热液循环系统和电控系统。该种结构的动力电池具有优异的温控效果,可以实现对电芯保温、升温和降温的多重功效,使得电芯始终处于最佳的工作温度范围内,可以将电池组内各电芯之间的温度差异控制在±3℃以内。

标签:
新能源
山东 - 济南 来源:中冶有色网 2023-03-18
改进型新能源工程建设用节能装置

本实用新型提供一种改进型新能源工程建设用节能装置,包括传动杆,机械密封圈,机箱,主动锥齿轮,连动杆,轴承,从动锥齿轮,通风扇叶,维修槽,维修箱门,可转动吸附透视板结构,可过滤雨水收集水槽结构和可拆卸风叶固定管结构,所述的传动杆贯穿机箱的上侧中部,并通过机械密封圈与机箱连接,且传动杆的下端螺栓连接有主动锥齿轮;所述的连动杆横向贯穿机箱的左侧中部,连动杆的右端通过轴承与机箱的右侧内壁连接,并且连动杆左端螺栓连接有通风扇叶,连动杆的中部右侧螺栓连接有从动锥齿轮,其中从动锥齿轮与主动锥齿轮啮合连接设置。本实用新型转动杆,U型固定座,透视板,吸附条和半圆形凹槽的设置,有利于固定提示标语。

标签:
新能源
山东 - 济南 来源:中冶有色网 2023-03-18
用于新能源的电力控制柜

本实用新型公开了一种用于新能源的电力控制柜,属于技术领域,包括壳体与支撑脚,壳体的下端配套设置有支撑脚,壳体的上端配套设置有连接柱,连接柱的上端通过螺母固定连接有遮雨板,壳体的一侧开口设置有滑槽,壳体的内部下端通过转轴转动连接有风扇,壳体内部风扇的上端通过螺母固定连接有防尘网。本实用新型干燥剂箱的内部放置有干燥剂,干燥剂可以将电力控制柜的内部一直保持在干燥状态,防止外界下雨使电力控制柜内部的空气变潮,解决了以前的电力控制柜内部没有时空气干燥的结构,湿润的空气会导致装置发生故障的问题。

标签:
新能源
山东 - 济南 来源:中冶有色网 2023-03-18
新能源汽车的电池组固定装置

本实用新型公开了一种新能源汽车的电池组固定装置,涉及电池组固定技术领域。它包括安装盒;安装盒上端对应设置有封盖;封盖下端固定有封套;封套内壁与安装盒外壁对应滑动配合;封盖侧壁中部均固定有支座;支座下端均固定有楔形推块;安装盒侧壁中部均垂直设置有推杆;安装盒侧壁中部均开有通口;推杆与通口一一对应滑动配合;推杆内端垂直固定有推板,外端固定有楔形滑块;楔形滑块与楔形推块一一对应滑动配合;封盖上端中部垂直设置有调节螺杆;调节螺杆穿过封盖且与封盖螺纹连接;调节螺杆下端垂直设置有压板。本实用新型的有益效果是:其能够方便电池组的拆卸,能够保持对电池组固定的牢固性,使用安全可靠。

标签:
新能源
山东 - 济南 来源:中冶有色网 2023-03-18
新能源汽车车载监控终端

本实用新型公开了一种新能源汽车车载监控终端,以解决现有车载监控终端功能单一、扩展性差的问题。该车载监控终端,其主控板上安装有微处理器以及分别与微处理器连接的GPS卫星定位模块、蓝牙模块、NFC模块、Wi‑Fi模块、GSM模块、闪存式存储器、内存卡插槽、CAN总线接口和USB接口,还安装有SIM卡槽、第一SMA接头和第二SMA接头,SIM卡槽与GSM模块连接,第一SMA接头与GSM模块连接,第二SMA接头与GPS卫星定位模块连接,不仅能够通过GSM网络远程采集汽车的CAN总线数据和对汽车进行定位,而且还提供了蓝牙、NFC和Wi‑Fi等功能,同时通过USB接口和内存卡插槽接入外设,实现功能或存储的扩展,大大方便了用户的使用,提高了用户使用体验。

标签:
新能源
山东 - 济南 来源:中冶有色网 2023-03-18
全天候新能源供电交通系统

本发明提供一种全天候新能源供电交通系统,包括供电公路、蓄电池充换服务站和风电光伏大棚,其中,蓄电池充换服务站设置在供电公路两侧的服务区中,风电光伏大棚设置在供电公路上方,供电公路上设置供电车道和非供电车道,大型电动车在供电车道上行驶,小型电动车在非供电车道上行驶,风电光伏大棚是由主风电机、辅助风电机、光伏大棚和斜拉钢索组成,主风电机设置在供电公路双向车道中间的绿化隔离带上,光伏大棚通过伞状斜拉钢索与主风电机立柱两侧连接悬挂在双向供电公路上方,绿化隔离带上方光伏大棚之间留有泄风天窗,辅助风电机设置在双向供电公路车道的外侧,辅助风电机立柱与光伏大棚外侧边部连接。该供电公路大棚不仅能保能保证电动汽车在高速公路长时间续航,还能保证道路常年不受雾雪的影响畅通无阻。

标签:
新能源
山东 - 济南 来源:中冶有色网 2023-03-18
智能化新能源纯电动异步电机综合系统实训台

本实用新型公开了一种智能化新能源纯电动异步电机综合系统实训台,包括示教板、检测台和底架,所述底架的两侧通过支撑架安装有挡板,且底架的底部两侧固定安装有两组万向轮,所述底架的顶部焊接有底柜,所述底柜的顶部焊接有安装台,所述安装台的顶部通过安装槽安装有检测台,所述安装台的顶部一侧固定安装有示教板,所述示教板的正面固定安装有电路板,所述电路板的正面一侧设有故障开关。本实用新型通过在电路板的正面安装有故障开关可增加装置的系统电路保护结构,可实时监测系统电路的安全性,使其可在装置的系统电路发生短路时可及时短路,使得装置的系统电路不受到短路损坏,保证了装置系统电路的安全性,延长了装置的使用寿命。

标签:
新能源
山东 - 济南 来源:中冶有色网 2023-03-18
新能源纯电动车减速器系统实训台

本实用新型公开了一种新能源纯电动车减速器系统实训台,包括面板、底座和定位装置,所述底座的两侧固定安装有定位装置,所述底座的顶部固定安装有电机,所述电机的一侧通过主轴固定安装有箱体,所述电机的另一侧固定安装有减速器本体,所述减速器本体上端的固定架顶部固定安装有手杆,所述固定架一端的底座顶部固定安装有面板,且面板的顶部通过安装台固定安装有照明装置,所述面板的表面设置有电路图,且电路图的一侧设置有系统结构图。本实用新型通过设置有一系列的结构使本装置在使用的过程中具有稳定性强,照明效果好以及便于学员对减速器原理进行观察与了解等优点,优化使用过程。

标签:
新能源
山东 - 济南 来源:中冶有色网 2023-03-18
五位一体新能源销售示范中心用过滤装置

本实用新型提出一种五位一体新能源销售示范中心用过滤装置,包括罐体,所述罐体上设置有呼吸阀,所述呼吸阀包括正压阀座和负压阀座以及分别设置在两者上的正压滤芯和负压滤芯,罐体内还设置有油液过滤装置,所述油液装置主要包括中心滤网和精滤器,所述精滤器对称分为左滤层和右滤层,所述左滤层的上表面和左侧面为粗滤网,所述右滤层的上表面和右侧面为细滤网。本实用新型利用呼吸阀不仅实现自动控制罐内气压同时还实现了过滤的功能,避免空气中的杂质大量地混入罐中,减少了具有污染性的油气的排放;此外,还利用罐内的中心滤网和精滤器的多重过滤提高了泵入地面加油箱的油料的质量,既保证了油料的纯度还保护了加油箱的过滤系统。

标签:
新能源
山东 - 济南 来源:中冶有色网 2023-03-18
换电站与新能源汽车的通讯系统

本实用新型涉及一种换电站与新能源汽车的通讯系统,包括车辆通信模块和换电站通信模块,所述车辆通信模块包括车辆WIFI通信模块、车辆蓝牙通信模块、车辆GPRS通信模块,所述换电站通信模块包括换电站WIFI通信模块、换电站蓝牙通信模块、换电站GPRS通信模块、通信检测模块;采用本实用新型的有益效果是:兼容了三种通信方式的优势,当其中一种或两种通信方式不能够满足需求时,采用另外的通信方式进行通信,保证了通信的顺畅无延时,大大提升了用户体验。

标签:
新能源
山东 - 济南 来源:中冶有色网 2023-03-18
用于新能源纯电动汽车的动力电池

本实用新型公开了一种用于新能源纯电动汽车的动力电池,包括外壳,所述外壳右侧中间位置固定连接有散热风扇,所述进风管一端固定连接有制冷装置且制冷装置在外壳左侧内壁上固定连接,所述制冷装置顶部固定连接有冷风管,所述连接杆上均滑动连接有滑动杆,两根所述滑动杆之间固定连接有电池模组。本实用新型中,通过鼓风机将外界空气吹入外壳内,通过制冷装置对空气进行降温再由冷风管从喷头吹出,再通过散热风扇将外壳内空气抽出外壳,为外壳内部环境进行降温,散发电池工作产生的热量,通过电池模组两侧的滑动杆在连接杆上滑动,可将电池模组安装在两块固定板之间,更加方便的取出电池,值得大力推广。

标签:
新能源
山东 - 济南 来源:中冶有色网 2023-03-18
新能源电动车热管理系统

本实用新型涉及一种新能源电动车热管理系统,包括制冷剂循环回路、冷却液循环回路和电池加热回路,制冷剂循环回路由依次连接的压缩机、冷凝器、节流元件及蒸发器组成,冷却液循环回路包括依次连接的第一换热器、安装在发热件内部的第二换热器及散热装置,散热装置可选择地连接在第二换热器出口端与第一换热器入口端之间,散热装置包括车内供暖装置和/或车外散热装置,车内供暖装置和车外散热装置并联连接,发热件包括电池、电机及电控件,第一换热器中的冷却液与所述蒸发器中的制冷剂进行热交换。本实用新型提供了一种综合性热管理系统,可以同时为车上的电池、电机、电控件进行有效的热量管理,达到节能高效的目的。

标签:
新能源
山东 - 济南 来源:中冶有色网 2023-03-18
控制器安全预充系统,方法及新能源汽车

本发明提供一种控制器安全预充系统,方法及新能源汽车,包括预充电阻、预充继电器、主继电器组成基本预充回路。增加预充回路电流传感器、预充回路前后端电压传感器、预充电阻温度传感器,以上传感器连接到整车控制器。系统执行预充时,整车控制器开始计时,同时采集预充回路前端电压和后端电压,采集预充电阻在预充过程的温差,采集电流信号,在规定的时间内电压差值、电流值、温升值应满足预充程序设计值,判断为预充成功。本发明根据回路电流、电压、预充电阻温升和预充时间实现智能控制预充过程。实现安全预充。

标签:
新能源
山东 - 济南 来源:中冶有色网 2023-03-18
新能源商用车制动能量回收系统及控制方法

本发明涉及一种新能源商用车制动能量回收系统及控制方法;所述回收系统包括机械制动系统、驱动电机及控制系统、动力电池及控制系统、整车控制器及CAN通讯系统、能量回收及控制系统;其中,所述机械制动系统包括储气筒、制动踏板、ABS系统、制动气室,所述制动踏板带有制动深度采集装置和制动阀;所述驱动电机及控制系统包括驱动电机和电机控制器;所述能量回收及控制系统包括气室压力传感器、前后轴气路控制阀、回收系统控制器。本发明通过新的结构设计,使能量回收系统可兼容于现有的车辆制动及ABS系统,具有现实可行性,解决了现有技术中影响车辆制动经济性的问题,具有积极的技术意义。

标签:
新能源
山东 - 济南 来源:中冶有色网 2023-03-18
新能源汽车冷却液流量连续可调接头

本发明公开了一种新能源汽车冷却液流量连续可调接头:包括下接头体、上接头体、密封圈、紧固螺钉、公端接头管;上接头体安装在所述下接头体顶部,两者相连,且可相对旋转;公端接头管中部与上接头体的中心位置通过螺纹啮合,通过旋转上接头体驱动公端接头管的插入或退出,实现阀芯的打开或关闭;公端接头管穿过上接头体且插入到下接头体内,公端接头管外壁与下接头体内壁紧密贴合在一起,并通过密封圈进行密封;在所述的下接头体内设置一个流量控制腔;所述的公端接头管沿着其下部侧壁圆周方向均匀的设置有多个径向孔,公端接头管底部设有基础导流孔。

标签:
新能源
山东 - 济南 来源:中冶有色网 2023-03-18
基于ISMS模型的新能源信息安全风险管理系统及方法

本发明公开了一种基于ISMS模型的新能源信息安全风险管理系统及方法,涉及网络安全维护领域。包括五大模块;其中,数据录入模块,用于读取数据库数据并根据预定报表模板录入数据;风险识别模块,用于基于风险识别规则或风险识别模型对录入数据进行风险识别,得到风险识别结果;风险等级评估模块,用于对风险识别结果进行分析,评估风险等级;报告生成模块,用于接收风险识别模块和风险等级评估模块的分析结果,生成风险报告;对策建议模块,用于依据风险报告生成安全策略,并将安全策略分发给资源控制实体。本发明高效且准确的对目标资产进行风险评估并对其主动防御,实现了企业信息资产的有效维护。

标签:
新能源
山东 - 济南 来源:中冶有色网 2023-03-18
具有定时断电功能的防漏电新能源充电桩

本发明提供一种具有定时断电功能的防漏电新能源充电桩,属于充电桩技术领域,以解决现有室外充电桩在雨天时,室外充电桩前方下水道盖板容易发生堵塞现象,从而使得室外充电桩前方水位逐渐增长,引发漏电等安全事故的问题,包括:混凝土基座;所述混凝土基座上端面中部安装有充电桩主体,且混凝土基座后侧内部设有下水道,混凝土基座上端面后侧开设有与下水道相通的矩形通口;所述混凝土基座上端面位于矩形通口处安装有下水道盖板。下雨时,通过驱动机构带动清理件在下水道盖板上方进行前后往复清扫运动,从而使下水道盖板上表面覆盖的落叶等杂物得到有效的自动清扫作用,从而大大提高了本充电桩在雨天使用时的安全性。

标签:
新能源
山东 - 济南 来源:中冶有色网 2023-03-18
基于鲁棒优化的新能源电网并网装备配置方法

本发明提供了一种基于鲁棒优化的新能源电网并网装备配置方法。该方法包括:基于性能参数、设备参数和能源参数建立拓扑电路全工况模型,利用所述拓扑电路全工况模型分析器件参数与调制模式间的耦合关系;采用嵌套优化,建立第一级调制模式优化模型和第二级器件参数鲁棒优化模型,分别完成第一级调制模式优化和第二级器件参数鲁棒优化,实现两级之间的交互迭代,得到器件参数的性能指标范围,根据器件参数的性能指标范围,输出符合条件的器件。

标签:
新能源
山东 - 济南 来源:中冶有色网 2023-03-18
上一页 15 16 17 18 19 ... 25 下一页
共25页    到第

中冶有色为您提供最新的山东济南有色金属新能源材料技术理论与应用信息,涵盖发明专利、权利要求、说明书、技术领域、背景技术、实用新型内容及具体实施方式等有色技术内容。打造最具专业性的有色金属技术理论与应用平台!

全国热门有色金属设备推荐
展开更多 +
全国热门有色金属技术推荐
展开更多 +

 

江西省隆恩特环保设备有限公司
宣传

报名参会
更多+

报告下载

有色专家
更多+

东北大学
院长/教授
湖南科技大学
所长/教授
中冶沈勘秦皇岛工程技术有限公司
原矿山院院长/教授级高工
中国有色金属工业协会
副会长兼秘书长
中南大学
教授、博士生导师
赤泥综合利用研究报告2025
推广

热门技术
更多+

推荐企业
更多+

福建省金龙稀土股份有限公司
宣传

发布

在线客服

公众号

电话

顶部
咨询电话:
010-88793500-807