青岛垚鑫智能科技有限公司
宣传

位置:中冶有色 >

有色技术频道 >

> 固/危废处置技术

分类:
全部
矿山技术
冶金技术
材料制备及加工技术
环境保护技术
分析检测技术
 
全部
废水处理技术
大气治理技术
固/危废处置技术
土壤修复技术
地区:
全部
北京
天津
上海
重庆
河北
山西
辽宁
吉林
黑龙江
江苏
浙江
安徽
福建
江西
山东
河南
湖北
湖南
广东
海南
四川
贵州
云南
陕西
甘肃
青海
内蒙
广西
西藏
宁夏
新疆
其他
其他
展开
 
全部
武汉
黄石
十堰
宜昌
襄阳
鄂州
荆门
孝感
荆州
黄冈
咸宁
随州
恩施土家族苗族自治州
仙桃
潜江
天门

湖北有色金属固/危废处置技术理论与应用

免费发布技术信息>>
由工业固废钢渣制备混凝土微膨胀剂的方法

本发明公开一种由工业固废钢渣制备混凝土微膨胀剂的方法,工业固废钢渣破碎至粒径为10~30mm,去磁和筛分除去铁相;加水于湿法滚筒型球磨机中球磨得流动性浆料;置于立式砂磨机中进行液相活化,直至钢渣中值粒径在8μm以下;添加反团聚药剂和缓凝剂,得混凝土微膨胀剂。本发明不需对工业固废钢渣预处理,亦无需烘干;采用湿法滚筒型球磨机和湿法立式砂磨机超细化处置,使其有足够应力强度和应力频率;浆料放置时间长。本发明制备的混凝土微膨胀剂,能替代混凝土中20~50%的水泥用量,在掺入水泥混凝土中能够均匀分散,具备较高活性,所产生的膨胀应力有限,不会出现体积安定性不良的问题。

标签:
固废
湖北 - 武汉 来源:中冶有色网 2023-03-19
硫化钠生产过程中固废的环保回收方法及装置

本发明公开了一种硫化钠生产过程中固废的环保回收方法及装置,是先将硫化钠生产线上的废渣、废泥加入调浆池中调浆,并通入蒸汽使料浆温度升至40~50℃;然后将调好的浆液打入反应釜中,在搅拌下加入硫酸溶液调节物料的pH至6.0~7.0,反应过程中生成的硫化氢气体引入硫化氢回收装置生成硫化钠溶液返回主生产线回收利用,反应后的物料过滤后检测滤渣合格即可填埋或外卖,滤液收集后进入硫酸钠结晶器中浓缩结晶生成无水硫酸钠晶体返回主生产线做原料;本发明方法工艺流程简洁,装置简单,可以就地解决硫化钠生产过程中固废不达标的问题,并将固废中的有效成分提取回收利用,不但降低了企业的环保压力,还具有一定的经济效益。

标签:
固废
湖北 - 黄石 来源:中冶有色网 2023-03-19
固废热解液相产物熔盐梯级处理除杂提质装置

本发明实施例提供了一种固废热解液相产物熔盐梯级处理除杂提质装置。所述装置包括焦油分级单元、熔盐梯级热处理单元、梯级冷凝处理单元、熔盐再生单元、料液回收单元和尾气处理单元。所述装置工作时,将固废热解液相产物沉降分级处理后送入二级熔盐反应器进行梯级热处理,产生的熔渣进一步再生再返回熔盐反应器;反应产物进入两级冷凝器,实现气液分离,二级液相产物再用作工质进入冷却循环系统用于一级冷凝器冷却,循环后分离液体进入储液罐,产生的气体进一步尾气处理再利用。本发明所述装置解决了固废热解液相产物利用率低以及可能引起的二次污染等问题,实现了固废热解液相产物综合处理和资源化利用的技术目标。

标签:
固废
湖北 - 武汉 来源:中冶有色网 2023-03-19
处理效果好的环保工程用固废处理设备

本实用新型公开了一种处理效果好的环保工程用固废处理设备,涉及到固废处理设备领域,包括箱体,所述箱体的一侧固定安装有固定板,所述固定板的底部固定安装有电机,所述电机的输出端通过联轴器固定安装有转轴。本实用新型中,当需要处理固废时,启动电机带动转动转轴和进料转盘进行转动,进料转盘转动可以分批送料进入过滤板上,同时转轴转动带动传动轮和传动带进行转动,使得其中一个传动轮带动转动棍和离心凸块进行转动,离心凸块转动带动滑块和过滤板进行移动,使得过滤板在复位弹簧的作用下进行震动,进而可以有效的将固液进行分离,从而可以将废弃物进行利用,进而可以有效的防止环境受到污染,从而影响人体的健康。

标签:
固废
湖北 - 十堰 来源:中冶有色网 2023-03-19
金属固废垃圾压缩打包装置

本实用新型公开了一种金属固废垃圾压缩打包装置,涉及废旧金属加工技术领域。一种金属固废垃圾压缩打包装置,包括固废垃圾压缩部和传送部,所述固废垃圾压缩部包括顶板,且顶板中部通过螺栓固定有液压缸,所述液压缸底部通过螺栓固定有压板,且压板底部设有压板伸头,所述顶板四周通过螺栓固定有导向立柱,且导向立柱底部通过螺栓固定有台架,所述台架顶部固定有定形板,且定形板和压板均穿过导向立柱,所述顶板顶部设有压力表,本实用新型通过电动推杆带动底板沿底板滑道的运动,使压缩快被压板伸头顶出放到传送带上,压缩处理后的移动运输过程也比较简便。

标签:
固废
湖北 - 天门 来源:中冶有色网 2023-03-19
直接应用生物质固废的金属化球团及铁水生产方法

本发明涉及一种直接应用生物质固废的金属化球团及铁水生产方法,使用生物质固废与含铁原料的混合料,通过双基还原竖炉和熔融炉的灵活搭配处理不同种类及不同品位的含铁原料得到金属化球团或铁水产品,充分利用生物质固废这种可再生能源来还原含铁原料,与现有的各种高炉和非高炉直接还原和熔融还原炼铁工艺比较,不仅具有大幅度降低二氧化碳排放和标准煤能源消耗的突出优点,而且该方法还具有技术先进、装备可靠、规模大、成本低、环保好和质量优等技术特点。

标签:
固废
湖北 - 武汉 来源:中冶有色网 2023-03-19
具有消毒功能的危险固废安全填埋场的下料装置

本实用新型涉及危险固废处理技术领域,特别涉及一种具有消毒功能的危险固废安全填埋场的下料装置。包括填埋场、固定组件、移动组件和传输组件,所述固定组件安装在填埋场上,所述移动组件安装在固定组件上,所述传输组件分别安装在移动组件和固定组件上;所述传输组件包括下料管、两组传输机构和两组消毒机构。本实用新型通过传输机构、消毒机构、下料管、漏斗和横竖挡板的相互配合使用,使得土壤填料与固废等填埋物料充分混合,同时在下料的过程中,对填埋物料进行消毒,避免了填埋期间填埋物料无扬尘及气体扩散造成的二次污染,从而提高了工作人员的安全性。

标签:
固废
湖北 - 十堰 来源:中冶有色网 2023-03-19
全固废泡沫混凝土及其制备方法

本发明涉及一种全固废泡沫混凝土及其制备方法,该混凝土原料组分及质量百分比如下:湿磨超细矿渣6‑12%,矿渣18‑30%,复配激发剂4‑10%,铁尾矿32‑40%,复配发泡剂4.65‑5.27%,复配稳泡剂0.078‑0.082%,余量为水。本发明以湿磨超细矿渣、磷石膏、钢渣、铁尾矿等固废物为主要原料,在复配发泡剂和复配稳泡剂的作用下制备轻质‑高强的全固废泡沫混凝土,提供的全固废泡沫混凝土干密度等级可达到A06,28d抗压强度等级可达到C3.0,满足泡沫混凝土轻质‑高强化的发展要求。

标签:
固废
湖北 - 武汉 来源:中冶有色网 2023-03-19
适配有机固废处理的多级旋风熔融炉

本实用新型公开了一种适配有机固废处理的多级旋风熔融炉,包括:排渣腔;一级混合腔,所述一级混合腔位于所述排渣腔的上方;一级燃气及残碳分配管,所述一级燃气及残碳分配管与所述一级混合腔连通,并可在所述一级混合腔内产生回转方向为第一方向的第一气流;一级助燃气分配管;一级反应腔;二级混合腔;二级燃气及残碳分配管;二级助燃气分配管;二级反应腔。该旋风熔融炉通过利用有机固废气化燃气自身燃烧形成的高温环境对气化后残碳熔融处理,多级旋风结构形成强旋流上升气流,反应停留时间长,残碳经过内循环熔融反应,降解彻底,重金属经高温熔融处理转化为稳定络合态,有机固废“四化”彻底,有助于后续实现高附加值建材利用。

标签:
固废
湖北 - 武汉 来源:中冶有色网 2023-03-19
烘焙碳化耦合等离子体焚烧有机固废处置工艺

本发明属于垃圾焚烧处理技术领域,更具体地,涉及一种烘焙碳化耦合等离子体焚烧有机固废处置工艺,包括以下步骤:(1)将有机固废经过一级破碎后进入烘焙烤箱进行碳化处理,得到烘焙碳和烘焙气;(2)将烘焙处理产生的烘焙碳,进行二级破碎处理;(3)将烘焙处理产生的烘焙气通过烘焙气管道通入等离子体焚烧炉进行焚烧处置;(4)通过载气携带将微米级烘焙碳粉末吹入等离子体焚烧炉进行焚烧处置。本发明将烘焙碳化技术与等离子体焚烧处置技术相结合,形成可以有效处置各式有机固废的一条龙一体化技术,利用烘焙碳化技术对难于破碎进样的有机固废进行物性改良,提高了有机固废快速处置技术的物料广泛适应性和系统运行稳定性。

标签:
固废
湖北 - 武汉 来源:中冶有色网 2023-03-19
塑料固废粉碎装置
塑料固废粉碎装置 915     
 0

本实用新型公开了一种塑料固废粉碎装置,属于化工废料处理设备技术领域;其包括:粉碎机主体、设置于粉碎机主体内部的颗粒筛选组件以及设置于粉碎机主体一侧的固废运输组件;颗粒筛选组件包括与粉碎机主体活动连接的振动筛以及振动单元,振动单元与振动筛连接供于驱动振动筛振动,振动筛能够筛分出颗粒过大的固废颗粒;固废运输组件包括相对振动筛设置的装料斗以及与粉碎机主体固定连接的提升单元,提升单元与装料斗活动连接,提升单元能够驱动装料斗上下移动,装料斗靠近粉碎机主体的一侧设有可开闭的封闭板。本实用新型能够对分离出大颗粒塑料处理二次粉碎处理。

标签:
固废
湖北 - 黄冈 来源:中冶有色网 2023-03-19
土木工程用建筑固废处理装置

本实用新型涉及土木工程废料处理技术领域,尤其涉及一种土木工程用建筑固废处理装置,包括机架,机架的顶端开设有方形进料槽,方形进料槽的两个对称侧壁上安装有弹簧铰链,弹簧铰链上固定连接有挡板,方形进料槽的侧壁上固定焊接有挡块,挡板的顶面在弹簧铰链的作用下与挡块相抵。通过设置挡板,且挡板在弹簧铰链的作用下可以封闭机架的进料口,避免粉碎固废时灰尘扬起进入到空气中,污染环境且对人体造成伤害;机架内的喷头可以向收纳筐内喷水,使得收纳筐内粉末状的固废可以溶解在水内,并伴随着水流排出,解决了后期清理收纳筐时出现二次扬尘的问题,并且也可以对收纳筐内残留的金属物进行清洗,功能性强,适合推广。

标签:
固废
湖北 - 武汉 来源:中冶有色网 2023-03-19
基于采空区固废充填的二氧化碳吸附-固化封存方法

本发明提供了一种基于采空区固废充填的二氧化碳吸附‑固化封存方法,针对煤矿井工开采所得采空区,利用煤矸石、粉煤灰、建筑垃圾等固废进行粉碎制浆充填至采空区,并在充填管道内通入一定压力的二氧化碳,以此增加浆液流动动力,提升充填效率,从而实现地层支护目的,避免地表沉陷。与此同时,利用采空区残余煤、煤矸石、粉煤灰等介质表面对二氧化碳的吸附性,以及二氧化碳遇水形成碳酸并与煤矸石、粉煤灰、建筑垃圾发生反应生成碳酸盐等性质,实现二氧化碳的地质封存。本方案能够同时实现固废处理、二氧化碳封存、采空区治理等多个目的,综合效益显著。

标签:
固废
湖北 - 荆州 来源:中冶有色网 2023-03-19
石英石泥浆改性磷石膏制备高掺量固废物胶凝材料的方法

本发明提供一种以工业固废磷石膏为主要原料,通过人造石英石泥浆改性制取建筑胶凝材料的方法。具体先将工业副产废料磷石膏烘干,研磨,与矿渣粉、粉煤灰等工业副产和水泥混匀,加水调成浆稠状;将人造石英石泥浆在高速搅拌下掺入工业副产硅灰,将泥浆活化;两种浆体充分混合均质化后,加入外加剂聚合铝和/或铝盐、聚羧酸减水剂,搅拌均匀便得到凝结时间短、强度高、磷石膏用量大的塑性胶凝材料。本发明所采用磷石膏不需经过前期净化和陈化处理,烘干研磨后直接使用,大大缩短生产周期,减少成本。同时,工业固废物掺量大,最高可达80%,即可替代传统硅酸盐水泥80%,对节约资源,提高工业固废物综合利用率和环境保护都有重要意义。

标签:
固废
湖北 - 宜昌 来源:中冶有色网 2023-03-19
固废桶的清洗抬升装置

本实用新型公开了一种固废桶的清洗抬升装置,属于固废物加工设备的技术领域;其包括:倾斜向上设置的传输带、垂直于传输带设置的承载板以及依次沿传输带设置的喷淋组件和洗刷组件;传输带的两侧分别设有隔离墙,传输带能够相对隔离墙间歇向上传动;承载板与传输带连接,承载板与传输带之间围合形成容纳固废桶的容载空间;喷淋组件包括可伸缩的喷淋套筒,喷淋套筒经隔离墙相对容载空间设置,喷淋套筒能够往固废桶内喷洒清洗液;洗刷组件包括可伸缩的清洗刷,清洗刷经隔离墙相对容载空间设置,清洗刷能够清洗固废桶的内壁。本实用新型能够方便固废桶的运输和降低有毒物质残留。

标签:
固废
湖北 - 黄冈 来源:中冶有色网 2023-03-19
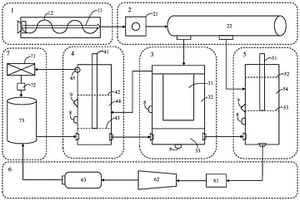
固废的热处理系统及方法

本发明涉及固废处理技术领域,特别涉及一种固废的热处理系统及方法。该系统包括:进料装置、分选装置、预热装置、第一热处理装置和第二热处理装置;进料装置与分选装置连接,分选装置用于从固废的原料中分选出轻质原料和重质原料;第一热处理装置、预热装置和第二热处理装置均设置有熔盐;预热装置用于利用预热装置的熔盐对来自分选装置的轻质原料进行预热,第一热处理装置用于利用第一热处理装置的熔盐与预热后的轻质原料混合,以对预热后的轻质原料进行热处理;第二热处理装置用于利用第二热处理装置的熔盐与重质原料混合,以对重质原料进行热处理。本方案能够有效实现气液固三态能源化产品的高值化制备。

标签:
固废
湖北 - 武汉 来源:中冶有色网 2023-03-19
含镁危废/固废的冶炼工艺

本发明公开了一种含镁危废/固废的冶炼工艺,包括以下步骤:S1预处理:用破碎机对含镁危废/固废进行破碎,破碎过程中依次加入铁粉、石灰和炉渣,得到固废混合物;S2制砖:向S1中所得固废混合物中加入其重量16~25%的水,然后用制砖机制成成型砖;S3向S2中所得成品砖中分别加入占其重量2~8%石灰石、1~4%的四氧化三铁、1~3%的蛇纹石、1~2%的工业氧化铝、1~2%的硅酸钠得熔炼料;S4熔炼:向熔炼炉中加入占成品砖重量5~20%的焦炭,然后将S3中所得熔炼料加入熔炼炉,开启熔炼炉。本发明的有益效果:能够保持正常的冶炼温度,使得燃料成本得以控制;制砖后只经过自然养护得到成品砖即进行熔炼,在自然养护过程,铁充分与空气反应生成更多的高价铁,能够提高铜的提取率。

标签:
固废
湖北 - 黄石 来源:中冶有色网 2023-03-19
固废焚烧烟气的处理方法和系统

本发明涉及烟气处理技术领域,特别涉及一种固废焚烧烟气的处理方法和系统。该方法包括:将固废焚烧烟气和第一碱液进行气液反应,得到第一产物溶液和第一混合气;将所述第一产物溶液和固废焚烧电厂的灰渣水洗溶液进行混合,得到硫酸钙沉淀、亚硫酸钙沉淀和第二产物溶液;将所述第一混合气和第二碱液进行气液反应,得到第三产物溶液和第二混合气;将所述第二产物溶液和所述第三产物溶液包括的碳酸盐溶液进行混合,得到碳酸钙沉淀和第四产物溶液;对所述第四产物溶液进行电解,得到氢气、氯气、氧气和第三碱液。本发明提供的方案能够有效处理固废焚烧烟气。

标签:
固废
湖北 - 武汉 来源:中冶有色网 2023-03-19
固废基热致促凝3D打印材料及其3D打印成型方法

本发明涉及一种固废基热致促凝3D打印材料及其3D打印成型方法,所述3D打印材料制备方法步骤如下:1)将钢渣,相变材料,热致促凝剂混合得A料;2)将水,聚羧酸类超塑化剂,流变改性剂混合得B料;3)将水泥熟料,硅灰,矿渣和磷石膏加入搅拌器中,搅拌均匀得到固废基胶凝材料;4)向固废基胶凝材料中依次加入A料和B料,搅拌至呈均匀浆质后加入石英砂细骨料继续搅拌,搅拌均匀后即得到固废基热致促凝3D打印材料。本发明以钢渣、矿粉和磷石膏等工业固废为原料制备得到固废基热致促凝3D打印材料,扩展了废弃物的应用范围,成本低廉,打印材料凝结时间可控,打印产物具有早期强度高和凝结速率快等优良特性。

标签:
固废
湖北 - 武汉 来源:中冶有色网 2023-03-19
三重吸力型环保工程用固废间断振荡分裂设备

本发明公开了一种三重吸力型环保工程用固废间断振荡分裂设备,包括底板、支撑柱、破碎箱、对转挤压式气波介入型防缠绕破碎机构和携带流式阻挡分散吸附型含尘气体净化机构,所述支撑柱设于底板一端上壁,所述破碎箱设于支撑柱上壁,所述破碎箱为贯通设置,所述对转挤压式气波介入型防缠绕破碎机构设于破碎箱内壁。本发明属于环保工程领域,具体是指一种三重吸力型环保工程用固废间断振荡分裂设备;本发明提供了一种采用持续式推动,实现对固废的间断冲击振荡分裂,且能够将固废破碎时产生的反作用力进行分散吸收的三重吸力型环保工程用固废间断振荡分裂设备。

标签:
固废
湖北 - 武汉 来源:中冶有色网 2023-03-19
用于去除薄膜物料顽固废料的装置

本实用新型公开了一种用于去除薄膜物料顽固废料的装置,属于薄膜物料加工技术领域,其通过对应薄膜物料的两侧分别设置位移清除组件,利用两位移清除组件中上压块、上清除刀具、下支撑块、下清除刀具的对应设置,使得上压块与下支撑块可以准确夹持顽固废料所在的区域,并由两刀具同轴夹持顽固废料后将其从薄膜物料上去除。本实用新型的用于去除薄膜物料顽固废料的装置,其结构简单,操作简便,能够准确完成薄膜物料打孔加工时残留顽固废料的定位和清除,并保证顽固废料清除过程中的准确性,提升了薄膜物料的加工质量,保证了相关产品的制造精度,降低了产品的不良率,节约了成本,具有较好的使用价值和应用前景。

标签:
固废
湖北 - 武汉 来源:中冶有色网 2023-03-19
全固废高性能轻质材料及其制备方法与应用

本发明提供一种全固废高性能轻质材料的制备方法,包括以下步骤:首先、将粉煤灰、矿渣、电石渣和减水剂按一定比例混合,得到产物A;其次、将水与产物A按一定比例混合,经湿磨处理,得到产物B;再次、将产物B与EPS颗粒和二水磷石膏晶须混合,得到产物C;最后、将产物C与磷建筑石膏和缓凝剂混匀制浆、浇筑成型,即得到全固废高性能轻质材料。本发明制得的全固废高性能轻质材料,具有绝干抗压强度和绝干密度高、导热系数低、耐水性能优异等特点,由该材料制得的内墙隔板,具有优良的隔热保温性能、耐水性和分层稳定性;原料固废掺量高,能够显著节约建筑成本,制备方法工艺简单,易于规模化生产,具有较高的经济价值。

标签:
固废
湖北 - 武汉 来源:中冶有色网 2023-03-19
印刷品用膏状固废回收装置

本实用新型公开了一种印刷品用膏状固废回收装置,包括回收箱,所述回收箱的右侧设置有筛分装置。通过设置限位机构,能够使使用者将导向板安装至出料口处,固定块与固定壳接触,限位机构卡入固定块的后侧,达到了对导向板的限位,不会出现左右移动的情况,导向板便捷拆装便于使用者进行检修,解决了现有分选技术中通过筛分装置进行对固废的筛分将可利用和不可利用进行筛分进行,筛分装置的出料口处缺少一定的固废引导机构,出料口和底部的传送带存在一定的高度,容易造成固废掉落时无法准确的掉落至传送带,掉至地面增加使用者的清洁操作,且增加了一定的使用成本,不便于使用者使用的问题,该值得推广。

标签:
固废
湖北 - 武汉 来源:中冶有色网 2023-03-19
利用液固废弃物制备烟气脱硫粉体吸附剂的方法

本发明公开了一种利用液固废弃物制备烟气脱硫粉体吸附剂的方法,先用铜电解废水酸解锰铁固废物,分离得到硫酸盐溶液;然后利用石灰乳和酸脱除硫酸盐溶液中的硫酸根离子,分离得到金属盐溶液;再向金属盐溶液加入电石渣沉淀反应,静置老化、分离得到凝胶状产物;最后凝胶物经干燥、煅烧,粉碎、细磨得到脱硫粉体吸附剂。本发明方法制备的脱硫粉体吸附剂活性组分为CaO、MnO,助剂为Fe3O4、ZnO;且含催化活性成分CuO和NiO,可催化烟气中的SO2与O2反应生成SO3;脱硫粉体吸附剂粒径小、微孔完整、孔容大、脱硫活性高;适用于干法除尘装置脱硫或烟气喷雾干燥法脱硫装置,无需脱硫填料塔,减少企业的投资成本。

标签:
固废
湖北 - 武汉 来源:中冶有色网 2023-03-19
用于净化工业固废的固化剂及其制备方法

本发明公开了用于净化工业固废的固化剂,以质量份计,由以下组分组成:聚丙烯酰胺1.5~2.5份;磺化油1~3份;硫酸铝钾2~4份;硫酸铜0.5~1.5份;丙烯酸乳液4~6份;氧化镁1~3份;乙二醇3~5份;水25~35份。本发明还公开了用于净化工业固废的固化剂的制备方法。本发明具有以下有益效果:1、能有效降低各类工业固废遗留下来的各种有害杂质,而且强度高、防水性好,抗裂纹、耐老化、耐疲劳,各项性能指标均符合国家相关标准和要求,完全适用于大宗工业固废在道路工程和建筑工程领域的广泛应用;2、制作工艺简单、原料易得;3、功能齐全且性能优良、可广泛用于道路基层、建筑用砖以及道路附属产品。

标签:
固废
湖北 - 宜昌 来源:中冶有色网 2023-03-19
用磷固废湿磨工艺制备水泥基灌浆材料的方法

本发明公开了一种用磷固废湿磨工艺制备水泥基灌浆材料的方法,将50?150份磷尾矿分级破碎,过筛得磷尾矿粉;50?90份的磷渣,破碎机破碎成磷渣粉;磷渣粉加6?12份磷石膏、0.5?0.8份助磨剂,5?10份碱激发剂、50?65份水置于球磨机中球磨,陈化2?5h,得浆料;取100份水泥、0.8?1.5份减水剂、5?8份膨胀剂、1.0?1.8份消泡剂加磷尾矿粉、浆料搅拌机中搅拌均匀,得水泥基灌浆材料。本发明以磷固废为主要原料,湿料粉磨代替干料粉磨,利用磷尾矿作为集料,通过粒径控制,实现紧密堆积和微集料效应,充分发挥原料潜在活性,致密性好,能耗低,生产成本低,可广泛应用于工业、建筑工程。

标签:
固废
湖北 - 武汉 来源:中冶有色网 2023-03-19
大掺量固废物免蒸轻质混凝土墙板及其制备方法

本发明涉及一种大掺量固废物免蒸轻质混凝土墙板及其制备方法,所述大掺量固废物免蒸轻质混凝土墙板按重量份计,包含以下组分:固废物400‑500份,胶凝材料300‑500份,增强料10‑200份,其他助剂4‑20份,水30‑70份。本发明涉及的大掺量固废物免蒸轻质混凝土墙板,强度发展快,高抗折,抗裂性优良,在浇注墙板时无需加筋,脱模后墙板无需蒸压养护,密度为600‑1030kg/m3,抗压强度为7‑20MPa,抗折强度为3‑5MPa,是节能、利废、可工厂化预制兼具有保温隔热、防火、低收缩、低吸水率等优异性能的绿色建材。

标签:
固废
湖北 - 武汉 来源:中冶有色网 2023-03-19
利用工业固废FCC催化剂制备钢水精炼剂的方法

本发明公开了一种利用工业固废FCC催化剂制备钢水精炼剂的方法。该钢水精炼剂以工业固废FCC催化剂和石灰粉为主要原料混合制备而成,能够有效解决工业固废FCC催化剂的处理难题及其引起的污染问题,充分实现了固废的资源化,变废为宝,极大地降低生产成本,提高产品附加值。所制备的精炼剂熔点低、熔速快、硫容量大,冶炼时间短,脱硫、脱氧、去夹杂效果好,同时FCC废催化剂中的稀土氧化物被还原后还能起到强化钢材性能的作用。制备工艺简单,环保,利于推广,具有较大的应用潜力。

标签:
固废
湖北 - 武汉 来源:中冶有色网 2023-03-19
工业固废固化剂及其制备方法

本发明提供一种工业固废固化剂及其制备方法,该工业固废固化剂主要由特定配比的胶凝剂、重铬酸钾、硅酸钠、氧化镁、甲基硅酸钾、乙二醇、抗裂膨胀剂、聚合磷酸铝、氟硅酸钠以及水制备而成。该工业固废固化剂本发明能够显著提高各类工业固废在道路水稳层及附属产品在实际应用中的稳固性,不仅能增加产品的抗压强度,而且在防渗透、抗裂纹及冻融等方面能起到很好的效果。

标签:
固废
湖北 - 宜昌 来源:中冶有色网 2023-03-19
利用中低品位磷矿生产磷铵且无固废排放的新方法

本发明公开了一种利用中低品位磷矿生产磷铵且无固废排放的新方法,首先选用含磷量为15%—26%的磷矿石经粉碎作为原材料,再将稀盐酸加入上述原材料中进行酸解,反应生成含有氯磷酸钙溶液和氯磷酸硅渣的混合物,混合物经沉淀后,将氯磷酸硅渣滤出备用,将剩下含有氯磷酸钙的溶液与稀硫酸反应生成含有硫酸钙纤维的溶液,然后将硫酸钙纤维滤出,再将过滤后的混合磷酸溶液浓缩达,接着将浓缩后的溶液与氯磷酸硅渣混合均匀后,经氨化、离心摔干和干燥即可制成为磷铵产品,本发明优点是:使资源得到了充分利用,生产过程无固废外排。

标签:
固废
湖北 - 荆门 来源:中冶有色网 2023-03-19
上一页 95 96 97 98 99 ... 108 下一页
共108页    到第

中冶有色为您提供最新的湖北有色金属固/危废处置技术理论与应用信息,涵盖发明专利、权利要求、说明书、技术领域、背景技术、实用新型内容及具体实施方式等有色技术内容。打造最具专业性的有色金属技术理论与应用平台!

全国热门有色金属设备推荐
展开更多 +
全国热门有色金属技术推荐
展开更多 +

 

江西省隆恩特环保设备有限公司
宣传

报名参会
更多+

报告下载

有色专家
更多+

中南大学
中国工程院院士
武汉理工大学
外籍院士/教授
中国瑞林工程技术有限公司
中国工程院院士
矿冶科技集团
副所长/研究员
重庆理工大学
教授
赤泥综合利用研究报告2025
推广

热门技术
更多+

推荐企业
更多+

福建省金龙稀土股份有限公司
宣传

发布

在线客服

公众号

电话

顶部
咨询电话:
010-88793500-807