青岛垚鑫智能科技有限公司
宣传

位置:北方有色 >

有色技术频道 >

> 固/危废处置技术

分类:
全部
矿山技术
冶金技术
材料制备及加工技术
环境保护技术
分析检测技术
 
全部
废水处理技术
大气治理技术
固/危废处置技术
土壤修复技术
地区:
全部
北京
天津
上海
重庆
河北
山西
辽宁
吉林
黑龙江
江苏
浙江
安徽
福建
江西
山东
河南
湖北
湖南
广东
海南
四川
贵州
云南
陕西
甘肃
青海
内蒙
广西
西藏
宁夏
新疆
其他
其他
展开
 
全部
南京
无锡
徐州
常州
苏州
南通
连云港
淮安
盐城
扬州
镇江
泰州
宿迁

江苏无锡有色金属固/危废处置技术理论与应用

免费发布技术信息>>
固废垃圾处理用剪切式破碎机

本实用新型公开了一种固废垃圾处理用剪切式破碎机,包括底座、破碎机主体、进料口、第一电机、第一传动杆、卡扣、剪切扇叶、螺纹块、第一固定杆、刮板、转轴、筛网、收集箱、第一固定块、伸缩杆、减震弹簧、第二固定块、第二电机、第二传动杆、转盘、第一连动杆、第二连动杆、滑块、第二固定杆、出料口和限位架,本实用新型,通过卡扣和螺纹块的设置,方便了剪切扇叶的装卸,便于扇叶损坏后进行拆卸维修,通过转轴、第一固定块、伸缩杆、减震弹簧和第二固定块的设置,便于物料降落到筛网上的时候对筛网造成的震动进行减弱,同时给物料一个反弹的力,便于更好的进行筛选。

标签:
固废
江苏 - 无锡 来源:北方有色网 2023-03-19
固废环保处理一体化设备

本实用新型涉及一种固废环保处理一体化设备,包括污泥收集泵送装置及污泥处理装置;所述污泥收集泵送装置用于收集污泥并将污泥输送至污泥处理装置,包括污泥收集箱、安装于污泥收集箱中的螺旋输送装置及连接于污泥收集箱输出端的泵送装置;所述污泥处理装置包括粉料上料仓储装置及泥浆搅拌装置,所述泥浆搅拌装置包括搅拌器、位于搅拌器上方的污泥计量仓及粉料计量仓,所述粉料上料仓储装置及污泥收集泵送装置分别通过输送管道与所述粉料计量仓及污泥计量仓连接,所述搅拌器的下方设有污泥输出装置,所述泥浆搅拌装置将粉料与污泥混合搅拌后通过所述污泥输出装置输出。本实用新型能实现对污泥的自动化处理,其处理效率高、效果好。

标签:
固废
江苏 - 无锡 来源:北方有色网 2023-03-19
用于染料固废压滤装置中的自动保压系统

本实用新型涉及一种用于染料固废压滤装置中的自动保压系统,包括油箱,油箱与滤油器的进口端连接,滤油器的出口端与轴向柱塞泵的一端连接,轴向柱塞泵的另一端与高压溢流阀的进油口连接,高压溢流阀的出油口连接电磁换向阀的进油口;其特征是:所述电磁换向阀的第一出油口连接液控换向阀的一端,液控换向阀的另一端连接油缸的缸体一端,油缸的活塞杆一端分别连接低压溢流阀的进油口、电磁换向阀的第二出油口和液控换向阀的一端;所述轴向柱塞泵的动力输入端连接电动机的动力输出端;在所述油箱的缸体上设置用于控制电动机开启和停转的电接点压力表。本实用新型能够实现自动加压和卸压,减轻工人负担,有效确保设备的使用安全。

标签:
固废
江苏 - 无锡 来源:北方有色网 2023-03-19
用于有机固废处理的生物除臭塔

本实用新型提供了用于有机固废处理的生物除臭塔,包括滴滤塔、鼓风装置、菌液池、气体进口、气体出口,滴滤塔内从上到下依次设有喷淋组件、若干层填料组件、气体扩散器,所述滴滤塔为柱形塔体,填料组件为上部开口下部为网格板的方形箱体结构,填料组件内放置有填料;滴滤塔内设有的上部隔板、下部隔板以及填料组件的侧壁将滴滤塔分为左右两个相同大小的容纳腔,填料组件从上至下层层堆叠在滴滤塔的其中一个容纳腔中;滴滤塔内侧壁上设有横向和纵向布置的内凹的导轨,填料组件上设有与导轨相匹配的滑轮,导轨上设有将填料组件移动的控制机构;本实用新型中更换填料更为方便快捷,且不需要停运;可以根据进入气体的不同而自由选择所需填料。

标签:
固废
江苏 - 无锡 来源:北方有色网 2023-03-19
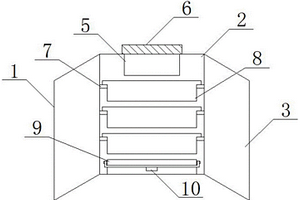
固废处理设备的接料仓
固废处理设备的接料仓 1224     
 0

本实用新型公开了一种固废处理设备的接料仓,包括接料仓主体、仓壁和仓门,接料仓主体的外围为仓壁,仓壁的前侧安装有仓门,仓门的表面安装有拉手,仓壁的上方设有接料口,接料口的边缘套装有异味隔离袋,异味隔离袋的底部呈开口状,异味隔离袋的上方安装有卡箍,仓壁的内侧焊接有放置杆,放置杆的上方放置有接料盘,接料盘由上至下共有三层,且上两层接料盘的底部均设有过滤孔,仓壁的底部放置有提框,提框上安装有提手,且提框的两侧设有提手托。本实用新型,结构简单,对处理后的物质,通过接料盘进行层层筛选,最终分类存在于不同的接料盘内,同时接料口上方设置的异味隔离袋,由于分子的引力,会避免仓内物质的异味弥漫,改善了工作环境。

标签:
固废
江苏 - 无锡 来源:北方有色网 2023-03-19
级联热脱附处理有机污染固废的装置及处理方法

本发明涉及一种级联热脱附处理有机污染固废的装置及处理方法,所述装置包括物料预热解析单元和级联解析单元;所述级联解析单元包括多个反向解析管;所述反向解析管包括第二加热外壳和套在所述第二加热外壳内的解析物料通道;所述解析物料通道内安装有物料推送绞龙;多个所述反向解析管的所述解析物料通道相互首尾串联在一起;所述级联解析单元的出料口安装有主燃烧器;所述物料预热解析单元的出料口与所述级联解析单元的进料口相连通。本发明大大节省了处理成本,且占用面积小,处理能力强,投资和运营成本低。

标签:
固废
江苏 - 无锡 来源:北方有色网 2023-03-19
电子固废回收中的多目标智能供货方法

本发明公开了一种电子固废回收中的多目标智能供货方法,属于智能物流领域。所述方法包括:读取模型所需数据、计算分拣中心与拆解企业间的距离、初始化粒子群算法参数、计算各粒子的目标值、求解各粒子的适应度、筛选出全局最优粒子、更新自身最优位置、更新粒子的位置和速度、判断是否达到最大迭代次数、输出最后一代全局最优粒子位置作为供货方案。本发明综合考虑了分拣中心和拆解企业在供货过程中运费成本、拆解企业的处理能力以及分拣中心的库存压力并根据实际情况构建了约束条件,相较于单目标优化的供货方案更具有实际应用价值。

标签:
固废
江苏 - 无锡 来源:北方有色网 2023-03-19
用于固废或生物质锅炉的布风排渣结构

本实用新型涉及循环流化床锅炉技术领域,具体为一种用于固废或生物质锅炉的布风排渣结构,其能够有效将杂质排出,保证锅炉流化效果,其包括设置于炉膛底部的布风板,所述布风板上安装有带风帽的接管,所述布风板中心位置开设有落渣口,所述落渣口连接排渣管,其特征在于,所述风帽包括蘑菇型风帽和鸭嘴型风帽,所述鸭嘴型风帽布置于所述落渣口周围区域,所述布风板其余区域布置有所述蘑菇型风帽,所述鸭嘴型风帽的扁口式出风口朝向所述落渣口;以所述落渣口为中心,外侧的所述鸭嘴型风帽高于内侧的所述鸭嘴型风帽呈阶梯状布置。

标签:
固废
江苏 - 无锡 来源:北方有色网 2023-03-19
无固废产出的8-羟基喹啉的制备方法

本发明公开了一种无固废产出的8‑羟基喹啉的制备方法,将甘油在硫酸脱水作用下形成丙烯醛,丙烯醛与邻氨基苯酚反应缩合成环,再经邻硝基苯酚氧化脱水成8‑羟基喹啉半成品,并用液碱将半成品中的硫酸中和,再经离心机进行固液分离后得8‑羟基喹啉粗品,粗品经蒸馏、切片得到8‑羟基喹啉。本发明反应温和,工业化生产工艺操作性强,反应容易控制,后续处理简单,设备投入少,节约能源,并回收了原料增加了经济效益,8‑羟基喹啉的收率能达到85%以上。

标签:
固废
江苏 - 无锡 来源:北方有色网 2023-03-19
固废燃烧炉用高抗氧化的碳化硅锆质砖及其制备方法

本发明公开了一种固废燃烧炉用高抗氧化的碳化硅锆质砖及其制备方法,砖体由组分A、组分B、抗氧化剂和去离子水组成;制备方法包括:S1、将组分A球磨、过火处理,得到物料A;将组分B高温煅烧,得到物料B;S2、将物料A和物料B搅拌均匀,粉碎,并加入结合剂、抗氧化剂和去离子水,进行混炼,得到混炼浆料;S3、将混炼浆料置入模具中压制成砖坯;S4、将砖坯置于窑炉中烧制,冷却后即得碳化硅锆质砖成品;本发明工艺设计合理,所得碳化硅锆质砖抗氧化性能优异,极具推广应用价值和生产效益。

标签:
固废
江苏 - 无锡 来源:北方有色网 2023-03-19
用于染料固废压滤装置中的压滤板

本实用新型涉及一种用于染料固废压滤装置中的压滤板,包括第一滤板和第二滤板,第一滤板和第二滤板依次交错设置,第一滤板和第二滤板之间分别形成容纳滤布的腔室,在该腔室中设置滤布;其特征是:在所述第一滤板和第二滤板的上下两端分别设置第一固定支耳和第二固定支耳,相邻的第一滤板和第二滤板上的第一固定支耳和第二固定支耳通过螺栓和螺母固定,滤布的上下两端夹持在第一固定支耳和第二固定支耳之间。在所述第一滤板和第二滤板上设有多个料浆进口,在第一滤板和第二滤板的上部设置冲洗液进口,在第一滤板和第二滤板的下部设置滤液出口。本实用新型合理使用滤布,保证滤布充分过滤,使滤布安装拆卸更方便、牢靠。

标签:
固废
江苏 - 无锡 来源:北方有色网 2023-03-19
燃烧固废物排废方法
燃烧固废物排废方法 718     
 0

本发明属于循环流化床技术领域,具体为一种燃烧固废物排废方法,其能够方便实现异物的顺利排出,在布风板上增加落渣管数量并增大落渣管直径,布风板上的风帽采用圆头结构并降低风帽到布风板表面的高度,相邻的风帽横向节距增大,流化床的床温提高到910‑920℃,并在锅炉前墙处设置两个床料置换口,当需要置换床料时,从床料置换口加入床料并加大锅炉排渣量。

标签:
固废
江苏 - 无锡 来源:北方有色网 2023-03-19
建筑固废再生混凝土掺合料回收装置

本发明涉及建筑设备技术领域,尤其为一种建筑固废再生混凝土掺合料回收装置,包括安装架,所述安装架的前侧内部设置有研磨破碎箱,所述第一驱动轴和第二驱动轴的外壁均设置有破碎研磨辊,所述第一连接座和第二连接座的下侧均安装有弹簧柱座,所述弹簧柱座的下端挂接有筛分箱,所述筛分箱的底部左下侧设置有振动电机,筛分箱的内部下侧设置有筛分网,所述筛分箱的前侧设置有筛分板,通过筛分板的筛分精度小于筛分网的筛分精度,使筛分网能够对细骨料进行筛分,通过限位凸起部能够对细骨料进行拦截,使粗骨料在振动的作用下越过限位凸起部通过筛分板进行筛分下料,能够对研磨破碎箱的掺合料进行分别下料存放,使掺合料的回收效率和质量更高。

标签:
固废
江苏 - 无锡 来源:北方有色网 2023-03-19
固废回转炉余热回收装置

本发明属于垃圾净化处理装置技术领域,具体涉及一种固废回转炉余热回收装置。在炉体左侧设置进料口,右侧设置出渣口,在炉体内设置燃烧器,在燃烧器上端设置回收管道,回收管道上端设置冷凝管道,冷凝管道缠绕在水箱四周;在回收管道和冷凝管道之间设置鼓风机。通过鼓风机将炉体产生的热气通过回收管道进入冷凝管道内,对水箱内的水进行加热,节约资源。

标签:
固废
江苏 - 无锡 来源:北方有色网 2023-03-19
用于余热式固废处理装置的高温空气燃烧器系统

本发明涉及一种用于余热式固废处理装置的高温空气燃烧器系统,它包括与回转窑相连的高温空气燃烧器Ⅰ、与二燃室相连的高温空气燃烧器Ⅱ,所述高温空气燃烧器Ⅰ通过回转窑补氧风管与回转窑补氧风机相连,所述高温空气燃烧器Ⅱ通过二燃室补氧风管与二燃室补氧风机相连。本发明使窑头和二燃室内温度场分布更加均匀,从而降低NOx生成量,整体运行平稳可靠。

标签:
固废
江苏 - 无锡 来源:北方有色网 2023-03-19
染料固废压滤系统
染料固废压滤系统 1100     
 0

本实用新型涉及一种染料固废压滤系统,包括物料槽、清水槽和滤板,其特征是:所述滤板的中心设有料浆进口,滤板的边角分别设有第一洗液进口、第二洗液进口、第一滤液出口和第五滤液出口;所述物料槽与过滤器连接,过滤器连接第一泵,第一泵连接第一阀门,第一阀门连接料浆进口;所述清水槽与第二泵连接,第二泵连接第二阀门,第二阀门分别连接第三阀门、第四阀门和第五阀门,第四阀门连接第一洗液进口,第五阀门连接第二洗液进口,第三阀门连接储气缸,储气缸连接单向阀,单向阀连接空压机;所述第一滤液出口连接第六阀门,第二滤液出口连接第七阀门。本实用新型可以提高清洗滤布的清洗效果,并且可以除去剩余的洗涤液。

标签:
固废
江苏 - 无锡 来源:北方有色网 2023-03-19
固废焚烧炉的摆动式炉排

本发明涉及一种固废焚烧炉的摆动式炉排,设置于炉体的底部,所述炉排包括内端相互铰接的两半,两半炉排的外端与炉体的内壁之间具有导料间隙,两半炉排的下方安装有顶出机构,所述顶出机构包括安装于炉体下方的顶出缸,顶出缸的活塞杆端部安装有置于炉体内的伸缩杆,所述伸缩杆的一端与炉排铰接,另一端与所述活塞杆铰接。本发明采用可摆动的炉排,利于炉灰的排出,延长焚烧炉的清理周期,提高燃烧效率。

标签:
固废
江苏 - 无锡 来源:北方有色网 2023-03-19
快速热解处理有机污染固废物系统

本实用新型公开了一种快速热解处理有机污染固废物系统,包括物料预处理单元、快速热解反应单元、热氧化单元和尾气处理单元;所述物料预处理单元的出料端对应于快速热解反应单元的入料端;所述快速热解反应单元由水平布置的热解管组成,所述热解管内部设有绞龙,所述绞龙由发动机驱动旋转;所述快速热解反应单元的出气端连接于热氧化单元的进气端,所述热氧化单元的物料分离端连接于快速热解反应单元的出料端,所述热氧化单元的出气端连接于尾气处理单元的进气端;设置烃浓度高于设定值时,将纯氧氧化器降低或停止外部燃料供应,使固废物热解气体作为燃料源,减少了运行费用。

标签:
固废
江苏 - 无锡 来源:北方有色网 2023-03-19
固废垃圾热解气化系统

本实用新型公开了一种固废垃圾热解气化系统,其包括垃圾储存车间、热解气化车间和中控室,其中,所述垃圾存储车间内设置有垃圾储存池和垃圾分选破碎装置,所述热解气化车间内设置有热解气化装置和尾气处理系统,所述垃圾分选破碎装置通过输送线给热解气化装置给料,所述尾气处理系统包括旋风除尘装置、热解气冷却装置、布袋除尘装置和活性炭吸附装置,所述旋风除尘装置的一端连接热解气化装置的排气端,另一端依次连接热解气冷却装置、布袋除尘装置、活性炭吸附装置和排风机。所述固废垃圾热解气化系统不仅节省了人力,提高了垃圾的处理效率和处理效果;而且极大地降低了热解尾气对周围环境的影响,节能环保。

标签:
固废
江苏 - 无锡 来源:北方有色网 2023-03-19
燃烧固废物的布风排废结构及运行方法

本发明涉及循环流化床技术领域,具体为一种燃烧固废物的布风排废结构,其能够让铁钉、铁丝等异物顺利排出,保证锅炉流化效果,减少停炉次数,延长锅炉连续运行时间,其包括布风板,所述布风板上开设有排渣口并安装有风帽,所述风帽的风帽头为圆头结构且所述风帽头上的出风口高度为22‑23mm、直径为10‑10.5mm,所述风帽的高度为124‑125mm,所述风帽间的横向节距为170‑175mm,所述布风板的深度与炉膛深度比值为35‑40%,同时,本发明还提供了一种燃烧固废物的布风排废运行方法。

标签:
固废
江苏 - 无锡 来源:北方有色网 2023-03-19
有机固废物裂解炉的进料密封装置

本实用新型提供了一种有机固废物裂解炉的进料密封装置,包括:水平置入裂解炉炉体的输料管,与裂解炉炉体呈一体化连接并套设在输料管外侧的进料管段,套设在输料管外侧并与进料管段连接的波形膨胀节,纵向嵌套装配并套设在输料管外侧并通过法兰连接的静密封套筒与动密封套筒;静密封套筒与动密封套筒之间形成填充密封组件的第一环状腔体,静密封套筒的内壁面与输料管的外壁面形成具敞口的第二环状腔体;动密封套筒与波形膨胀节之间,以及波形膨胀节与进料管段之间法兰连接;密封组件由若干圈环状的密封圈叠加组成。通过本实用新型所揭示的一种有机固废物裂解炉的进料密封装置,有效地解决了裂解炉在转动过程中在进料端的密封问题。

标签:
固废
江苏 - 无锡 来源:北方有色网 2023-03-19
可调节固废分样铲
可调节固废分样铲 922     
 0

本实用新型公开了一种可调节固废分样铲,涉及固废采集设备技术领域。本实用新型包括铲体,铲体一表面固定有手柄;铲体一相对内壁间滑动连接有第一内衬板;铲体一相对内壁间滑动连接有第二内衬板;铲体一相对内壁均开有若干第一滑槽;铲体一表面开有U形槽;第一内衬板一表面滑动连接有第一挡板;第二内衬板一表面滑动连接有第二挡板;铲体一表面滑动连接有第三挡板。本实用新型通过在铲体内滑动连接有第一内衬板和第二内衬板,使铲体内部大小可调,采用若干挡板用于增大铲体的容积,使工作效率有效提高,具有使用方便的优点。

标签:
固废
江苏 - 无锡 来源:北方有色网 2023-03-19
水冷固废焚烧炉排的滑动支撑结构

本实用新型涉及固废焚烧设备技术领域,具体为一种水冷固废焚烧炉排的滑动支撑结构,其能够简化结构,降低成本,方便于后续检修,其包括炉排和炉排钢架,所述炉排包括固定炉排和活动炉排,其特征在于,所述固定炉排直接与所述炉排钢架固定连接,所述活动炉排底部连接炉排框架,所述炉排框架连接炉排驱动装置,所述炉排框架两侧分别安装有至少两个水平梁,所述炉排框架内侧设置有与所述水平梁配合的支撑梁,所述水平梁滑动支撑于所述支撑梁上。

标签:
固废
江苏 - 无锡 来源:北方有色网 2023-03-19
固废焚烧炉用高抗氧化碳化硅锆制砖废气吸收装置

本实用新型涉及固废焚烧炉辅助装置技术领域,且公开了一种固废焚烧炉用高抗氧化碳化硅锆制砖废气吸收装置,包括第一连接管,所述第一连接管的一侧安装有烟气传输管道,所述烟气传输管道的一侧安装有第二连接管。该固废焚烧炉用高抗氧化碳化硅锆制砖废气吸收装置,通过第一限定板带动烟气从第一限定板的外侧输送至过滤管和烟气传输管道之间,同时烟气在过滤管和烟气传输管道的内部进行降温,并带动烟气经过过滤管外侧开设的凹槽输送至过滤管的内部,并经过活性炭对烟气中的杂质进行过滤,同时带动烟气从第二限定板中部安装过滤垫片的内部排出,并带动烟气输送至第二连接管的内部,方便带动烟气进行流通,并经过降温和除尘处理。

标签:
固废
江苏 - 无锡 来源:北方有色网 2023-03-19
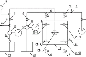
太阳能加热固废气化联合循环系统

本实用新型涉及一种太阳能加热固废气化联合循环系统,所述系统包含有热解炉(1)、辐射管燃烧器(2)、除尘设备(3)、过滤器一(4)、高温粗气储气罐(5)、热交换器(6)、过滤器二(7)、热回收器一(8)、净化气体储气罐(9)、蒸汽发电机(10)、锅炉(11)、燃气发电机(12)、热回收器二(13)和太阳能模块(14)。本实用新型太阳能加热固废气化联合循环系统,近零污染且能够利用垃圾进行热电联产。

标签:
固废
江苏 - 无锡 来源:北方有色网 2023-03-19
L型有机固废炭气化炉的主体结构及系统

本发明涉公开了一种L型有机固废炭气化炉的主体结构及系统,包括炉体和设置在炉体内下部位置的往复炉排,位于往复炉排上方的炉体内部空间按照物料输送方向通过隔墙依次被分隔为独立的三个室:辅助燃烧室A’、碳化室C和主燃烧室A,所述辅助燃烧室A’内设置有若干燃烧器,辅助燃烧室A’上设置有加料布料装置,辅助燃烧室A’的上方设置有热烟气出口,在位于辅助燃烧室A’的往复炉排的下方设置有热烟气进口,碳化室C内设置有若干辐射加热管,碳化室C上设置有热解气体出口,主燃烧室A的结构具有以下三种结构中的一种:活化炉结构、气化炉结构、锅炉结构。本发明实现了有机固废的清洁燃烧,无二噁英产生、无需脱硫脱硝,无环境二次污染。

标签:
固废
江苏 - 无锡 来源:北方有色网 2023-03-19
固废焚烧炉上料装置
固废焚烧炉上料装置 1157     
 0

本实用新型公开了一种固废焚烧炉上料装置,涉及垃圾上料技术领域。包括焚烧炉和传送带装置,所述焚烧炉上开设有进料口,所述传送带装置的底部安装有支撑腿,该固废焚烧炉上料装置,当传送带装置进行上料时,通过橡胶刮板、活动杆、弹簧、套筒的配合进而可以对传动带装置上附着的垃圾袋等垃圾进行刮去,使垃圾掉落到焚烧炉中,防止传送带装置上附着的垃圾过多,影响传送带装置的正常使用,当传动带装置进行运作时,通过第一传动轮、皮带、第二传动带、不完全齿轮、转杆、敲打机构的配合,进而对附着在橡胶刮板上的垃圾进行敲击,使橡胶刮板上附着的垃圾掉落到焚烧炉中,防止橡胶刮板上堆积的垃圾过多,影响橡胶刮板使用。

标签:
固废
江苏 - 无锡 来源:北方有色网 2023-03-19
冶金固废转底炉含氧化锌主烟气净化除尘装置

本发明公开一种冶金固废转底炉含氧化锌主烟气净化除尘装置,属于净化除尘技术领域。该冶金固废转底炉含氧化锌主烟气净化除尘装置包括箱体,落灰层侧部安装有若干个进气支管道;所述落灰层上部花板上悬挂有若干个滤袋,所述布袋为100%聚四氟乙烯基布和100%聚四氟乙烯外表覆膜,配以表面喷涂有机硅,光滑又耐高温的笼架支撑,能够有效抵御高温和含锌、含氯等化学粉尘的腐蚀,提高布袋的使用寿命,减少维修和更换,节约生产成本;所述进气支管道末端装有特殊安装角度的进气调节阀,既能解决普通调节阀易堵塞的问题,又能真正意义上实现离线检修;过滤下来的粉灰中含有大量高氧化锌颗粒,进行提取后,能够进行二次利用,提高经济价值。

标签:
固废
江苏 - 无锡 来源:北方有色网 2023-03-19
用于固废焚烧炉的防脱落锆质砖结构

本实用新型涉及防脱落锆质砖技术领域,公开了一种用于固废焚烧炉的防脱落锆质砖结构,包括防脱落锆质砖,设置在所述防脱落锆质砖上的第一防脱落结构;所述防脱落锆质砖包括防脱落锆质砖本体,设置在所述防脱落锆质砖本体上与第一防脱落结构连接的连接结构,设置在所述防脱落锆质砖本体下表面的第二防脱落结构;所述连接结构包括设置在防脱落锆质砖本体中心的十字型卡槽,四个设置在所述防脱落锆质砖本体上表面且与十字型卡槽对应设置的条型限位卡槽;本实用新型能够大大提升锆质砖结构的安装稳定性,提升锆质砖结构的防脱落能力,从而使固废焚烧炉的故障率降低。

标签:
固废
江苏 - 无锡 来源:北方有色网 2023-03-19
固废无害化处理后熔融体的气相、液相分离收集处理装置

本实用新型涉及固废处理技术领域,且公开了固废无害化处理后熔融体的气相、液相分离收集处理装置,包括壳体,所述壳体的右端顶部固定安装有加料管,所述壳体内腔底部的右端固定安装有收料盒,所述收料盒的右端固定安装有排液管,所述壳体的内腔固定安装有分隔板一和分隔板二。本实用新型通过加料管向壳体的内腔加入混合相,电机带动转轴旋转,转轴旋转时带动搅拌杆旋转,对位于分隔板一和分隔板二表面的混合相进行搅拌,使混合相在第一分离腔和第二分离腔的内腔充分搅拌,实现位于第一分离腔和第二分离腔中部的混合相均匀的分散到第一分离腔和第二分离腔的内腔,使混合相在分离时均匀分布,提高装置的分离效果。

标签:
固废
江苏 - 无锡 来源:北方有色网 2023-03-19
上一页 54 55 56 57 58 ... 61 下一页
共61页    到第

北方有色为您提供最新的江苏无锡有色金属固/危废处置技术理论与应用信息,涵盖发明专利、权利要求、说明书、技术领域、背景技术、实用新型内容及具体实施方式等有色技术内容。打造最具专业性的有色金属技术理论与应用平台!

全国热门有色金属设备推荐
展开更多 +
全国热门有色金属技术推荐
展开更多 +

 

江西省隆恩特环保设备有限公司
宣传

报名参会
更多+

报告下载

有色专家
更多+

有研科技集团有限公司
中国工程院 院士
江西理工大学
副处长/教授
矿冶科技集团有限公司
正高级工程师/副所长
中国工程院 / 中南大学
中国工程院 院士
东华理工大学
校长/教授
赤泥综合利用研究报告2025
推广

热门技术
更多+

推荐企业
更多+

福建省金龙稀土股份有限公司
宣传

发布

在线客服

公众号

电话

顶部
咨询电话:
010-88793500-807