青岛垚鑫智能科技有限公司
宣传

位置:北方有色 >

有色技术频道 >

> 固/危废处置技术

分类:
全部
矿山技术
冶金技术
材料制备及加工技术
环境保护技术
分析检测技术
 
全部
废水处理技术
大气治理技术
固/危废处置技术
土壤修复技术
地区:
全部
北京
天津
上海
重庆
河北
山西
辽宁
吉林
黑龙江
江苏
浙江
安徽
福建
江西
山东
河南
湖北
湖南
广东
海南
四川
贵州
云南
陕西
甘肃
青海
内蒙
广西
西藏
宁夏
新疆
其他
其他
展开
 
全部
广州
韶关
深圳
珠海
汕头
佛山
江门
湛江
茂名
肇庆
惠州
梅州
汕尾
河源
阳江
清远
东莞
中山
潮州
揭阳
云浮

广东深圳有色金属固/危废处置技术理论与应用

免费发布技术信息>>
有机固体废弃物与餐厨垃圾协同处理的方法

本发明公开了一种有机固体废弃物与餐厨垃圾协同处理的方法,包括步骤:A1、接收有机固体废弃物;A2、将有机固体废弃物及沼渣和回流沼液混匀;A3、将混合后的物料湿式氧化;A4、将氧化后的物料机械脱水;B、将餐厨垃圾预处理得固液混合相;B7、将固液混合相水解酸化;C1、将A4得的滤液和B7得的酸化料混均后进行C2的厌氧产沼,得到的消化液进行C3,得到的沼气进行D1;C3、将消化液机械脱水,得沼渣和沼液;D1、将得到的沼气进行净化;D2、净化后的沼气进行发电,产生的高温烟气进入D3,并产生电能;D3、将高温烟气进行换热,获得的高温蒸汽通入A3中供能,循环热水分别通入B7和C2以提供热量。

标签:
固废
广东 - 深圳 来源:北方有色网 2023-03-19
可往复挤压除水的固体废弃物综合环保处理回收设备

本发明公开了一种可往复挤压除水的固体废弃物综合环保处理回收设备,包括主壳体、进料仓和压缩机构,所述主壳体的内部设置有进料仓,且进料仓的右侧设置有压缩机构,并且压缩机构的下方设置有第一滤水板,所述第一滤水板的下方设置有第二滤水板,且第二滤水板的左下方连接有排液管,所述第一滤水板的左下方设置有推料机构。该可往复挤压除水的固体废弃物综合环保处理回收设备设置有第一滤水板、安装轴和限位杆,第一滤水板可在安装轴的作用下进行旋转,将废物进行向下倾倒,后续可通过第一滤水板和第二滤水板的配合对废物进行二次挤压除水,限位杆可对第一滤水板的位置进行固定,使压板能将废物在其上方进行挤压,提高装置的除水效果。

标签:
固废
广东 - 深圳 来源:北方有色网 2023-03-19
固体建筑废弃物加工处理系统

一种固体建筑废弃物加工处理系统,包括复合破碎机、双锥破碎机、高频振动筛、水分离机和石子表面处理机构成,复合破碎机将额定大小的固体建筑废弃物破碎到预定颗粒大小以下,然后,进入到双锥破碎机进一步破碎到另一预定颗粒大小以下颗粒,再将破碎后的颗粒送入高频振动筛,将其分离为小于等于大、中和小三个等级,再将不同等级的颗粒送入水分离机分离出石子、红砖、纯混凝土颗粒,以及去除漂浮物,最后将不同粒径的石子送入石子表面处理机,剥去石子表面的混凝土层。本实用新型具有结构简单,可以处理出符合建筑标准的石子及其它建筑材料,可变废为宝,绿色环保的优点。

标签:
固废
广东 - 深圳 来源:北方有色网 2023-03-19
可对固体废弃物批量回收的预处理回收装置

本发明公开了一种可对固体废弃物批量回收的预处理回收装置,包括框体和主轴,所述框体上方右侧设置有进料口,且进料口下方通过抱箍连接有第一帆布,所述框体左侧内部轴承连接有主轴,且主轴外侧设置有滑板,并且主轴外侧键连接有第二链轮,所述框体左侧内部上方还轴承连接有从动轴,且从动轴外侧键连接有第一链轮,所述框体下方内侧轴承连接有连接轴,且连接轴右侧设置有连接杆,且第三链轮右侧内部键连接有转杆,并且转杆外侧贯穿有活动板。该可对固体废弃物批量回收的预处理回收装置安装有左碾碎辊和右碾碎辊,使得通过左碾碎辊和右碾碎辊同时向内侧旋转过程中有效的将压扁后的塑料瓶废弃物进行碾碎。

标签:
固废
广东 - 深圳 来源:北方有色网 2023-03-19
固体废料治理工程用具有分拣结构的破碎装置

本实用新型公开了一种固体废料治理工程用具有分拣结构的破碎装置,包括主体和固定柱,所述主体的左端内侧底部安置有破碎机构,且破碎机构的顶端设置有分拣机构,所述主体的顶端开设有进料口,且主体的底端安置有底座,所述底座的顶端固定有固定块,且固定块的底端内部设置有弹簧,所述主体的后端设置有垃圾放置框。该固体废料治理工程用具有分拣结构的破碎装置通过固定框的设置是为了固定破碎刀,方便破碎刀对固体废料进行破碎,从而使得主体在操作的过程中更加的方便,同时隔板的设置是为了将固定框进行分割,方便固定框可以对不同类别和大小的垃圾进行清理,方便破碎后的垃圾进行处理,从而达到保护环境的作用。

标签:
固废
广东 - 深圳 来源:北方有色网 2023-03-19
热解炉与等离子气化协调处理固体废物系统

本实用新型公开了一种热解炉与等离子气化协调处理固体废物系统,其特征在于包括热解炉(3)、离子气化熔融炉(21)、等离子裂解炉(7)、旋风分离器(9)、二燃室(11),余热锅炉(13)。能够利用热解炉低成本热解和等离子熔融炉高温特性将处理固体废弃物高温气化成无害玻璃体的同时,将热解气的焦油裂解、二噁英前驱体消除,形成干净的合成气,再进行洁净燃烧产生能量利用,不仅解决热解减容量不足、等离子气化处理规模较小的问题,同时还可以裂解焦油使其易于燃烧、大幅度降低二噁英生成量,达到危险废物减量化、无害化、资源化的目的,并且熔融炉中产生的高温烟气携带的热量可得到有效利用,可大规模工业应用于固体废弃物深度处理。

标签:
固废
广东 - 深圳 来源:北方有色网 2023-03-19
固体废物遇水反应性生成气体检验鉴定装置

本实用新型公开了一种固体废物遇水反应性生成气体检验鉴定装置,涉及固体废物遇水反应检验鉴定领域,解决了现有的固体废物遇水反应性生成气,不方便检测鉴定其中的主要成分的问题,现提出如下方案,其包括气体监测器、安装槽、侧板、定位螺栓、反应瓶、搅拌器、加液管、气体流量计、洗气瓶、集成安装座、安装斜台、数字表盘、外筒、内筒、圆孔、限位环台、转筒,且转筒的下端固定连接有上圆环,所述上圆环的下端固定套装有环形橡胶圈,且环形橡胶圈的下端固定连接有下圆环,所述下圆环的下端面转动套装有转环,所述内筒内螺纹套设有检测模块。本装置具有方便瓶装组合使用,且可以模块化安装,高效对反应其中中的多种不同成分进行检测的特点。

标签:
固废
广东 - 深圳 来源:北方有色网 2023-03-19
用于有机固体废弃物的无害化处理的发酵装置

本发明公开了一种用于有机固体废弃物的无害化处理的发酵装置,包括发酵罐、电动机、皮带轮机构、输料管和出料管,所述发酵罐的顶部固定有进料斗,所述电动机的端头处转动连接有电机轴,所述进料斗的内部活动设置有挡板,所述挡板的另一端固定有引导杆,所述引导杆的下方活动设置有活动杆,所述电机轴通过皮带轮机构和连接轴相互连接,所述出料管固定在发酵罐的底部,所述排气管的内部活动设置有活动板,所述排气管的端头处套设有防护罩。该用于有机固体废弃物的无害化处理的发酵装置,既方便发酵过程中产生的气体的排出,又能够保证发酵罐内部的密封性,并且在发酵过程中可保持废弃物的运动,进而保证发酵速度的统一性。

标签:
固废
广东 - 深圳 来源:北方有色网 2023-03-19
固体废物处理用打包压缩装置

本实用新型公开了一种固体废物处理用打包压缩装置,包括处理腔,所述处理腔顶部固定设置有进料漏斗,所述进料漏斗底部设置有两个转动杆,两个所述转动杆外部均固定设置有转动辊,两个所述转动辊外部均固定设置有多个勾刺。本实用新型通过第一电机带动两个转动辊外部的勾刺相反转动实现对固体废物破碎,两个液压杆伸长带动压板实现对破碎后的固体废物压合,压合效果好,接通第二电机正转带动螺纹杆转动进而带动滑块移动,在两个转轴以及合页的作用下,支撑杆倾斜进而带动活动板倾斜,实现将压合后的固体废物传动至传送带顶部,经过传动带传动至处理腔外部,从而移出便捷。

标签:
固废
广东 - 深圳 来源:北方有色网 2023-03-19
用于处理核设施固体废物的等离子体减容系统及方法

本发明提供一种用于处理核设施固体废物的等离子体减容系统及方法,其中等离子体减容系统包括熔融燃烧系统和尾气处理系统,熔融燃烧系统进一步包括熔融炉和二次燃烧室,采用等离子热解熔融+二次燃烧组合方式处理中低放固体废物,对经二次燃烧生成的尾气采用半干急冷法+布袋+湿法+脱硝组合的方式来处理。本发明能够处理各种类型的废物,使得废物的体积减至1/6,并能够将放射性核素稳定固化在固化体内,尾气排放可以达到国家标准。综合来看,能够实现减容技术中较高的减容比和较高的安全性。

标签:
固废
广东 - 深圳 来源:北方有色网 2023-03-19
有机固体废弃物阴燃处理及烟气净化的装置

本发明涉及有机固体废弃物处理技术领域,提供一种有机固体废弃物阴燃处理及烟气净化的装置,包括反应器、阴燃点火器、气体点火器、空气进气组件以及监控系统。阴燃点火器置于固体阴燃层内且位于进气口的上方;气体点火器置于气体燃烧层内且位于排气口的下方;空气进气组件与进气口相连接;监控系统包括多个温度传感器、数据采集装置、气流流量控制装置以及终端控制装置,各温度传感器依次设于固体阴燃层内和气体燃烧层内,气流流量控制装置与空气进气组件电性连接,气流流量控制装置与数据采集装置均与终端控制装置电性连接。有机固体废弃物在反应器内进行阴燃,产生的烟气又可被二次燃烧而实现净化。整个过程能耗低、处理效率高且更加安全。

标签:
固废
广东 - 深圳 来源:北方有色网 2023-03-19
节能环保的水污染固体废物处理装置

本实用新型公开了一种节能环保的水污染固体废物处理装置,包括压缩室和水室,所述压缩室顶端贯穿有压缩柱,所述压缩柱顶端焊接有按压板,所述压缩柱外壁底部通过打孔有插销孔,所述插销孔内插销连接有限位杆,所述压缩柱底端焊接有压缩板,所述压缩室底端焊接有水室。本实用新型通过室门、压缩室和压缩板的设置,通过限位钩下压使得限位钩从横杆内取下,打开室门,将刚刚从水污染打捞出的固体废物放入压缩室内,再将室门关上,将限位杆从插销孔内抽出,按压或者锤击按压板使得压缩柱带动压缩板下压,将固体废物内的水分挤压出,有利于将固体废物内的水分压缩而出,由于下道工序的处理,无论是焚烧或者粉碎,较为实用,适合广泛推广与使用。

标签:
固废
广东 - 深圳 来源:北方有色网 2023-03-19
低中放固体废物计量分拣系统

本实用新型公开了一种低中放固体废物计量分拣系统,包括传送装置,传送装置的两侧分别设有第一工况位和第三工况位,传动装置的一端部设有第二工况位;多个承装装置;辊道装置,辊道装置可将承装装置移至第一工况位、第二工况位和第三工况位中的任一工况位;金属探测装置;计量装置;推送装置;以及控制装置,系统分别根据金属探测装置和计量装置探测的数据控制推送装置分别推送传送中的固体废物至多个承装装置中。实施本实用新型的低中放固体废物计量分拣系统,能够自动连续高效地完成对低中放固体废物的计量及分拣;减少操作人员受辐照剂量的影响,并极大的提高工作效率。

标签:
固废
广东 - 深圳 来源:北方有色网 2023-03-19
固体废物中金的回收工艺

本发明公开了一种固体废物中金的回收工艺,其先将固体废物置于炭化炉中燃烧,燃烧后得到烧好物料,对烧好物料计量后置于球磨机中研磨得到颗粒物料,再将颗粒物料上料至混料机中进行混料后输送至振动分筛机上进行筛分得到粉料,将粉料置于反应釜中,通入蒸汽并加入王水进行酸洗得到液泥,将液泥通至压滤机中进行压滤分别得到含金液以及残渣,含金液通至沉金桶中并加入还原剂搅拌还原,然后通过滤斗过滤后得到金粉以及废水,将金粉进行焗干后熔锭得到金锭,王水溶解前先经过混料机的混料使得其更加均匀后,再借助振动分筛机筛选出大小合适的粉料后进行后续的溶解以及还原处理,从而使得后续酸化以及还原更加充分且彻底,有效提高金的回收率。

标签:
固废
广东 - 深圳 来源:北方有色网 2023-03-19
核电站放射性湿固体废物包装容器处置单元和处置方法

本发明公开了一种核电站放射性湿固体废物包装容器处置单元,其包括单元格,其中,单元格设有位于单元格底层的承重竖井和位于竖井周侧的金属桶,交联聚乙烯高整体容器(HIC)置于竖井内。本发明处置单元满足了HIC的辐射防护和结构承重,排气要求,实现了HIC的安全处置。通过对高整体容器和金属桶进行混装,在满足高整体容器处置安全性和经济性的基础上,实现了处置单元内不同废物包装容器的综合处置。此外,本发明还公开了一种核电站放射性湿固体废物包装容器处置方法。

标签:
固废
广东 - 深圳 来源:北方有色网 2023-03-19
固体废弃物中的贵金属回收装置

本实用新型涉及贵金属回收利用技术领域,且公开了一种固体废弃物中的贵金属回收装置,包括一级粉碎箱、二级粉碎箱、焚烧室,所述一级粉碎箱内侧转动连接有轴一、粉碎刀一,所述粉碎箱左侧连接有连接杆一、主动轮、从动轮、连接杆二、皮带轮一、电机,所述二级粉碎箱内侧转动连接有轴二、粉碎刀二,所述焚烧室顶部固定连接有翻转板,所述焚烧室内壁开设有带弧凹槽、直凹槽,所述带弧凹槽内侧滑动连接有滑块,所述滑块远离带弧凹槽一侧固定连接有杂质板、金属板。该固体废弃物中的贵金属回收装置,通过一级粉碎箱内粉碎刀一和二级粉碎箱内的粉碎刀二的两次粉碎,使得固体废弃物更加的细小,更便于焚烧,从而减少焚烧时间。

标签:
固废
广东 - 深圳 来源:北方有色网 2023-03-19
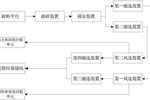
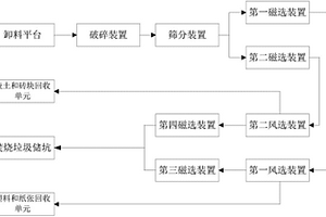
固体废弃物分选系统
固体废弃物分选系统 1119     
 0

本实用新型属于环保领域,尤其涉及一种固体废弃物分选系统。本实用新型提供的分选系统包括:破碎装置;与破碎装置的出料口相连的筛分装置;与筛分装置的筛上物料出料口相连的第一磁选装置;与第一磁选装置的非磁性物料出料口相连的第一风选装置;与筛分装置的筛下物料出料口相连的第二磁选装置;与第二磁选装置的非磁性物料出料口相连的第二风选装置。在本实用新型中,通过磁选可将固体废弃物中的磁性金属筛选出来,而筛上料经过风选后可获得富含塑料和纸张破碎料的轻物料,筛下料经过风选后可获得富含渣土和砖块破碎料的重物料,采用本实用新型提供的分选系统可将固体废弃物中的塑料、纸张、磁性金属、渣土和砖块从固体废弃物中分选出来。

标签:
固废
广东 - 深圳 来源:北方有色网 2023-03-19
热能回收的固体废弃物焚烧炉

本实用新型公开了一种热能回收的固体废弃物焚烧炉,包括固定架,所述固定架顶部一侧壁体上设有炉体,所述炉体下方前端壁体上设有出灰口,所述固定架顶部还在位于炉体一侧位置的壁体上设有燃烧机,所述固定架顶部另一侧还分别设有第一承托架、第二承托架与第三承托架,所述第一承托架顶部壁体上设有水箱,所述第一承托架顶部后端壁体上还设有燃油箱。本实用新型所述的一种热能回收的固体废弃物焚烧炉,涉及焚烧炉设备技术领域,通过余热回收机构的设置,能够便于将其焚烧时产生的热量导入到炉体前端的进料斗中,能够对其进料斗中的固体废弃物进行预加热,进而能够使得在炉体内更快的达到燃点,进而能够加快废弃物的燃烧速度,节省能源。

标签:
固废
广东 - 深圳 来源:北方有色网 2023-03-19
固体废料处理用双轴三层振动筛

本申请涉及一种固体废料处理用双轴三层振动筛,其涉及固体废料分筛技术领域,包括振动装置和电机,所述振动装置内穿设有用于驱动振动装置振动的驱动轴,所述驱动轴设有两个,所述电机设于振动装置旁,两所述驱动轴一端均由振动装置靠近电机一侧的侧壁穿设于振动装置外,所述电机输出轴与其中一驱动轴传动连接,两所述驱动轴位于振动装置外的一端传动连接,其特征在于:所述振动装置旁设有用于向振动装置进行上料的上料装置,所述上料装置的上料处低于振动装置的下料处,所述上料装置与驱动轴传动连接。本申请具有上料较为容易的效果。

标签:
固废
广东 - 深圳 来源:北方有色网 2023-03-19
环境工程固体废物分类装置

本实用新型涉及环境工程领域,具体是一种环境工程固体废物分类装置,包括支撑框架,支撑框架内部安装有处理腔,处理腔上侧右端和下侧左端均设置有排料管,排料管上安装有控制阀,处理腔左右两侧安装有旋转罩,旋转罩外侧插入在环形连接槽内部,左端的旋转罩内部安装有第一电机,第一电机的电机轴与旋转罩进行连接,右端的旋转罩内部安装有第二电机,第二电机左侧安装有旋转轴,旋转轴通过轴承座与处理腔的内壁进行连接,旋转轴上下两侧通过连接台安装有粉碎刀片,旋转轴前侧通过连接台设置有连接杆,连接杆外侧安装有电磁铁板,本实用新型可以有效地方便对固体废物进行粉碎处理后进行排出,这样方便设备的使用。

标签:
固废
广东 - 深圳 来源:北方有色网 2023-03-19
固体废弃物处理和综合利用的系统

本实用新型公开了一种固体废弃物处理和综合利用的系统,包括热解系统、过滤子系统、余热回收子系统、油回收子系统和预热子系统.将固体废弃物通过传送装置送入热解炉中,在热解炉中进行热解,热解产生的热解气进行过滤处理和油回收处理操作;还可以选择进行余热回收和空气预热操作,所有控制通过控制对应位置的电控阀门的开关即可实现不同的工作模式的选择。可灵活根据热解产生的热解气的特点在同一个系统中通过选用不同的工作模式,各个环节产生的高温气体的热量都可以得到充分的利用,保证排放前其热能都得到充分的利用,同时可增加回收高品质的焦油产品,整体系统适应性强,应用场景广,具有巨大的市场价值。

标签:
固废
广东 - 深圳 来源:北方有色网 2023-03-19
核设施固体废物货包放射性活度评估方法和系统

本发明实施例提供一种核设施固体废物货包难测核素放射性活度评估方法及系统,该方法包括:选取与难测核素相关的易测核素作为该难测核素放射性活度评估的关键核素;在放射性废物的产生或处理阶段,对原生放射性废物进行取样及分析,获得放射性废物中放射性核素种类及活度浓度,分析得到难测核素与关键核素之间的关联因子;在该类放射性废物处理形成废物货包后,测量废物货包中的关键核素的放射性活度浓度,根据关键核素的放射性活度浓度及难测核素的活度浓度与其关键核素的活度浓度之间的关联因子计算得到难测核素的放射性活度浓度。本发明实施例针对核设施固体废物货包中难测核素的放射性活度浓度评估,评估实施难度降低,且评估结果可靠。

标签:
固废
广东 - 深圳 来源:北方有色网 2023-03-19
建筑固体废弃物破碎再生回料装置

本实用新型涉及建筑固体废弃物的技术领域,公开了建筑固体废弃物破碎再生回料装置,包括朝前循环移动的输料带、破碎机以及回料仓,输料带具有供建筑固体废弃物上料的上料段以及破料段,沿着输料带的朝前移动方向,破料段位于上料段的前方;破料段的两侧分别设置有破料移动块,两个破料移动块相对移动或相离移动;破碎机具有破碎腔,破碎腔内部具有两个并行布置的滚动轴,滚动轴的外周盘旋有沿着滚动轴的轴向盘旋布置的盘旋凸块,两个滚动轴的盘旋凸块相互错位咬合布置;破碎腔的顶部具有顶部开口,破碎腔的底部具有底部开口,破料段的前端部连通至破碎腔的顶部开口;回料仓位于破碎机的下方,且与破碎腔的底部开口对齐布置,破碎后实现回收。

标签:
固废
广东 - 深圳 来源:北方有色网 2023-03-19
固体废物脱水处理装置

本实用新型涉及固体废物处理技术领域,且公开了一种固体废物脱水处理装置,包括处理罐,所述处理罐的顶端开设有进料口,所述处理罐的内部活动安装有主轴,所述主轴的顶端固定安装有螺纹杆,所述螺纹杆的顶端固定安装有限位杆,所述处理罐的顶端设有固定套。该固体废物脱水处理装置,通过主齿轮以及副齿轮带动固定套转动时,由于固定套内部开设的螺纹槽与螺纹杆之间为啮合连接,所以当固定套相对螺纹杆旋转时可以带动螺纹杆旋转的同时可在固定套的内部上下移动,进而带动主轴外侧面的搅拌杆旋转以及压块的上下移动,对废物进行搅拌粉碎的同时可对其进行压缩,从而实现了可同时粉碎和压缩的优点。

标签:
固废
广东 - 深圳 来源:北方有色网 2023-03-19
含金属固体废料回收方法和设备

本发明公开了一种含金属固体废料回收方法和设备。本发明包括以下步骤:(1)含金属固体废料由切片机进行粗破、剪切式破碎机进行一级破碎、可调速锤式破碎机进行二级破碎;(2)物料经过二级破碎后由离心风机抽到重力分选机及旋风分离器;(3)小于60目的含金属粉尘落入旋风分离器的集灰斗后送入振动筛;(4)大于60目的物料粉末进入振动筛,并通过高压静电分选机分别实现金属和非金属分离。用于本发明的高压静电分选机,包括本体和可连续旋转的收尘极板,所述收尘极板为复数个并由中心轴串接固定,所述中心轴连接至电机,所述每两个收尘极板之间安装有一个放电极和刮板。本发明金属回收率高,且系统全自动运行,环保无害,经济效益显着。

标签:
固废
广东 - 深圳 来源:北方有色网 2023-03-19
固体废弃物处理用堆肥混料机构

本实用新型公开了一种固体废弃物处理用堆肥混料机构,包括混料桶,所述混料桶的侧壁上部开设有对接槽,且混料桶开设对接槽处连接有添料结构,所述添料结构包括L型支撑架、第一通孔、第一安装孔、倾斜块、第二通孔、第二安装孔、添料管和添料斗,且L型支撑架的上端开设有第一通孔,所述L型支撑架的弧面开设有第一安装孔,且L型支撑架的架内连接有倾斜块。本实用新型所述的一种固体废弃物处理用堆肥混料机构,属于固体废弃物处理设备领域,混料桶上端安装添料结构和振动结构,添料结构通过L型支撑架、倾斜块实现添料斗和混料桶之间的固定,通过振动结构设置的振动片、活动柱和弹簧的设置,能够实现添料斗的下料和防堵塞。

标签:
固废
广东 - 深圳 来源:北方有色网 2023-03-19
固体废料压合机的自动下料装置

本实用新型涉及一种固体废料压合机的自动下料装置,属于固体废料压合机技术领域,其技术方案要点:包括安装在箱体顶部用于挤压废料的压板;安装在箱体侧边的门板;滑移连接在所述箱体底部用于承载废料的承载板;以及,设于所述箱体外壁上用于驱动承载板朝门板一侧滑动的第一驱动组件,所述承载板靠近门板的一侧铰接有与承载板相贴合的支撑板,所述承载板上设有用于驱动支撑板旋转的第二驱动组件。本实用新型的自动下料装置在使用时,能够代替人工很方便推出废料块,从而可以降低工作人员的劳动量,提高工作效率。

标签:
固废
广东 - 深圳 来源:北方有色网 2023-03-19
放射性固体废物桶
放射性固体废物桶 1184     
 0

本实用新型公开了一种放射性固体废物桶,其包括桶体、桶盖和桶底,桶底密封固定在桶体的底部;所述桶盖包括盖板和安装在盖板上的吊装部分,盖板可拆卸地安装在桶体的顶部并密封住桶口;吊装部自盖板向上凸起且内设收容空间,收容空间的上方设置有吊板,吊板上开设有允许抓具穿过以伸入收容空间内抓取吊板的接口。与现有技术相比,本实用新型放射性固体废物桶通过在桶盖上设置吊装部,优化了桶盖的结构设计和强度设计,使桶盖可以实现抓具内抓操作。因此,在废物桶吊装过程中,抓具可以越来越紧地扣住吊板,防止废物桶跌落,提高了吊装的安全性;另外,由于采用内抓式吊具,使吊具操作空间变小,因此可以对废物桶进行更为密集地堆码。

标签:
固废
广东 - 深圳 来源:北方有色网 2023-03-19
固体废弃物分选系统和分选方法

本发明属于环保领域,尤其涉及一种固体废弃物分选系统和分选方法。本发明提供的分选系统包括:破碎装置;与破碎装置的出料口相连的筛分装置;与筛分装置的筛上物料出料口相连的第一磁选装置;与第一磁选装置的非磁性物料出料口相连的第一风选装置;与筛分装置的筛下物料出料口相连的第二磁选装置;与第二磁选装置的非磁性物料出料口相连的第二风选装置。在本发明中,通过磁选可将固体废弃物中的磁性金属筛选出来,而筛上料经过风选后可获得富含塑料和纸张破碎料的轻物料,筛下料经过风选后可获得富含渣土和砖块破碎料的重物料,采用本发明提供的分选系统可将固体废弃物中的塑料、纸张、磁性金属、渣土和砖块从固体废弃物中分选出来,另作他用。

标签:
固废
广东 - 深圳 来源:北方有色网 2023-03-19
含氯含溴固体废物热解系统

本发明属于固体废物处理相关技术领域,其公开了一种含氯含溴固体废物热解系统,该系统包括:智能破碎单元、智能干燥单元、热解反应单元、热量回收单元、水洗单元以及燃气器,智能破碎单元将含氯含溴固体废物破碎为预设粒度的颗粒,智能干燥单元对颗粒进行加热干燥,并将干燥后的颗粒送入热解反应单元以在氨水蒸气的作用下热解生成热解渣和热解气,热解渣和热解气进入热量回收单元中加热冷却水后进入智能干燥单元对颗粒进行加热干燥,获得热解油、冷凝水和不凝气体,将不凝气体输入水洗单元获得氨气,热量回收单元输出的冷却水加热为蒸汽,蒸汽和氨气组成氨水蒸汽进入热解反应单元参与反应。本申请可以使能量和物质循环利用,节能环保无污染。

标签:
固废
广东 - 深圳 来源:北方有色网 2023-03-19
上一页 53 54 55 56 57 ... 59 下一页
共59页    到第

北方有色为您提供最新的广东深圳有色金属固/危废处置技术理论与应用信息,涵盖发明专利、权利要求、说明书、技术领域、背景技术、实用新型内容及具体实施方式等有色技术内容。打造最具专业性的有色金属技术理论与应用平台!

全国热门有色金属设备推荐
展开更多 +
全国热门有色金属技术推荐
展开更多 +

 

江西省隆恩特环保设备有限公司
宣传

报名参会
更多+

报告下载

有色专家
更多+

郑州大学
副院长/教授
西北稀有金属材料研究院宁夏有限公司
党委书记 / 董事长
洛阳有色矿业集团有限公司
生产技术部经理
辽宁忠旺集团
教授级高工
中国有色金属工业协会
副会长兼秘书长
赤泥综合利用研究报告2025
推广

热门技术
更多+

推荐企业
更多+

福建省金龙稀土股份有限公司
宣传

发布

在线客服

公众号

电话

顶部
咨询电话:
010-88793500-807