青岛垚鑫智能科技有限公司
宣传

位置:中冶有色 >

有色技术频道 >

> 固/危废处置技术

分类:
全部
矿山技术
冶金技术
材料制备及加工技术
环境保护技术
分析检测技术
 
全部
废水处理技术
大气治理技术
固/危废处置技术
土壤修复技术
地区:
全部
北京
天津
上海
重庆
河北
山西
辽宁
吉林
黑龙江
江苏
浙江
安徽
福建
江西
山东
河南
湖北
湖南
广东
海南
四川
贵州
云南
陕西
甘肃
青海
内蒙
广西
西藏
宁夏
新疆
其他
其他
展开
 
全部
广州
韶关
深圳
珠海
汕头
佛山
江门
湛江
茂名
肇庆
惠州
梅州
汕尾
河源
阳江
清远
东莞
中山
潮州
揭阳
云浮

广东深圳有色金属固/危废处置技术理论与应用

免费发布技术信息>>
环境工程固体废物治理用焚烧装置

本实用新型涉及固体废物处理技术领域,公开了一种环境工程固体废物治理用焚烧装置,包括燃烧箱、碎料箱、废料进口、灰尘出口;碎料箱的底部开设有若干组均匀分布的下料孔,碎料箱的底部连通有下料通道,下料通道的底端连通到燃烧箱的顶部,燃烧箱的内部中部设置有一组呈弧形结构的灰尘滤网,燃烧箱顶部右侧向外连通有一组热气管,热气管的左端部连通到固定在燃烧箱内侧壁上的烟雾口,位于燃烧箱外侧壁上的电机的上侧连通有一组风机,热气管的右侧向下伸入到固定在燃烧箱右侧壁的热气回收箱中,热气回收箱的内部填充有大量的水,热气回收箱的末端连通有排气孔。本实用新型的优点是:直接回收利用热量,快捷方便,使用成本低,实用性强。

标签:
固废
广东 - 深圳 来源:中冶有色网 2023-03-19
动物类危险固体废物灭菌脱水反应装置

本实用新型公开了一种动物类危险固体废物灭菌脱水反应装置,包括用于容纳动物类危险固体废物的物料容纳腔体和用于容纳供热体的、且与所述物料容纳腔体相隔离的隔离腔,隔离腔包覆在物料容纳腔体的腔壁外周。供热体为蒸汽,物料容纳腔体和隔离腔以蒸汽的良热导体相隔离,隔离腔具有蒸汽入口和冷凝水出口。增加搅拌装置,在加热时对物料容纳腔内的物料进行搅动。本实用新型的灭菌脱水反应装置能够在灭菌的同时有效实现反应物料的渣水分离,避免产生难以处理的渣水混合物,也减少了废污蒸汽的产生。增加搅拌装置还能有效利用热能并缩短加热时间。

标签:
固废
广东 - 深圳 来源:中冶有色网 2023-03-19
环保型的固体废弃物烘干装置

本实用新型公开了一种环保型的固体废弃物烘干装置,包括底部为开口设置的矩形箱,所述矩形箱的顶部固定连接有热风机,热风机的出风口延伸至矩形箱内,矩形箱的两侧顶部均固定连接有两个L形支腿,所述矩形箱内设有进料斗,且进料斗的顶部延伸至矩形箱的上方,矩形箱内滑动套设有矩形料管,且矩形料管的底端延伸至矩形箱的下方。本实用新型设计合理,能够持续向上抖起固体废弃物和对其搅拌打散,在向上抖起配合搅拌打散的作用下,能够有效的起到对固体废弃物抖动翻料的效果,提高烘干效率和烘干均匀性,避免因含有潮湿的固体废弃物造成细菌的滋生,使得更环保,且便于在烘干后快速出料,有利于使用。

标签:
固废
广东 - 深圳 来源:中冶有色网 2023-03-19
用于固体废物综合利用的环境保护专用设备

本发明公开了一种用于固体废物综合利用的环境保护专用设备,涉及固体废物处理技术领域,包括底座、分离组件和废气收集组件,所述底座的顶部外侧连接有固定框。本发明通过加热层进行加热,能使进入塑料利用箱内的塑料组件熔化,从而能实现塑料废物的再利用,而通过第三电机工作,能使转向板带动塑料利用箱和金属利用箱进行调位,分离箱体回归原位后,电磁板能将吸附的罐装金属重新投入分离箱体内,分离箱体再次倒置并使磁吸层断电后,能使金属废物落下进入切割,而切割完成的金属废物能落入金属利用箱内进行冶炼再次使用,而被收集箱收集的气体,可进行分类提纯再利用,这使得设备可实现不同类型的固体废物的综合利用。

标签:
固废
广东 - 深圳 来源:中冶有色网 2023-03-19
固体废弃物填埋用气体收集井

本实用新型公开了一种固体废弃物填埋用气体收集井,包括废弃物层、收集井和导气下管体,所述废弃物层的下方铺设有一层卵石层,且废弃物层的上方铺设有一层粘土层,并且粘土层的上方铺设有一层压实素土层,同时卵石层与压实素土层之间安装有收集井,所述收集井内安装有支撑架,且支撑架的中心安装有导气下管体,导气下管体的中部套置有固定板,固定板正好堵在支撑架上端面的通口处,并且导气下管体的下端设置有网罩。该固体废弃物填埋用气体收集井,结构设置合理,通过支撑架的上端面将收集井分隔为气体室和渗透液室,方便用于收集填埋气和渗透液,避免填埋气外泄,及时收集后以备它用,不但安全可靠,同时更经济环保。

标签:
固废
广东 - 深圳 来源:中冶有色网 2023-03-19
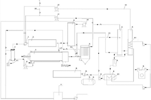
固体废弃物处理和综合利用的方法及系统

本发明公开了一种固体废弃物处理和综合利用的方法及系统,其特征在于将固体废弃物通过传送装置送入热解炉中,在热解炉中进行热解,热解产生的热解气根据其成分选择是否需要进行过滤处理和是否需要进行油回收处理操作;还可以选择是否需要进行余热回收和空气预热操作,所有控制通过控制对应位置的电控阀门的开关即可实现不同的工作模式的选择。可灵活根据热解产生的热解气的特点在同一个系统中通过选用不同的工作模式,各个环节产生的高温气体的热量都可以得到充分的利用,保证排放前其热能都得到充分的利用,同时可增加回收高品质的焦油产品,整体系统适应性强,可满足多种类型的固体废弃物处理并实现综合利用,应用场景广,具有巨大的市场价值。

标签:
固废
广东 - 深圳 来源:中冶有色网 2023-03-19
用于固体废物杂质颗粒筛选清除装置

本发明涉及一种筛选清除装置,尤其涉及一种用于固体废物杂质颗粒筛选清除装置。要解决的技术问题是:提供一种可以一次性完成对废弃物的筛选,便于对其进行处理的用于固体废物杂质颗粒筛选清除装置。本发明的技术方案为:一种用于固体废物杂质颗粒筛选清除装置,包括有:底板,底板顶部两侧对称设有多个支撑柱;筛选机构,第二高的支撑柱之间连接有筛选机构;导向板组件,最高的支撑柱之间连接有导向板组件;细滤机构,第三高的支撑柱之间连接有细滤机构。通过设置的筛选机构、导向板组件和细滤机构之间的配合,工作人员启动伺服电机工作后,将待筛选的杂物放在储料箱内便可完成对杂物的筛选工作。

标签:
固废
广东 - 深圳 来源:中冶有色网 2023-03-19
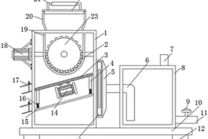
钢厂固体废物除尘灰处理设备

本实用新型属于垃圾处理技术领域,且公开了一种钢厂固体废物除尘灰处理设备,包括基板,所述基板的顶部安装有主体,且基板顶部靠近主体的一侧位置处安装有水箱,所述水箱的顶部安装有加水管,且水箱相背于主体的一侧安装有出水管,所述出水管的顶部安装有阀门,所述主体的顶部安装有加料斗,所述加料斗的顶部安装有顶盖,本实用新型通过第二电机带动破碎辊转动,在凸齿的联动作用下,从而将物料进行持续破碎,彻底破碎后,通过第一电机带动U型辊转动,从而使破碎后的废物掉落至下方,让装置可以将固定废物进行彻底破碎,大大降低了装置破碎废物的难度,提高了装置破碎废物的效率。

标签:
固废
广东 - 深圳 来源:中冶有色网 2023-03-19
固体废物遇水反应生成气体的收集装置

本实用新型公开了一种固体废物遇水反应生成气体的收集装置,涉及固体废物遇水反应物收集领域,解决了现有的实验室中固体废物遇水后不方便对所产生气体进行收集以及检测鉴定的问题,现提出如下方案,其包括锥形瓶、滴液漏斗、气体监测器、集气袋、连接管、锥形瓶盖、电子读表、气体流量计、套筒、滑道、圆环、环形橡胶圈、滑板,所述气体监测器的前后两侧的左右两端均固定设置有轴承座并通过轴承座转动套装有螺纹筒,两侧的所述滑板互相靠近的一端均固定连接有限位螺杆,且限位螺杆螺纹套设在螺纹筒内。本装置具有方便组合使用,密封性好,且可以有效精确的对固体废物遇水反应生成的气体进行检测鉴定与收集的特点。

标签:
固废
广东 - 深圳 来源:中冶有色网 2023-03-19
固体废弃物容量检测装置

本实用新型涉及玩物体测量生产技术领域,物体测量体为一种固体废弃物容量检测装置,包括底板,所述底板的顶部一侧设置有箱体,且箱体的一侧设置有侧板,所述侧板的顶部焊接有顶板,且顶板的四角贯穿设有限位杆,所述限位杆的底端焊接有密封盖,所述箱体的一侧下端连接有压缩缸,且压缩缸的输出端连接有真空泵,所述真空泵的输出端连接有输入管。本装置根据排空气发来测的固体废弃物的容量,特别是适合一些不规则形状的固体废弃物,在密封状态下进行抽真空,通过真空机构将抽出的空气输送到测量筒内,利用压强使活塞上升,通过活塞抬升伸缩杆,伸缩杆将指示块顶起在齿条内上升,指示块的高度就是测量箱体在空腔结构下的气体容量。

标签:
固废
广东 - 深圳 来源:中冶有色网 2023-03-19
固体废弃污染物填埋场结构

本实用新型公开了一种固体废弃污染物填埋场结构,包括土壤基础层和固定装置,所述土壤基础层内部设置有地下水导流层,且地下水导流层上侧是防渗层,同时防渗层上侧是渗滤液导流层,并且渗滤液导流层上侧填埋有废弃物层,废弃物层右上侧覆盖有第一覆盖膜,且第一覆盖膜左端与上固定条固定连接,同时废弃物层左上侧覆盖有第二覆盖膜,并且第二覆盖膜右端与下固定条固定连接;所述固定装置设置在废弃物层上侧,且固定装置上端是按压块。该固体废弃污染物填埋场结构,四组限位条张开并卡在废弃物层内部,形成倒刺的结构,与废弃物层稳稳固定,避免有大风的时候,很容易把第一覆盖膜和第二覆盖膜刮起的情况发生。

标签:
固废
广东 - 深圳 来源:中冶有色网 2023-03-19
分布式固体废弃物气化熔融发电系统及其方法

本发明公开了一种分布式固体废弃物气化熔融发电系统及其方法。本发明的分布式固体废弃物气化熔融发电系统包括低温干化机构、预处理机构、进料机构、气化炉、等离子熔融炉、均相重整机构、高温除尘器、第一热交换器、高效气液传质反应器、燃气发电机组、第二热交换器以及硫尘硝一体化脱除装置;低温干化机构、预处理机构、进料机构、气化炉、均相重整机构、高温除尘器、第一热交换器、高效气液传质反应器、燃气发电机组、第二热交换器以及硫尘硝一体化脱除装置依次顺序连接,等离子熔融炉还连接于气化炉。该分布式固体废弃物气化熔融发电系统安全可靠、效率高、成本低,能有效解决废物无害化及资源化、二噁英、重金属及有机污染物排放等问题。

标签:
固废
广东 - 深圳 来源:中冶有色网 2023-03-19
建筑固体废料粉碎后的递进分筛装置

本实用新型提出一种建筑固体废料粉碎后的递进分筛装置,包括支撑组件、抖动筛、震动马达、弹性件、支撑柱、洒水管和物料车,震动马达固定连接于抖动筛一侧,震动马达首尾所形成的连线与水平面的夹角为40‑45度,弹性件一端固定连接于抖动筛一侧,弹性件另一端与支撑组件固定连接,抖动筛上设有物料槽和多个流出孔,支撑柱与抖动筛固定连接并收容于物料槽内,洒水管与支撑组件固定连接并位于抖动筛上方,物料车收容于支撑组件内,物料车位于抖动筛下方;本建筑固体废料粉碎后的递进分筛装置构造及操作简单,而且造价低廉,能够有效地筛选出大颗粒固体废料以及废弃金属,便捷实用,提高了企业回收废料作业的效率。

标签:
固废
广东 - 深圳 来源:中冶有色网 2023-03-19
纤维固体废物收集处理设备

本发明涉及一种处理设备,尤其涉及一种纤维固体废物收集处理设备。本发明要解决的技术问题是提供一种吸尘管道不易堵塞和弯曲,储尘筒内的纤维废料取出简单的纤维固体废物收集处理设备。为了解决上述技术问题,本发明提供了这样一种纤维固体废物收集处理设备,包括有底板、手推杆、车轮架、风力吸料机构、收集机构和桶盖机构,底板的顶部右侧连接有手推杆,底板顶部的四个角均连接有车轮架,底板顶部中间安装有风力吸料机构,底板与风力吸料机构之间连接有收集机构,风力吸料机构上连接有桶盖机构。通过收集机构和风力吸料机构可方便对纤维固体废料的收集工作,不需要人工手动清扫收集,而且不需要人工对纤维进行缠绕。

标签:
固废
广东 - 深圳 来源:中冶有色网 2023-03-19
垂流式循环水固体建筑废弃物分离机

一种垂流式循环水固体建筑废弃物分离机,包括高水位池、低水位池及出水口,所述出水口设在低水位池上,在所述出水口的上方设有固体建筑废弃物投料部;在高水位池水的作用下,水从出水口喷出,将从固体建筑废弃物投料部落下的被分离物料分成两个部分,比重重的物料直接进入低水位池,比重轻的物料随水流进入第一收容池;第一收容池的水经过循环水泵抽回高水位池循环使用。本实用新型具有分离成本低廉,分离后的所有物料可循环综合利用,符合环保和可持续发展的理念的优点。

标签:
固废
广东 - 深圳 来源:中冶有色网 2023-03-19
放射性湿固体废物包装容器码放结构

本实用新型公开了一种放射性湿固体废物包装容器码放结构,其包括混装于固体废物处置单元格中的高整体容器和金属桶,每一高整体容器的四周都布置有码放两层的金属桶,水平相邻的两个高整体容器之间至少间隔有两排金属桶。与现有技术相比,本实用新型的放射性湿固体废物包装容器码放结构通过间隔码放的方式对高整体容器和金属桶进行混装,在满足高整体容器处置安全性和经济性的基础上,实现了处置场内不同废物包装容器的综合处置。

标签:
固废
广东 - 深圳 来源:中冶有色网 2023-03-19
用于处理固体废物的方法及设备

本发明公开了一种用于处理固体废物的方法及设备,接收场接收废物后,将所述废物装载到配料系统,所述配料系统通过传送带以预定量转送到SC装置进行水热处理,其中,城市固体废物的有机处理时产生的渗滤液循环到生物消化装置;所述生物消化装置将渗滤液处理为沼气和消化物,所述沼气作为可燃气体输入锅炉,所述消化物中的液体消化物经过净化装置处理为净化水后分别接入接收场、蓄积罐和交换器中;所述SC装置在对固体废物的有机部分处理完毕后输送至固液分离器,所述固液分离器将分离出的液体糊状流、固体糊状流对应输送到沉降器和金属分离器中进一步处理。本发明能够提高城市固体废物有机部分的回收效率,对相应部分进行循环利用,减少臭味散发。

标签:
固废
广东 - 深圳 来源:中冶有色网 2023-03-19
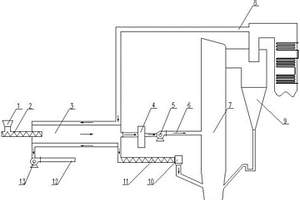
照明灯具生产用固体废物破碎处理装置

本发明涉及一种处理装置,尤其涉及一种照明灯具生产用固体废物破碎处理装置。需要设计一种能够破碎时不易迸射,不影响人们身心健康的照明灯具生产用固体废物破碎处理装置。一种照明灯具生产用固体废物破碎处理装置,包括有破碎圆筒、固定底架和X型支撑架,破碎圆筒外底部固接有固定底架,固定底架左右两侧均铰接式设有X型支撑架。本发明将废弃灯管塞入破碎圆筒内,启动伺服电机,传动横轴正转带动破碎刀筒正转对灯具进行破碎,同时,第一固定板反转配合第二固定板带动运料螺旋板反转,运料螺旋板反转带动碎渣向右移动通过出料方管掉落至收集容器内,如此,能够破碎时不易迸射,不影响人们身心健康。

标签:
固废
广东 - 深圳 来源:中冶有色网 2023-03-19
利用工业固体废物加工防火板的方法

本发明公开了一种利用工业固体废物加工防火板的方法,涉及环保技术领域,包括以下步骤:(1)防火板原料包括以下组分:水淬钢渣、高炉渣、水泥、石膏、粉煤灰、无机纤维;(2)对水淬钢渣进行预处理;(3)对高炉渣进行调质处理;(4)混合:将水淬钢渣、高炉渣、水泥、石膏、粉煤灰、无机纤维添加到搅拌机中得到浆料;(5)注浆成型:将上述得到的浆料注入模具中,然后板压成型,然后再进行常温养护;本发明提供了一种利用工业固体废物加工防火板的方法,制备了性能优异的防火板,本发明通过利用工业固体废弃物,能够大幅度的提高了废弃资源的利用率,具有优异的节能环保效果。

标签:
固废
广东 - 深圳 来源:中冶有色网 2023-03-19
固体废物处理用管道输送设备

本实用新型公开了一种固体废物处理用管道输送设备,具体涉及废物处理技术领域,包括输送管,所述输送管顶端开设有进料口,所述进料口顶部设有进料斗,所述进料斗与输送管固定连接,所述输送管底端开设有出料口,所述出料口底部设有第一出料管,所述第一出料管与输送管固定连接。本实用新型通过电机工作带动螺旋杆转动,螺旋杆转动输送置物板上的固体废物,当固体废物在置物板上移动时,刷毛对固体废物表面粘附的灰尘进行清理,同时电机工作带动扇叶转动,扇叶转动产生风,风吹走置物板上的灰尘,转动把手从而调节置物板与螺旋杆之间的距离,方便清理灰尘,减少处理固体废物的成本,同时方便输送不同大小的固体废物。

标签:
固废
广东 - 深圳 来源:中冶有色网 2023-03-19
固体废物焚烧系统喷淋冷却装置

本发明涉及一种喷淋冷却装置,尤其涉及一种固体废物焚烧系统喷淋冷却装置。主要是提供一种将水液体进行循环利用,低成本,对废气进行处理净化的固体废物焚烧系统喷淋冷却装置。一种固体废物焚烧系统喷淋冷却装置,包括有:底座,底座顶部一侧设有储水箱;喷淋降温机构,底座顶部一侧连接有喷淋降温机构;抽气机构,底座顶部一侧连接有抽气机构。通过喷淋降温机构和抽气机构配合,对废气进行降温液化,随后带动抽风风扇转动再将剩余气体进行排出;通过设置废气预处理机构,对液化的废气进行初次过滤。

标签:
固废
广东 - 深圳 来源:中冶有色网 2023-03-19
固体废弃物焚烧用分选装置

本实用新型公开的一种固体废弃物焚烧用分选装置,包括分选料箱,所述分选料箱的一侧外表面固定安装有旋转电机,所述分选料箱的上表面固定安装有料箱盖板,所述分选料箱的内表面转动安装有转动轴杆,所述转动轴杆的外侧固定安装有卷送叶片,所述分选料箱的另一侧外表面固定安装有排出管道,所述分选料箱的下表面固定安装有多个分类排出管,所述分选料箱的下表面位于分类排出管的一侧位置固定安装有左侧支撑板。本实用新型所述的一种固体废弃物焚烧用分选装置,属于分选装置领域,能够对固体废弃物进行快速精准分选,为固体废弃物的分选焚烧使用带来了便利,能够对固体废弃物中的杂质进行过滤,更方便固体废弃物的焚烧利用。

标签:
固废
广东 - 深圳 来源:中冶有色网 2023-03-19
含半挥发性有机污染物的固体废物的处理设备

本实用新型公开了一种含半挥发性有机污染物的固体废物的处理设备,要解决的技术问题是一次性无害化处理含中高浓度半挥发性有机污染物。本实用新型采用以下技术方案:一种含半挥发性有机污染物的固体废物的处理设备,由破碎设备、热脱附装置、冷凝器、萃取器、吸附塔、高压泵、喷枪、等离子体反应器和烟气净化系统组成。本实用新型与现有技术相比,采用热脱附和等离子体热解组合,进行一次性无害化处理半挥发性有机污染物,处理效率高,成本低,不产生二次污染,可有效处理被POPs废弃物污染的土壤、污泥及其它固体废弃物。

标签:
固废
广东 - 深圳 来源:中冶有色网 2023-03-19
连续式固体废料微波碳化装置及其工作方法

本发明涉及连续式固体废料微波碳化装置及其工作方法,该装置包括进料结构、出料结构、微波碳化炉以及控制器,进料结构以及出料结构分别与微波碳化炉连接,进料结构、出料结构以及微波碳化炉分别与控制器连接;控制器控制进料结构运输固体废料进入微波碳化炉,并由控制器根据微波碳化炉内的温度,调整微波碳化炉的转动速度,且根据微波碳化炉输出的物料在出料结构内的堆积量,驱动出料结构工作以运输物料。本发明利用温度传感器反馈微波碳化炉内的温度,以调整进料结构和微波碳化炉的搅拌筒转动速度,实现自适应控制固态废料的微波碳化,且碳化炉内微波辐射均匀、可连续工作,提高碳化效率,占地面积小,能耗低,并且能兼容处理各类固体废料。

标签:
固废
广东 - 深圳 来源:中冶有色网 2023-03-19
固体废弃物回收用粉尘处理装置

本实用新型公开了一种固体废弃物回收用粉尘处理装置,包括抽气罩,所述抽气罩上固定安装有管道接口,所述管道接口上固定安装有抽气管道,所述抽气罩表面固定安装有安装挂钩,所述抽气管道末端固定安装有净化罐,所述净化罐顶部固定安装有驱动电机,所述净化罐顶部位于驱动电机一侧固定安装有排气管道,所述净化罐前表面固定安装有观察窗,所述净化罐底部固定安装有排水管道,所述排水管道末端固定安装有阀门,所述净化罐顶端开设有安装豁口,所述净化罐顶部位于安装豁口一侧固定安装有进气口。本实用新型所述的一种固体废弃物回收用粉尘处理装置,属于固体废弃物回收领域,能够在对固体废弃物粉碎时处理扬起的粉尘。

标签:
固废
广东 - 深圳 来源:中冶有色网 2023-03-19
连续式固体废料微波碳化装置

本实用新型涉及连续式固体废料微波碳化装置,包括进料结构、出料结构、微波碳化炉以及控制器,进料结构以及出料结构分别与微波碳化炉连接,进料结构、出料结构以及微波碳化炉分别与控制器连接;控制器控制进料结构运输固体废料进入微波碳化炉,并由控制器根据微波碳化炉内的温度,调整微波碳化炉的转动速度,且根据微波碳化炉输出的物料在出料结构内的堆积量,驱动出料结构工作以运输物料。本实用新型利用温度传感器反馈微波碳化炉内的温度,以调整进料结构和微波碳化炉的搅拌筒转动速度,实现自适应控制固态废料的微波碳化,且碳化炉内微波辐射均匀、可连续工作,提高碳化效率,占地面积小,能耗低,并且能兼容处理各类固体废料。

标签:
固废
广东 - 深圳 来源:中冶有色网 2023-03-19
固体废弃物热解炉与流化床锅炉耦合系统

本实用新型公开了一种固体废弃物热解炉与流化床锅炉耦合系统,其特征在于热解炉热解气出口管道依次连接热解气净化装置、热解气风机,再与流化床锅炉的热解气燃烧器相连接;热解炉排渣出口经过出料螺旋、给料机,再与流化床锅炉连接;所述流化床锅炉旋风分离器后的烟道引出的高温烟气管道与热解炉相连。实现了固体废弃物热解和流化床锅炉燃烧的联合利用,固体废弃物热解可以实现资源的回收利用,热解技术相对焚烧发电,固体废弃物减量化效果显著,同时可以解决“二噁英”和汞、铅、镉等有毒重金属污染问题。可大规模工业应用于固体废弃物处理和锅炉燃烧。

标签:
固废
广东 - 深圳 来源:中冶有色网 2023-03-19
放射性固体废物的运输安全管理方法、装置和终端设备

本发明公开了一种放射性固体废物的运输安全管理方法、装置和终端设备,其中,运输安全管理方法包括:获取放射性固体废物信息和运输车辆信息;将放射性固体废物信息和运输车辆信息写入无线射频识别标签;获取运输车辆的押运人员信息和运输线路信息;根据运输任务生成运输单号,并将运输单号与放射性固体废物信息、运输车辆信息、押运人员信息,以及运输路线信息关联保存;接收车载终端发送的监控数据;根据监控数据判断当前的运输状态是否正常,若运输状态异常,则根据出现异常的监控数据发送相应的告警信息。本发明实现了放射性固体废物运输过程的实时监控和管理,并在出现安全隐患时及时采取应对措施,有效提高放射性固体废物的运输安全性。

标签:
固废
广东 - 深圳 来源:中冶有色网 2023-03-19
固体建筑废弃物资源回收处理方法

本发明公开了一种固体建筑废弃物资源回收处理方法,包括以下步骤:将收集的废料进行收集并初步分类,将完成的建筑废料单独筛选出来,将分好类别的建筑废弃进行破碎处理,粉碎后的金属材料、木材进行单独回收,将建筑废渣分为不同大小进行处理,将处理好的建筑碎料进行后期处理,对于不可以回收利用的建筑废料进行处理。本发明所述的一种固体建筑废弃物资源回收处理方法,涉及建筑垃圾领域,本发明有益效果是:使得回收的金属材料、木板等资源进行很好的利用,避免造成可回收的金属或者木板等资源进行浪费的情况,比较环保且增加收益,粉碎的建筑废料能够根据不同的用途进行使用,使得回收处理的废料利用率较高,且利用场合比较广泛。

标签:
固废
广东 - 深圳 来源:中冶有色网 2023-03-19
等离子低中放固体废物处理方法

本发明公开了一种等离子低中放固体废物处理方法,包括:对放射性固体废物进行分类,将不同类别的固体废物按类别分别盛放在不同的废物桶中,并计量;依次将上述计量后的废物按类别添加对应配方的添加剂,并进行整桶破碎处理,输送给等离子熔融炉进行熔融处理;熔融炉排出的熔融物排至接收容器中,当接收容器装满后转移至保温退火工位进行保温、退火、缓慢冷却,形成质地均匀地玻璃固化体;将固化完成后的接收容器转运至剂量检测工位,进行放射性剂量检测并转运储存。实施本发明,可以形成质地均匀且性能好的玻璃固化体,并且能提高处理效率。

标签:
固废
广东 - 深圳 来源:中冶有色网 2023-03-19
上一页 54 55 56 57 58 ... 59 下一页
共59页    到第

中冶有色为您提供最新的广东深圳有色金属固/危废处置技术理论与应用信息,涵盖发明专利、权利要求、说明书、技术领域、背景技术、实用新型内容及具体实施方式等有色技术内容。打造最具专业性的有色金属技术理论与应用平台!

全国热门有色金属设备推荐
展开更多 +
全国热门有色金属技术推荐
展开更多 +

 

江西省隆恩特环保设备有限公司
宣传

报名参会
更多+

报告下载

有色专家
更多+

江西理工大学
副校长/教授
江西铜业集团有限公司
党委书记、董事长
矿冶科技集团
副所长/研究员
中国矿业大学
副院长/教授
中南大学、中国工程院
院士
赤泥综合利用研究报告2025
推广

热门技术
更多+

推荐企业
更多+

福建省金龙稀土股份有限公司
宣传

发布

在线客服

公众号

电话

顶部
咨询电话:
010-88793500-807