青岛垚鑫智能科技有限公司
宣传

位置:北方有色 >

有色技术频道 >

> 固/危废处置技术

分类:
全部
矿山技术
冶金技术
材料制备及加工技术
环境保护技术
分析检测技术
 
全部
废水处理技术
大气治理技术
固/危废处置技术
土壤修复技术
地区:
全部
北京
天津
上海
重庆
河北
山西
辽宁
吉林
黑龙江
江苏
浙江
安徽
福建
江西
山东
河南
湖北
湖南
广东
海南
四川
贵州
云南
陕西
甘肃
青海
内蒙
广西
西藏
宁夏
新疆
其他
其他
展开
 
全部
广州
韶关
深圳
珠海
汕头
佛山
江门
湛江
茂名
肇庆
惠州
梅州
汕尾
河源
阳江
清远
东莞
中山
潮州
揭阳
云浮

广东深圳有色金属固/危废处置技术理论与应用

免费发布技术信息>>
用于固体废弃物中有害组分浸出的装置

本实用新型涉及一种固体废弃物处理技术领域,尤其涉及一种用于固体废弃物中有害组分浸出的装置。该装置包括:储液容器,用于盛装酸性浸出液;浸出容器,设有缓冲透液层,缓冲透液层用于包裹固体废弃物,以使固体废弃物在被包裹状态下在酸性浸出液中浸出;动力部件,一端与储液容器连接、另一端与浸出容器连接,动力部件用于使储液容器中的酸性浸出液流动至浸出容器中;收集容器,位于浸出容器下方,用于收集固体废弃物浸出后的浸出液。该装置通过在浸出容器中增设缓冲透液层,使固体废弃物包裹在缓冲透液层中进行浸出,有助于得到更有效的浸出液,进而有助于通过收集的浸出液有效评价固体废弃物在真实环境中的浸出风险。

标签:
固废
广东 - 深圳 来源:北方有色网 2023-03-19
放射性固体废物检测分类系统

本实用新型属于固体废物处理技术领域。公开一种放射性固体废物检测分类系统,包括用于对放射性固体废物剂量水平进行探测的剂量水平辐射探测装置;及用于接收所述剂量水平辐射探测装置的测量结果并根据该结果判定放射性固体废物污染等级的控制装置;剂量水平辐射探测装置包括多个可更换的剂量水平辐射探测器。本实用新型通过设置多个不同的剂量水平辐射探测器,可以实现对不同射线类型放射性固体废物的有效探测,通过设置控制装置,可根据剂量水平辐射探测器的测量结果快速判定放射性固体废物污染等级,实现分类收集,从而大幅提升放射性固体废物处理处置和管控的能力。

标签:
固废
广东 - 深圳 来源:北方有色网 2023-03-19
具有杀菌性能的固体废弃物收集装置

本实用新型公开了一种具有杀菌性能的固体废弃物收集装置,包括主体和输送装置,所述主体上方安置有第一电机,且第一电机外部设置有防护壳,所述第一电机末端连接有第一转轴。该新型具有杀菌性能的固体废弃物收集装置安装有输送装置,顶盖下方设置有紫外线灯,可以有效的主体内部的固体废弃物进行紫外线消毒处理,而运输箱通过滑块与滑槽之间构成升降结构,有利于运输箱通过滑块的升降将运输箱内的固体废弃物运输至主体上方,并且运输箱通过第二转轴与第二电机之间构成转动结构,方便第二电机通过转动带动运输箱进行旋转,并将其内部的固体废弃物倒进主体内腔中,因为运输箱内壁呈倾斜结构,所以更加方便其废弃物的倾倒。

标签:
固废
广东 - 深圳 来源:北方有色网 2023-03-19
有机固体废弃物无害处理系统

本实用新型涉及一种有机固体废弃物无害处理系统,在进行有机固体废弃物处理时,通过第一输送机构将有机固体废弃物输送至筛选装置中进行筛分,将掺杂在有机固体废弃物中的杂质筛除得到第一加工体,然后在通过第二输送机构将第一加工体输送至破碎装置中进行破碎处理得第二加工体,通过第三输送机构将第二加工体输送至发酵装置中进行发酵处理,从而得到有机废料,这样设置,有效避免了垃圾焚烧或填埋处理对环境不利的现象,将有机固体废弃物制成有机肥。

标签:
固废
广东 - 深圳 来源:北方有色网 2023-03-19
固体废弃物填埋处理池

本实用新型公开了一种固体废弃物填埋处理池,包括填料池,所述填料池外壁上设有防渗层,所述填料池内的底端两侧均设有滑座,两个所述滑座内均滑动卡接有直齿板,两个所述直齿板的一侧均啮合连接有齿轮,两个所述齿轮均设置在转轴一端,两个所述转轴的另一端均与电机同轴连接,两个所述电机分别设置在填料池的顶壁两侧,两个所述直齿板的底端设有底板,所述底板的底端中部设有呈倒圆台状的挤压块,所述底板的两侧均设有滑块。本实用新型通过挤压块不断移动并敲击固体废弃物,从而实现固体废弃物的体积缩减,既提高了固体废弃物的处理量,同时也避免了环境污染,为固体废弃物的处理带来了便捷。

标签:
固废
广东 - 深圳 来源:北方有色网 2023-03-19
工业固体废物回转保护式破碎装置

本发明涉及一种破碎装置,尤其涉及一种工业固体废物回转保护式破碎装置。本发明要解决的技术问题是提供能够对结构较为复杂和强度较高的物体进行破碎的工业固体废物回转保护式破碎装置。为了解决上述技术问题,本发明提供了这样一种工业固体废物回转保护式破碎装置,包括有:底座,其顶部周向均匀间隔地连接有托块架;环形粉碎机构,其安装在托块架顶部;粉碎柱机构,其安装在底座顶部中间,粉碎柱机构与环形粉碎机构传动配合;绞碎机构,其连接在底座的顶部外侧,绞碎机构与环形粉碎机构传动连接。通过环形粉碎机构、粉碎柱机构和绞碎机构之间的配合,能够将固体废料破碎完全,效率高,而且不需要人们将破碎好的废料取出。

标签:
固废
广东 - 深圳 来源:北方有色网 2023-03-19
建筑固体废料粉碎装置
建筑固体废料粉碎装置 1019     
 0

本实用新型提出一种建筑固体废料粉碎装置,包括固定架、第一挤压板、第二挤压板、连接杆、转动盘、第一驱动装置和碾碎装置,固定架上设有收纳槽和排出口,排出口位于第一挤压板与第二挤压板之间,连接杆一端与第二挤压板铰接,连接杆另一端与转动盘铰接,转动盘中心与第一驱动装置的转轴固定连接,第一驱动装置与固定架固定连接,第一驱动装置转动能够带动转动盘转动进而带动连接杆往复推动第二挤压板挤压固体废料,固定架上设有支撑脚,碾碎装置与支撑脚固定连接,碾碎装置靠近排出口;本建筑固体废料粉碎装置能够快速有效地将固体废料粉碎,免去了工人在以往固体废料粉碎时的中间运输过程,提高了固体废料的粉碎效率。

标签:
固废
广东 - 深圳 来源:北方有色网 2023-03-19
固体核废物处理装置
固体核废物处理装置 836     
 0

本实用新型提供了一种固体核废物处理装置,包括溶解釜、过滤部、超临界氧化釜、气液分离器和监测排放罐,溶解釜具有进水口和进料口,溶解釜内设有催化剂盒和紫外发生器,催化剂盒用于盛装催化剂药品,紫外发生器用于提供紫外光,固体核废物经溶解釜进行处理后流向过滤部,经过滤部进行过滤处理后流向超临界氧化釜,经超临界氧化釜进行矿化处理后得气液相混合物,气液相混合物流向气液分离器进行分离后,液相流向监测排放罐,经监测排放罐进行检测达标后排出。该固体核废物处理装置可实现固体核废物的高效降解,实现固体核废物的有效减容,且结构简单、占用面积少、减少工序、提高二次废液的复用率、耗水量低、降低固体核废物的处理成本。

标签:
固废
广东 - 深圳 来源:北方有色网 2023-03-19
生物制剂生产固体废物处理装置

本实用新型涉及固体废物处理技术领域,具体是一种生物制剂生产固体废物处理装置,包括支撑架,还包括:摆动转杆,所述摆动转杆转动安装在所述支撑架上;以及固体废物处理机构,所述固体废物处理机构分别与所述支撑架和摆动转杆相连接,其中,固体废物处理机构包括有摆动组件、U型粉碎筒和粉碎组件;所述摆动组件分别与所述支撑架和摆动转杆相连接,所述U型粉碎筒与所述摆动转杆相连接,U型粉碎筒上安装有粉碎组件,本实用新型生物制剂生产固体废物处理装置,结构新颖,可避免一部分固体废物沉积在U型粉碎筒的底部,有利于提高粉碎的效果,为后续工作提供了便利。

标签:
固废
广东 - 深圳 来源:北方有色网 2023-03-19
无害固体废弃物高性能混凝土

本发明提供了一种无害固体废弃物高性能混凝土,该混凝土的强度等级为C20~C80级,所述无害固体废弃物高性能混凝土的容重为2300~2600kg/m3,且所述无害固体废弃物高性能混凝土包含按设定比例的以下组分:水、水泥、天然粗骨料、无害固体废弃物、天然细骨料、0mm-5mm无害固体废弃物、矿物掺合料、减水剂。本发明将无害固体废弃物(再生骨料及工业衍生物等)应用于混凝土,可提高固体废弃物有效利用水平。该种类混凝土既能保证混凝土所需的工作性能、强度要求及耐久性能等,能适用于混凝土结构和钢筋混凝土结构等,从而实现无害固体废弃物的资源化回收利用目的。

标签:
固废
广东 - 深圳 来源:北方有色网 2023-03-19
处理固体废弃物的水分子热能炉及处理方法

本发明属于环保技术领域,主要涉及一种利用过热水分子对固体废弃物进行热处理的水分子热能炉,包括水箱、第一加热器、第二加热器、第三加热器、饱和水分子生成部、过热水分子生成部、第一交流电源电机、第二交流电源电机、直流电源电机、第一控制程序、第二控制程序、第三控制程序、反应炉、控制面板、炉门、汽水分离装置、净水输送道、饱和水分子输送道、过热水分子输送道、水分子返回输送道、排出流道、废水排出流道、废气排出流道。相比于现有技术,本发明能够有效地增强固体废弃物的处理效果,减少有毒气体的排放和有害物质的产生,节能环保效果显著,适用于产业化的大规模、连续处理固体废弃物。此外,对于医疗废物等危险废物可达到灭菌消毒的效果,有效地避免二次污染和病毒传播。本发明还公开了一种采用以上设备处理固体废弃物的方法。

标签:
固废
广东 - 深圳 来源:北方有色网 2023-03-19
核设施放射性湿固体废物处理方法

本发明公开了一种核设施放射性湿固体废物处理方法,其包括以下步骤:1)将待处理的放射性湿固体废物直接装填进HDPE-HIC容器中;2)对装有湿固体废物的HDPE-HIC容器进行脱水,直至容器中的游离水含量满足低中水平放射性固体废物的浅地层处置要求;3)将脱水后的HDPE-HIC容器封盖,并转运至废物暂存设施进行暂存处理。与现有技术相比,本发明核设施放射性湿固体废物处理方法通过将湿固体废物直接装填进HDPE-HIC容器进行脱水的方式,减小了废物的体积,不仅有利于最终废物最小化,而且提高了废物处理的安全性。

标签:
固废
广东 - 深圳 来源:北方有色网 2023-03-19
有机固体废物处理装置
有机固体废物处理装置 1168     
 0

本发明公开了一种有机固体废物处理装置,其包括:箱体,箱体设有用于添加有机固体废物和催化剂的进料管,以及用于切割有机固体废物的粉碎刀片,切割后的有机固体废物在催化剂作用下在箱体中水解获得水解产物;外框和设置于外框中的脱水桶,脱水桶通过排料管连接箱体,水解产物经排料管进入脱水桶中旋转脱水;以及沉淀槽,通过排污管与脱水桶相连,脱水桶中旋转水解产物脱离出来的水经排污管排到沉淀槽中沉淀。相对于现有技术,本发明有机固体废物处理装置在箱体中通过粉碎刀片切割有机固体废物,通过添加催化剂促进水解反应,并通过旋转脱水桶对水解产物脱水,因此可实现有机固体废物分解和脱水一体化,简化有机固体废物处理操作。

标签:
固废
广东 - 深圳 来源:北方有色网 2023-03-19
基于物联网的固体废弃物输运系统和输运方法

本发明公开了一种基于物联网的固体废弃物输运系统,包括:管理云平台;物联网智能模组,用于采集垃圾桶内固体废弃物的数据信息以判定垃圾桶的状态信息;服务平台,用于与管理云平台远程连接,在垃圾桶状态信息处于满载状态时生成操作命令信息;执行者平台,用于接收服务平台所发送的操作命令信息,执行者根据所给操作命令信息进行固体废弃物的输运工作。本发明能够实时监测垃圾桶内固体废弃物的状态信息,自主规划输运路线及指定提示输运执行人员进行固体废弃物输运工作,实现固体废弃物的智能化自动化输运,提高固体废弃物的输运效率,降低固体废弃物的输运成本。

标签:
固废
广东 - 深圳 来源:北方有色网 2023-03-19
固体废物处理系统
固体废物处理系统 922     
 0

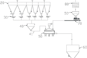
本实用新型公开一种固体废物处理系统,包括:破碎机,用于将固体废物破碎成颗粒状固体废物;废物仓,用于暂存颗粒状固体废物;配方仓,用于暂存配方;第一称重系统,用于称量颗粒状固体废物、配方;待混合仓,用于按比例暂存经称重的颗粒状固体废物和配方;混料机,用于将颗粒状固体废物和配方混合均匀;待制粒仓,用于暂存混合均匀的颗粒状固体废物和配方;对辊制粒机,用于对混合均匀的颗粒状固体废物和配方干法制粒,获得粒料;振动料仓,用于暂存粒料;第二称重系统,用于称重粒料;熔融炉,用于对经称重的粒料高温处理,获得熔融态玻璃体;捞渣机,用于对熔融态玻璃体进行水萃降温处理;以及接料装置,用于收集降温处理后的玻璃体。

标签:
固废
广东 - 深圳 来源:北方有色网 2023-03-19
放射性固体废物检测分类方法及系统

本发明属于固体废物处理技术领域。公开一种放射性固体废物检测分类方法,包括:测量放射性固体废物样品的表面剂量水平、污染核素类型及放射性比活度;获取剂量水平与放射性比活度的拟合曲线,建立两者的函数关系,确定放射性固体废物不同污染等级状态下的剂量限值范围;测量放射性固体废物的剂量水平;对比放射性固体废物的剂量水平及其在不同污染等级状态下的剂量限值范围,判定放射性固体废物污染等级,对其进行分类收集。本发明通过建立放射性固体废物污染等级与剂量水平限值范围的对应关系,将放射性固体废物剂量水平与剂量水平限值范围进行对比,即可快速地判定其污染等级,实现分类收集,从而大幅提升放射性固体废物处理处置和管控的能力。

标签:
固废
广东 - 深圳 来源:北方有色网 2023-03-19
有机固体废弃物生化预处理反应器

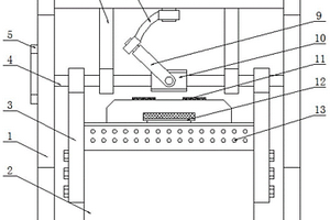
本实用新型专利,一种有机固体废弃物生化预处理反应器,通过微生物的水解酸化反应实现有机固体废弃物的液体化,解决了一般生化处理工艺需要配置复杂的预处理设备所带来的问题。属于固废处理、环境保护领域。物料通过进料井1进入预水解反应室2,反应器顶部的机械手4将物料抓送到水解酸化反应室3,沥液通过反应室2和反应室3底部的沥水格栅5进入沥液收集池6,回灌泵7将沥液收集池6内的滤液回灌到水解酸化反应室3,排水泵9将多余滤液送出反应器,机械手4对水解酸化反应室3内物料进行搅拌并将反应完毕后剩余渣料抓送到出渣井10。滤液收集池5设PH调节剂投放口11。反应室2和反应室3的侧壁设换热盘管12调节温度。

标签:
固废
广东 - 深圳 来源:北方有色网 2023-03-19
低值大件生活固体废弃物处理装置

本实用新型公开了一种低值大件生活固体废弃物处理装置,该处理装置包括依次顺序相连的固废供给系统、破碎除铁系统、皮带上料机、去氧设备、裂解炉和回收系统。本实用新型所述的装置,在处理低值大件固体废弃物方面,特别是废弃物桌、椅、凳、沙发等含泡棉类的垃圾,采用粉碎、炭化、裂解的方法,在低值大件生活固体废弃物的收集地,即可解决减量、无害、资源化利用的问题,同时也解决垃圾通过分类收集,分类运输最终分类处理的问题,从源头上解决了垃圾分类先分后合的问题,大大节约了垃圾填埋和焚烧的成本。

标签:
固废
广东 - 深圳 来源:北方有色网 2023-03-19
含氰化亚铜的固体废物制备硫酸铜的方法

本发明涉及含氰化亚铜的固体废物资源化处理技术领域,更具体地说,它涉及一种含氰化亚铜的固体废物制备硫酸铜的方法,所述方法包括步骤有:固废溶解、一段氧化、沉淀铜、过滤处理、二段氧化、结晶处理。本发明的目的在于对含氰化亚铜的固体废物中具有回收价值的铜元素进行了回收,制备出无毒的、高纯度的硫酸铜产品,达到变废为宝,同时,本发明方法工艺流程简单、操作安全,解决了含氰化亚铜的固体废物资源化处理难题。

标签:
固废
广东 - 深圳 来源:北方有色网 2023-03-19
低值大件生活固体废弃物处理方法及装置

本发明公开了一种低值大件生活固体废弃物处理方法及装置,该处理方法包括粉碎除铁、去氧、裂解、气油相分离,该处理装置包括依次顺序相连的固废供给系统、破碎除铁系统、皮带上料机、去氧设备、裂解炉和回收系统。本发明所述的装置与方法,在处理低值大件固体废弃物方面,特别是废弃物桌、椅、凳、沙发等含泡棉类的垃圾,采用粉碎、炭化、裂解的方法,在低值大件生活固体废弃物的收集地,即可解决减量、无害、资源化利用的问题,同时也解决垃圾通过分类收集,分类运输最终分类处理的问题,从源头上解决了垃圾分类先分后合的问题,大大节约了垃圾填埋和焚烧的成本。

标签:
固废
广东 - 深圳 来源:北方有色网 2023-03-19
用于工业固体废弃物的处理设备及方法

本发明涉及环保工程技术领域,具体为一种用于工业固体废弃物的处理设备,包括支座,且支座上固定连接有处理罐,所述处理罐中固定安装有旋转吊架,且旋转吊架中转动安装有甩干筒,所述甩干筒上设置有出水口以及进料口,且甩干筒上套接有套筒,所述套筒上固定连接有缓冲管,且缓冲管上固定连接有进料斗,所述处理罐上转动安装有驱动轴,且驱动轴上固定连接有螺旋片。本发明在固体废弃物甩干输送的过程中,利用轴向压缩结构对固体废弃物进行了轴向压缩,同时,在轴向压缩结构上还进一步的设置有径向压缩结构,相较于传统的处理设备具有显著提高的压缩率。同时本发明公开了一种用于工业固体废弃物的处理方法,能够有效的增加固废处理效率。

标签:
固废
广东 - 深圳 来源:北方有色网 2023-03-19
采用热盘炉直接处置多相固体废物的方法

本发明公开了一种采用热盘炉直接处置多相固体废物的方法。包括以下步骤:A、不同的固体废物通过管道有效内径在800~1400mm的圆形或方形固废下料管道,管道可以是独立的,也可以是公用的,在进入热盘炉管道的靠近出料端侧配置三道锁风阀,控制冷风的掺入;B、热盘炉配置多点温度检测装置,改造水泥窑窑尾C4下料系统,利用C4热生料在热盘炉上的碳酸盐分解吸收热控温;C、引入入窑提升机冷生料作为应急灭火设施,为保证窑系统的稳定运行,配套设置旁路放风设施;D、热盘炉改造植入在水泥窑窑尾上升烟道至分解炉底部椎部区域;固体废物在热盘炉燃烧未燃尽的残骸,落入水泥窑上升烟道持续高温焚烧处置。本发明实现了利用热盘炉直接处置原生态城乡生活垃圾的跨越式进步,拓展了热盘炉的应用对象,可实现利用热盘炉同步处置生活垃圾、污泥、工业固体废物等多种固废,处理方法简单可靠,安全环保,成本低。

标签:
固废
广东 - 深圳 来源:北方有色网 2023-03-19
固体废物处理装置
固体废物处理装置 769     
 0

本实用新型公开了一种固体废物处理装置,包括:气化室,用于将固体废物热解气化;重整室,与气化室连通,重整室中设有等离子体发生器,用于将气化室中热解气化生成的大分子物质裂解成小分子气体;以及燃尽室,与重整室连通,用于将重整室中裂解生成的小分子气体完全燃烧;其中,气化室和燃尽室的顶部分别设有接口,接口分别通过管道连接至水封泄压装置。相对于现有技术,本实用新型固体废物处理装置采用高温、高活性和高反应性的等离子体对固废特别是危险固废热解气化产生的气化气进行重整,将焦油、二噁英和呋喃等有毒有害大分子物质裂解为小分子气体,在燃尽室中进一步燃烧,可以防止焦油和粉尘在管道沉积、堵塞。

标签:
固废
广东 - 深圳 来源:北方有色网 2023-03-19
渣态固体废物的智能化热裂解处理方法及系统

本发明属于固体废物处理相关技术领域,并具体公开了一种渣态固体废物的智能化热裂解处理方法及系统,该处理方法包括:S1将待处理的固体废物干燥和破碎获得待热裂解物,分别监测待热裂解物中的含水率和热值,以此对干燥温度和热裂解反应温度进行控制;进行热裂解反应,测量获得的热解渣或热解油的质量并记录;S2改变热裂解物的粒径,多次重复步骤S1,建立待热裂解物粒径与热解渣或热解油的质量的关系,调节粒径,直至在某一粒径下多次获得的热解渣或热解油的质量在预设可接受浮动范围内,由此确定热裂解前待热裂解物的粒径,实现在线智能化控制和调节。通过本发明,实现一装置多固废的目的,鲁棒性好,为固废处理行业提供指导方向。

标签:
固废
广东 - 深圳 来源:北方有色网 2023-03-19
利用固体建筑废弃物制砖工艺

本发明公开了一种利用固体建筑废弃物制砖工艺,涉及固体建筑废弃物制砖技术领域,包括以下步骤:S1、分类除杂;S2、固废破碎;S3、固废筛选;S4、搅拌混料;S5、胚料调制;S6、压制制胚;S7、焙烧成型。该利用固体建筑废弃物制砖工艺,采用固体建筑废弃物作为主要原料,具有成本低且经济环保的优点,并且生产工艺简单,适合大规模生产;通过分类除杂的步骤能够将固体建筑废弃物进行分类,避免固体建筑废弃物之间相互混合,从而便于后续各类固体废物之间的配比混料;按照煤矸石、粉煤灰、煤渣、高炉渣之间为1:1.2:0.5:0.5的质量比制得的固体建筑废弃物混合物料保温性能和力学性能良好,适用于制砖领域,使得砖体能够满足国家标准对墙体承重材料的要求。

标签:
固废
广东 - 深圳 来源:北方有色网 2023-03-19
固体废弃物处理系统
固体废弃物处理系统 1099     
 0

本实用新型公开了一种固体废弃物处理系统,包括干燥器、裂解反应器和裂解产物处理系统,干燥器用于干燥固废物;裂解反应器与干燥器连接,用于对干燥后固废物进行无氧裂解处理,产生固体废渣和裂解气;裂解产物处理系统包括与裂解反应器相连的固体废渣回收单元和气相处理单元;气相处理单元包括除尘器、冷凝器和气液分离器;除尘器与裂解反应器连接,用于对裂解气进行除尘;除尘器与干燥器连接,以将除尘后裂解气的余热回用于干燥器,冷凝器与干燥器连接,用于冷却干燥器利用后的裂解气;气液分离器与冷凝器和干燥器连接,用于对冷却后裂解气和干燥器利用后裂解气进行气液分离。该固体废弃物处理系统可实现固废减量化,减少污染,节约能耗。

标签:
固废
广东 - 深圳 来源:北方有色网 2023-03-19
动物类危险固体废物蒸煮废水处理方法

本发明公开了一种动物类危险固体废物蒸煮废水处理方法,包括采用生物处理和化学氧化相结合对所述蒸煮废水进行处理,所述化学氧化是采用臭氧进行氧化。本发明针对蒸煮废水病源性、高氨氮、高浓度的特点,采用了生物处理加臭氧化处理的工艺,采用臭氧氧化工艺可以将难生物降解有机物分解为易生物降解的中间产物,可灭绝废水中的病源体,消除废水的臭味。该工艺对蒸煮废水有非常好的处理效果,同时运行成本又比较低。

标签:
固废
广东 - 深圳 来源:北方有色网 2023-03-19
废旧家具固体废物的垃圾处理装置

本实用新型提供了一种废旧家具固体废物的垃圾处理装置,包括第一粉碎箱,所述第一粉碎箱的顶部固定连接有第二粉碎箱,所述第二粉碎箱的顶部连通有进料罩,所述第二粉碎箱的左侧固定连接有保护壳,所述第二粉碎箱内腔的底部连通有收集罩,所述收集罩的底部与第一粉碎箱的顶部连通,第一粉碎箱的底部固定连接有支撑机构,第一粉碎箱的内壁固定连接有隔板,隔板的顶部通过轴承活动连接有第一转动杆。本实用新型解决了以往的废旧家具固体废物用垃圾处理装置在使用中存在一些问题,不能对废旧家具固体废物进行高效粉碎和便于出料,从而不能满足当今市场的需求,降低了废旧家具固体废物用垃圾处理装置的实用性和使用性的问题。

标签:
固废
广东 - 深圳 来源:北方有色网 2023-03-19
固体废弃物处理的方法及固体废弃物处理系统

本发明公开了一种固体废弃物处理的方法及处理系统,其特征在于通过以下步骤实现固体废弃物处理:将废弃物送入热解炉中进行热解处理,热解生成热解气和炭渣;等离子融炉中对送入其内的固态炭渣进行气化熔融,产生可燃气体和玻璃体;将可燃气体和热解气都进二燃室进行燃烧处理生成高温烟气和灰渣,将高温烟气部分送入热解炉为热解炉热解提供热源,部分送入余热锅炉产生高温蒸汽;二燃室产生灰渣再送入到等离子熔融炉,高温蒸汽送入有机郎肯循环余热发电设备进行发电。通过中温热解、高温熔融、有机郎肯循环余热发电技术系统集成,实现了中温热解减量化、高温熔融无害化、有机郎肯循环余热发电资源化的目的,可大规模工业应用于固体废弃物处置。

标签:
固废
广东 - 深圳 来源:北方有色网 2023-03-19
固体废弃物前处理系统及固体废弃物处理系统

本实用新型公开了一种固体废弃物前处理系统及固体废弃物处理系统,固体废弃物前处理系统包括对固体废弃物进行粉碎处理的粉碎机、至少一个用于装取配料的配料罐、用于称取配料的称重装置、用于存储所称取的配料的暂存仓、用于将配料和固体废弃物搅拌混合的混料机;所述称重装置设置在所述配料罐和暂存仓之间,所述暂存仓的出口和所述粉碎机的出口分别连通所述混料机的进料口。本实用新型的固体废弃物前处理系统,设置称重装置与配料罐配合,可以根据固体废弃物的处理配方称取所需对应量的配料,提高后续的处理效果,以达到最佳处理效果。

标签:
固废
广东 - 深圳 来源:北方有色网 2023-03-19
上一页 56 57 58 59 下一页
共59页    到第

北方有色为您提供最新的广东深圳有色金属固/危废处置技术理论与应用信息,涵盖发明专利、权利要求、说明书、技术领域、背景技术、实用新型内容及具体实施方式等有色技术内容。打造最具专业性的有色金属技术理论与应用平台!

全国热门有色金属设备推荐
展开更多 +
全国热门有色金属技术推荐
展开更多 +

 

江西省隆恩特环保设备有限公司
宣传

报名参会
更多+

报告下载

有色专家
更多+

有研科技集团有限公司
首席科学家
中国矿业大学(北京)
教授
石家庄铁道大学
团委书记/副教授
有研资源环境技术研究院(北京)有限公司
副总经理/教授级高工
西安建筑科技大学
院长/教授
赤泥综合利用研究报告2025
推广

热门技术
更多+

推荐企业
更多+

福建省金龙稀土股份有限公司
宣传

发布

在线客服

公众号

电话

顶部
咨询电话:
010-88793500-807