青岛垚鑫智能科技有限公司
宣传

位置:中冶有色 >

有色技术频道 >

分类:
全部
矿山技术
冶金技术
材料制备及加工技术
环境保护技术
分析检测技术
 
全部
功能材料技术
复合材料技术
新能源材料技术
合金材料技术
加工技术
地区:
全部
北京
天津
上海
重庆
河北
山西
辽宁
吉林
黑龙江
江苏
浙江
安徽
福建
江西
山东
河南
湖北
湖南
广东
海南
四川
贵州
云南
陕西
甘肃
青海
内蒙
广西
西藏
宁夏
新疆
其他
其他
展开
 
全部
郑州
开封
洛阳
平顶山
安阳
鹤壁
新乡
焦作
濮阳
许昌
漯河
三门峡
商丘
周口
驻马店
南阳
信阳
济源

河南洛阳有色金属材料制备及加工技术理论与应用

免费发布技术信息>>
制备防水复合材料的方法

本发明一种制备防水复合材料的方法,将聚氨酯和水按体积比例混合形成混合乳液,然后与棉布混合,通过模具混合定型,即得防水复合材料,该制备方法简单,制备得到的涂料的抗裂性能大大提高,且制备成本较低。有利于大规模生产。

标签:
复合材料
河南 - 洛阳 来源:中冶有色网 2023-03-18
可制作各类容器的复合材料及用这种材料制作的容器

本发明公开了一种可制作各类容器的复合材料及用这种材料制作的容器,其复合材料主要由氧化镁、氯化镁、玻璃纤维及水组成。把氧化镁倒入水中搅拌均匀后加入氯化镁继续搅拌呈糊状,然后在模具内与玻璃纤维一起成型。本发明生产制作容易,成本低廉、工艺简单,其制得的容器具有耐高温、耐腐蚀、防潮湿、防虫柱、坚固耐用的特点,是制作各类容器较理想的替代品。

标签:
复合材料
河南 - 洛阳 来源:中冶有色网 2023-03-18
防腐的碳化硅复合材料盖帽螺母及渣浆泵

一种防腐的碳化硅复合材料盖帽螺母及渣浆泵,包括不锈钢螺丝、盖帽,不锈钢螺丝的外侧设有碳化硅复合材料制成的盖帽且不锈钢螺丝凸出于盖帽;盖帽的一端设有方便旋拧操作的施力部,其另一端设有用于安装密封圈的密封部。本实用新型的有益效果是:使用盖帽螺母将叶轮拧紧在泵轴上后,将叶轮与主轴中的金属部件密封在内部,减少了在恶劣环境下的磨损,减少了设备的使用和维修成本。

标签:
复合材料
河南 - 洛阳 来源:中冶有色网 2023-03-18
二硼化锆复合材料高温电阻发热元件

本实用新型涉及一种电阻发热元件,尤其是涉及一种二硼化锆复合材料高温电阻发热元件。提出的一种二硼化锆复合材料高温电阻发热元件,包括有接线段(1)、冷段(2)和发热段(3);其特征是:所述发热段(3)的横截面形状为椭圆形,所述接线段(1)、冷段(2)和发热段(3)为一体成型结构。本实用新型与现有技术相比具有如下积极效果,本实用新型的发热段横截面呈椭圆形,与圆形横截面比较,原材料相同的情况下,发热面积增加,相同时间内,辐射能量增加,增加升温速度,节约能源和资源。

标签:
复合材料
河南 - 洛阳 来源:中冶有色网 2023-03-18
大型三脱铁水容器工作层用复合材料及制备方法

本发明介绍了一种大型三脱铁水容器工作层用复合材料及制备方法,复合材料为铝尖晶石?碳化硅?碳材料;质量组成为:刚玉质原料30?40份、高铝质均化料20?25份、碳化硅5?10份、鳞片石墨10?15份、合成的尖晶石15?25份、防氧化剂1?5份;结合剂为上述组分的3?5%;按照质量份将原料预混;将混合好的料在模具内高压成型;放入干燥器220℃以下烘干,时间大于30小时;降温4?10小时,硬化后出炉即可。本发明选取的原料组成合理,产品成本低,易于推广使用;所用原料具有多种不同粒度区间,堆积密度大,产品强度高、耐磨性能好,防酸性和碱性渣渗效果强,热震稳定性强,高温性能优异,使用寿命长。

标签:
复合材料
河南 - 洛阳 来源:中冶有色网 2023-03-18
植物纤维增强疏水性聚合物复合材料、及其制备方法

本发明提供一种植物纤维增强疏水性聚合物复合材料、及其制备方法,首先,将疏水性聚合物研磨成80‑100目的细小颗粒、采用分散剂制成疏水性聚合物混合液;其次,对上述疏水性聚合物混合液实施均质化处理,制得疏水性聚合物悬浮液;再有,将上述疏水性聚合物悬浮液与植物纤维胶体实施均质化,并进行干燥、造粒,即得到植物纤维增强疏水性聚合物复合材料。本发明的制备方法显示出植物纤维增强的效果。

标签:
复合材料
河南 - 洛阳 来源:中冶有色网 2023-03-18
电器管井用复合材料电缆支架

本实用新型涉及电缆桥架技术领域,且公开了一种电器管井用复合材料电缆支架,所述外框的内部固定连接有连接块,所述连接块的内部固定连接有固定块,所述固定块的中部开设有第一螺纹槽,所述第一螺纹槽的内部螺纹连接有第一螺栓,所述固定块表面位于第一螺纹槽的一端固定连接有伸缩管,所述伸缩管的内部活动连接有伸缩杆。该电器管井用复合材料电缆支架,通过在固定环的表面开设分线孔,使电缆通过分线孔进行分线,使得在固定电缆的同时可以有效的对电缆进行分类处理,也对电缆的散热起到了辅助作用通过散热垫的设置,使电缆产生的热量通过散热垫进行吸收然后散发,使得电缆所产生热量能够及时的散发,从而保证了电缆的安全和使用寿命。

标签:
复合材料
河南 - 洛阳 来源:中冶有色网 2023-03-18
碳纤维增强聚醚醚酮复合材料电镀前处理工艺

本发明涉及一种碳纤维增强聚醚醚酮复合材料电镀前处理工艺,包括超声波除油、化学预粗化、物理粗化、去应力、超声波除油、二次粗化、表面金属化、预镀镍。化学预粗化采用的化学试剂中包含铬酐CrO3350~450g/L和硫酸H2SO4300~400ml/L,化学预粗化的温度为60~80℃,时间为5~8min。本发明采用了高铬粗化配方,将碳纤维增强聚醚醚酮复合材料的制件先进行化学预粗化处理,再进行吹砂与化学粗化相结合的方式,改善了因化学过粗化引起的镀层发粗或粗化程度不够引起的镀层结合力不良的问题;同时采用预浸、胶体钯活化、速化、预镀镍等工艺,能够获得制件均匀、一致性的外观及较高的结合强度,镀层性能稳定可靠。

标签:
复合材料
河南 - 洛阳 来源:中冶有色网 2023-03-18
复合材料敲击检测结果可视化成像系统

本发明涉及一种复合材料敲击检测结果可视化成像系统,包括手持式敲击锤和显示装置,加速度传感器检测敲击信号;锤头固定在所述加速度传感器下方;光电定位传感器,设置在所述加速度传感器下方,用于检测锤头的敲击位置,并输出定位信号;处理器接收加速度传感器输出的敲击信号和光电定位传感器输出的定位信号,并将敲击信号转换为定量数据;显示装置接收处理器发送的定量数据和对应的定位信号,在显示屏上,在定位信号对应的屏幕上的位置上进行定量数据的显示;锤头安装一个安装面上;光电定位传感器固定于所述安装面上,位于锤头附近,以解决现有技术中复合材料损伤检测结果不直观、可靠性低的问题。

标签:
复合材料
河南 - 洛阳 来源:中冶有色网 2023-03-18
检测复合材料基体树脂气泡含量的方法

一种检测复合材料基体树脂气泡含量的方法,涉及高分子材料检测技术领域,具体为:将三口容器的一个连接口连接真空泵、一个连接口连接真空表,将定量树脂放入定量三口容器中,树脂放置完毕后,使用橡胶塞密封第三个连接口;三口容器密封完毕后,开启真空泵对三口容器进行真空处理,待三口容器内压力达到最大负压时关闭真空泵、记录真空表的示数A,随后树脂内气泡会在负压的作用下逐渐溢出,待树脂中气泡不再溢出时记录真空表示数B,通过三口容器内真空度的变化判定复合材料基体树脂气泡含量。本发明有益效果:本发明能够以简单的操作步骤和较少的取样量快速准确的检测出树脂基体中的气泡含量,使气泡含量量化表示。

标签:
复合材料
河南 - 洛阳 来源:中冶有色网 2023-03-18
刃具复合材料的制备方法

一种复合材料的制备方法,该方法包括下述步骤:从fe、Ni、CO中选取Ti含量分为25‑65%的TiCuNi合金,将所述TiCuNi合金粉碎后与Al粉搅拌,挤压成片状体金属粘结剂。用石墨材料制成一空心圆柱形加热块,将所述片状体金属粘结剂放入加热块底部,再向加热块中注入立方氮化硼粉末。将上述装有金属粘结剂和立方氮化硼粉末的加热块,放入高温高压装置内,依次加压,使压力达到35千帕,使其升温,直至金属粘结剂化,正常冷却后,即可获得本发明所述的刃具复合材料。

标签:
复合材料
河南 - 洛阳 来源:中冶有色网 2023-03-18
改性石墨烯增强聚双环戊二烯复合材料及其制备方法

本发明公开了一种改性石墨烯增强聚双环戊二烯复合材料,是由以下重量份的主要原料共混聚合而成:双环戊二烯95~99.9份,改性石墨烯0.1~5份;其中改性石墨烯为表面连接有丙烯酸单元的改性石墨烯。本发明的复合材料与未采用改性石墨烯增强的聚双环戊二烯材料相比,其冲击强度由原来的100J/m提高到200~320J/m,拉伸强度由原来的25MPa提高到31~35MPa,并且改性石墨烯的添加量较低(在5%以内),从而在提高韧性和强度的前提下,其制备成本较低。

标签:
复合材料
河南 - 洛阳 来源:中冶有色网 2023-03-18
混凝土路面用高硬度复合材料及其制备方法

一种混凝土路面用高硬度复合材料及其制备方法,由复合增强剂、硅酸盐水泥、强化粉、石英砂、速凝剂和添加剂组成,复合增强剂由单质硅粉、氧化铝微粉、硅微粉、骨粉、铁矿废渣、金属粉烧结后与火山灰混合粉磨而成,强化粉由高岭土、黏土、煤矸石、铝灰、赤泥、钼铁粉、镍铁粉和硅铁粉烧结后粉磨而成,添加剂由淀粉、碳酸钠和羧甲基淀粉钠组成。在使用时,将该复合材料与砂石、水拌合形成混凝土进行施工,与现有的普通水泥混凝土相比,具有更高的强度和耐磨性,能够大幅度提高所铺设水泥路面的使用寿命。

标签:
复合材料
河南 - 洛阳 来源:中冶有色网 2023-03-18
双组分潜伏型金属卡宾催化体系、双环戊二烯聚合双物料体系、聚双环戊二烯复合材料

本发明属于新型材料技术领域,具体涉及一种双组分潜伏型金属卡宾催化体系,还涉及一种双环戊二烯聚合双物料体系,还涉及一种聚双环戊二烯复合材料。本发明的双组分潜伏型金属卡宾催化体系由金属卡宾和三烃基膦的混合物与卤代烃组成;所述金属卡宾为钌金属卡宾、钼金属卡宾、钌金属卡宾中的一种或多种;所述三烃基膦的结构通式:所述卤代烃的结构通式为XCH2R,其中X为氯、溴、碘中的一种,R为乙烯基、取代乙烯基、苯基、取代苯基、萘基、取代萘基、乙腈基中的任一种。本发明的双组分潜伏型金属卡宾催化体系在反应注射成型工艺的双物料反应体系中应用时,可延长双物料体系的存放时间,适合工业化催化合成PDCPD。

标签:
复合材料
河南 - 洛阳 来源:中冶有色网 2023-03-18
环氧树脂吸波复合材料及其制备方法

本发明提供了一种环氧树脂吸波复合材料及其制备方法,包括:将纳米粒子与硅烷偶联剂的溶液混合,得到混合溶液,加入去离子水和乙酸,调节混合溶液的pH值,再进行离心、水洗,直至水洗后的溶液呈中性,得到带有活性氨基的纳米粒子;在带有活性氨基的纳米粒子中加入酸酐化合物,反应之后去除未反应的酸酐化合物,得到带有活性酸酐基团的纳米粒子;以及将带有活性酸酐基团的纳米粒子与环氧树脂混合,固化成型,得到环氧树脂吸波复合材料。

标签:
复合材料
河南 - 洛阳 来源:中冶有色网 2023-03-18
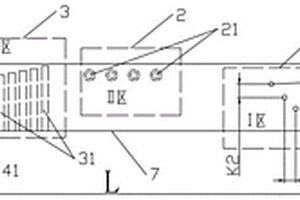
用于非金属复合材料超声检测系统性能校准的试块

本实用新型提供了一种用于非金属复合材料超声检测系统性能校准的试块,所述试块的厚度T≥20mm,所述试块包括Ⅰ区、Ⅱ区、Ⅲ区、Ⅳ区,所述Ⅰ区设置第一孔组,所述Ⅱ区设置第二孔组,所述Ⅲ区设置第三孔组,所述Ⅳ区设置第四孔组;本实用新型通过限制试块的特定尺寸,并设置不同的检测区域,能够真实、客观地校准出超声检测系统非金属复合材料的纵向分辨力、横向分辨力、短缺陷分辨力、近表面分辨力、远表面分辨力、水平线性、垂直线性、脉冲周期数,使得所述试块可用于常规超声检测系统校准和相控阵超声检测系统校准,有利于提高超声检测系统的准确性和可靠性,同时,所述试块结构简单、操作简单、应用方便,便于现场测试校验,便于携带。

标签:
复合材料
河南 - 洛阳 来源:中冶有色网 2023-03-18
高分子纳米复合材料生产用的制粒机

本实用新型属于制粒机技术领域,尤其是一种高分子纳米复合材料生产用的制粒机,针对现有的操作大多为分开操作,整体过程中需对高分子纳米复合材料进行多次转移,增加了工作强度,且在生产中其内壁上容易出现粘黏物料,从而影响后期使用的问题,现提出如下方案,其包括箱体,所述箱体的顶部安装有两个对称设置的进料斗,箱体的底部固定安装有导料盒,导料盒内设有挤料机构,导料盒的外侧设有裁切机构,所述导料盒的底部固定安装有电机,电机的输出轴上固定安装有主动杆,箱体的内壁上转动安装有两个对称设置的从动杆。本实用新型操作简单,使用方便,能够将混合挤出切割混成一体进行加工,从而能够加快制粒机的工作效率。

标签:
复合材料
河南 - 洛阳 来源:中冶有色网 2023-03-18
海洋环境复合材料的表面缺陷修整材料的制备方法

一种海洋环境复合材料的表面缺陷修整材料的制备方法,先分别制备A、B组分,再将A、B组分混合,A、B组分中分别采用粘度不超过6000mPa﹒s的低粘度环氧树脂和低粘度胺类固化剂,作为具有优异耐海水性的基体,采用有机膨润土和纳米气相二氧化硅复配的触变体系,能够有效降低修整材料粘度,降低刮涂阻力,降低刮涂难度,通过配方优化,采用分散剂、消泡剂和复合触变剂多重技术组合,形成三维高触变性网络结构,克服了超细滑石粉在液体相中难分散、易团聚的问题,得到可常温固化、修整效果好、附着力优异、耐海水性能优异的修整材料,能够有效解决海洋环境复合材料表面缺陷快速修整的工艺性和可靠性难题。

标签:
复合材料
河南 - 洛阳 来源:中冶有色网 2023-03-18
阻燃剂、制备方法及改性聚双环戊二烯复合材料、制备方法

本发明公开了一种阻燃剂、制备方法及改性聚双环戊二烯复合材料、制备方法,属于阻燃材料技术领域。本发明阻燃剂,以六氯环三磷腈为母体,连接上带有双环戊二烯结构的基团,使其可溶于双环戊二烯,并且与双环戊二烯单体进行共聚反应,解决了现有不溶性阻燃剂不利于双环戊二烯注射成型工艺、力学性能下降和阻燃效果不佳的技术问题。本发明阻燃剂改性聚双环戊二烯复合材料,由阻燃剂和双环戊二烯混合共聚而成,在限定的阻燃剂用量范围内,可显著提高聚双环戊二烯的阻燃性能,同时不降低其力学性能。本发明制备方法,操作简单,工艺过程易于控制,产率高,适于工业化推广应用。

标签:
复合材料
河南 - 洛阳 来源:中冶有色网 2023-03-18
碳纳米管/聚酰胺基复合材料及其制备方法

本发明涉及一种碳纳米管/聚酰胺基复合材料及其制备方法,先将碳纳米管进行纯化酸化处理,然后将碳纳米管用十八烷基胺进行烷基化处理,以提高碳纳米管的分散性,最后将烷基化处理后的碳纳米管与聚酰胺复合得到碳纳米管/聚酰胺基复合材料,极大地提高了碳纳米管和聚酰胺基体材料的相容性,进一步提高了聚酰胺的力学性能和机械性能。本发明原料易得,制备方法简单,符合产业发展所需,相当具有实用性。

标签:
复合材料
河南 - 洛阳 来源:中冶有色网 2023-03-18
SiCp/Al复合材料轴类零件端面薄壁小孔螺纹的加工方法

本发明提出一种SiCp/Al复合材料轴类零件端面薄壁小孔螺纹的加工方法,主要是通过设计夹持工装承载一部分钻削力和攻丝力矩,减小孔壁的受力,避免最薄孔壁处因受力过大超过孔壁的承受强度而崩碎的问题;用CVD涂层钻头和直槽硬材料TICN涂层丝锥减小钻削力和攻丝力矩;优化钻孔加工工艺参数等实现SiCp/Al复合材料轴类零件端面小孔螺纹且孔壁与零件边缘距离较小的加工。本发明的有益效果是解决了直接在轴端面钻孔加工时最薄孔壁处沿孔的轴线方向崩碎的问题,解决了攻丝加工时孔壁因受力矩过大而崩边的现象。本发明适用于所有轴类零件端面小孔且孔壁与轴壁距离较小零件的加工。

标签:
复合材料
河南 - 洛阳 来源:中冶有色网 2023-03-18
用于钛钢复合材料缺陷的爆炸补焊方法

一种用于钛钢复合材料缺陷的爆炸补焊方法,涉及金属复合材料制造领域,本发明通过在未复合区域开槽、修磨后进行爆炸补焊,不仅能成功的修复未复合区缺陷,使复合率达到100%,而且通过取样进行金相观察,钛-钢界面、钛-钛界面、钛-钢-钛交点处呈均匀波纹状,实现了冶金结合,剪切性能检测表明,其同样具有结合强度大的特点,同时本发明具有操作方便,复合率高等特点。

标签:
复合材料
河南 - 洛阳 来源:中冶有色网 2023-03-18
复合材料生产除尘除雾设备

本实用新型公开了一种复合材料生产除尘除雾设备,包括箱体,所述箱体一侧的底部固定连接有气泵箱,所述气泵箱内壁的底部固定连接有气泵,所述气泵的进气端连通有进气管,所述气泵的出气端连通有出气管,所述出气管远离气泵的一端依次贯穿气泵箱和箱体并延伸至箱体的内部,所述箱体内壁的两侧均设置有固定装置,两个所述固定装置相对的一侧之间设置有过滤板,所述箱体内壁两侧之间的顶部固定连接有弧形板,所述弧形板的顶部设置有冰水。本实用新型所述的一种复合材料生产除尘除雾设备,设有过滤板、弧形板和水箱,可以除尘和除雾,使得设备符合绿色环保的标准,减少安全隐患,带来更好的使用前景。

标签:
复合材料
河南 - 洛阳 来源:中冶有色网 2023-03-18
SiC气凝胶/陶瓷涂层结构一体化防隔热复合材料的制备方法

本发明属于隔热材料领域,公开了一种SiC气凝胶/陶瓷涂层结构一体化防隔热复合材料的制备方法,所述材料由四层结构组成,从冷端面到热端面依次为:高强度SiC气凝胶、ZrB2高温耗氧涂层、ZrO2高温隔热涂层、氧化物高辐射涂层,以此获得一种SiC气凝胶/陶瓷涂层结构一体化防隔热复合材料。通过该技术所获得的材料具备优异的抗烧蚀和抗氧化性能、密度低、强度高、低的热导率、耐高温性能可达1800℃等性能。

标签:
复合材料
河南 - 洛阳 来源:中冶有色网 2023-03-18
晶须增强树脂复合材料空心球及其制备方法

本发明涉及一种晶须增强树脂复合材料空心球及其制备方法,通过在聚苯乙烯泡沫球表面包覆多层晶须增强树脂壳层,直至复合材料空心球达到所需要的密度,所述晶须增强树脂壳层由环氧树脂、固化剂及增强晶须混合构成,通过喷枪在泡沫球上喷涂树脂、固化剂和增强晶须,通过滚轴转动使其混合均匀,自带加热,泡沫球之间无相互挤压、无粘接,制得的小球表面光滑、密度均匀,同时具备良好的力学性能。

标签:
复合材料
河南 - 洛阳 来源:中冶有色网 2023-03-18
含有单原子活性位点的钴镍双金属氮掺杂碳复合材料及其制备方法和应用

本发明公开一种含有单原子活性位点的钴镍双金属氮掺杂碳复合材料的制备方法,先制得ZIF‑8晶体;再得到ZIF‑8@DNi‑ZIF67晶体,即MOFs前驱体;再将MOFs前驱体在惰性气氛下进行高温煅烧,而后自然冷却到室温;对冷却得到的物质进行酸洗处理,而后多次水洗至中性,最后进行干燥即可。该制备方法利用金属有机框架化合物前驱体的优势,仅通过前驱体的制备、煅烧、酸洗三步便得到目标产物,制得的材料产率高、稳定性好、重复性强,并且符合绿色化学要求,制作周期短,对设备要求低,有极大的应用潜力。采用前述方法制备得到的钴镍双金属氮掺杂碳复合材料,提高了材料的亲锂性,并缩短了锂离子和电子扩散距离,缓冲循环过程中的体积变化,进而有效地提高了材料电化学性能。

标签:
复合材料
河南 - 洛阳 来源:中冶有色网 2023-03-18
三维碳毡润滑增强体改性MC尼龙复合材料及其制备方法

本发明涉及一种三维碳毡润滑增强体改性MC尼龙复合材料及其制备方法,按照重量百分比计包括:80%~90%聚酰胺树脂和10%~20%三维碳毡润滑增强体;其中,所述的聚酰胺树脂为MCPA6,所述的三维碳毡润滑增强体是指在三维碳毡表面负载氮掺杂氧化石墨烯/石蜡。本发明利用刻蚀改性剂将氮掺杂氧化石墨烯和石蜡润滑剂构筑在碳毡纤维表面形成具有“池‑渠”结构的三维润滑网络,使石墨烯和石蜡润滑剂均匀分散在MC尼龙基体材料中,有效改善了石墨烯填料的分散性,同时提高了树脂与填料界面的相容性;所制备的三维碳毡润滑增强体改性MC尼龙复合材料的力学性能、摩擦学性能均得到了显著的提升。

标签:
复合材料
河南 - 洛阳 来源:中冶有色网 2023-03-18
耐温克蚀复合材料、及其制备方法

本发明的目的在于提供一种耐温克蚀复合材料、及其制备方法,利用聚乙烯醇缩丁醛、芳纶、聚苯咪唑纤维、聚四氟乙烯,作为原料,再在硅烷偶联剂、钙皂稳定剂的辅助作用下,提高材料相关性能。本发明制备的耐温克蚀复合材料具有高刚度和高耐温性,且同时具有阻燃性和抗老化性能,延长了其使用寿命。

标签:
复合材料
河南 - 洛阳 来源:中冶有色网 2023-03-18
弥散铜基真空开关触头复合材料的制备工艺方法

本发明属于合金材料技术领域。提出的一种弥散铜基真空开关触头复合材料的制备工艺方法,采用低固溶度Cu-Al合金粉末,其铝含量不大于1.00wt%,余量为Cu,纯铬金属粉末、工业级Cu2O作为原材料,其中,Cu-Al合金粉与氧化剂Cu2O的混合比例为(94~96)wt%∶(6~4)wt%,Cu-Al合金粉和氧化剂Cu2O的总量与Cr粉的混合比例为(75~50)wt%∶(25~50)wt%;制备工艺包括:合金熔炼,制粉,混粉,压制,内氧化和热挤压,冷拉拔成型;其中内氧化与烧结同时进行,烧结的温度为900-1050℃,烧结时间4~10小时;获得的弥散铜基真空开关触头复合材料主要包含有弥散铜基体Cu-Al2O3和Cr质点,其Al2O3含量≤1.50wt%,颗粒直径不大于100nm,Cr含量25wt%~50wt%。

标签:
复合材料
河南 - 洛阳 来源:中冶有色网 2023-03-18
硅碳负极复合材料的制备方法

一种硅碳负极复合材料的制备方法,包括以下步骤:先取多孔纳米硅溶于碱性溶液中接枝碱性基团,然后加入到硅烷偶联剂溶液中,碳化后得到硅碳前驱体,再通过电化学沉积法,在硅碳前驱体表面沉积锂盐,即得所述硅碳负极复合材料。本发明的制备方法通过化学法在多孔纳米硅表面沉积含氮的碳层降低阻抗及其提升包覆层的结合力,改善倍率和循环,并通过电化学法进行补锂提升材料的首次效率。

标签:
复合材料
河南 - 洛阳 来源:中冶有色网 2023-03-18
上一页 44 45 46 47 48 ... 59 下一页
共59页    到第

中冶有色为您提供最新的河南洛阳有色金属材料制备及加工技术理论与应用信息,涵盖发明专利、权利要求、说明书、技术领域、背景技术、实用新型内容及具体实施方式等有色技术内容。打造最具专业性的有色金属技术理论与应用平台!

全国热门有色金属设备推荐
展开更多 +
全国热门有色金属技术推荐
展开更多 +

 

江西省隆恩特环保设备有限公司
宣传

报名参会
更多+

报告下载

有色专家
更多+

北方民族大学
院长/教授
长春黄金研究院有限公司
总经理
东北大学
院长/教授
武汉科技大学
校学术委员会主任 / 教授
长沙矿冶研究院
总经理
赤泥综合利用研究报告2025
推广

热门技术
更多+

推荐企业
更多+

福建省金龙稀土股份有限公司
宣传

发布

在线客服

公众号

电话

顶部
咨询电话:
010-88793500-807