青岛垚鑫智能科技有限公司
宣传

位置:北方有色 >

有色技术频道 >

> 加工技术

分类:
全部
矿山技术
冶金技术
材料制备及加工技术
环境保护技术
分析检测技术
 
全部
功能材料技术
复合材料技术
新能源材料技术
合金材料技术
加工技术
地区:
全部
北京
天津
上海
重庆
河北
山西
辽宁
吉林
黑龙江
江苏
浙江
安徽
福建
江西
山东
河南
湖北
湖南
广东
海南
四川
贵州
云南
陕西
甘肃
青海
内蒙
广西
西藏
宁夏
新疆
其他
其他
展开
 
全部
济南
青岛
淄博
枣庄
东营
烟台
潍坊
济宁
泰安
威海
日照
滨州
德州
聊城
临沂
菏泽

山东济南有色金属加工技术理论与应用

免费发布技术信息>>
锂离子电池的电极支撑沸石咪唑隔膜的制备方法

本发明公开了一种用作锂离子电池的电极支撑沸石咪唑隔膜的制备方法。本发明的多孔隔膜的组成为类沸石咪唑框架材料(Zeolitic imidazolate frameworks,ZIFs),是由四面体配位构型的过渡金属钴、锌、铜等与咪哇及其衍生物配体配位形成的金属有机骨架材料(Metal organic frameworks,MOFs)。ZIFs是一种新型的MOFs材料。本发明将制备的ZIF‑67直接涂覆在电极材料的表面,形成电极支撑隔膜。与聚烯烃隔膜相比,ZIF‑67隔膜具有良好的电解液润湿性、高温稳定性、更高的放电容量和更好的循环稳定性。证明了ZIF‑67具有作为锂离子电池隔膜的潜力。

标签:
加工技术
山东 - 济南 来源:北方有色网 2023-03-18
铌酸锂晶体压电切型及其在高温压电超声换能器中的应用

本发明公开了铌酸锂晶体压电切型及其在高温压电超声换能器中的应用,其中,铌酸锂晶体压电切型为XZt/θ,10°≤θ≤40°,其X向尺寸、Y向尺寸、Z向尺寸比例为2.9~3.1:1:2.9~3.1。最优压电切型的有效压电常数d*15≥75.2pC/N,在20~500℃范围变化率低于15%。利用该最优切型设计高温压电超声换能器,经过高温性能验证,本发明制备的压电超声换能器能够在20~500℃范围内稳定工作,且在500℃时具有较高的监测灵敏度,满足大型工业设备宽温域结构健康监测要求。

标签:
加工技术
山东 - 济南 来源:北方有色网 2023-03-18
石墨烯/碳纳米管复合改性锂电池正极材料的制备方法

本发明提供一种石墨烯/碳纳米管复合改性锂电池正极材料的制备方法,包括如下步骤:(1)氧化石墨烯的制备;(2)氧化石墨烯悬浮液的制备;(3)氧化石墨烯/碳纳米管分散液的制备;(4)石墨烯/碳纳米管分散液的制备;(5)水溶液的制备;(6)混合溶液的制备;(7)将步骤6得到的混合溶液加入水热釜中,加热,随后将混合物置于干燥箱中,干燥,将干燥后的混合物置于管式炉中在氢气气氛下350‑600℃预烧4‑8h,然后对混合物进行研磨,最后在750‑1000℃下烧结9‑12h,随后冷却,研磨,得到石墨烯、碳纳米管复合改性锂电池正极材料。本发明可有效地提高活性材料的高比容量、高倍率放电性能和循环性能。

标签:
加工技术
山东 - 济南 来源:北方有色网 2023-03-18
溴化锂制冷机突然停电时的防结晶、防冻管装置

本实用新型公开了一种溴化锂制冷机突然停电时的防结晶、防冻管装置。它解决了目前溴化锂制冷机在突然断电时容易发生结晶或冻管现象,造成设备损坏等问题,具有结构简单,使用方便,可有效避免溴化锂制冷机在突然断电时发生结晶或冻管现象等优点。其结构为:它包括泵体,泵体底端分别有进水口和排水口,所述泵体顶部设有进气阀和排气阀,进气阀和排气阀与控制装置连接,控制装置与浮球联动装置连接。

标签:
加工技术
山东 - 济南 来源:北方有色网 2023-03-18
直燃吸收式溴化锂冷热水机组

本实用新型公开了一种直燃吸收式溴化锂冷热水机组。其包括热水驱动机构和冷却水循环机构,所述热水驱动机构包括热水发生器、冷凝器、蒸发器、吸收器、溴化锂机组及连接各部件的管道,其中冷凝器通过冷凝器管道与热水发生器相连通,所述热水发生器通过管道回路与吸收器内的冷却水进出管连接,冷凝器通过底部的排液管道与蒸发器管连接;所述冷却水循环机构包括冷却塔、冷却水泵和冷冻水泵,所述冷却塔通过管道与冷凝器、吸收器和冷却水泵形成循环水路。本实用新型具有结构简单、制造成本低、使用方便、安全可靠的特点,同时相对加大了热水驱动时吸收器的面积,增强了吸收效果,增加了热水部分的利用效率,更有利于太阳能与废热利用方面的应用推广。

标签:
加工技术
山东 - 济南 来源:北方有色网 2023-03-18
基于直流电源的磷酸铁锂电池的在线核容装置

本实用新型公开了一种基于直流电源的磷酸铁锂电池的在线核容装置,包括本体、耐磨垫、充电块、风扇和线盘,所述本体的顶部安装有活动盖,且活动盖的顶部安装有手提杆,所述本体的顶部内壁安装有伸缩弹簧,且伸缩弹簧的上方安装有活动杆,所述本体的左右外壁均安装有耐磨垫,所述充电块的外壁安装有连接块,且连接块的一端安装有风扇。该基于直流电源的磷酸铁锂电池的在线核容装置设置有充电块和活动盖,在使用时,充电块在连接线的配合下,增加本体的储电功能,使本体脱落电源线还可以进行直流充电,提高了人们使用时的稳定性,活动盖在手提干的配合下,增加了对接头的防护性,同时也增加了本体的使用寿命。

标签:
加工技术
山东 - 济南 来源:北方有色网 2023-03-18
由二次锂电池组供电的直流电机驱动装置

本实用新型公开了一种由二次锂电池组供电的直流电机驱动装置。其结构为:它包括由二次锂电池串联组成的电池组,电池组与电流检测电阻串联;充电模块一端与电池组一端,另一端与电流检测电阻连接;同时电池组的各电池两端以及电流检测电阻两端分别与控制模块的输入端连接;控制模块输出端与显示模块连接;控制模块输出端还分别与MOSFET驱动模块和电机工作状态检测模块连接,MOSFET驱动模块输出端与充电模块连接,电机工作状态检测模块输出端与直流电机模块连接。其优点为集成度高、电源转换效率高、结构简单、成本低、工作可靠、使用方便。

标签:
加工技术
山东 - 济南 来源:北方有色网 2023-03-18
应用于锂-氧气电池的木质隔膜及其制备方法

本发明涉及一种锂‑氧气电池木质隔膜及制备方法,属于电化学和新能源领域。该木质隔膜由天然原木垂直于树木生长方向切割并进行隔氧热处理得到。热处理木质隔膜在以Pt/C为阴极的锂‑氧气电池显示出高度改善的电化学性能,在200mA g‑1电流密度下可实现约25000mAh g‑1的比容量和320圈的循环。热处理木质隔膜比传统玻璃纤维隔膜具有更高的离子电导率,进而提高电池寿命。该生产工艺简单,无须严苛的反应条件;同时,该方法绿色环保,易于规模化生产。由本发明制备的热处理木质隔膜具有较大的容量和优异的循环稳定性等优良的综合电化学性能。

标签:
加工技术
山东 - 济南 来源:北方有色网 2023-03-18
用于锂离子动力电池负极的碳材料及其制备方法

本发明涉及一种用于锂离子动力电池负极的碳材料及其制备方法。本发明采用石油焦碳、沥青焦碳、针状焦碳或冶金焦碳为起始原料,经过机械处理,热处理、化学处理及材料表面修饰处理过程。本发明还提供经过该方法制备的锂离子动力电池负极材料。本发明方法制备的焦碳材料具有可逆充放电容量大,高于240-300mA.h.g-1,首次库伦效率高,大于50-90%以上,循环性能稳定,300次循环时容量保持率大于50-90%,充放电倍率性能高于石墨的优点。

标签:
加工技术
山东 - 济南 来源:北方有色网 2023-03-18
新型锂电池电芯检测仪

本实用新型公开了一种新型锂电池电芯检测仪,转换机体与调节旋钮连接,且转换机体与施压辊轴连接,施压辊轴上侧设置有信号探头,转换机体与速度调节转盘连接,速度调节转盘与转动支臂连接,转动支臂一端设有转动把手,转换机体与电阻输出器连接,电阻输出器左侧安装有电压转接机,电压转接机下侧设置有防损伤垫板,按压指板前侧安装有信号反馈机,且信号反馈机安装在固定底板上,信号反馈机与操作键盘连接,操作键盘左侧设置有显示终端屏,转换机体通过支架固定在固定底板上,固定底板底部设有移动轮。该新型锂电池电芯检测仪,可实现对电芯及电芯串的内阻测量和对电芯进行充、放电测试,且在整个充、放电过程中安全、无污染;其体积小、重量轻、设有移动轮方便移动。

标签:
加工技术
山东 - 济南 来源:北方有色网 2023-03-18
锂电池和铅酸电池通用充电器

一种锂电池和铅酸电池通用充电器,包括主控芯片,在主控芯片上连接有切换模块,所述切换模块用于向主控芯片传输高电平信号或低电平信号来改变充电器的充电模式,在主控芯片上连接有充电模块,所述充电模块包括稳压芯片,所述稳压芯片相并联的铅酸电池触发三极管和锂电池触发三极管与主控芯片相连,所述充电模块用于根据所述主控芯片的指令来导通铅酸电池触发三极管或锂电池触发三极管进行充电,在主控芯片上还设有充电正接口和充电负接口;通过防反接模块上的继电器对充电正接口进行保护,防止烧坏充电器;通过指示灯来显示充电器的充电状态,便于用户观察,具有操作简便、实用性强的优点。

标签:
加工技术
山东 - 济南 来源:北方有色网 2023-03-18
用于超大尺寸长等径铌酸锂生长的装置和方法

本发明公开了一种用于超大尺寸长等径铌酸锂生长的装置和方法,所述装置包括生长装置与加料装置;生长装置包括第一坩埚及第一保温层;第一保温层和第一坩埚之间设有生长加热器;第一坩埚上方设有可旋转升降的籽晶杆,籽晶杆贯穿第一保温层的顶部;加料装置包括第二坩埚及第二保温层,第二坩埚与第二保温层之间设有化料加热器;第二坩埚的上方设有加料管,加料管穿过第二保温层;第一坩埚的底部通过输料管与第二坩埚的底部连通;输料管的外壁上设有输料加热器。本发明采用化料与生长相分离的方法,通过输料管的热量带入生长区熔体中心使得生长区域温度更均匀,以及及时补充原料的方法,避免了生长界面过冷导致的大尺寸铌酸锂晶体拖尾现象。

标签:
加工技术
山东 - 济南 来源:北方有色网 2023-03-18
高品质因数锂镁铌系微波介质陶瓷及其制备方法

本发明公开了一种高品质因数锂镁铌系微波介质陶瓷及其制备方法,其组成为Li3(Mg1-xCox)2NbO6,其中0≤x≤0.1;先将Li2CO3、MgO、CoO和Nb2O5按化学式配料,经过混料、烘干、过筛,预烧、造粒、压制成型等工艺后,于1175~1225℃烧结,制得掺杂离子后的Li3Mg2NbO6陶瓷。本发明采用了钴离子掺杂Li3Mg2NbO6中的镁离子,能够显著降低陶瓷材料内部的介电损耗,提高该陶瓷材料的温度稳定性,其介电常数达到14.74~16.22,品质因数Q·f达到67, 900~89, 800?GHz,谐振频率温度系数为-10.28~-3.61?ppm/℃。本发明制备工艺简单,使用设备廉价,过程环保,在工业上有着极大的应用价值。

标签:
加工技术
山东 - 济南 来源:北方有色网 2023-03-18
钽酸锂晶体极化方法和装置

钽酸锂(LT)晶体极化方法和装置,属于晶体后处理技术领域,在610—630℃极化温度下,用铝作电极,可同时极化多块LT晶体,单畴完全,工艺简单,极化成本低于原有工艺的十分之一,适用于批量工业生产。本发明的极化方法和装置亦适用于极化温度在640℃以下的其它晶体。

标签:
加工技术
山东 - 济南 来源:北方有色网 2023-03-18
固态锂离子电极、电池及其制备方法

本发明提供一种固态锂离子电极、电池及其制备方法,固态锂离子电池电极由金属集流体及附着在集流体上的活性物质材料、导电剂、固态电解质、粘结剂构成。本发明在电极制造采用将含有活性物质等的浆料涂到集流体上,相比沉积法及压缩粉末法更适合连续、批量化生产。

标签:
加工技术
山东 - 济南 来源:北方有色网 2023-03-18
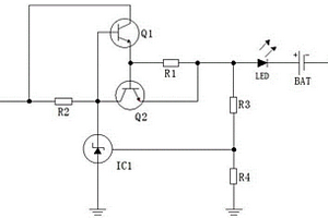
锂电池用恒流—恒压充电电路

本实用新型提供一种锂电池用恒流—恒压充电电路,属于电源管理领域。其包括可控精密稳压源IC1、电阻R1‑R4、三极管Q1、Q2和待充电池。开始充电时,待充电池电压较低,恒流部分通过三极管Q2和电阻R1控制三极管Q1的基极实现调节。随着充电的进行,待充电池电压越来越高,此时电路电流会通过可控精密稳压源IC1,可控精密稳压源IC1开始工作,进入恒压状态。本实用新型应用于普通的5 V充电场合,通过简单的电路,实现对锂电池的恒流—恒压充电,简化了传统的恒流—恒压充电电路。此外,还设计有LED充电指示灯,在充电过程中LED充电指示灯会由亮变暗直到电池充电完毕后熄灭,便于直观清晰的显示出充电完成状态。

标签:
加工技术
山东 - 济南 来源:北方有色网 2023-03-18
利用改性锂皂石吸附大分子有机物的方法

本发明提供一种利用改性锂皂石吸附大分子有机物的方法,包括以下步骤:(1)预处理:采用格栅筛滤;(2)吸附处理:将羟基磷石灰‑壳聚糖复合材料加入废水中,搅拌处理后,过滤,将沉淀物进一步利用;废水继续处理;(3)沉淀处理:向废水中加入改性锂皂石,加入量为废水质量的0.05‑0.1%,搅拌处理;(4)根据好氧处理方式和厌氧处理方式的不同,加入好氧菌和厌氧菌,处理;(5)紫外线杀菌后,该方法实现了低成本、效率高、有效去除果汁废水中大分子有机物、同时合理利用产生的废弃物、处理后的废水达到了规定的排放标准。

标签:
加工技术
山东 - 济南 来源:北方有色网 2023-03-18
高性能反蛋白石结构氧化铈-碳复合锂氧气电池正极催化材料及其制备方法

本发明提供一种高性能反蛋白石结构氧化铈‑碳复合锂氧气电池正极催化材料及其制备方法。所得反蛋白石结构氧化铈‑碳复合材料为纳米量级,具有非常大的比表面积和高电导率,表现出良好的循环性能,且该材料的反蛋白石结构可以有效解决在充放电过程中体积膨胀和收缩的问题。同时原料廉价易得,制备方法简便,产率高,通过采用水热法和生物矿化法相结合即可获得,为锂氧气电池的大规模工业化生产和实际应用提供有效助益。

标签:
加工技术
山东 - 济南 来源:北方有色网 2023-03-18
锂离子循环法电化学合成氨工艺和应用

本发明涉及一种锂离子循环法电化学合成氨工艺及应用:采用电化学锂离子循环策略,在常压下实现由氮气和水合成氨。反应过程包括Li的氮化、Li3N水解和Li盐制备三个步骤并可循环进行,新工艺成功地避开了直接电化学合成氨过程中析氢反应的竞争,法拉第效率高达85.0%以上。本发明提供的锂离子循环法电化学合成氨工艺可以在常温常压下实现,不用氢气作为质子源,能够避免化石能源的使用,也减少了温室气体CO2的排放,解决了困扰H‑B工艺的化石能源消耗和碳排放问题。

标签:
加工技术
山东 - 济南 来源:北方有色网 2023-03-18
Co-HCS/CNT/S复合锂硫电池正极材料及其制备方法

本发明涉及一种Co‑HCS/CNT/S复合锂硫电池正极材料及其制备方法,正极材料中空心碳纳米管(CNT)上附着空心碳纳米球(HCS),HCS掺杂Co,S负载在复合材料表面。其制备方法包括(1)前驱体制备;(2)得到SiO2@Co‑HCS/CNT中间体;(3)处理得到Co‑HCS/CNT;(4)获得Co‑HCS/CNT/S复合锂硫电池正极材料。Co作为催化剂,不仅可以促进多化物的氧化氧化还原反应,而且还能够提供高效的多硫化物的化学吸附,HCS/CNT的特殊结构可以提高硫的负载量,同时由于特殊的空心结构还可以提供高效的锂离子和电子的传输,提高硫的利用率,进而加快氧化还原反应。

标签:
加工技术
山东 - 济南 来源:北方有色网 2023-03-18
NiSe2-CNT/S复合锂硫电池正极材料及其制备方法

本发明属于锂硫电池电极材料的制备技术领域,尤其涉及一种NiSe2‑CNT/S复合锂硫电池正极材料及其制备方法。本发明所述正极材料以碳纳米管作为碳基材料,NiSe2纳米颗粒均匀复合在所述碳纳米管上形成NiSe2‑CNT复合材料,单质硫负载在所述NiSe2‑CNT复合材料上。本发明采用溶剂热的方法合成了NiSe2‑CNT的复合材料,载硫后用于锂硫电池正极。本发明制备的电极材料是以碳纳米管作为碳基材料,复合NiSe2纳米颗粒,相比于传统电极材料拥有了更加优异的吸附性,具有较高电子和离子传输性,循环稳定性以及电化学性能得到了较大的提升。

标签:
加工技术
山东 - 济南 来源:北方有色网 2023-03-18
锂电池负极材料MXene的制备方法及其应用

本发明涉及一种锂电池负极材料MXene的制备方法,属于锂电池负极材料的制备领域:所述方法包括如下步骤:(1)以MAX粉末作为正极,以IA族或IIA族金属作为负极,然后将正极与负极置于电解液中组成电池体系,进行充放电;(2)完成充放电后,将得到的产物放入酸溶液中浸泡,烘干,即可得到锂电池负极材料MXene。和现有技术相比,本发明以MAX相材料作为正极,以IA族、IIA族金属作为负极,组成电池体系,进行充放电,脱除MAX相材料中的Cr、Al、Si等原子后得到多孔硅结构的MXene材料,本发明未采用氢氟酸这种危险、对环境、人体危害大的原料制备MXene材料,和传统的方法相比,本发明的制备方法更加安全、环保。

标签:
加工技术
山东 - 济南 来源:北方有色网 2023-03-18
动力软包锂电池注液预封口的自动化生产线

本发明公开了一种动力软包锂电池注液预封口的自动化生产线,属于锂电池的生产,其结构包括上料装置、自动送料装置、自动注液装置、自动真空预封口装置和下料装置,所述的上料装置、自动注液装置、自动真空预封口装置和下料装置从左到右依次设置,所述的自动送料装置设置在上料装置与下料装置之间的自动注液装置和自动真空预封口装置的下部。与现有技术相比,本发明的一种动力软包锂电池注液预封口的自动化生产线具有能够节省劳动力,提高生产效率、可节省材料且加工质量高且稳定等特点,因而具有很好的推广应用价值。

标签:
加工技术
山东 - 济南 来源:北方有色网 2023-03-18
锂电用P(VDF-co-MAF)基单离子聚合物电解质膜制备方法

本发明提供了一种锂电用P(VDF‑co‑MAF)基单离子聚合物电解质膜制备方法,制备方法的具体步骤如下:步骤一:向除水的N,N‑二甲基甲酰胺溶液中加入一定质量的P(VDF‑co‑HFP)和P(VDF‑co‑MAF);步骤二:用湿膜制膜器将步骤一中所得的均匀浆料,均匀刮涂在干净的玻璃板中;步骤三:得到固态聚合物电解质膜,步骤四:将所制备的聚合物电解质膜浸泡在电解液中,即可得到凝胶态聚合物电解质膜;本发明制备了一种以P(VDF‑co‑MAF)为基体的单离子导电凝胶态聚合物电解质,通过形成硼为中心的单离子导电聚合物网络,能显著提高锂离子迁移数,降低浓差极化,提高循环稳定性,在不改变离子电导率的情况下,通过共混P(VDF‑co‑HFP),可以显著提高电解质膜的机械强度。

标签:
加工技术
山东 - 济南 来源:北方有色网 2023-03-18
锂硫电池正极用硫/二氧化硅/聚苯胺核壳结构纳米复合材料及制备方法

本公开提供了一种锂硫电池正极用硫/二氧化硅/聚苯胺核壳结构纳米复合材料及制备方法,该复合材料以负载硫的纳米二氧化硅作为核壳结构的核芯,以聚苯胺作为核壳结构的外壳,所述纳米二氧化硅为球形结构,所述球形结构内部具有若干放射状介孔孔道,硫负载在纳米二氧化硅的放射状介孔孔道内。本公开通过利用二氧化硅作为硫主体及导电聚苯胺对活性物质导电性能改善的协同作用,制备了具有特殊结构的导电聚苯胺/二氧化硅/硫三元复合材料,该复合材料能够改善锂硫电池电化学性能。

标签:
加工技术
山东 - 济南 来源:北方有色网 2023-03-18
锂电池聚酰亚胺隔膜及其制备方法

本发明公开了一种锂电池聚酰亚胺隔膜及其制备方法。本发明利用纳米碳酸氢钠成孔剂增加了聚酰亚胺电池隔膜的空隙率,同时利用二乙烯三胺对聚酰亚胺电池隔膜进行交联,提高了聚酰亚胺电池隔膜的强度,且碳酸氢钠热分解温度与聚酰胺酸亚胺化的温度区间重合,从而在可热分解的同时聚酰胺酸亚胺化,高生产效率下,制得高孔隙率的聚酰亚胺隔膜。本发明制得的聚酰亚胺隔膜孔隙率高,分解气体具有环境友好性,且无需尾气处理措施,同时隔膜强度高,生产成本低,具有独特的电气性能、热性能、化学性能和机械性能的组合平衡性能,并且保留以上各项性能各自的特点,是一种高端锂电池隔膜。

标签:
加工技术
山东 - 济南 来源:北方有色网 2023-03-18
超大尺寸铌酸锂晶体的生长装置和方法

本发明公开了一种超大尺寸铌酸锂晶体的生长装置和方法,包括铂金坩埚和位于生长装置内的可以旋转升降的籽晶杆;所述铂金坩埚外包覆保温层;所述保温层上缠绕加热线圈;所述籽晶杆穿过保温层并深入铂金坩埚中;所述铂金坩埚的上方设有上窄下宽的水冷罩,所述水冷罩的内部中空;所述水冷罩底端的宽度大于或等于铌酸锂晶体的直径;所述籽晶杆贯穿水冷罩的正中央;所述水冷罩上分别设有进水管和出水管,所述进水管和出水管分别贯穿保温层与外部连通;所述水冷罩上设有控制水冷罩上下移动的升降杆,所述升降杆贯穿保温层。本发明能够解决溶体对流缓慢,晶体生长界面处温度梯度小等问题,适合8~12英寸晶圆的制备。

标签:
加工技术
山东 - 济南 来源:北方有色网 2023-03-18
锂电池PACK成品包装机构

本发明提供一种锂电池PACK成品包装机构,主要涉及包装机械领域。一种锂电池PACK成品包装机构,包括汇集槽、若干输送料道、伺服位移装置、机械手、包装箱定位机构以及泡沫板压入机构,两端的输送料道分别与汇集槽、机械手相连接;所述伺服位移装置包括龙门式的框架、安装在所述框架上的X轴伺服位移系统、Z轴伺服位移系统以及Y轴位移系统,所述机械手设置在Y轴位移系统上;所述包装箱定位机构包括包装箱输送机与若干定位气缸,所述泡沫板压入机构包括设置在包装箱定位机构一侧的料仓、推料气缸、承载架以及压入气缸。本发明的有益效果在于:本发明能够完成球形移动电源的包装,自动化程度高,极大的节省了人力资源,降低了人工成本。

标签:
加工技术
山东 - 济南 来源:北方有色网 2023-03-18
在周期极化近化学剂量比铌酸锂上制备平面和条形波导的方法

在周期极化近化学剂量比铌酸锂晶体上制作平面和条形光波导的方法,属于非线性光学晶体材料技术领域。制备方法如下:将已实现铁电畴周期极化的z切的铌酸锂晶体切割成尺寸为10mm×10mm×1mm的样品,对表面及相对两个端面光学抛光;用酒精和丙酮清洗样品,在样品上甩涂BP218光刻胶,掩模板曝光,然后显影、坚膜,形成光刻胶的条形掩模;将样品放在加速器靶室中,抽真空至10-4帕量级,进行轻离子或重离子注入;清洗光刻胶掩模,得到条形光波导;对样品光学抛光、清洗后直接进行离子注入,即得到平面光波导。

标签:
加工技术
山东 - 济南 来源:北方有色网 2023-03-18
三维亲锂导电网络材料及制备方法与应用

本发明公开了一种三维亲锂导电网络材料及制备方法与应用,其包括氮掺杂碳纳米管和核壳结构纳米颗粒,一个核壳结构纳米颗粒与若干氮掺杂碳纳米管连接形成网络结构,所述核壳结构纳米颗粒以Cu2O为核、以Cu为壳。其制备方法为:将氮掺杂碳纳米管加入至含有二价铜盐和乙二醇的水溶液中,加入强碱进行反应,然后再加入葡萄糖进行还原,将还原后的沉淀洗涤。本发明提供的三维亲锂导电网络材料可以让亲锂位点作为集线器链接多条碳纳米的电流传输通道,将整个网络协同成一体,并大大降低电流密度。而且,这种三维亲锂导电网络材料对锂枝晶的生长具有一定的物理阻碍。

标签:
加工技术
山东 - 济南 来源:北方有色网 2023-03-18
上一页 36 37 38 39 40 ... 53 下一页
共53页    到第

北方有色为您提供最新的山东济南有色金属加工技术理论与应用信息,涵盖发明专利、权利要求、说明书、技术领域、背景技术、实用新型内容及具体实施方式等有色技术内容。打造最具专业性的有色金属技术理论与应用平台!

全国热门有色金属设备推荐
展开更多 +
全国热门有色金属技术推荐
展开更多 +

 

江西省隆恩特环保设备有限公司
宣传

报名参会
更多+

报告下载

有色专家
更多+

中南大学
中国工程院院士
有研科技集团有限公司
中国工程院 院士
矿冶科技集团
副所长/研究员
矿冶科技集团
中国工程院院士
北京工业大学、中国工程院
中国工程院 院士
赤泥综合利用研究报告2025
推广

热门技术
更多+

推荐企业
更多+

福建省金龙稀土股份有限公司
宣传

发布

在线客服

公众号

电话

顶部
咨询电话:
010-88793500-807