青岛垚鑫智能科技有限公司
宣传

位置:中冶有色 >

有色技术频道 >

> 加工技术

分类:
全部
矿山技术
冶金技术
材料制备及加工技术
环境保护技术
分析检测技术
 
全部
功能材料技术
复合材料技术
新能源材料技术
合金材料技术
加工技术
地区:
全部
北京
天津
上海
重庆
河北
山西
辽宁
吉林
黑龙江
江苏
浙江
安徽
福建
江西
山东
河南
湖北
湖南
广东
海南
四川
贵州
云南
陕西
甘肃
青海
内蒙
广西
西藏
宁夏
新疆
其他
其他
展开
 
全部
北京

北京北京有色金属加工技术理论与应用

免费发布技术信息>>
半导体钠信标激光器
半导体钠信标激光器 1159     
 0

本公开提供了一种半导体钠信标激光器,包括:沿同一方向依次设置的外腔半导体激光器、光束扭转系统、光学隔离器、聚焦镜及谐振腔;所述谐振腔包括:第一平面镜、第二平面镜M2、第三平面镜M3、第四平面镜M4、凹面镜M5、掺镁周期极化铌酸锂晶体、晶体温控炉、压电陶瓷及法拉第滤波器,所述第一平面镜、所述第二平面镜M2、所述第三平面镜M3与所述第四平面镜M4之间的光线反射通道构成“8”字型谐振腔通道,所述法拉第滤波器包括:沿同一方向依次放置的第一偏振分光立方体、钠蒸气室、第二偏振分光立方体、半波片,所述法拉第滤波器还包括亥姆赫兹线圈,所述亥姆赫兹线圈环绕在所述钠蒸气室的侧面。

标签:
加工技术
北京 - 北京 来源:中冶有色网 2023-03-19
碳二亚胺胺化合成用催化剂、合成方法及所得胍基化合物

本发明公开了碳二亚胺胺化合成用催化剂、合成方法及所得胍基化合物,所述催化剂为三乙基硼氢化锂。本发明所述催化剂具有廉价易得、低毒绿色等特点,所述合成方法可得到高纯度的胍基化合物,其过程简单、产率高、原子经济性高、能量消耗低。

标签:
加工技术
北京 - 北京 来源:中冶有色网 2023-03-19
用于铁氧体器件的微波铁氧体材料及其制备方法

本发明公开了一种用于铁氧体器件的微波铁氧体材料及其制备方法。该铁氧体属于锂铁氧体材料,化学成分为LixZnyMnzBiuNiv(Dy,Tb)wFe2.26±γO4±δ,其中:x=0.35‑0.37,y=0.27‑0.29,z=0.045‑0.055,u=0.004‑0.006,v=0‑0.03,w=0‑0.03,γ=0‑0.0113,δ=0‑0.02。本发明提出了通过工艺调节饱和磁化强度的方法,可以将制的的微波铁氧体材料的饱和磁化强度控制在4300‑5100Gs范围内。本发明制备的微波铁氧体材料具有高剩磁比(Ms/Mr≥0.9),低矫顽力(Hc≤2Oe),低损耗(损耗角正切tanδ≤1×10‑3)等特点。

标签:
加工技术
北京 - 北京 来源:中冶有色网 2023-03-19
具有温度传感功能的隔膜

本发明涉及一种具有温度传感功能的隔膜,属于锂离子电池技术领域。所述隔膜为多层复合结构,包括下层聚合物层、中间热电偶层和上层聚合物层,其中,所述聚合物为聚丙烯膜或聚乙烯膜,所述热电偶为铜‑康铜热电偶。热电偶的灵敏度高且尺寸较小,监测范围宽能够全面覆盖电池工作温度。将热电偶复合到隔膜材料中,能够实时传感电池内部温度,监测电池内部温度变化;当电池内部温度超过警戒阈值时,通过热电偶传感器能及时反馈到控制系统,对电池做出相应调控。选择铜‑康铜热电偶可在保证热电偶的灵敏度、准确度和温度监测窗口的同时,降低热电偶成本。

标签:
加工技术
北京 - 北京 来源:中冶有色网 2023-03-19
电极及其制备方法
电极及其制备方法 1008     
 0

本发明涉及锂离子电池技术领域,尤其涉及一种电极及其制备方法。其中,一种电极,包括集流体、多个通孔层和多个活性层;所述通孔层与所述活性层均设置在所述集流体上,且所述通孔层设置在所述集流体与所述活性层之间,或任意相邻所述活性层之间。本发明的电极由多个活性层及通孔层组成,而通孔层由高聚物的网状结构组成,使用时高聚物溶于电解液,即形成孔径大小及分布可控的孔隙结构,使得每一层的活性层均可与更多的电解液相接触,解决了较厚电极的电解液浸润难、离子传输慢的问题。此外,通孔层的形貌可控,相比于传统的多孔电极,孔隙的迂曲度更低,离子传导更快,提高了极片的离子电导,进而保证了电芯的能量、功率密度以及倍率性能。

标签:
加工技术
北京 - 北京 来源:中冶有色网 2023-03-19
负极集流体、其制备方法与应用

本发明提供了一种负极集流体,所述负极集流体包括集流体基体材料和覆盖于所述集流体基体材料表面的诱导层,所述诱导层用于诱导金属沉积,还提供了其制备方法和应用。本发明适用于以各种金属(锂、钠、镁、铝、钾、锌)为负极(阳极)活性物质的二次电池。使用本发明所述的集流体(负极)能够有效抑制电池负极上的枝晶生长及活性金属与电解质间的副反应,提高二次电池的安全性、循环效率和循环寿命。

标签:
加工技术
北京 - 北京 来源:中冶有色网 2023-03-19
一键式手动更改BIOS配置的便携装置及更改方法

本发明公开一种一键式手动更改BIOS配置的便携装置及更改方法,其中装置包括:计算单元,为FPGA芯片;液晶显示屏模块,与计算单元连接;按键模块,包括多个按键,并与计算单元连接,用于输入按键触发信息;存储单元,通过SPI总线与所算单元连接,用于存储更改服务器BIOS配置操作所触发的按键信息;电池模块,包括锂电池,并分别与计算单元和存储单元连接,用于给整个装置供电;USB接口模块,包括USB接口,并与计算单元连接,用于将装置通过USB线连接到服务器上;VGA接口模块,包括VGA插头,并与计算单元连接,用于将装置通过VGA线连接到服务器上。

标签:
加工技术
北京 - 北京 来源:中冶有色网 2023-03-19
陶瓷基材FSS结构用铂浆料及其制备方法

本发明涉及一种陶瓷基材FSS结构用铂浆料及其制备方法。该陶瓷基材FSS结构用铂浆料按照重量百分比包括60%~80%的铂粉、3%‑15%的氧化物粉、2%~5%的无铅微晶玻璃粉和10%~30%的有机载体。所述氧化物粉为SiO2粉、Al2O3粉、MgO粉中的至少一种。所述微晶玻璃粉为SiO2‑Al2O3‑B2O3‑MgO‑BaO‑ZnO‑ZrO2系微晶玻璃粉与β‑锂霞石微晶玻璃粉的混合粉体。所述有机载体包括有机溶剂、分散剂和增稠剂。本发明制备的陶瓷基材FSS结构用铂浆料耐温不低于1200℃,与石英陶瓷基材匹配性良好,并且高温导电性能优良。

标签:
加工技术
北京 - 北京 来源:中冶有色网 2023-03-19
新型二维过渡金属硼化物及其制备方法与作为储能电极材料的应用

本发明公开一种新型二维过渡金属硼化物,所述金属硼化物的结构式表示为MxBy‑Tz,其中,M为钪、钛、钒、铬、锰、铁、钴、镍、铜、锌、钇、锆、铌、钼、锝、钌、铑、钯、银、镉、铪、钽、钨、铼、锇、铱、铂、金、汞;B为硼元素,T为金属硼化物材料表面带有的官能团;其中,x、y、z是MxBy‑Tz中原子个数的角标,x=1~5,y=1~5,z=1~5。本发明硼化物有利于储能器件中离子的传输,具有催化功能,对活性物质有很好的固定作用。本发明硼化物可以作为电极材料,特别是可应用于锂电池及其它电池,并且在水分解制氢、燃料电池、超级电容器、太阳能电池等诸多储能领域有应用前景。

标签:
加工技术
北京 - 北京 来源:中冶有色网 2023-03-19
立方体碳包覆钒基正极材料的制备方法

本发明提出一种立方体碳包覆钒基正极材料的制备方法,步骤包括:将钒源溶于去离子水中,加热搅拌至完全溶解,加入锂源和磷源,或者加入钠源和磷源,形成第一混合物;搅拌第一混合物至溶解,加入还原剂和形貌导向剂,加热搅拌溶解,得到第二混合物;将第二混合物于150~300℃下反应7~25h,冷却后用去离子水和无水乙醇洗涤褐色沉淀,烘干后研磨,得到前驱体粉末;将所述前驱体粉末在惰性气体气氛下升温至250~450℃,恒温加热3~5h,冷却后研磨,得到预烧结粉末;将所述预烧结粉末在惰性气体气氛下升温至700~1000℃,恒温煅烧5~30h,冷却后研磨、过筛,获得立方体形貌的碳包覆钒基复合正极材料。

标签:
加工技术
北京 - 北京 来源:中冶有色网 2023-03-19
基于非对称离子交换膜的封闭式反向电渗析发电方法及其装置

本发明提供一种基于非对称离子交换膜的封闭式反向电渗析发电装置,所述发电装置的反向电渗析模块中包括交替排列的非对称阴阳离子交换膜,有利于离子的扩散,同时膜层的厚度较小,有效的减小了膜电阻;其次,本发明采用的碳纳米管/锰酸锂电极,该电极无需与阴阳极室联用,简化了盐差发电装置;此外,该装置在利用余热的同时,还进行了系统内的热交换过程,将余热转化为电能的同时也节省了能源;工作液在整个发电过程中循环利用,大大节省了盐和水的消耗量。基于该发电装置的发电方法,具有膜电阻小、浓差极化现象小、发电效率高的优点,解决了现有技术中的诸多问题,在盐差发电领域具有良好的应用前景。

标签:
加工技术
北京 - 北京 来源:中冶有色网 2023-03-19
高性能液态金属电池负极集流体及其制备方法

本发明提供一种高性能液态金属电池负极集流体及其制备方法,属于电池材料制备技术领域。本发明采用化学气相沉积法在镍基合金泡沫骨架上原位可控生长石墨烯层,实现石墨层与镍基合金泡沫材料基体紧密结合,获得高性能负极集流体。一方面,利用石墨防护层作为防止腐蚀的有效屏障,能够延长镍基合金泡沫基体腐蚀发生的时间与侵蚀物质的侵入路径,实现液态金属电池的长效稳定化运行;另一方面,所制备的鱼鳞状石墨层独特的微观形貌,改善了集流体对液态金属锂的润湿性,从而提高了充放电稳定性。将该石墨@镍基合金泡沫复合材料作为负极集流体所装配的液态金属电池,具有优异的倍率性能和循环性能。

标签:
加工技术
北京 - 北京 来源:中冶有色网 2023-03-19
一体化便携式-48V通信应急电源

一体化便携式‑48V通信应急电源包括:微型通信电源变换器1、一体化便携式机架2、后面的通信电源快速连接口3、内置锂离子蓄电池组4、后面的输入电源快速接口5、后面的负载接线端子6。本发明结构合理,功能先进,内部集成了负载输出分路与内置蓄电池组功能,并提供外部接线端子,接线不需要拆解设备,安装维护工作更安全更便捷。所配备的输出分路保护开关与整流模块均可插拔更换,不需要拆解设备,不需要任何接线操作以及其它多余工作。内置蓄电池组,可在外部电源全部中断时向通信设备供电,保证维护作业中通信设备稳定可靠运行。轻量化结构设计,总质量不超过17KG,配备便携式拎手与减震胶垫,便于携带,方便摆放。

标签:
加工技术
北京 - 北京 来源:中冶有色网 2023-03-19
隧道安全预警机器人装置

本发明公开了一种隧道安全预警机器人装置,该装置包括摄像头支撑座、激光雷达、雷达支架、摄像头底座、摄像头、三维激光扫描仪、天线支座、声光报警器、机器人外壳、连接杆、探水天线和行走履带;驱动系统采用锂电供电,放电电流大,并为各个车载设备提供动力电源;激光雷达用于实现机器人在隧道内的定位。三维激光扫描仪用于隧道围岩的监控量测。声光报警器为可能存在的安全隐患进行及时报警。探水天线用于实现隧道内的超前探水。机器人按要求到达预定位置启动车载检测仪器进行洞内人员定位;将各车载检测仪器归至一个控制系统内,根据设计及规范要求进行数据采集、分析、预警、报警。

标签:
加工技术
北京 - 北京 来源:中冶有色网 2023-03-19
多传感器信息融合的动力电池热失控预警方法

本申请提供一种多传感器信息融合的动力电池热失控预警方法,通过电池单体电压和电池单体温度的实时监测数据,计算最低电池单体电压对平均电压的异常偏移,计算最高单体温度对平均温度的异常偏移。同时实时监测可燃气体浓度和气体压力,判断可燃气体浓度是否达到阈值,气体压力是否达到阈值。综合考虑以上各参数,进行热失控预警。通过该方法可以在热失控发生前将热失控预警出来,从而很大程度降低了热失控造成的危害。本申请将有助于提高动力电池安全管理的可靠性,减少锂离子动力电池安全性事故的发生。

标签:
加工技术
北京 - 北京 来源:中冶有色网 2023-03-19
基于第二类吸收式混合热泵

本发明公开了一种基于第二类吸收式混合热泵,该热泵包括蒸发器、冷凝器、换热器、压缩机、吸收器、热交换器、再生器和冷却器;外部的污水进入蒸发器的管程换热后排出,蒸发器与冷凝器相连,蒸发器的壳程出口与吸收器连接;吸收器、热交换器和再生器连接后形成换热回路;另一路外部污水流经再生器保证换热器中溴化锂溶液的再生,再生器与冷凝器连接;冷凝器、冷却器与泵构成冷却循环回路,液态有机循环工质进入吸收器,吸收器将液态有机循环工质加热形成气态工质后进入压缩机,压缩机将其压缩到设定温度和压力后进入换热器对外部的供暖水进行加热,气态工质换热后变成液态有机循环工质继续参与循环换热。本发明能将运行成本减小50%以上,大幅缩短回收期,具有巨大经济效益。

标签:
加工技术
北京 - 北京 来源:中冶有色网 2023-03-19
双官能化丁苯聚合物及其制备方法

本发明涉及一种双官能化丁苯聚合物,该双官能化丁苯聚合物的通式为:(AmPR1)xSi(OR2)y(R3)z,其中Am为芳香胺基,R1、R2分别为具有1~10个碳原子的烷基,R3为具有1~10个碳原子的烷基或芳基,P为丁苯聚合物,x=1~3,y=1~3,z=0~2,x+y+z=4。所述聚合物由胺基化合物与有机锂反应后引发丁二烯与苯乙烯单体聚合再加入硅氧烷封端制备,该方法工艺简单,所制备的溶聚丁苯橡胶的大分子链两端分别含有芳胺基和硅氧烷基团。

标签:
加工技术
北京 - 北京 来源:中冶有色网 2023-03-19
高压发生器用压电陶瓷的制备方法

一种高压发生器用压电陶瓷的制备方法,包括如下步骤:步骤1:选取如下重量份数的原料:碳酸钠30份,碳酸钾12份,碳酸锂8份,氧化镁16份,二氧化钼2份,氧化钇1份,硅铝酸钠1份,碳酸锌1份,五氧化二铌20份,五氧化二钽20份;步骤2:将称量好的原料在行星式球磨机中以丙酮为球磨介质混合球磨:4小时,然后烘干;步骤3:在800℃下锻烧两小时后,二次球磨5小时,然后烘干;步骤4:烘干的粉料经造粒后在4MPa下压制成直径为18mm,厚度为1mm的圆片,以20℃/分钟的升温速度至650℃,排胶2小时;步骤5:在1140℃下烧结2小时得到压电陶瓷。

标签:
加工技术
北京 - 北京 来源:中冶有色网 2023-03-19
基于昼夜电力调峰的火电空冷凝汽器安全度夏装置

本发明公开了一种基于昼夜电力调峰的火电空冷凝汽器安全度夏装置,包括吸收式制冷系统、火电空冷凝汽器组件,在夏天启用冬季供热用的溴化锂/水为工质的吸收式(热泵)系统,在晚上环境温度相对较低时采用汽轮机级间抽汽驱动,制得冷水储存在蓄冷罐中,白天环境温度升高时,用蓄冷罐中的冷水对环境高温空气进行预冷,提升凝汽器的换热性能,提高火电机组的发电效率,保证机组安全度夏。

标签:
加工技术
北京 - 北京 来源:中冶有色网 2023-03-19
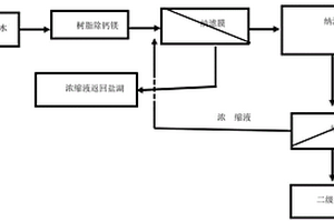
碳酸型盐湖卤水转化成氯化物型卤水的方法

一种碳酸型盐湖卤水转化成氯化物型卤水的方法,包括下述步骤:将碳酸型盐湖卤水通过离子交换树脂,去除所述卤水中的微量钙镁离子获得软化卤水;将软化卤水泵送入第一级纳滤膜系统中,在第一级纳滤膜的两侧施加压力,形成压差;软化卤水中的部分水、钠离子、钾离子、锂离子、以及氯离子从高压侧经第一级纳滤膜迁移到低压侧;高压侧的高价阴离子被富集,获得富含高价阴离子的卤水,将该富含高价阴离子的卤水泵送返回盐湖,所述高价阴离子包括硫酸根离子、碳酸根离子以及多硼酸根离子;低压侧获得含有少量高价阴离子的氯化物型卤水。

标签:
加工技术
北京 - 北京 来源:中冶有色网 2023-03-19
合成蒽类荧光染料的方法

本发明提供一种合成蒽类荧光染料的方法,来解决合成蒽类荧光染料时关键中间体难以制备,产率低的问题,同时该方法原料易得,反应条件温和减少了操作的危险性。合成方法主要分为六步,间卤代苯酚或者取代的间卤代苯酚与甲醛在酸性溶液中反应,纯化获得二苯甲烷衍生物;即第一中间产物;将第一中间产物的酚羟基转化为甲基醚或者硅基醚,得到带有酚羟基保护基的二苯甲烷衍生物;第二中间产物;将第二中间产物转化为有机锂盐,并且与二卤代化合物反应生成蒽类衍生物,即第三中间产物;将第三中间产物氧化获得蒽酮类化合物,即第四中间产物;将第四中间产物与格式试剂反应,第五中间产物;脱去酚羟基保护基团,获得荧光染料。

标签:
加工技术
北京 - 北京 来源:中冶有色网 2023-03-19
电化学原位在线检测装置及其使用方法

本发明涉及一种电化学原位在线检测装置及其使用方法,所述装置包括依次连接的视窗密封盖、主池体和池体对极壳,所述装置能够用于锂离子电池、钠离子电池、锌离子电池、铝离子电池、超级电容器、碱性电池等各类电化学储能装置的物理化学性能的研究,是一种适用于多种检测技术的电化学原位在线检测装置,且本发明所述装置可拆卸、可清洗,且操作简便。

标签:
加工技术
北京 - 北京 来源:中冶有色网 2023-03-19
便携贴式无线心电图(ECG)采集监测装置

本发明提供一种便携贴式无线心电图(ECG)采集监测装置,包括贴式无线心电图采集器、无线数传充电底座、专用心电电极贴。所述贴式无线心电图采集器包括上壳、下壳、第一供电电池、第二供电电池、采集器电源管理模块、AD采样模块、采集器控制模块、大容量采集器存储模块、蓝牙模块;所述无线数传充电底座包括大容量锂充电电池、充电底座电源管理模块、充电底座控制模块、充电底座存储模块、无线数传模块;所述专用心电电极贴由上层吸塑保护层、下层吸塑保护层、上层双面胶无纺布、下层双面胶无纺布、导电丝网,导电凝胶构成。本发明克服了心电监测装置体积大、易受干扰、不适合动态数据采集等缺点,从而实现高分辨率、高动态范围、多通道、同步采样获取动态心电数据。

标签:
加工技术
北京 - 北京 来源:中冶有色网 2023-03-19
用于管道补口检测系统的检测设备

本发明公开了一种用于管道补口检测系统的检测设备,属于检测领域。该检测设备包括探头装置、导轨、至少一个滑动部、转动部和驱动装置,探头装置与至少一个滑动部中所有的滑动部连接,所有的滑动部和转动部分别设置在导轨的相对两侧,且所有的滑动部均与导轨滑动连接,驱动装置与转动部连接。本发明提供的用于管道补口检测系统的检测设备能够探头固定架既可安装单个检测探头,也可以安装原有的探头矩阵,使得拆装方便,能够适用不同的检测要求,扩大了检测机的使用范围,提高了检测效率,降低了原理机的制作成本,具有良好的准确性、实用性和经济性,而且不再采用小型汽油发电机供电,而采用高性能锂电池供电,能源清洁,方便携带。

标签:
加工技术
北京 - 北京 来源:中冶有色网 2023-03-19
采用低电压大扭矩同轴电机动力系统的高可靠性电动车

本发明属于电动车技术领域,本发明的高可靠性电动车采用低电压大扭矩同轴电机动力系统,该动力系统主要包括主控制器、通过一根动力输出主轴单独或并行出力的2-6套同轴电机动力单元;每套电机动力单元包括:共用一根动力主轴的永磁无刷直流单体电机、相应的单体电机驱动器、相应的锂离子电池组为;其中单体电机的额定功率介于5-25KW、额定电压介于60-150V?DC、额定转速介于500-1500RPM;本发明的动力系统和采用该系统的电动车具有可靠、安全的优点。

标签:
加工技术
北京 - 北京 来源:中冶有色网 2023-03-19
三维网络结构材料、制备方法及其用途

本发明涉及一种三维网络结构材料、制备方法及其用途,本发明的方法包括:1)将金属离子源物质和碳源物质混合,得前驱体;2)对前驱体进行烧结,烧结过程中碳源物质被氧化去除,得到由尺寸均一、形状规则、纯度高且结晶性好的金属化合物颗粒组装而成的三维网络结构材料。本发明进一步选用制备正极活性材料的原料作为金属离子源物质,通过与碳源物质直接混合烧结的简单方法,得到放电容量高、倍率和循环性能好的正极材料,采用三维网络结构钴掺杂锰酸锂材料作为正极材料制成的电池在1C倍率下的初次放电容量达115mAh/g;在10C倍率下的初次放电容量达108mAh/g;以10C倍率进行充放电循环1000周的容量保持率为90%。

标签:
加工技术
北京 - 北京 来源:中冶有色网 2023-03-19
便携式智能显示终端
便携式智能显示终端 917     
 0

本发明涉及一种便携式智能显示终端,主要应用于智能仪器系统中的控制终端、数显量具外接显示终端,该系统的主要原理结构包括:微控制器控制电路模块、液晶触摸电路模块、液晶驱动电路模块、字库存储电路模块、彩色液晶显示屏模块、数据采集电路模块、通信接口电路模块、锂电池电路模块,所述的微控制器电路模块是使用的32位Cortex-M3内核的ARM微处理器,通过其内部产生的PWM波形调节彩色液晶显示屏的亮度,这款便携式智能显示终端界面使用目前流行的GUI函数库移植,这将给用户应用更易编程化、更加美观化,可完成大部分应用界面需求,给使用人员调试设备和系统维护带来极大的便利。

标签:
加工技术
北京 - 北京 来源:中冶有色网 2023-03-19
由二氧化硅制备纳米硅的新方法

本发明公开了一种由二氧化硅制备纳米硅的新方法,该方法基于镁热还原SiO2是放热的自发反应的原理,通过在室温下低转速球磨引发反应,并利用反应放热,维持反应自发进行,10min即可基本完成。原料简单易得,操作步骤非常简单,具有简单快捷,产率高,成本低、反应产物纯度高、易于放大等优势,制备出的纳米硅颗粒尺寸小,分布均匀,具有多孔结构,可利用在锂离子电池负极材料,传感器,光学器件等各个方面,极具工业化应用前景。

标签:
加工技术
北京 - 北京 来源:中冶有色网 2023-03-19
便携式饮用水净化装置及其使用方法

本发明涉及一种便携式饮用水净化装置及其使用方法,属于饮用水处理领域。所述处理装置将自来水倒入装置,自流进入过滤单元,有机物和余氯等被吸附,重金属和部分盐类通过离子交换树脂吸附,然后进入电吸附单元,重金属和高氯酸跟、硝酸根等盐类进一步净化,从而得到净化水;由于滤芯过滤速度较快,重金属和盐类主要通过电吸附脱除,使得滤芯的使用周期远远高于传统滤水壶,同时使用锂电池驱动电吸附脱盐,可以脱附反复使用,使得成本较低;本发明提供了一种便携式的饮用水净化装置与方法,与现有反渗透等净水器相比,设备投资极低,便于携带,成本极低,与现有过滤水壶相比,处理成本更低,滤芯使用寿命长得多,处理水质好得多。

标签:
加工技术
北京 - 北京 来源:中冶有色网 2023-03-19
超级活性炭的制备方法

本发明涉及一种超级活性炭的制备方法,采用高能球磨将高比表面活性炭和石墨材料混合制备高导电超级活性炭。采用球磨中剥落的石墨片层对活性炭进行包覆,提高活性炭导电性,使其能够满足锂离子电池、铅酸电池和超级电容器对高导电性活性炭的需求。该材料用于叠层式或卷绕式铅炭电池,使铅炭电池具有优良的脉冲响应性能,能提高铅蓄电池的功率密度和循环使用寿命;也可应用于电动车、电动工具、脉冲发射等领域的铅蓄电池。

标签:
加工技术
北京 - 北京 来源:中冶有色网 2023-03-19
上一页 29 30 31 32 33 ... 341 下一页
共341页    到第

中冶有色为您提供最新的北京北京有色金属加工技术理论与应用信息,涵盖发明专利、权利要求、说明书、技术领域、背景技术、实用新型内容及具体实施方式等有色技术内容。打造最具专业性的有色金属技术理论与应用平台!

全国热门有色金属设备推荐
展开更多 +
全国热门有色金属技术推荐
展开更多 +

 

江西省隆恩特环保设备有限公司
宣传

报名参会
更多+

报告下载

有色专家
更多+

中南大学
中国工程院 院士
矿冶科技集团
副所长/研究员
清华大学
研究员
矿冶科技集团有限公司
正高级工程师/副所长
兰州理工大学
教授
赤泥综合利用研究报告2025
推广

热门技术
更多+

推荐企业
更多+

福建省金龙稀土股份有限公司
宣传

发布

在线客服

公众号

电话

顶部
咨询电话:
010-88793500-807