青岛垚鑫智能科技有限公司
宣传

位置:中冶有色 >

有色技术频道 >

> 加工技术

分类:
全部
矿山技术
冶金技术
材料制备及加工技术
环境保护技术
分析检测技术
 
全部
功能材料技术
复合材料技术
新能源材料技术
合金材料技术
加工技术
地区:
全部
北京
天津
上海
重庆
河北
山西
辽宁
吉林
黑龙江
江苏
浙江
安徽
福建
江西
山东
河南
湖北
湖南
广东
海南
四川
贵州
云南
陕西
甘肃
青海
内蒙
广西
西藏
宁夏
新疆
其他
其他
展开
 
全部
北京

北京北京有色金属加工技术理论与应用

免费发布技术信息>>
一株枯草芽孢杆菌的应用

本发明公开了一株枯草芽孢杆菌,所述枯草芽孢杆菌(Bacillus?subtilis)Li-2013-02于2013年7月15日保藏于中国微生物菌种保藏管理委员会普通微生物中心(CGMCC),保藏号为CGMCC?No.7926。该菌株产耐高温α-淀粉酶的枯草芽孢杆菌Li-2010经紫外线-氯化锂-硫酸二乙酯复合诱变筛选获得,该菌株具有强耐酸、耐热性,产酶活力高的特点,应用前景非常广阔。

标签:
加工技术
北京 - 北京 来源:中冶有色网 2023-03-19
在铜片集流体上两步法合成纳米Ni2O3/Co3O4负极材料的方法

本发明公开了一种在铜片集流体上两步法合成纳米Ni2O3/Co3O4负极材料的方法,该发明采用纳米线阵列直接生长在当前集流体基质上大大简化工艺处理,电极没有应用粘结剂和导电添加剂。先在酸处理后的铜基体上电镀一层纳米级颗粒的镍作为种子,随后通过水热反应生成纳米阵列,经高温煅烧制备出最终产物。通过选择适当的电镀镍时间,提高基底与材料之间的结合度使其不易脱落,从而提高锂离子电池的循环稳定性。同时与无镀镍的单纯Co3O4阵列相比,Ni2O3/Co3O4阵列提高了单位面积的容量值。在电化学性能性能测试时,制备的负极材料显示良好的高的充放电能力和循环寿命。

标签:
加工技术
北京 - 北京 来源:中冶有色网 2023-03-19
聚偏氟乙烯微孔薄膜的制备方法

本发明涉及了一种聚偏氟乙烯微孔薄膜的制备工艺,该方法采用非水溶性的酯类致孔添加剂,改变了传统的浸没沉淀相分离法的制膜工艺。本发明的特点在于:溶剂选用N,N-二甲基甲酰胺,致孔添加剂选用邻苯二甲酸二甲酯,邻苯二甲酸二丁酯,邻苯二甲酸二辛脂,优选邻苯二甲酸二丁酯,与水溶性的无机盐小分子氯化锂、氯化铵、硝酸钠(NaNO3),以及低分子水溶性聚乙二醇、聚乙烯吡咯烷酮及甘油等相比较,非水溶性酯类致孔剂所制取的膜,微孔结构非常规整,微孔分布均匀,微孔孔径分布窄,且微孔结构可控。而且本发明生产过程中低能耗、零排放,操作简单,能实现大规模连续化生产,工艺可控性高,制品质量稳定。

标签:
加工技术
北京 - 北京 来源:中冶有色网 2023-03-19
有机碲化合物链转移剂的合成方法及其在活性自由基聚合的应用

一种有机碲化合物链转移剂的合成方法,其特征在于:将金属碲悬浊于溶剂中得到悬浊液,N2或Ar气氛保护;向上述的悬浊液中滴加有机锂化合物RLi,充分搅拌,反应时间为20min-2h,温度为-20℃-30℃;待反应物中的Te单质完全反应,固体悬浮物消失后,向上述体系中滴加化合物α-卤代酸酯。充分搅拌,反应时间为20min-2h,反应温度为-20℃-30℃。在盛有有机碲化合物链转移剂的反应瓶中,加入已脱氧的去离子水;然后再加入热分解型自由基引发剂或光引发剂、单体,使其均匀混合,经过液氮冷冻脱气除氧,通过加热或光照引发聚合反应。本发明可以实现对聚合产物结构的精确调控,如聚合物的相对分子质量,共聚结构组成及序列结构。

标签:
加工技术
北京 - 北京 来源:中冶有色网 2023-03-19
铌酸钛复合材料、其制备方法及含该复合材料的负极和电池

本发明涉及一种铌酸钛复合材料、其制备方法及含该复合材料的负极和电池。所述铌酸钛复合材料具有以下通式:BxCyNz-LaTibMcNbdOe,其中,BxCyNz为含有硼碳或碳氮或硼碳氮的化合物;L为Li或Na,优选为Li;M选自Al、B、V、Cr、Mn、Fe、Co、Ni、Ce、Y、Zr、Mo、La、Ta、N和P中的一种;x、y、z、a、b、c、d和e表示摩尔百分比,0≤x<1,0<y<1,0≤z<1,0≤a≤0.2,0.8<b≤1.1,0≤c<0.2,1.95<d≤2.1,6.8≤e≤7,且x和z不同时为零。本发明的复合材料作为锂离子电池的负极材料有较高的库仑效率和离子、电子电导,大倍率下充放电有较好的循环性能,安全性高,无污染,价格便宜。

标签:
加工技术
北京 - 北京 来源:中冶有色网 2023-03-19
三氧化二铁包覆二氧化锡纳米多晶微球的制备方法

本发明涉及一种锂离子电池负极材料三氧化二铁包覆二氧化锡纳米多晶微球的制备方法,属于无机化合物新能源材料制备技术领域。该方法采用水热法以蔗糖,尿素,四氯化锡和三氯化铁为原料制备三氧化二铁包覆二氧化锡纳米多晶微球。具体方法是将四氯化锡溶解在水中,并加入蔗糖,室温搅拌0.5小时,将所得溶液放入45ml水热釜中,加热至180℃进行24h水热反应,反应束后离心分离,用大量去离子水洗涤,得黑色粉末。然后将三氯化铁和尿素溶解在乙醇和水的混合溶液中,将先前所得黑色粉末加入混合溶液,搅拌超声后,将液体最放入45ml水热釜中,加热至60℃进行48h水热反应。反应束后离心分离,用大量去离子水洗涤,在空气中500℃烧结4小时,得到红色的三氧化二铁包覆二氧化锡纳米多晶微球。本发明具有操作简单、原料价格低廉、绿色环保、产率高等优点。

标签:
加工技术
北京 - 北京 来源:中冶有色网 2023-03-19
长寿命固态电池高镍复合正极的制备方法

本发明涉及的长寿命固态电池高镍复合正极的制备方法,属于固态电池技术领域,是将一定粒径的高镍三元单晶和多晶材料的颗粒按比例混合,在制浆过程加入含氟添加剂和导电聚合物,在颗粒表面原位形成双导电包覆层,构建了连续且稳定的载流子迁移通道,促进锂离子和电子的高效传输。同时有效的颗粒堆积,以及颗粒表面包覆层的存在,可提高活性物质占比,并显著缓解循环过程的体积应力,减小电化学‑机械效应诱导的颗粒破碎,降低颗粒间的接触阻抗和界面电阻。本发明制备方法工艺简单,无需增加新的工序,易工程化应用,显著提高了固态电池高镍复合正极的能量密度和循环寿命。

标签:
加工技术
北京 - 北京 来源:中冶有色网 2023-03-19
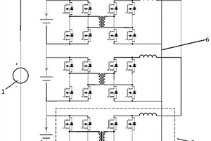
串联构架的电池化成装置及其应用方法

本发明提供了一种串联构架的电池化成装置及其应用方法。该装置包括:模块化部分功率变换器、电池单体、电池化成管理系统和恒压源,模块化部分功率变换器、所述电池单体和所述电池化成管理系统互相之间电路连接,恒压源通过模块化部分功率变换器实现电池单体的充放电控制,电池管理系统监测电池单体的电压,根据单体电池的状态为模块化部分功率变换器下发充电、放电和停止命令。模块化部分功率变换器包括多个串并联混合连接的隔离型DC‑DC变换器子模块。电池单体包括多个串联连接的锂离子电池单体。本发明基于电池串联构架将电池化成装置的设计容量缩减至约为传统化成装置的1/3,降低了设计成本及运行损耗,提升了电池化成装置的电压等级和化成效率。

标签:
加工技术
北京 - 北京 来源:中冶有色网 2023-03-19
纳米硅碳复合材料及其制备方法

本公开提供了一种纳米硅碳复合材料的制备方法,该方法包括:S1、将合金硅用酸溶液刻蚀后洗涤干燥,得到合金刻蚀硅;将所述合金刻蚀硅与LiOH·H2O混合并进行第一球磨,得到纳米硅材料;S2、将所述纳米硅材料与第一碳源混合并进行第二球磨,得到纳米硅碳材料;S3、将所述纳米硅碳材料与第二碳源混合后进行煅烧热解;所述第一碳源为石墨;所述第二碳源选自沥青、石油焦和针状焦中的至少一种。本公开的纳米硅碳复合材料用作锂离子电池负极材料时,可有效解决现有纳米硅碳复合材料首次库伦效率低、循环稳定性差、成本高、制备工艺不适合工业化生产等问题。

标签:
加工技术
北京 - 北京 来源:中冶有色网 2023-03-19
原位聚合聚合物固态电解质、电池和制备方法

本发明涉及一种原位聚合聚合物固态电解质、电池和制备方法,该原位聚合聚合物固态电解质由高分子量化合物A和低分子量化合物B、电解液添加剂、锂盐和无机纳米粒子制备而成;制备时通过采用电化学聚合方式能够提高聚合物固态电解质在电池中聚合的均匀性,使原位聚合聚合物固态电解质具有高离子电导率和0‑5V范围的电化学窗口,能够大大提升电池性能,还能够降低电池在充放电过程中由于热量分布不均匀带来的局部老化严重或电池热失控的概率,提高电池安全性能和电池制备一致性;而且不需要添加额外的引发剂节约成本,也能增加了电池能量密度。

标签:
加工技术
北京 - 北京 来源:中冶有色网 2023-03-19
聚合物涂层改性的锌负极及其制备方法与应用

本发明涉及新能源材料技术领域,具体公开了一种聚合物涂层改性的锌负极及其制备方法与应用,包括金属锌片和涂覆在金属锌片表面的改性聚合物涂层组成,改性聚合物涂层为含有锌盐或者锂盐的聚偏氟乙烯(PVDF)与六氟丙烯(HFP)共聚物,具有离子导电特性;将具有离子导电特性的聚合物膜涂敷在金属锌片上后,不仅能够降低锌负极电镀/剥离过程中的电化学极化行为,同时还具有物理屏蔽作用,能够限制电解液中电解质成分与锌电极的接触,缓解了腐蚀和析氢等副反应,从而极大地提高了水系锌离子电池的循环性能,在大电流和高面积比容量下实现长循环寿命。

标签:
加工技术
北京 - 北京 来源:中冶有色网 2023-03-19
基于拉线位移计的一体化遥测微功耗表面位移监测仪

本发明公开了一种基于拉线位移计的一体化遥测微功耗表面位移监测仪,包括壳体,它还包括霍尔传感器,壳体包括主外壳、安装支架,主外壳的左端、右端对称设置有外壳挡板,主外壳的顶部设置有可调角度的微型太阳能面板、底部设置有安装支架,主外壳的内部设置有拉线测量部件、锂电池、电路控制模块、电路主板;电路控制模块包括电路板,电路板的中心设置有磁编码器,电路板上设置有MCU,磁编码器的四周分别设置有霍尔传感器,磁编码器的一侧设置有光电编码器,光电编码器与光电码盘固定相接。本发明具有生产加工简单,加工成本低,使用功耗低等特点。可以通过低功耗模式,减少外部供电设施的投入,大大降低了成本,节能降耗。

标签:
加工技术
北京 - 北京 来源:中冶有色网 2023-03-19
不饱和碳环类三氟化硼盐电解质及其制备和应用

本发明涉及一种不饱和碳环类三氟化硼盐电解质及其制备和应用,所述电解质包括以下通式I所表示的三氟化硼盐;R’代表均由碳构成的碳环,且其为含有至少一个双键的不饱和碳环;M为金属阳离子;E1、E2独立地为无、基团、链式结构或含有环的结构;R为取代基,代表环上任意一个H都可以被取代基取代,且取代基可取代一个H也可以取代两个或多个H,若两个或多个H被取代,则取代基可相同也可不同。该硼有机化合物具有多重作用,其可作为电解质锂/钠盐、添加剂和聚合单体,效果佳。

标签:
加工技术
北京 - 北京 来源:中冶有色网 2023-03-19
嵌入式健康检测及智能家居控制的物联网终端

本发明涉及一种嵌入式健康检测及智能家居控制的物联网终端,包括基座和本体,本体包括语音模块、血液指标检测模块,人体阻抗检测模块,红外感应模块,显示模块,识别模块,无线模块,温/湿度传感器,可充电锂电池和充电电路,以及主控制器,主控制器内安装有控制软件。通过该物联网终端,不仅能实现所控制的室内家居物件的工作,还能根据用户的实际需要自行进行血液指标的检测,且每次检测无需使用现有的矫正参数密码卡,使居家生活更加健康、智慧和便捷,富有创造性地集约化的设计结构能够实现一机多用,为用户节约更多时间和室内空间。

标签:
加工技术
北京 - 北京 来源:中冶有色网 2023-03-19
燃料电池无人机
燃料电池无人机 843     
 0

本发明公开了一种燃料电池无人机,包括:机体、供电电堆和储能装置,机体包括机身、与机身可拆卸连接的若干机臂、与机臂连接的动力模块、以及与机身可拆卸连接的脚架,机身为壳体结构;供电电堆与机身连接,供电电堆与动力模块电连接;储能装置与机身连接,储能装置与供电电堆连通。机身为轻量化的壳体结构,减小了该种燃料电池无人机本身的重量,增加了载荷能力,供电电堆为高比功率的燃料电池,提高了续航时间,环境适应性增强;机身与机臂、机身与脚架为可拆卸链接,方便拆卸运输;本发明解决了应用传统锂电池供电的多旋翼无人机续航时间短、载荷能力小、环境适应性差的问题,同时结构简单,作用效果显著,适于广泛推广。

标签:
加工技术
北京 - 北京 来源:中冶有色网 2023-03-19
碳基负载铁酸锌复合材料的制备方法及其应用

本发明涉及一种碳基负载铁酸锌复合材料的制备方法及其应用。所述方法包括以下步骤:S1,通过水热法制备碳基氧化锌复合材料;S2,将所述碳基氧化锌复合材料分散于有机溶剂中,然后加入三氯化铁溶液进行反应,反应结束后进行固液分离,对获得的固体进行清洗。本发明利用纤维素和有机锌源可以实现有效制备碳基氧化锌复合材料,以碳基氧化锌复合材料为模板,在氧化锌表面原位生长,可以有效控制铁酸锌的生成,提高碳基负载铁酸锌复合材料中活性组分的负载量,进而使得所述碳基负载铁酸锌复合材料较好地应用于光催化、太阳能电池、锂离子电池等领域。

标签:
加工技术
北京 - 北京 来源:中冶有色网 2023-03-19
苯乙烯-间戊二烯-苯乙烯嵌段共聚物及其合成方法和应用

本发明涉及热塑性弹性体领域,公开了苯乙烯‑间戊二烯‑苯乙烯嵌段共聚物及其合成方法和应用,所述苯乙烯‑间戊二烯‑苯乙烯嵌段共聚物(SPS)中1,2‑结构的含量为20‑50重量%。相比于SBS和SIS,所述SPS具有高反1,4‑结构、高支化度、高硬度、高弹性低塑性和高偶联效率等优点。本发明采用由有机锂、四氢呋喃基化合物组成的引发体系,不仅能调节SPS支化1,2‑结构,同时能提高聚合反应速率,而且无需对聚合过程进行控温也能保证后续偶联反应的正常进行。四氢呋喃基化合物的使用能极大缩减SPS单釜聚合时间,有助于降低能耗、物耗,同时聚合过程微观结构调控稳定性极佳,具有极大的工业应用前景。

标签:
加工技术
北京 - 北京 来源:中冶有色网 2023-03-19
二氧化钛多孔纳米线及其制备方法

本发明提供了一种二氧化钛多孔纳米线及其制备方法。该方法包括以下步骤:将钛源分散于含有氢氧化锂的双氧水水溶液中,搅拌形成透明溶液A;将透明溶液A进行加热反应获得纳米线状结构前驱物B;将纳米线状结构前驱物B分离后,经低温退火处理获得纳米线状结构前驱物C;将纳米线状结构前驱物C分散于酸溶液中进行氢离子交换,得到纳米线状结构前驱物D;将纳米线状结构前驱物D经高温退火处理获得多孔纳米线状结构二氧化钛产物E,即二氧化钛多孔纳米线。本发明还提供了上述方法制备的二氧化钛多孔纳米线。该二氧化钛纳米线具有多孔结构,可大大增加纳米线结构的比表面积,提升材料在电池电极、催化、光催化、传感、太阳能电池、亲疏水、生物等领域的应用效果。

标签:
加工技术
北京 - 北京 来源:中冶有色网 2023-03-19
基于蓝牙的公共自行车系统

本发明实施例提供了一种基于蓝牙的公共自行车系统,涉及智能型公共设备的技术领域。该系统包含:自行车站点,设置在自行车站点上的蓝牙探测器,蓝牙探测器检测的区域虚拟围栏,位于虚拟围栏内的公共自行车,牢固粘贴在公共自行车上的二维码以及低功耗蓝牙锁,该蓝牙锁使用锂电池进行供电,该蓝牙锁内具有监测电池电量的传感器和监测该蓝牙锁是否锁定的传感器,上述二维码包含的信息为对应的自行车的设备名称。该系统使用蓝牙锁来代替传统墩位式锁止器,实现了在建设时减少破坏的路面,对环境适应性高,降低成本。

标签:
加工技术
北京 - 北京 来源:中冶有色网 2023-03-19
地铁、城铁、有轨电车智能逃生窗系统

本发明属于智能安全技术领域,公开了一种地铁、城铁、有轨电车智能逃生窗系统,包括:至少一个智能逃生窗控制终端、至少一个路由器、服务器、至少一个移动终端;移动终端与服务器通过互联网连接,用于接收服务器传输的信息判定出所要采取适宜的控制智能逃生窗动作,并将控制逃生窗动作的指令发送给服务器。本发明实现了对地铁、城铁、有轨电车逃生窗的远程控制或自动控制或紧急控制或手动总开关控制;每个逃生窗配有锂电池组备用电源。本发明设计科学、可靠性高,彻底改变了现有简单敲击锤式逃生窗的致命缺陷,大大提高了危机时乘客的生存机会;本发明具有突破性可靠性的多重控制功能,适合大规模使用。

标签:
加工技术
北京 - 北京 来源:中冶有色网 2023-03-19
用于欠平衡钻井中的黄原胶复合凝胶以及制备方法和应用

本发明公开了一种用于欠平衡钻井中的黄原胶复合凝胶以及制备方法和应用,属于油田化学领域。本发明采用黄原胶为聚合物,乙酸铬为交联剂,淀粉、纳米二氧化硅、蒙脱土和锂藻土作为增韧材料,制备黄原胶复合凝胶;该黄原胶复合凝胶具有很好的粘弹性能、粘附力和耐压性能,能够满足欠平衡钻井现场中冻胶阀的要求,具有很好的应用前景。

标签:
加工技术
北京 - 北京 来源:中冶有色网 2023-03-19
高性能硅碳复合纳米空心球负极材料的制备方法

本发明公开了一种高性能硅碳复合纳米空心球负极材料的制备方法。以酚类、醛类及正硅酸酯类有机物为原料,在碱性催化剂与表面活性剂的作用下,通过微波法制备得到酚醛树脂与二氧化硅复合物,之后通过高温碳化与热还原处理便得到硅碳复合纳米空心球。本发明制备方法工艺简单、操作方便、原料易得、成本低廉,利于工业化生产,且制备的材料尺寸和形貌均一,具有丰富的介孔结构,可以同时实现缩短离子传输距离、提高材料的离子扩散速率、改善材料的导电性等,使得材料具有稳定的循环与倍率性能,在锂离子电池负极方面具有潜在的应用前景。

标签:
加工技术
北京 - 北京 来源:中冶有色网 2023-03-19
具备光杆修复能力的抽油机井口密封填料

本发明涉及一种具备光杆修复能力的抽油机井口密封填料。主要解决了现有光杆因表面不平整对填料造成的过度磨损严重影响盘根填料密封效果的问题。该具备光杆修复能力的抽油机井口密封填料,其组分及配比按质量百分比计如下:橡胶颗粒25‑50%;环氧树脂15‑20%;粗蜡5‑20%;SAP树脂5‑10%;氯乙烯共聚树脂5‑15%;增塑剂15‑25%;除湿剂3‑5%;发泡剂1‑2%;固化剂0.2‑1.0%;滑石粉5‑15%;二硫化钼锂基润滑脂5‑10%;基础油3‑5%。该具备光杆修复能力的抽油机井口密封填料,能使光杆表面缺陷的沟槽被基本填平并硬化,达到了热修补效果,减少了光杆因表面不平整对填料造成的过度磨损,延长盘根填料的使用寿命。

标签:
加工技术
北京 - 北京 来源:中冶有色网 2023-03-19
8~10℃复合相变储能蓄冷材料及其制备方法

本发明公布了一种8~10℃复合相变储能蓄冷材料及其制备方法,包含质量分数为50~60份的十水硫酸钠作为主体材料;8~15份的氯化钾,3~5份的硫酸铵,2~5份的硼酸,1~3份的硼砂作为成核剂;2~4份凹凸棒粘土,2~4硅酸镁锂,作为增稠剂;1~5份的亲水性气凝胶作为悬浮剂,和10~25份的去离子水。相变焓值达到200~220kJ/kg,过冷度小,储能密度大,无相分离,稳定性高,冷链、蓄冷空调系统及过程工业中有广泛应用市场。

标签:
加工技术
北京 - 北京 来源:中冶有色网 2023-03-19
杂交缓冲液、寡核苷酸aCGH芯片的试剂盒以及检测染色体拷贝数量变异方法

本发明属于分子生物学领域,本发明提供了一种杂交缓冲液、寡核苷酸比较基因组杂交芯片的试剂盒以及检测染色体拷贝数量变异的方法。本发明所述杂交缓冲液由缓冲液Mix、甲酰胺、十二烷基硫酸锂和Cot‑1DNA组成,可明显改善杂交漏液、杂交信号弱、杂交不均匀、特异性差的问题,提高已知变异CNV的检出的准确性。

标签:
加工技术
北京 - 北京 来源:中冶有色网 2023-03-19
用于吸附去除吡嗪酰胺的改性棉花杆吸附剂

本发明公开了用于吸附去除吡嗪酰胺的改性棉花杆吸附剂。选择粒径为4~6mm的棉花杆用去离子水、无水乙醇、NaOH溶液洗涤并干燥后得到物质Q;物质Q经通过硫酸脲、硝酸胍、硝酸铑、六硝酸钴钠、三氯化铱制备的混合液改性后制备成物质R;物质R经通过硝酸铈铵、三氧化硫吡啶、四甲基氢醌、三氧化硫吡啶、四甲基氢醌、1,5‑萘二磺酸、2‑氨基‑3‑溴苯甲酸和N‑乙基乙酰胺制备的混合液改性后制备成物质S;物质S经通过硝酸铜、硝酸镉、氯化锂、氯化镁和氯化亚锡制备的混合液改性后得到的物质即为用于吸附去除吡嗪酰胺的改性棉花杆吸附剂。

标签:
加工技术
北京 - 北京 来源:中冶有色网 2023-03-19
石墨烯复合材料、其制备方法及应用

本发明实施例公开了一种石墨烯复合材料、其制备方法及应用,其中,该石墨烯复合材料由石墨烯及分布于石墨烯表面的二氧化钛颗粒组成。由于石墨烯表面二氧化钛颗粒的阻隔,可以防止石墨烯的团聚;应用本发明的石墨烯复合材料组装成锂离子电池后,在充放电过程中,可以减少石墨烯表面在电化学反应的过程中SEI膜的生成,缩短离子传输的距离,提高电子迁移率,从而提升其电化学性能。

标签:
加工技术
北京 - 北京 来源:中冶有色网 2023-03-19
石墨烯导电浆料
石墨烯导电浆料 933     
 0

本发明提出一种石墨烯导电浆料,由石墨烯和溶剂组成,所述石墨烯厚度有1‑10层,石墨烯中含有少量碱金属或碱金属化合物,碱金属的质量占所述含碱金属的石墨烯质量的0.01‑10%;所述碱金属为锂、钠、钾中的一种或者多种。本发明还提出所述石墨烯导电浆料的应用。本发明采用碱金属插层法制备的石墨烯为原料;导电浆料组份简单,不需要其他添加剂,导电浆料制备方法简单,环境友好,所得导电浆料制备方法适用于大规模制备。

标签:
加工技术
北京 - 北京 来源:中冶有色网 2023-03-19
10千伏电线杆定位系统
10千伏电线杆定位系统 1195     
 0

本发明公开了一种10千伏电线杆定位系统,包括多个电线杆定位终端、卫星通讯系统、手持接收终端和电力运营监测监控平台,所述的多个电线杆定位终端分别通过卫星通讯系统与电力运营监测监控平台进行通讯,电力运营监测监控平台与手持接收终端无线通讯。本发明在现有电线杆上均设置一个定位模块终端,然后通过防盗卡带式设计,使其更加牢靠防盗性好,在定位终端白天采用太阳能薄膜电池供电,同时对内部锂电池进行充电以便夜间使用,通过SIM卡无线公网将线路电杆的GPS位置信号传输至卫星,再通过内部系统传送到线路检修人员的手机终端。这样线路检修人员能够准确的定位将要检修的电线杆防止因误登带电线杆造成的人身伤害。

标签:
加工技术
北京 - 北京 来源:中冶有色网 2023-03-19
陶瓷摩擦材料及其制备方法

本发明提供了一种陶瓷摩擦材料,涉及制动盘领域,本发明提供的陶瓷摩擦材料包括,纤维预制体骨架与包覆在所述纤维预制体骨架上的陶瓷材料,以及成核剂;所述陶瓷材料包括氧化铝、氧化锂、二氧化硅、三氧化钼、硅酸锆。本发明陶瓷摩擦材料采用成核剂,通过调节陶瓷材料中晶体种类和大小,有效提高了陶瓷材料的强度、硬度和断裂韧性,同时增加陶瓷材料与纤维之间的界面结合强度。

标签:
加工技术
北京 - 北京 来源:中冶有色网 2023-03-19
上一页 30 31 32 33 34 ... 341 下一页
共341页    到第

中冶有色为您提供最新的北京北京有色金属加工技术理论与应用信息,涵盖发明专利、权利要求、说明书、技术领域、背景技术、实用新型内容及具体实施方式等有色技术内容。打造最具专业性的有色金属技术理论与应用平台!

全国热门有色金属设备推荐
展开更多 +
全国热门有色金属技术推荐
展开更多 +

 

江西省隆恩特环保设备有限公司
宣传

报名参会
更多+

报告下载

有色专家
更多+

中南大学
中国工程院院士
矿冶科技集团有限公司
党委书记 / 董事长
中国矿业大学(北京)
院长/教授
中国瑞林工程技术有限公司
中国工程院院士
有研资源环境技术研究院(北京)有限公司
副总经理/教授级高工
赤泥综合利用研究报告2025
推广

热门技术
更多+

推荐企业
更多+

福建省金龙稀土股份有限公司
宣传

发布

在线客服

公众号

电话

顶部
咨询电话:
010-88793500-807