青岛垚鑫智能科技有限公司
宣传

位置:中冶有色 >

有色技术频道 >

> 新能源材料技术

分类:
全部
矿山技术
冶金技术
材料制备及加工技术
环境保护技术
分析检测技术
 
全部
功能材料技术
复合材料技术
新能源材料技术
合金材料技术
加工技术
地区:
全部
北京
天津
上海
重庆
河北
山西
辽宁
吉林
黑龙江
江苏
浙江
安徽
福建
江西
山东
河南
湖北
湖南
广东
海南
四川
贵州
云南
陕西
甘肃
青海
内蒙
广西
西藏
宁夏
新疆
其他
其他
展开
 
全部
成都
自贡
攀枝花
泸州
德阳
绵阳
广元
遂宁
内江
乐山
南充
眉山
宜宾
广安
达州
雅安
巴中
资阳
阿坝藏族羌族自治州
甘孜藏族自治州
凉山彝族自治州

四川成都有色金属新能源材料技术理论与应用

免费发布技术信息>>
定位准确的新能源汽车用储氢燃料电池性能测试装置

本发明公开了定位准确的新能源汽车用储氢燃料电池性能测试装置,属于储氢燃料电池检测技术领域。定位准确的新能源汽车用储氢燃料电池性能测试装置,包括测试箱,所述测试箱上方设置有安装顶板,所述安装顶板下侧拐角处通过连接板与测试箱上侧固定连接;所述安装顶板中央固定连接有悬置板,所述测试箱内部开设有容置槽;所述容置槽侧壁开设有限位槽,所述限位槽上滑动连接有承托组件A,所述承托组件A上设置有承托组件B;所述容置槽上方设置有紧固组件,所述紧固组件设置于承托组件B上方;本发明解决了现有技术中氢燃料电池的性能测试装置无法准确的定位和夹紧被测的氢燃料电池从而影响测试结果的准确度的问题。

标签:
新能源
四川 - 成都 来源:中冶有色网 2023-03-18
新能源汽车驱动器功率板

本发明公开了一种新能源汽车驱动器功率板,包括电源电路模块、驱动电路模块和逆变电路模块,其中,所述电源电路模块分别为所述驱动电路模块、逆变电路模块提供5V、15V以及母线电压;所述驱动电路模块用于接收外部电路的脉冲宽度调制信号,并为所述逆变电路模块提供控制电压;所述逆变电路模块用于检测所述驱动电路模块以及母线电压的工作状况,并发送给外部电路通过上述方式,本发明能够提高新能源电动汽车驱动器的续航里程,减小驱动器的负荷以及安装空间,提高了驱动器功率和温度耐受,并且兼容跟高的开关频率,控制更加灵活和方便。

标签:
新能源
四川 - 成都 来源:中冶有色网 2023-03-18
用于新能源汽车的耐磨钕铁硼永磁材料及制备方法

本发明属于永磁材料制备的技术领域,具体涉及一种用于新能源汽车的耐磨钕铁硼永磁材料及制备方法。本发明通过在钕铁硼磁性材料的外表面涂覆复合涂层,复合涂层为聚氨酯树脂、有机硅改性环氧树脂、改性高岭土粉体混合的复合材料构成。该复合涂层不仅能具有很高的耐腐蚀性、耐热性能,而且再其上通过超音速等离子喷涂技术制备得到耐磨涂层,得到的涂层致密,涂层表面均匀,涂层与工件的结合强度良好,具有足够的硬度,可满足新能源汽车中使用环境下中耐磨性要求。

标签:
新能源
四川 - 成都 来源:中冶有色网 2023-03-18
新能源式多功能园林指示牌

本实用新型提供一种新能源式多功能园林指示牌,包括厚木板、防触碰玻璃板、太阳能电池板、蓄电池、音响箱、灯泡以及光敏电阻,防触碰玻璃板安装在指示牌安放槽内,太阳能电池板安装在箱体上端,且太阳能电池板安装在厚木板上端,蓄电池安装在箱体内,该设计实现了利用新能源太阳能给装置整体供电的功能,音响箱安装在箱体右端,灯泡安装在照明装置外壳内,光敏电阻安装在小木板上端,且光敏电阻安装在有机玻璃罩内,该设计实现了利用光控照明装置的功能,本实用新型结构新颖,节约能源,使用方便,工作效率好。

标签:
新能源
四川 - 成都 来源:中冶有色网 2023-03-18
新能源用锂电池保护囊
新能源用锂电池保护囊 1157     
 0

本实用新型公开了一种新能源用锂电池保护囊,包括箱体,所述箱体的顶部设有箱盖,所述箱盖的底部安装有固定柱,固定柱的底部安装有第四导电板,所述卡槽的内腔外侧安装有固定板,箱体的左右两侧均设有第一挡板,所述第一挡板的内部安装有第一连接杆,所述第一连接杆的外壁套有第一弹簧,所述第一连接杆贯穿卡槽和固定板。该新能源用锂电池保护囊,通过将锂电池放入箱体中,盖上箱盖,从而使固定柱放置在箱体的内腔中,从而使连接板向内侧移动,连接杆向内侧移动,第二挡板向内侧移动,做到卡块与卡槽分离,从而做到箱盖余箱体分离,从而可以拿出电池,做到了不需要将两个电池绑在一起,安全简洁。

标签:
新能源
四川 - 成都 来源:中冶有色网 2023-03-18
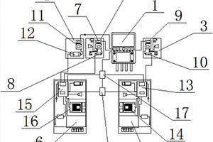
新能源汽车动力线测试用夹紧装置

本实用新型公开了一种新能源汽车动力线测试用夹紧装置,包括基座,所述基座的上表面中心设有第一凹槽,所述基座的上表面左右两端均设有侧板,所述侧板的上端之间通过顶板相连,所述顶板的中心贯穿设有螺纹筒,所述螺纹筒的内壁与螺纹杆螺纹连接,所述螺纹杆的上端安装有手柄。该新能源汽车动力线测试用夹紧装置,通过螺纹杆、顶板和螺纹筒的配合,拧动螺纹杆上端的手柄,手柄带动螺纹杆在顶板中心的螺纹筒中旋动并向下移动,螺纹杆的下端通过凹块在轴承的内壁转动,操作简单方便,减少了动力线与动力线之间和动力线与装置之间的空隙,减少动力线在装置中松动或脱离的现象,大大提高了对动力线的夹紧效果和装置的实用性。

标签:
新能源
四川 - 成都 来源:中冶有色网 2023-03-18
新能源汽车充电桩电缆

本实用新型涉及新能源领域,尤其涉及一种新能源汽车充电桩电缆。本实用新型特征在于电缆采用8个模块,17个功能线芯结构。17个功能线芯包括充电连接确认线芯CC1、CC2;正、负极充电通信线芯S+、S‑;正、负极直流电压线芯DC+、DC‑;正、负极低压辅助电压线芯A+、A‑;接地线芯PE以及XK结构里的8根4对电子锁连接和反馈、温度控制和反馈线芯。不仅能完成对电动汽车传输电能的作用,还具备传递充电信息、充电电缆控制、绝缘检测等电子信息和充电动作的控制等功能,属于能量传输和信息传递相结合的综合型电缆。

标签:
新能源
四川 - 成都 来源:中冶有色网 2023-03-18
应用于新能源低速车的锂电池箱壳

本申请涉及一种应用于新能源低速车的锂电池箱壳,包括:箱壳,所述箱壳内设有空腔;电芯限位板,所述电芯限位板设置在所述空腔内,用于将所述空腔分隔成电气安装腔和电芯安装腔;捆绑板,至少两块所述捆绑板安装在电芯安装腔的底板上;所述捆绑板上开设有若干贯穿的通孔;绑带,所述绑带依次贯穿至少两块所述捆绑板的通孔,用于将电芯绑扎在电芯安装腔内;箱盖,所述箱盖扣合在箱壳上,用于遮住所述空腔。箱壳被电芯限位板以及安装支架将空间一份为二,面积较大的仅用于固定电芯,另一部分用于安装电控器件,将电控结构和动力结合在一个箱体内,这样有利于电池的检查和节省空间。

标签:
新能源
四川 - 成都 来源:中冶有色网 2023-03-18
新能源汽车用降噪型减震器

本实用新型公开了一种新能源汽车用降噪型减震器,包括套筒,所述套筒下端面设置有底座,所述套筒外侧端面设置有穿孔筒共振器,所述套筒上端面设置有固定器,所述固定器侧端面设置有凸缘,所述固定器上端面设置有防震垫,所述防震垫上端面设置有隔音罩固定平台,所述隔音罩固定平台上端面设置有隔音罩架,所述隔音罩架内侧设置有内隔音罩,所述隔音罩架外侧设置有外隔音罩,所述穿孔筒共振器外表面设置有吸音孔,所述套筒上半部设置有聚氨酯筒,所述套筒内部设置有吸音棉,所述吸音棉一侧设置有弹簧。有益效果在于:1、防震垫可以减缓该装置的压力负荷,延长使用寿命,降低用户的资金投入;2、结构简单,隔音效果好,提高用户的生活体验。

标签:
新能源
四川 - 成都 来源:中冶有色网 2023-03-18
自行车站及新能源综合交通系统

本实用新型公开一种自行车站,包括支架上设置的升降导轨,升降导轨上设置有连接驱动装置的夹持机构,驱动装置连接有控制系统,控制系统电连接有驱动开关;夹持机构包括平行设置的固定夹持条和活动夹持条,固定夹持条上下两端固定,活动夹持条的上下两端分别匹配有水平安装的滑轨,所述滑轨固定在框体上,所述活动夹持条连接有夹紧装置,可集中有序停放自行车,多层放置节约自行车停放占用空间;本申请还公开一种新能源综合交通系统,包括第一道路结构和位于上方由通道联通的第二道路结构,第一道路结构和/或第二道路结构的一侧设置有至少一个自行车站,可实现分流,同时通过自行车站实现非机动车辆的集中停放与管理,实现自行车有序引导。

标签:
新能源
四川 - 成都 来源:中冶有色网 2023-03-18
新能源动力电池包实时管控系统

本实用新型公开了一种新能源动力电池包实时管控系统,包括温度传感器、散热装置、BMS以及电池包,所述温度传感器与电池包相连,BMS的温度信号输入端与温度传感器相连,BMS的电压信号输入端通过测量线与电池包的接线柱相连;控制信号输出端与散热装置相连;电池包由多个电池单体串联而成,温度传感器的检测端子与电池单体的接线柱相连;所述散热装置安装于电池包底部,电池包顶部预留有通风孔,相邻电池单体之间形成散热风道。本实用新型通过BMS同时监控电池单体的温度和电压,然后显示在屏幕上供操作人员观察,一旦发现问题即可及时处理,确保电池包可靠运行。

标签:
新能源
四川 - 成都 来源:中冶有色网 2023-03-18
用于新能源汽车充电的任务系统及任务奖励方法

本发明提供一种用于新能源汽车充电的任务系统,包括任务提供及自动校验模块、任务模块、奖励模块和展示模块,任务模块包括任务接收模块和任务配置模块,奖励模块包括任务配置奖励模块和任务发放奖励模块,任务提供及自动校验模块用于创建、校验和分发任务,任务接收模块用于接收任务提供及自动校验模块分发的任务,任务配置模块用于读取任务接收模块收到的任务,任务配置奖励模块用于设置任务完成的奖励内容,任务发放奖励模块用于根据任务配置奖励模块设置的奖励内容下发奖励给用户。本发明解决了新能源汽车充电运营活动中活动参与者积极性低、活动组织者被动、活动效果滞后和活动策略不够灵活导致活动收益不理想的问题。

标签:
新能源
四川 - 成都 来源:中冶有色网 2023-03-18
新能源电动机外壳装夹固定装置

本实用新型公开了一种新能源电动机外壳装夹固定装置,包括固定底座和挤压松紧调节机构,所述固定底座的外壁上方一侧设有可旋转活动的挤压固定机构,所述挤压固定机构的前后均设有可旋转活动的锁紧机构,所述挤压松紧调节机构安装在挤压固定机构的内壁上方,所述固定底座的外壁上方两侧均设有用于安装的缓冲机构。该新能源电动机外壳装夹固定装置,通过设置,这样能够对于电动机外壳的两侧位置进行定位,同时配合设置缓冲机构,这样能够对于固定时候电动机外壳的两侧位置进行缓冲定位。

标签:
新能源
四川 - 成都 来源:中冶有色网 2023-03-18
新能源汽车动力电池举升装置

本实用新型属于新能源汽车动力电池设备技术领域,具体涉及一种新能源汽车动力电池举升装置,包括基座、升降架和托举平台,所述基座底部设有轮子,后方设有扶手,一侧设有液压伸缩杆,顶部两侧设有纵向导轨;所述升降架由若干对剪叉组成,底部剪叉铰接有滑块,滑块置于所述纵向导轨上,与所述液压伸缩杆连接,顶部剪叉与支撑平台铰接,所述支撑平台顶部两侧设横向滑轨,一侧设横向液压伸缩杆;所述托举平台底部设有滑块,顶部四角设有挡板,所述滑块置于所述支撑平台的导轨上,与所述横向液压伸缩杆连接。本装置能很好地解决举升装置在荷载后不便调整位置而影响动力电池安装的问题,同时具有便携、移动方便的优点。

标签:
新能源
四川 - 成都 来源:中冶有色网 2023-03-18
新能源汽车定子铁芯
新能源汽车定子铁芯 1153     
 0

本实用新型公开了一种新能源汽车定子铁芯,包括定子圆形外壳和定子齿极,所述定子齿极固定在定子圆形外壳的内部,所述定子圆形外壳的外侧套接有多边形震套,所述多边形震套的内壁与定子圆形外壳的外壁固定连接,此新能源汽车定子铁芯,相比传统定子结构而言,改进后的定子铁心结构定子外圆环外接正12边行,改变了定子铁轭部位的形状,使得12边形角落位置的轭厚得到增加,提高了定子铁心的固有频率,从而有效降低因共振而引起的电磁振动与噪声。

标签:
新能源
四川 - 成都 来源:中冶有色网 2023-03-18
新能源汽车用开关磁阻电机转子冲片

本实用新型涉及一种新能源汽车用开关磁阻电机转子冲片,包括转子极齿,转子极齿底部过渡圆弧,转子散热孔,转子轴间隙孔和转子销孔。所述开关磁阻电机电机转子冲片为圆环形结构,所述电机转子外圆环上设置有十六个凸起转子极齿。所述转子极齿底部为过渡圆弧形结构,降低电机的振动和噪声,所述转子轴间隙孔用于减少轴与电机转子的气隙,降低电机的噪声,所述转子散热孔用于大功率电机的散热,转子销孔采用梯形结构,增加定位销的锁紧力,提高电机的可靠性。本实用新型能减少新能源汽车用开关磁阻电机的温升、噪声及振动,具有很大的实用价值。

标签:
新能源
四川 - 成都 来源:中冶有色网 2023-03-18
维修新能源汽车的升降平台

本实用新型公开了维修新能源汽车的升降平台,包括相互平行且间隔设置的左底座和右底座,左底座和右底座上设有举升新能源汽车上下运动的升降机构,升降机构包括固定安装在左底座和右底座上的静升降机构和动升降机构,静升降机构和动升降机构间隔设置,静升降机构的底部分别与左底座和右底座固定连接,动升降机构的底部通过滑动组件分别与左底座和右底座活动连接,左底座和右底座上设有驱动动升降机构直线运动的移动机构。本实用新型的升降平台采用左底座和右底座和设置在左底座和右底座上的静升降机构和动升降机构对汽车进行举升作业。本升降平台的动升降机构能够在左底座和右底座上根据汽车的轴距的长短来自由调节,提高了使用的通用性。

标签:
新能源
四川 - 成都 来源:中冶有色网 2023-03-18
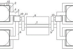
基于硬件在环的分布式四轮电驱动新能源汽车实验系统

本实用新型公开了一种基于硬件在环的分布式四轮电驱动新能源汽车实验系统,包括驱动及测功子系统、驱动电源子系统、能量回收测量与消耗子系统以及系统网络、动力学建模及快速原型控制子系统四大子系统;驱动及测功子系统、驱动电源子系统、能量回收测量与消耗子系统分别与系统网络、动力学建模及快速原型控制子系统相连,驱动及测功子系统分别与驱动及测功子系统和能量回收测量与消耗子系统以及系统网络相连,驱动电源子系统与能量回收测量与消耗子系统以及系统网络相连。该系统可实现分布式驱动三种驱动模式,六种不同组合形式,实现单一系统对多种模式分布式驱动新能源汽车驱动控制,最大程度的节约设备投入,极大的提高设备利用效率。

标签:
新能源
四川 - 成都 来源:中冶有色网 2023-03-18
防漏的新能源汽车电池封装组件

本实用新型涉及新能源汽车技术领域,尤其是一种防漏的新能源汽车电池封装组件,包括盒体和盖体,盒体下端外表面的两侧设有支撑腿,盖体下端的环面开设有凹槽,盖体的外侧面均匀设有若干锁紧螺栓,锁紧螺栓的另一端贯穿盒体的盒壁,盖体的内表面均匀分布有若干隔板,隔板的下表面与盖体的下端面相平齐,隔板与隔板之间以及隔板与盖体的内环面之间所对应的盒体的内部下表面开设有卡槽,卡槽所对应的盖体上的两侧均有第一金属杆,第一金属杆的上端延伸至盖体上表面的上方,第一金属杆上端的端部连接有第二金属杆。本实用新型中整个封装组件具有防漏的功能,有利于电池的安装使用。

标签:
新能源
四川 - 成都 来源:中冶有色网 2023-03-18
新能源货车电池箱快速更换固定结构

本实用新型公开了一种新能源货车电池箱快速更换固定结构,包括车架与电池箱,所述电池箱底面设有一对导向柱,所述车架侧壁向外伸出有支撑板,所述支撑板上设有与所述导向柱匹配的导向套;所述车架侧壁上设有锁钩机构,所述锁钩机构包括下锁钩、弹性件与动力单元,所述下锁钩包括自下而上依次连接的按压端、铰接部与钩头端,所述铰接部铰接固定在支撑板上,所述按压端内侧通过所述弹性件与固定板侧壁连接,所述固定板竖直安装在所述支撑板上,所述动力单元安装在所述固定板上;所述电池箱底部相应位置设有上锁钩,所述上锁钩底端为与所述钩头端配合锁紧的上钩头。本实用新型提供一种新能源货车电池箱快速更换固定结构,实现电池箱的快速更换安装。

标签:
新能源
四川 - 成都 来源:中冶有色网 2023-03-18
可伸缩式新能源车充电桩停车位

本实用新型公开了一种可伸缩式新能源车充电桩停车位,涉及新能源充电设备技术领域,包括安装套壳和充电桩主体,所述安装套壳的内底部对称固定安装有两个电动推杆,且两个电动推杆顶部支撑固定有充电桩主体,所述充电桩主体的顶部固定连接有密封盖,且充电桩主体内部设置有腔室,所述充电桩主体的外端一侧开设有充电开口与腔室贯通,且充电开口处固定安装有开盖机构,所述腔室中分别安装有无线控制器、卷线机构和感应机构;本实用新型提供,充电桩主体安装在车位地下,使用时通过无线控制器控制电动推杆将充电桩主体伸出地面使用,无需占用车位的使用空间,且充电桩主体停止工作时位于地下密封,有效降低对充电桩的腐蚀,提高使用寿命。

标签:
新能源
四川 - 成都 来源:中冶有色网 2023-03-18
新能源汽车用智能充电弓

本实用新型涉及一种新能源汽车用智能充电弓,属于汽车充电技术领域。该充电弓包括充电弓本体,充电弓本体包括竖直壳体、水平壳体、升降机构以及用于与受电铜排相连的充电铜排,竖直壳体的安装在地面,水平壳体的一端连接在竖直壳体的顶端,充电铜排通过升降机构升降安装在水平壳体上;连接柱,固设于水平壳体的外侧壁;暖风机,包括顶盖、风盒、出风管、风机以及与电热丝,顶盖盖合在风盒的盒口处,出风管连接在风盒的底壁并与风盒连通,风盒的底壁开设进风口,风机和电热丝均安装在出风管内,顶盖连接在连接柱上,出风管的出风方向朝向受电铜排。该新能源汽车用充电弓通过暖风机在充电之前消除铜排表面的结冰,保证在寒冷天气下也能正常充电。

标签:
新能源
四川 - 成都 来源:中冶有色网 2023-03-18
新能源公交站牌
新能源公交站牌 911     
 0

本实用新型公开了一种新能源公交站牌,包括底座、站牌本体、支撑柱、太阳能电池板、风能发电装置、LED显示屏、无线通讯装置、控制装置、变电器和蓄电池,所述支撑柱设置在站牌本体的顶部,所述支撑柱下部设有支撑架,所述太阳能电池板设置在支撑架上,所述风能发电装置设置在支撑柱的顶部,所述太阳能电池板和风能发电装置分别与变电器连接,所述变电器与蓄电池连接,所述无线通讯装置设置在站牌本体的顶部左侧,所述LED显示屏、LED照明灯组、扬声器和无线通讯装置均与控制装置电性连接。该新能源公交站牌降低了对电力能源的消耗,方便乘客及时了解车辆的适时情况。

标签:
新能源
四川 - 成都 来源:中冶有色网 2023-03-18
新能源环保发电装置
新能源环保发电装置 823     
 0

本实用新型公开了一种新能源环保发电装置,同侧两个滑杆的末端通过连杆连接,两个连杆之间通过转杆连接,且转杆与连杆转动连接,所述转杆的中部周向设有叶片,且转杆上套接有主动齿轮,所述主动齿轮位于叶片与对应的连杆之间,所述主动齿轮连接有从动齿轮,所述从动齿轮套接在水力发电机的转轴上,且水力发电机固定在对应的连杆上。该新能源环保发电装置,当水位上升时,气囊也跟着上升,转杆和叶片同样跟着上升,这样,水流与叶片接触的面积就不会发生变化,转杆的转速就固定,发电量就比较稳定,因此,无论水位的涨落都不影响该装置的发电,而且,无需专门修建水坝,也不会影响水流,稳定环保。

标签:
新能源
四川 - 成都 来源:中冶有色网 2023-03-18
新能源混合生物甲酯燃料催化剂

本发明公开了一种新能源混合生物甲酯燃料催化剂,包括催化剂A和催化剂B,所述催化剂A和催化剂B复合成生物甲酯燃料复合催化剂,所述催化剂A和催化剂B的组成成分均包括:活性组分、载体和助催化剂;所述活性组分是催化剂的主要成分;所述载体是催化活性组分的分散剂、黏合剂或支撑体,本发明的有益效果是:生物甲酯燃料催化剂由催化剂A和催化剂B复合而成,改善催化剂的活性、选择性和稳定性,助催化剂提高催化剂的活性、选择性、稳定性和寿命,提高催化效果,催化效率极大提高,成本低、添加量少、催化效果明显、残留量少、减少污染物排放,让催化反应持续不断地循环进行,其中催化剂B中镍的引入大幅提升了催化剂的稳定性。

标签:
新能源
四川 - 成都 来源:中冶有色网 2023-03-18
用于新能源汽车充电系统的控制方法

本发明公开了一种用于新能源汽车充电系统的控制方法,包括充电座,充电座上连接有柔性的充电线,充电线的顶端连接有充电插头;充电线由若干刚性的充电结串联而成,每两个充电结之间可绕着充电线的轴线自由偏转;充电结之间设置用于充电结偏转的驱动机构;汽车充电座上设置有充电插座,充电插头包括用于紧密连接汽车充电座的永磁体;包括控制装置,控制装置包括驱动机构控制电路,驱动机构控制电路通过导线与驱动机构信号相连。实现了充电线的自动快速运动,方便人们使用电动汽车,不会出现因忘记充电而无法使用;采用气动方式实现充电线的自由运动,充电线的运动结构简单,成本低廉,经济效益高。

标签:
新能源
四川 - 成都 来源:中冶有色网 2023-03-18
新能源汽车变速器用防护装置

本实用新型公开了一种新能源汽车变速器用防护装置,包括变速箱本体,所述变速箱本体的底部固定连接有横板,所述横板底部的四角均固定连接有竖管,所述竖管的内腔活动连接有竖杆,所述竖杆的底端贯穿至竖管的底部并固定连接有底板,所述底板的顶部固定连接有第一弹簧,所述第一弹簧的顶端与横板固定连接,所述底板的两侧均固定连接有防护斜板,所述底板的底部固定连接有减震垫。本实用新型具备防护性好且便于拆卸的优点,解决了现有的新能源汽车变速器在使用过程中,通常都不具有防护装置,导致在行驶过程中遇到石块或其他异物冲击时,变速箱容易产生破裂,从而增加使用成本,降低了变速器适用性的问题。

标签:
新能源
四川 - 成都 来源:中冶有色网 2023-03-18
新能源汽车驱动电机可变电压控制器

本实用新型公开的属于新能源汽车技术领域,具体为一种新能源汽车驱动电机可变电压控制器,包括底座、电机控制器本体、控制盒和支撑脚架,所述底座的内腔均匀的设置有散热翅片,所述散热翅片的底部左侧和右侧设置有散热扇,所述散热翅片的顶部中间固定安装有电机控制器本体,所述电机控制器本体的左侧和右侧设置有接线盒,所述接线盒上设置有接线柱,所述电机控制器本体的顶部左侧设置有温度传感器,其结构合理,通过散热翅片和散热扇的配合,提高了装置的散热性能,通过支撑脚架、安装座、减震弹簧和连接板的配合,提高了装置的减震性能,通过温度传感器、显示屏和蜂鸣器的配合,实现了温度监测和超温预警。

标签:
新能源
四川 - 成都 来源:中冶有色网 2023-03-18
新能源纯电动汽车整车控制系统

本实用新型提供一种新能源纯电动汽车整车控制系统,包括整车控制系统本体,所述整车控制系统本体包括整车控制器、电池模块一、电池模块二、电池模块三、动力模块一、动力模块二、DC/DC转换器和备用DC/DC转换器,所述电池模块一包括动力蓄电池控制器一和动力蓄电池一,所述整车控制器通过电线与动力蓄电池控制器一连接,所述动力蓄电池控制器一通过电线与动力蓄电池一连接,所述电池模块二包括动力蓄电池控制器二和动力蓄电池二,所述整车控制器通过电线与动力蓄电池控制器二连接,所述动力蓄电池控制器二通过电线与动力蓄电池二连接,该新能源纯电动汽车整车控制系统设计合理,抗干扰能力强,安全可靠。

标签:
新能源
四川 - 成都 来源:中冶有色网 2023-03-18
路灯用新能源光伏发电支架装置

本发明公开了一种路灯用新能源光伏发电支架装置,包括壳体,所述壳体内壁的上表面通过两个电动推杆与第一支撑板的上表面固定连接,所述第一支撑板的正面和背面分别与壳体内壁的正面和背面搭接,所述第一支撑板的两侧面分别与两个滑块的相对面固定连接,且两个滑块分别设置在壳体内壁两侧面开设的滑槽内。该路灯用新能源光伏发电支架装置,通过设置壳体、电动推杆、第一支撑板、行走轮、滑杆、弹簧、电机、螺纹柱、螺纹筒和承载板,光学透镜可以提高光照效果并对光伏发电板进行保护,从而利用弹簧的弹性作用和光学透镜对光伏发电板的保护作用,提高了抗震效果,增强了对光伏发电板的保护,保证了支架和光伏发电板的使用寿命。

标签:
新能源
四川 - 成都 来源:中冶有色网 2023-03-18
上一页 29 30 31 32 33 ... 44 下一页
共44页    到第

中冶有色为您提供最新的四川成都有色金属新能源材料技术理论与应用信息,涵盖发明专利、权利要求、说明书、技术领域、背景技术、实用新型内容及具体实施方式等有色技术内容。打造最具专业性的有色金属技术理论与应用平台!

全国热门有色金属设备推荐
展开更多 +
全国热门有色金属技术推荐
展开更多 +

 

江西省隆恩特环保设备有限公司
宣传

报名参会
更多+

报告下载

有色专家
更多+

长沙矿冶研究院
总经理
江西理工大学
副处长/教授
云南锡业集团(控股)有限责任公司
副总经理
北京科技大学、中国科学院
院士
北京航空航天大学、中国工程院
院士
赤泥综合利用研究报告2025
推广

热门技术
更多+

推荐企业
更多+

福建省金龙稀土股份有限公司
宣传

发布

在线客服

公众号

电话

顶部
咨询电话:
010-88793500-807