青岛垚鑫智能科技有限公司
宣传

位置:北方有色 >

有色技术频道 >

> 加工技术

分类:
全部
矿山技术
冶金技术
材料制备及加工技术
环境保护技术
分析检测技术
 
全部
功能材料技术
复合材料技术
新能源材料技术
合金材料技术
加工技术
地区:
全部
北京
天津
上海
重庆
河北
山西
辽宁
吉林
黑龙江
江苏
浙江
安徽
福建
江西
山东
河南
湖北
湖南
广东
海南
四川
贵州
云南
陕西
甘肃
青海
内蒙
广西
西藏
宁夏
新疆
其他
其他
展开
 
全部
武汉
黄石
十堰
宜昌
襄阳
鄂州
荆门
孝感
荆州
黄冈
咸宁
随州
恩施土家族苗族自治州
仙桃
潜江
天门

湖北武汉有色金属加工技术理论与应用

免费发布技术信息>>
表面包覆的二氧化锰负极材料的制备方法

本发明属于锂离子电池技术领域,涉及一种表面包覆的二氧化锰负极材料的制备方法。本发明公布了一种表面包覆的二氧化锰负极材料的制备方法,将硫酸锰和高锰酸钾溶解于去离子水中,再将溶液全部转入聚四氟乙烯内衬的高压釜,经过高温水热反应,反应后的沉淀洗涤烘干,得到产物MnO2,将制备的MnO2重新分散到去离子水中,并加入乙酸铜、(NH4)6Mo7O24•4H2O;在上述分散液中加入叶酸乙醇溶液,室温搅拌几小时后,分离洗涤沉淀物,沉淀物干燥后在管式炉中氩气氛围中煅烧,得到包覆的二氧化锰负极材料。本发明二氧化锰负极材料表面包覆层为氧化钼、铜和氮掺杂碳,包覆层中三组分通过协同效应增强了复合材料的电化学性质。

标签:
加工技术
湖北 - 武汉 来源:北方有色网 2023-03-19
车用动力电池一致性差异的潜在风险诊断系统

本发明涉及一种车用动力电池一致性差异的潜在风险诊断系统,系统数据采集模块用于采集电池实时运行的原始数据,对系统原始数据进行清洗后,按照电池的工作状态将系统原始数据分类为各个数据集;对系统数据集进行分段处理后得到各个数据段,对系统数据段进行特征提取得到各个特征参数;判断系统特征参数的值是否超过设定范围,是则基于信息熵进行锂电池组不一致性计算,否则将根据信息否则输出电池正常的判断结果;构建模型分析最大最小单体电压的频率频数来做初步判断,频率超出限制范围时,进一步采用信息熵与Z分数结合的方法,信息熵持续超过一定阈值并且极值稳定在固定单体,则认为一致性较差,从而诊断车用动力电池存在的一致性潜在风险。

标签:
加工技术
湖北 - 武汉 来源:北方有色网 2023-03-19
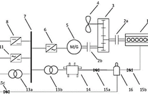
带电解槽的船舶气电混合动力系统

本发明公开了一种带电解槽的船舶气电混合动力系统。该系统包括天然气发动机、第一离合器、第二离合器、齿轮箱、可逆电机、发电驱动器、直流母线、磷酸铁锂电池、氢燃料电池、电解槽和天然气存储罐,通过天然气发动机作为机械动力系统,与电力动力系统进行结合,解决了发动机功率不足,续航里程短的问题。不仅如此,本发明一方面通过电解槽向天然气发动机提供氢气,改善了天然气燃烧速度慢、热值低等缺点,另一方面,采用了直流组网的方式,省去了配电板和部分变压器,使得动力系统的体积和重量大大降低。本发明可广泛应用于新能源技术领域内。

标签:
加工技术
湖北 - 武汉 来源:北方有色网 2023-03-19
安全性能高的隔膜及其涂覆层、制备方法和应用

本发明特别涉及一种安全性能高的隔膜及其涂覆层、制备方法和应用,属于锂电池技术领域,涂覆层的原料以质量份数计包括:无机陶瓷粉体20‑40份、溶剂60‑80份、粘结剂2‑5份、分散剂0.2‑0.5份、增稠剂0.2‑0.5份和高温封堵剂3‑5份,所述高温封堵剂的熔点为120℃‑140℃,用以在高温时熔化实现隔膜基底层的封堵;高温封堵剂在高温时发生熔解,熔解后堵住隔膜基层的通孔,自行闭孔阻断正负极,使电池停止工作,达到高温自闭合的效果,避免高温热失控,提高电池安全。

标签:
加工技术
湖北 - 武汉 来源:北方有色网 2023-03-19
氮化物修饰集流体及其制备方法和应用

本发明提供了一种氮化物修饰集流体及其制备方法和应用,所述方法包括,获得负载金属氧化物纳米阵列的泡沫金属;所述泡沫金属中的金属元素与所述金属氧化物中的金属元素相同;将所述负载金属氧化物的泡沫金属和碱金属氨基盐在惰性气体保护作用下,加热至290‑390℃,保温4‑24h,发生氧化还原反应,获得氮化物修饰的集流体。本发明提供的氮化物修饰集流体采用泡沫金属为骨架,结构稳固,且氮化过程不产生有毒气体,安全环保。本发明在低成本的条件下获得了具有更长使用寿命的集流体材料,在半电池测试中,其循环寿命为220‑390圈,寿命长;且可实现锂的均匀沉积。

标签:
加工技术
湖北 - 武汉 来源:北方有色网 2023-03-19
液态金属电池及其制备方法

本发明公开了一种液态金属电池及其制备方法,包括:S1、在惰性气体保护下,将一定质量的锑粒,盛于导电坩埚中;S2、在惰性气体保护下,将上述导电坩埚加热使锑粒熔化;随后冷却至室温,并将导电坩埚置于与之大小匹配的电池壳体中;S3、在惰性气体保护下,将一定质量的电解质盐加热熔化,得到熔盐电解质,并倒入上述导电坩埚中;S4、在惰性气体保护下,将吸附有一定质量金属锂的负极集流体及电池顶盖组装至已加入熔盐的壳体上,并使熔盐电解质淹没负极集流体的上表面,随后冷却至室温;S5、将壳体与顶盖进行焊接,并接入引线,得到液态金属电池。该方法大大提高了电池的能量密度,可以得到一种高比能液态金属电池。

标签:
加工技术
湖北 - 武汉 来源:北方有色网 2023-03-19
原位固化的电极微界面处理工艺

本发明涉及原位固化的电极微界面处理工艺,将聚氨酯预聚体和交联剂在溶剂中混合,添加一定量催化剂,得到凝胶聚合物电解质溶液;将凝胶聚合物电解质溶液、锂盐和增塑剂混合,得到混合凝胶电解液;将混合凝胶电解液注入到有极片以及固态电解质层或隔膜层的电芯中,充分浸润极片以及固态电解质层或隔膜层,并进行电催化聚合,使混合凝胶电解液在电芯中的极片和固态电解质层或隔膜层以及层间原位聚合固化。极大地提高了电池界面的兼容性,还使得固态电池同时具备了凝胶聚合物电池的高离子电导率特性。

标签:
加工技术
湖北 - 武汉 来源:北方有色网 2023-03-19
炼钢炉用热态修补料及其制备方法

本发明涉及一种炼钢炉用热态修补料及其制备方法,所述制备方法具体包括以下步骤:S1:制备预混料:先将35wt%的镁橄榄石、3~5wt%的金属铬、10~20wt%的氧化钙、2~10wt%的氧化锂、5~15wt%的氧化锆与5~8wt%的新戊二醇在120℃~150℃条件下混合搅拌均匀,冷却后得到预混料;S2:制备修补料:将S1中制备得到的预混料与5~40wt%镁橄榄石、5~10wt%的镁砂及0.1~0.5wt%的聚羧酸增塑剂混合,搅拌均匀,制得炼钢炉用热态修补料。本发明提出的一种炼钢炉用热态修补料及其制备方法,所制备的修补料具有高温自流性好、粘附性好、烧结时间短、强度高、耐炉渣侵蚀、寿命长、低导热和环境友好的特点。

标签:
加工技术
湖北 - 武汉 来源:北方有色网 2023-03-19
埃索美拉唑的制备方法

本发明公开了一种埃索美拉唑的制备方法,包括如下步骤:将3,5‑二甲基吡啶移入反应器内,并向其中添加氧化物,再次向其中添加硝化物,再次置入甲氧基取代得到3,5‑二甲基‑4‑甲氧基吡啶‑N‑氧化物,加入氰基,经氰基取代、酸化水解得3,5‑二甲基‑4‑甲氧基吡啶‑2‑羧酸,经氢化铝锂还原、氯代后得到3,5‑二甲基‑4‑甲氧基‑2‑氯甲基吡啶盐酸盐,向其中添加5‑甲氧基‑2‑巯基‑1H‑苯并咪唑,混合搅拌5‑10min后,5‑甲氧基‑2‑[(4‑甲氧基‑3,5‑二甲基‑2‑吡啶基)甲硫基]‑1H‑苯并咪唑经过四异丙氧基钛、D‑酒石酸丙酰胺和异丙苯过氧化氢不对称氧化得到埃索美拉唑。本发明使得了埃索美拉唑的成品率显著提高,且所得的埃索美拉唑纯度高,内部无杂质。

标签:
加工技术
湖北 - 武汉 来源:北方有色网 2023-03-19
大孔‑介孔‑微孔氧化锌材料及其制备方法和应用

本发明公开了一种大孔‑介孔‑微孔氧化锌材料,它为由粒径为25‑30nm的氧化锌颗粒组装成而成的薄膜材料,厚度为100‑2000nm;它具有微孔‑介孔‑大孔结构,其中微孔孔径为0.5‑2nm,介孔孔径为2‑50nm,大孔孔径为50‑2000nm。本发明采用纳米颗粒合成和自组装方法,涉及的反应条件温和,并可在常温和大气压条件下实现纳米多孔氧化锌材料的制备,更具节能优势,且无污染物排放;所得产物在光催化﹑气敏和锂电池领域相对于传统材料都具有大幅提高的性能,适合推广应用。

标签:
加工技术
湖北 - 武汉 来源:北方有色网 2023-03-19
多孔中空氧化物纳米微球及其制备方法与应用

本发明公开了一种多孔中空氧化物纳米微球及其制备方法与应用,属于纳米材料技术领域。制备方法包括先制备胶体氧化物纳米晶溶液,将该胶体氧化物纳米晶溶液作为静电喷雾溶液,进行静电喷雾,得到多孔中空氧化物纳米微球。本发明以胶体氧化物纳米晶作为静电喷雾溶液,制备多孔中空微球,制备工艺简单,条件温和,在气体传感器,太阳能电池,催化剂和锂离子电池等领域具有良好的应用前景。

标签:
加工技术
湖北 - 武汉 来源:北方有色网 2023-03-19
过渡金属氨配合物功能化聚多巴胺及制备方法与应用

本发明公开了一种过渡金属氨配合物功能化聚多巴胺及制备方法与应用。过渡金属氨配合物功能化的聚多巴胺由过渡金属氨配合物离子与多巴胺反应得到;过渡金属镶嵌的氮掺杂石墨碳复合材料为过渡金属氨配合物功能化的聚多巴胺经过热处理得到。本发明提供的过渡金属氨配合物功能化的聚多巴胺,具有强力均匀包覆能力,在纳米涂层领域有良好的应用前景。本发明提供的过渡金属镶嵌的氮掺杂石墨碳复合材料,活性金属均匀镶嵌,纳米孔结构丰富,比表面积大,活性位点丰富,导电性好,在导电材料、锂电池负极材料、金属‑空气电池正极材料、氧还原反应催化剂、氢析出反应催化剂及氧析出反应催化剂等领域具有很好的应用前景。

标签:
加工技术
湖北 - 武汉 来源:北方有色网 2023-03-19
高活性微纳孔结构聚合物纳米纤维材料的制备方法

本发明涉及一种高活性微纳孔结构聚合物纳米纤维材料的制备方法,属于纤维材料技术领域。所述制备方法采用将无机纳米粒子/乙烯-乙烯醇共聚物/乙酸丁酸纤维素熔融共混挤出,经丙酮萃取得到无机纳米粒子/乙烯-乙烯醇共聚物纳米纤维,再通过反应剂去除无机纳米粒子得到乙烯-乙烯醇共聚物的微纳孔纳米纤维,再制备成悬浮液,均匀喷涂于无纺布的两面,干燥后得到乙烯-乙烯醇共聚物的微纳孔纤维膜,该膜具有高孔隙率、高吸液率、高活性和耐热性好等优点,可作为空气及水过滤材料、催化剂、锂电池及超级电容器的隔膜材料、药物载体和反应合成模板。本发明工艺简单、生产成本低、效率高,可满足工业化生产要求。

标签:
加工技术
湖北 - 武汉 来源:北方有色网 2023-03-19
钆类造影剂中间体轮环藤宁的合成工艺

本发明涉及钆类造影剂中间体轮环藤宁的合成工艺,包括如下步骤:将化学计量摩尔比的三氟乙酸乙酯,加入到二乙烯三胺中,至反应结束,加入三乙胺和二碳酸二叔丁酯溶液,再次反应结束,加入氢氧化钠水溶液,水解,在所得化合物的乙醇溶液中加入BOC保护的氨基双乙酸二甲酯,反应结束,回收乙醇,即得成环的酰胺化合物,加入四氢铝锂还原,再加入稀盐酸水解,加入氯化钠至饱和,析出固体,抽滤,干燥,即得1,4,7,10-四氮杂环十二烷。本发明的优点在于:1、本方法简便易于操作,反应步骤短,原料价廉易得,总体产率和产品纯度较原有方法大大提高;2、本方法环保性好;3、本方法后处理操作简单,高效。

标签:
加工技术
湖北 - 武汉 来源:北方有色网 2023-03-19
富氮石墨炔及其制备方法

本发明涉及一种富氮石墨炔及其制备方法和应用,包括以下步骤:(1)以嘧啶化合物和炔基化试剂为原料,通过偶连反应得炔基取代的联嘧啶化合物单体,记为中间产物TBP;(2)在保护气氛下,向反应容器中加入铜箔和吡啶,再加入中间产物TBP,80~120℃聚合反应得到富氮石墨炔。本发明富氮石墨炔的氮炔比为1:1;本发明制备的富氮石墨炔材料是一种优异的锂离子电池电极材料,显著促进了石墨炔材料的在电化学领域的应用。同时,该类材料大的氮炔比例及规整的氮原子排列也为其在光电催化、污染物清除、纳米颗粒负载、生物医用材料等方面展现潜在的应用价值。

标签:
加工技术
湖北 - 武汉 来源:北方有色网 2023-03-19
Se掺杂硫化聚丙烯腈材料的制备方法

本发明属于锂二次电池技术领域,公开了一种Se掺杂硫化聚丙烯腈材料的制备方法,该方法是将聚丙烯腈PAN与S单质及Se单质混合形成的混合物,在密闭环境中进行热处理,由此一步制备得到Se掺杂硫化聚丙烯腈材料;其中,热处理温度为250~380℃,热处理时间为1~24h。本发明通过对制备方法所处环境及气氛、反应原料、反应机理等进行改进,直接以S、Se和PAN为原料,在密闭环境(如密闭空气)中一步热处理合成,与现有制备Se掺杂的硫化聚丙烯腈技术相比能够有效解决合成工艺复杂、硫利用率低、产率低等问题,本发明制备方法简单,产率高,环境友好。

标签:
加工技术
湖北 - 武汉 来源:北方有色网 2023-03-19
双电型船舶的储能设备的优化管理方法

本发明提供一种双电型船舶的储能设备的优化管理方法,根据目标船舶的典型工作循环得到船舶的功率及能量需求;收集各厂商磷酸铁锂电池、超级电容器、推进电机的规格参数;以船舶能效指数与储能设备价格为目标,搭建目标船舶整船的电力推进系统模型;采用遗传算法进行多目标优化计算,得到最佳的储能设备选型方案;对已经选型后的储能设备建立能量需求预测模型,建立在有限时段上的滚动优化策略;建立模糊控制器,建立船舶能量管理系统粒子群模糊控制器的控制规则库,利用智能群体理论,即粒子群优化方法对模糊控制器进行优化。本发明通过合理的选择各储能设备的容量以及智能的控制能量的流向,提高船舶的经济性能并延长电池的使用寿命。

标签:
加工技术
湖北 - 武汉 来源:北方有色网 2023-03-19
硅碳复合材料、其制备方法和应用

本发明公开了一种硅碳复合材料、其制备方法和应用,该方法包括以下步骤:将玻璃粉末和片层碳材料湿法球磨后得到玻璃和碳材料的均匀混合产物,与镁粉、熔盐均匀混合后压实成锭,发生镁热反应,将反应产物酸洗处理得到夹层状多孔硅/类石墨烯结构复合材料。该发明步骤简单易行,原料来源广泛,最重要的是通过压实过程,将混合物制作成锭之后,再进行镁热反应,大大增加了硅碳负极材料的振实密度,提高了负极材料的体积比容量,同时和石墨等碳材料复合后形成的类似三明治结构也有效地提高了材料的电子电导率,改善了硅基材料与电解液的相容性,从而提高了材料的循环性能和倍率性能,可应用于高功率密度和高能量密度的锂离子电池负极材料。

标签:
加工技术
湖北 - 武汉 来源:北方有色网 2023-03-19
高温取向硅钢加热炉化渣剂及其制备方法

本发明公开了一种高温取向硅钢加热炉化渣剂及其制备方法,该化渣剂是由外层B组份包裹核心A组份构成的颗粒,其按重量百分比计包括20~80%的A组份和20~80%的B组份;其中,A组份为炭颗粒,B组份按重量百分比由18~25%的白沙石、18~25%的锂辉石、3~5%的活性石灰、2~4%的泡花碱、35~40%的萤石、5~10%的纯碱和2~5%的硼砂组成。该方法是将A组份用喷水润湿,以A组份为核心与外层B组份配合造球;得到化渣剂。本发明具有原材料价格低廉、来源广阔,制备简单、使用方便、性能优良等优点。

标签:
加工技术
湖北 - 武汉 来源:北方有色网 2023-03-19
纳米硅-碳复合物及其制备方法和应用

本发明属于生物废弃资源综合技术领域,具体为纳米硅‑碳复合物及其制备方法和应用,将含硅生物质酸煮处理清除无机盐离子杂质,清洗并干燥后研磨成粉末,在惰性气氛中碳化得到二氧化硅和碳的复合产物,然后将碳化产物和金属粉末、无水氯化物金属盐均匀混合后放入管式炉中在惰性气氛下反应得到硅纳米颗粒均匀分布在碳中的纳米硅‑碳复合材料。该发明简单易行,原料来源广泛,最重要的是由于加入无水氯化物,使得反应在极低的温度下能够发生,这种超细纳米硅的制备工艺具有能耗低、工艺简单、污染小、产物纯度较高、颗粒均匀等特点,且得到的硅纳米颗粒粒径均一分布均匀,可以应用于锂离子电池负极材料领域。

标签:
加工技术
湖北 - 武汉 来源:北方有色网 2023-03-19
高分散的硅碳固溶胶、其制备方法及应用

本发明属于能源材料及制造技术领域,具体涉及一种高分散的硅碳固溶胶、其制备方法及应用。该高分散的硅碳固溶胶,以硅为分散质,碳为分散介质,硅被连续的碳层所包覆或者填埋在连续的碳相中,所述硅至少在某一维度上的尺寸小于80 nm,所述高分散的硅碳固溶胶中硅的质量百分比为5%~90%。本发明提供的高分散的硅碳固溶胶,纳米硅颗粒被连续的碳相所包覆,这不仅有利于获得尺寸非常小的纳米硅颗粒,而且可有效地阻止纳米硅的后期氧化,从而满足锂离子电池对高容量和高循环稳定性负极材料的要求。

标签:
加工技术
湖北 - 武汉 来源:北方有色网 2023-03-19
具备吸附性能的全固废基透水砖及其制备方法

本发明公开了一种具备吸附性能的全固废基透水砖及其制备方法,其特征是将锂渣‑粉煤灰‑硅灰‑矿渣微粉组成的粉状固废原料、煤矸石‑钢渣组成的固废骨料、氢氧化钠溶液‑钠基水玻璃‑偏铝酸钠溶液组成的复合激发剂溶液、高效减水剂、水经混合‑搅拌‑浇注‑振实‑养护工艺形成。本发明所制备的透水砖以工业固废作为主要原料,通过匹配复合激发剂和梯级养护条件,不仅提高了透水砖骨料间的粘结强度和透水率,而且能够生成具有重金属离子等污染物吸附能力的类沸石组分,从而提高了工业固废的资源化利用水平,对城市内涝及雨污净化同样具有良好的综合效益。

标签:
加工技术
湖北 - 武汉 来源:北方有色网 2023-03-19
提高胶乳免疫比浊法稳定性的胶乳微球、制备方法及应用

本发明涉及高分子微球材料技术领域,具体公开了一种提高胶乳免疫比浊法稳定性的胶乳微球的制备方法,包括将含有氯氧基的对4‑氯甲氧基苯乙烯作为原料混合,通入氮气搅拌预乳化后,加入过硫酸钾,升温,继续搅拌反应,得到所述胶乳微球的悬浮液;滴加氯化锂水溶液破乳,减压抽滤,洗涤,离心得到胶乳微球。在聚合原料选择中添加带有氯甲氧基的苯乙烯衍生物能够提高其聚合转化率,降低胶乳微球的水化直径和表明负电荷,从而提高微球的稳定性。本发明提供的胶乳微球制备的胶乳试剂,在免疫比浊检测时的效果更佳,稳定性更优。

标签:
加工技术
湖北 - 武汉 来源:北方有色网 2023-03-19
制备聚丙烯/聚乙烯/聚丙烯三层复合微孔膜的方法

本申请公开了一种制备聚丙烯/聚乙烯/聚丙烯三层复合微孔膜的方法。本申请的制备方法,包括通过共挤出技术一次性流延获得聚丙烯/聚乙烯/聚丙烯三层流延膜,并在对三层流延膜进行冷拉处理时,分两次进行冷拉,第一次冷拉的温度低于第二次冷拉温度。本申请的制备方法,采用共挤出技术一次性流延获得聚丙烯/聚乙烯/聚丙烯三层流延膜,制备方法简单;通过两次冷拉,解决了三层流延膜成孔困难的问题,使得制备的三层复合微孔膜的微孔分布均匀,并且,孔径集中在10‑50nm范围内。本申请的三层复合微孔膜作为电池隔膜使用时,均匀性和稳定性更好,为制备高品质和高安全性的锂离子电池奠定了基础。

标签:
加工技术
湖北 - 武汉 来源:北方有色网 2023-03-19
固态电池用聚合物电解质复合膜的制备方法

本发明公开了一种固态电池用聚合物电解质复合膜的制备方法,将金属有机框架材料、聚合物加入到有机溶剂中混合均匀,静电纺丝制成聚合物/MOF纤维复合膜;将PEO、Li(TFSI)溶解到乙腈中,通过溶液浇铸法制得PEO/Li(TFSI)复合薄膜;在聚四氟乙烯膜之间或表面以三明治结构分别放上PEO/Li(TFSI)复合薄膜、聚合物/MOF纤维复合膜、PEO/Li(TFSI)复合薄膜,热压后冷却得到固态电池用聚合物电解质复合膜。本发明利用PEO与Li(TFSI)的良好络合能力,聚合物/ MOFs纤维复合膜能提供支撑位点,以及MOFs的微孔结构能够提供有序的锂离子传导通道,可以将Li(TFSI)的阴离子固定在微孔通道中,加快阳离子传输,提高材料的电导率和耐高电压能力,使得材料电导率能够达到10‑4 S cm‑1,满足商业化全固态聚合物电解质对电导率的要求。

标签:
加工技术
湖北 - 武汉 来源:北方有色网 2023-03-19
用于细胞排列与组装的六边形表面波声镊芯片

本发明公开了一种用于细胞排列与组装的六边形表面波声镊芯片,该芯片包括六边形声镊和微流腔体,使用Z切铌酸锂压电基底,并在基底制作了六个叉指换能器,通过不同的波束组合一起各个波束的相位单独调制,能够产生远多于传统声镊的声场样式,声场结构也更加灵活可调,当用于细胞操控组装时,提供了更加多样的组装结构和更加强大的操控能力。各个换能器的单独调制以及组合应用,并以此进行多波干涉,实现了多样声场结构和灵活调控。本发明能够更加适合各种需要细胞操控和组装的应用场景,并且无损伤不用接触,实现了更加灵活的表面波声场样式,使其能够更加适合多样的生物研究和组织工程的细胞操控需求,具有巨大的应用前景。

标签:
加工技术
湖北 - 武汉 来源:北方有色网 2023-03-19
基于表面功能官能团多孔碳微球电极材料及其制备方法、其超级电容器以及制备方法

本发明涉及一种基于表面功能官能团多孔碳微球电极材料及其制备方法,其为下述制备方法所得产物,包括有如下步骤:1)将LiOH和Cl2CH-COOH溶解于去离子水中,磁力搅拌,将得到的Cl2CH-COOLi前驱体通过超声喷雾裂解形成微液滴,所得的微液滴在氮气气氛高温分解,收集得到黑色粉末;2)离心分离洗涤;3)干燥得到多孔碳微球;4)将碳纤维纸浸泡在含有多孔碳微球的乙醇溶液中,然后取出,干燥,重复三次;5)用去离子水进行冲洗,在80℃下干燥3个小时。本发明的有益效果是:本发明具有原料廉价、工艺简单环保、材料电化学性能优异的特点。在超级电容器、锂电池或其他电化学储能器件上有较大的应用前景。

标签:
加工技术
湖北 - 武汉 来源:北方有色网 2023-03-19
固态电解质膜、其制备方法及应用

本发明公开了一种固态电解质膜、其制备方法及应用。所述固态电解质膜,包括固态电解质层和多孔陶瓷层,所述固态电解质层厚度在0.5微米至10微米之间,所述多孔陶瓷层厚度在100微米至300微米之间,所述固态电解质层均匀覆盖在多孔陶瓷层上。其制备方法,包括以下步骤:(1)固态电解质前驱体的制备:将原料粉末在500℃至700℃下烧结;(2)固态电解质靶材料的制备:将粉末加入粘结剂压制成片并烧结;(3)多孔陶瓷基底镀膜:采用磁控溅射的方法,将多孔陶瓷上均匀镀上固态电解质的薄膜。所述固态电解质膜,兼具良好的离子传导性能和机械性能,应用于制备锂空气电池,内阻低、电性能好。所述方法工艺简单、成本低。

标签:
加工技术
湖北 - 武汉 来源:北方有色网 2023-03-19
基于SOFC与电转气技术的微电网系统及其容量配置方法

本发明公开了一种基于SOFC与电转气技术的微电网系统及其容量配置方法,属于微电网技术领域。系统包括交流母线以及其上连接的负荷、光伏发电单元、风力发电单元、电解单元、SOFC发电单元和锂电池。容量配置方法通过运行优化规划层模型求解算法,在优化规划层决策变量约束范围内根据目标函数值生成微电网系统中各个单元的容量或者个数;从而结合环境数据生成能量管理层决策变量约束范围,根据能量管理策略,用能量管理层模型求解算法求解生成能量管理方案;根据所述能量管理方案更新所述优化规划层目标函数值,重复迭代。本发明为提高高比例新能源微电网本地消纳率提供了新的思路,通过充分考虑SOFC动静态特性,弥补了现有含SOFC微电网容量配置研究的不足。

标签:
加工技术
湖北 - 武汉 来源:北方有色网 2023-03-19
耐低温金属纳米线复合电极片及其制备方法

本发明涉及一种耐低温金属纳米线复合电极片及其制备方法。首先将金属纳米线与有机溶剂按照一定的固液比混合制成浆料,再加入电极活性材料搅拌均匀形成电极浆料,接着将混合好的电极浆料均匀涂覆在集流体上并烘干,最后将得到的极片转移至保护气氛中加热使金属纳米线融化,随炉自然冷却即可。本发明克服了传统电极粘结剂普遍存在的低温条件下理化性能发生变化导致电池性能降低等问题,通过采用具有优越离子传导能力的金属纳米线包覆活性材料,显著降低了低温条件下的界面阻抗、提升了Li+的离子电导率,最终提高了锂离子电池的低温性能。本发明方法具有工艺简单、原料金属纳米线可工业化生产等优点,有望推广应用。

标签:
加工技术
湖北 - 武汉 来源:北方有色网 2023-03-19
上一页 24 25 26 27 28 ... 126 下一页
共126页    到第

北方有色为您提供最新的湖北武汉有色金属加工技术理论与应用信息,涵盖发明专利、权利要求、说明书、技术领域、背景技术、实用新型内容及具体实施方式等有色技术内容。打造最具专业性的有色金属技术理论与应用平台!

全国热门有色金属设备推荐
展开更多 +
全国热门有色金属技术推荐
展开更多 +

 

江西省隆恩特环保设备有限公司
宣传

报名参会
更多+

报告下载

有色专家
更多+

武汉理工大学
副主任/研究员
武汉工程大学
教授
郑州大学
校长/党委书记
洛阳有色矿业集团有限公司
生产技术部经理
江西省科学院应用化学研究所
副主任/副研究员
赤泥综合利用研究报告2025
推广

热门技术
更多+

推荐企业
更多+

福建省金龙稀土股份有限公司
宣传

发布

在线客服

公众号

电话

顶部
咨询电话:
010-88793500-807