青岛垚鑫智能科技有限公司
宣传

位置:中冶有色 >

有色技术频道 >

> 加工技术

分类:
全部
矿山技术
冶金技术
材料制备及加工技术
环境保护技术
分析检测技术
 
全部
功能材料技术
复合材料技术
新能源材料技术
合金材料技术
加工技术
地区:
全部
北京
天津
上海
重庆
河北
山西
辽宁
吉林
黑龙江
江苏
浙江
安徽
福建
江西
山东
河南
湖北
湖南
广东
海南
四川
贵州
云南
陕西
甘肃
青海
内蒙
广西
西藏
宁夏
新疆
其他
其他
展开
 
全部
合肥
芜湖
蚌埠
淮南
马鞍山
淮北
铜陵
安庆
黄山
阜阳
宿州
滁州
六安
宣城
池州
亳州

安徽芜湖有色金属加工技术理论与应用

免费发布技术信息>>
锂电池电极材料微波烘烤装置

本发明提供一种锂电池电极材料微波烘烤装置。该锂电池电极材料微波烘烤装置,包括烘烤式箱体,所述烘烤式箱体的前表面设置有箱门,所述烘烤式箱体的顶内壁固定连接有磁控管,所述烘烤式箱体的右表面设置有连接管,所述连接管的右侧设置有阀门,所述连接管的左表面固定连接有软管。通过设计隔板、离心式真空泵与增压气泵,实现隔板上侧提供低压环境,便于蒸发,隔板下侧高压环境便于液化,且气体可以循环使用,通过设计冷凝装置、干燥箱,实现对潮湿的气体进行快速干燥,且两级干燥的干燥效果更佳,增加电极材料干燥的时间,通过设计烘干箱、进气盘,实现避免气体将电极材料吹散,且可以保持烘干箱内部的干燥气体相对于烘烤式箱体内部更加集中。

标签:
加工技术
安徽 - 芜湖 来源:中冶有色网 2023-03-18
高镍基锂电池正极材料及其制备方法

本发明涉及一种高镍基锂电池正极材料及其制备方法,所述正极材料表面附有包覆层,包覆层材料为LiNi0.5-2aX1.5aY1.5-2aPb0.75aO4,所述X为Al、Fe、Co、Cr、V、Ga中的至少一种,Y为Si、Se、Te、Mn中的至少一种, 所述0<a<0.25。包覆层材料包覆在高镍基正极材料外与其形成壳核结构,将高镍基正极材料与电解液隔离,且外壳部分镍的浓度较低,同时包含大比例的电化学惰性的4价元素,能有效降低镍离子和电解液的剧烈反应程度和反应热,保障高镍基正极材料的稳定性和化学性能不受影响,提高电池的使用安全性和使用寿命。且包覆层材料中含有铅元素,能够确保正极的电导率。

标签:
加工技术
安徽 - 芜湖 来源:中冶有色网 2023-03-18
用作锂空电池的CoxNiyS纳米材料的制备方法

本发明公开了一种用作锂空电池的CoxNiyS纳米材料的制备方法,包括步骤:将Ni(NO3)2·6H2O、CoCl2·2H2O以及NaSCN混合溶于去离子水中,配成总金属离子浓度为1mol/L的混合形成前驱体溶液;以10‑30ml的十六烷基三甲基溴化铵为助剂,添加到100ml的前驱体溶液中,搅拌约1小时,然后转移到高压釜中,加热到180‑250℃保温20~24小时。之后冷却至室温,将沉淀物过滤,用去离子水和乙醇反复洗涤。之后在70~80℃下在烘箱中烘干12小时,然后在650‑700℃下在空气中煅烧4小时;制得CoxNiyS纳米材料。所制得的CoxNiyS纳米材料由多层有序的纳米棱柱形组成的均匀和离散的花状结构,并且花状颗粒的尺寸为2‑5微米,纳米棱柱间为松散的多孔结构。该微观结构给本发明制得的CoxNiyS纳米材料具有大的比表面积,有利于提供有效的催化活性点,提高催化能力。

标签:
加工技术
安徽 - 芜湖 来源:中冶有色网 2023-03-18
多串数锂电池充电管理系统

本实用新型公开了一种多串数锂电池充电管理系统,其特征在于:所述的管理系统为串联电池组中的每节电池分别连接到电压检测芯片U81、U91、U101,电压检测芯片U81、U91、U101根据检测的电压信号进行判断并在DO或CO端送出高电平给管理芯片;每节电池分别通过继电器SW1、SW2、SW3的一组常开接点接入充电器,负极接入继电器SW1、SW2、SW3的另一组常闭接点,常开接点则接入正极;管理芯片控制每节电池箱对应的继电器的开闭,以实现在保证安全性的前提下提高多串数锂电池组的充电效率的目的。

标签:
加工技术
安徽 - 芜湖 来源:中冶有色网 2023-03-18
具有防析锂功能的密封保护胶带

本发明公开了一种具有防析锂功能的密封保护胶带,包括PET基材层,PET基材层的外侧涂布离型剂,PET基材层的内侧涂布胶黏剂,形成胶粘层;该胶粘层包括如下重量份原料:90‑110份环氧改性SEBS、30‑50份丁基橡胶、10‑40份聚异丁烯橡胶、5‑30份氢化碳五石油树脂、5‑20份氢化碳九石油树脂、25‑35份胶粘增强剂、5‑8份三乙烯四胺、350‑750份二甲苯;使用环氧改性SEBS,环氧改性SEBS能够提高胶粘层对电解液的稳定性,使得胶粘层在电解液浸泡中能够稳定的发挥其粘性,通过胶粘增强剂增加了密封保护胶带粘结性,阻止了锂离子在负极极片上的析出,进而提升了电池充放电倍率性能。

标签:
加工技术
安徽 - 芜湖 来源:中冶有色网 2023-03-18
锂电池包的电解液智能注入封装设备

本发明涉及锂电池制造相关领域,具体是涉及一种锂电池包的电解液智能注入封装设备,包括操作箱、夹具组件、支撑架、开口组件、注液组件和封口组件,工作平台上固定设置有操作箱,夹具组件用于夹住电池包并将电池包送入操作箱内,两个支撑架均位于操作箱内,开口组件用于将电池包的上端打开,注液组件件用于向电池包内注入电解液,封口组件用于将电池包的开口密封住,两组夹具装置之间的间距能够根电池包的规格进行调节,使得夹具组件能够夹住各种电池包,并将电池包送入操作箱内,开口组件能够将电池包的开口打开,使得注液管能够能够精确的将定量的电解液注入电池包,通过封口组件将注液完成的电池包进行自动封口,提高电池包的生产自动化程度。

标签:
加工技术
安徽 - 芜湖 来源:中冶有色网 2023-03-18
半球空心状二氧化钛/碳颗粒/聚苯胺负载硫的复合材料及制备方法、锂硫电池正极及电池

本发明公开了一种半球空心状二氧化钛/碳颗粒/聚苯胺负载硫的复合材料及制备方法、锂硫电池正极及电池。首先通过水热法获得二氧化钛,再通过以多巴胺为碳源包裹碳层,然后原位聚合生长聚苯胺,最后通过熏硫的方式负载硫颗粒,最终获得二氧化钛/碳颗粒/聚苯胺负载硫的半球空心状复合材料。该材料应用于锂硫电池正极材料,具有良好的循环稳定性和较高的比容量。与现有技术相比,本发明制备的材料呈现半球空心状,半球空心状结构比表面积大,能够负载更多硫颗粒,有利于电子传输,缓解充放电过程的体积膨胀,提高电池性能。并且,实验过程简单,原料价廉易获取。

标签:
加工技术
安徽 - 芜湖 来源:中冶有色网 2023-03-18
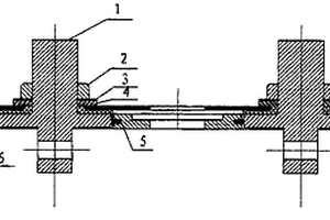
方型锂离子电池极柱防转动结构及其制造方法

本发明公开了一种方型锂离子电池极柱防转动结构,包括极柱(1)、防转支架(6)、下绝缘密封垫圈(7)、上绝缘垫圈(4)、金属密封垫圈(3)以及螺母(2),极柱(1)由紧固螺栓(9)和自锁台(10)两部分组成,其中自锁台的横截面为非圆形;防转支架内部设置有两个金属镶件(5),金属镶件(5)上开有极柱孔(11),极柱孔(11)的形状与自锁台(10)的横截面相配合。本发明还公开了上述结构的制造方法。本发明的防转动结构可以省去电池盖板内部绝缘膜;能够满足防转强度要求;组装容易,利于电池的批量生产。

标签:
加工技术
安徽 - 芜湖 来源:中冶有色网 2023-03-18
圆柱锂离子电池模块装置

本实用新型公开了一种圆柱锂离子电池模块装置,包括箱体总成、圆柱电芯、设置于所述箱体总成内部且用于对所述圆柱电芯提供支撑的第一电芯支架和第二电芯支架,圆柱电芯设置多个且相邻两个圆柱电芯之间具有间隙,第一电芯支架和第二电芯支架具有让圆柱电芯的两端分别插入的定位槽。本实用新型的圆柱锂离子电池模块装置,实现电芯间有效散热从而有效控制电芯间温差,圆柱电芯间组成彼此不直接接触,保留一定间隙,保证了圆柱电芯之间绝缘要求,避免了因电芯外壳蓝膜破损而导致的电芯间接触短路现象,可以提高安全性。

标签:
加工技术
安徽 - 芜湖 来源:中冶有色网 2023-03-18
锂电池电池组检测夹具

本实用新型属于电池技术领域,具体是涉及一种锂电池电池组检测夹具,尤其适用于对电池组保护板的检测。锂电池电池组检测夹具,其特征在于,包括夹具,所述夹具的下方设有多个上、下平行的待检测保护板,所述夹具和待检测保护板上均设有3个检测孔;三根钪铜丝的顶部分别穿在夹具的3个检测孔中并焊接,三根钪铜丝的顶部分别连接三根检测线;所述三根钪铜丝的底部分别插在多个待检测保护板的3个检测孔中。本实用新型结构简单,适应性较广,通过夹具固定住检测线,每次检测时,只需使夹具连接的钪铜丝插入下方的多个待检测保护板的检测孔中,即可快速准确的检测出电池组的当前状态。从而避免了每次检测时存在的接线问题,提高了检测的效率。

标签:
加工技术
安徽 - 芜湖 来源:中冶有色网 2023-03-18
锂电池过热报警储存架
锂电池过热报警储存架 1055     
 0

本实用新型公开了一种锂电池过热报警储存架,其储存箱被分隔成左右分布的放件仓和灭火降温仓,放件仓包括若干上下分布的支撑板,支撑板上设置有延伸至一侧灭火降温仓的滑动轨,支撑板的上方安装有存件盘组,存件盘组包括可拆卸安装在支撑板上的连接块以及能通过连接组件钩挂连接在连接块内侧的移动盘,移动盘能沿着滑动轨水平滑动,连接块和移动盘之间通过压缩弹簧连接,连接块内设置有注液管,移动盘靠近连接块的一侧设置有T型槽,注液管能延伸至T型槽的内部,注液管和T型槽的内部能注入达到阙值温度后会熔化,常温状态下处于固态的固化液;灭火降温仓的内部设置有灭火降温组件,本实用新型提高了锂电池储存的安全性。

标签:
加工技术
安徽 - 芜湖 来源:中冶有色网 2023-03-18
高精度电流测量锂电保护板

本实用新型涉及锂电池管理技术领域,具体地说是一种操作简便、精度高、工作可靠的高精度电流测量锂电保护板,其特征在于充电电路的控制信号端与控制器相连接,电流采样电路中设有电流传感器、与电流传感器相连接的信号预处理电路,信号预处理电路的输出端与控制器相连接,信号预处理电路设有第一比较器和第二比较器,第一比较器的正输入端接地,负输入端经电阻元件与电流传感器输出端相连接,第一比较器的负输入端与输出端之间串联一个电阻元件,第一比较器的输出端经电阻元件与第二比较器的负输入端相连接,第二比较器的正输入端接地,第二比较器的负输入端与输出端之间串接电阻元件,具有结构合理、操作简便、工作可靠等显著的优点。

标签:
加工技术
安徽 - 芜湖 来源:中冶有色网 2023-03-18
车载锂电池充电系统
车载锂电池充电系统 935     
 0

本发明公开了一种车载锂电池充电系统,包括电池管理系统和充电器,其中电池管理系统包括电池管理模块、电池热管理模块、高电压安全管理模块和CAN总线通信接口,监视和控制电池包各电池模块的充放电过程;充电器包括充电端口、辅助电源端口和电源输出端口,监视和控制电池包的充电电流和充电电压,使电池包个各电池模块及电池单体按理想充电曲线充电。本发明的系统既降低了成本又实现了电池组的均衡、安全充电,能够延长电池使用寿命。

标签:
加工技术
安徽 - 芜湖 来源:中冶有色网 2023-03-18
电动汽车用锂离子动力电池自动加热系统

本发明公开了一种电动汽车用锂离子动力电池自动加热系统,包括电池组模块和充电器以及PTC模块,所述的充电器和电池组模块相连接;还包括BMS模块和风扇模块,所述的BMS模块分别与充电器、电池组模块、PTC模块、风扇模块相连接,所述的电池组模块中设置有温度传感器,所述的BMS模块中的温度检测电路与电池组模块中的温度传感器相连接。解决现有加热系统对锂离子动力电池加热,温度不能自动调节控制,不易使电池组各处都加热均匀,使用起来比较繁琐的问题。

标签:
加工技术
安徽 - 芜湖 来源:中冶有色网 2023-03-18
锂离子电池储能装置
锂离子电池储能装置 850     
 0

本实用新型公开了一种锂离子电池储能装置,包括电池管理模块和电池本体,所述电池本体包括下钣金支架、设置于下钣金支架上的下底板、设置于下底板上的方壳电芯、设置于方壳电芯上的安装架、设置于安装架上的上盖板、正极供电线、负极供电线和设置于上盖板上的上钣金支架,所述电池管理模块设置于上钣金支架上,正极供电线和负极供电线从电池本体内部向外穿出后与电池管理模块连接。本实用新型的锂离子电池储能装置,采用低压控制与高压控制输出二合一模块,集成度高,钣金模块、高压模块及低压模块布置高度集中,且高压连接模块不暴露在外,系统密封性良好,产品使用寿命及人员安全有保障。

标签:
加工技术
安徽 - 芜湖 来源:中冶有色网 2023-03-18
锂电池粉末材料混料设备

本实用新型涉及锂电池材料加工设备技术领域,具体涉及一种锂电池粉末材料混料设备,包括混料筒,所述混料筒的上端设有上料斗,所述混料筒的下端设有下料口,且下料口上安装有电磁阀,所述混料筒中设有从上至下依次粉块打散机构、粗粉粒碾碎机构和粉末搅拌混合机构;所述粉块打散机构包括并排分布的两个破碎辊,所述破碎辊的外壁上设有破碎刀片,所述粗粉粒碾碎机构包括呈球面结构的底板、导料碾碎组件和驱动组件一,所述粉末搅拌混合机构包括搅拌混合组件和驱动组件二,本实用新型结构简单,通过对材料进行打散‑碾碎‑混合搅拌,提高了材料的加工效率,且能够保证材料能够高效、高质的混合,给锂电池的加工提供了保障。

标签:
加工技术
安徽 - 芜湖 来源:中冶有色网 2023-03-18
锂离子电池青檀纸筛隔膜

本实用新型公开了一种锂离子电池青檀纸筛隔膜,包括设于正极与负极之间的隔膜,所述隔膜包括青檀纸膜层和涂覆于青檀纸膜层且可通过受热熔融填充青檀纸膜层的锂离子通道的阻隔黏胶层,所述阻隔胶黏层的两端分别延伸向正极和负极。在热失控的情况下,该隔膜能关闭锂离子通道,起到保护电池的作用,达到安全目的。

标签:
加工技术
安徽 - 芜湖 来源:中冶有色网 2023-03-18
用于锂电池与锌溴液流电池的混合储能管理系统

本实用新型公开了一种用于锂电池与锌溴液流电池的混合储能管理系统,其特征在于:所述的管理系统包括锌溴液流电池的五个电堆串联后,接入DC/DC变流器的低压端,DC/DC变流器隔离升压后分为16路并联输出到DC Bus直流总线上;锂电池分为4路变流器接入DC/DC变流器的低压端,与锌溴液流电池在DC Bus直流总线上汇流统一输出,构成直流输出端口,直接与PCS的直流端连接。本实用新型的优点解决了传统微网系统中单一电池应用的缺陷,即克服了锂电池的不能长时间深度放电种种技术问题及液流电池不能快速倍率放电等等问题,大大扩展了未来微网和智能电网中储能的应用规模和应用前景,具有极高的推广价值。

标签:
加工技术
安徽 - 芜湖 来源:中冶有色网 2023-03-18
防盗锂电池保护板
防盗锂电池保护板 732     
 0

本实用新型涉及锂电池管理技术领域,具体地说是一种结构合理、使用简便,能够起到防盗预警作用的防盗锂电池保护板,包括控制器,其特征在于设有分别与控制器相连接的电流采样电路、电压采样电路以及振动检测电路,还设有与控制器相连接的报警电路,其中振动检测电路中设有两个振动传感器,控制器中设有微控芯片以及与微控芯片相连接的GSM通信模块,还设有与控制器相连接的充/放电开关电路,本实用新型与现有技术相比,结构合理、使用方便,能够起到锂电池组安全防盗的目的。

标签:
加工技术
安徽 - 芜湖 来源:中冶有色网 2023-03-18
碳包覆掺杂改性锂离子电池三元复合正极材料的制备方法

本发明公开了一种碳包覆掺杂改性锂离子电池三元复合正极材料的制备方法,该方法将含锂、镍、钴、锰的化合物及掺杂金属化合物按化学计量比的量分别溶解于水中;并加入有机酸,用氨水调节溶液pH,不断搅拌得到均一透明的溶液;然后将溶液放在电炉上随炉加热至溶液蒸发沸腾到临界点后迅速自燃;将燃烧所得粉体在600~950℃下热处理6~14小时后得到碳包覆掺杂改性三元LiNixCoy-aMn1-x-yMaO2正极材料。本发明采用两种方法进行碳包覆,通过合成样品过程中或热处理过程中引入碳源,能够在三元材料表面均匀地包覆一层碳层,在自蔓延燃烧法快速、简便地将三元材料合成和包覆碳在一步中完成,得到的产品成本低、颗粒均匀、电化学性能稳定,便于工业化生产。

标签:
加工技术
安徽 - 芜湖 来源:中冶有色网 2023-03-18
动力锂离子电池防爆阀

本发明公开了一种动力锂离子电池防爆阀,包括防爆阀外丝,所述防爆阀外丝内部从上到下依次设有防爆阀内丝、弹簧及防爆片,所述防爆阀内丝中间设置有通孔。防爆阀外丝内部,所述防爆片上方设有防爆片垫片,所述防爆片下方设有防爆阀密封圈。所述弹簧直径与所述防爆阀内丝外径相同。所述防爆阀外丝下部设有收缩口。所述防爆片采用铝合金箔片,其厚度为0.50~2mm,所述铝合金箔片上设置有刻痕。本发明的电池防爆阀结构简单,安装方便,防止电池内部压力过大,给电池安全性能带来影响,且在电池出现短路、过充、过放等异常情况时,能及时泄压,防止电池产生爆炸。

标签:
加工技术
安徽 - 芜湖 来源:中冶有色网 2023-03-18
高容量锂离子动力电池及其材料制备工艺

本发明提供一种高容量锂离子动力电池及其材料制备工艺,包括正极极片和负极极片,正极极片与负极极片之间夹持有隔膜,隔膜、正极极片、负极极片采用卷绕方式进行组装,正极极片与负极极片卷芯终端分别连接伸出正极耳和负极耳,电池内填充有电解液,所述正极极片包括正极集流体和正极材料,正极材料涂覆在正极集流体表面,正极材料表面采用包覆材料进行包覆处理,正极材料由锂源、正极活性材料、正极粘结剂、正极导电剂混合组成,所述负极极片包括负极集流体和负极材料,负极材料涂覆在负极集流体表面,负极材料包括负极活性材料、负极粘结剂、负极导电剂混合组成。本发明有效的提高了正极材料的性能,并且制备方法简单易操作。

标签:
加工技术
安徽 - 芜湖 来源:中冶有色网 2023-03-18
可提高电芯一致性的锂离子电芯干燥方法

本发明公开了一种可提高电芯一致性的锂离子电芯干燥方法,采用冷冻干燥的方法对锂离子电芯进行干燥,该方法使用冷冻除水方法代替传统的高温干燥法,可提高电芯干燥的一致性,大大缩短电芯干燥时间,提高电芯的竞争力。

标签:
加工技术
安徽 - 芜湖 来源:中冶有色网 2023-03-18
表面包覆的天然石墨及其制备方法、锂离子电池

本发明公开了一种表面包覆的天然石墨及其制备方法及使用该材料制备的锂离子电池。该表面包覆的天然石墨的制备方法,包括以下步骤:(1)将铝盐溶液与天然石墨混合,再加入氟化物溶液,得到沉淀物;(2)将沉淀物在惰性气氛下灼烧,得到表面包覆的天然石墨。该制备工艺简单,对天然石墨的包覆可以在较低的温度下进行热处理,制得的表面包覆的天然石墨对电解液的兼容性提高,相应制得的锂离子电池的首次库伦效率提高,循环性能提高。

标签:
加工技术
安徽 - 芜湖 来源:中冶有色网 2023-03-18
锂离子电池剩余容量的估算系统及方法

本发明涉及一种锂离子电池剩余容量的估算系统及方法,该系统包括SOC预测模块、安时积分模块、满电低电补偿模块、老化补偿模块、自放电补偿模块、开路电压补偿模块、一致性补偿模块、充放电补偿模块;SOC预测模块将电压U、电流I和温度T作为输入,根据安时积分模块与初始SOC值计算基础电池剩余容量SOC1,并根据满电补偿模块、老化补偿模块、自放电补率偿模块、开路电压补偿模块、一致性补偿模块、充放电补偿模块的补偿值计算最终电池剩余容量。本发明为锂离子动力电池提供一种实用的、有效可靠的剩余可用容量的估算方法,提高电池有效性和使用寿命,并降低动力电池包的售后维护周期。

标签:
加工技术
安徽 - 芜湖 来源:中冶有色网 2023-03-18
输出极绝缘装置及具有其的锂电池模组

本实用新型公开了一种输出极绝缘装置,包括模组连接软巴、电芯极柱连接软巴、设置于锂电池模组的端板上的绝缘座和设置于绝缘座上的绝缘保护罩,所述电芯极柱连接软巴和所述模组连接软巴安装在绝缘座上。本实用新型的输出极绝缘装置,增加绝缘座与绝缘保护罩,使电芯极柱连接软巴可以固定在绝缘座上,连接后通过绝缘保护罩保护不会漏电,而且可以将电芯极柱连接软巴施加的力转移到绝缘座上,因而不会导致模组总正、负极极柱受力,所以不会产生脱落、松动等导电不良现象,降低电芯极柱连接的松动风险,从而消除了安全隐患。本实用新型还提供了一种锂电池模组。

标签:
加工技术
安徽 - 芜湖 来源:中冶有色网 2023-03-18
软包锂离子电芯成组装置

本实用新型公开了一种软包锂离子电芯成组装置,包括BLOCK单元、设置于相邻两个所述BLOCK单元之间的电芯间散热铝片和位于电芯间散热铝片相对两侧的散热组件,散热组件包括与电芯间散热铝片接触的导热硅胶垫、与导热硅胶垫接触的模组加热膜、与模组加热膜接触的防护泡棉和与防护泡棉接触的模组热管理铝板。本实用新型的软包锂离子电芯成组装置,采用BLOCK单元框架内夹散热铝板堆叠成组工艺,散热效果极佳,成组双侧铝板加热膜加热方式效率高。

标签:
加工技术
安徽 - 芜湖 来源:中冶有色网 2023-03-18
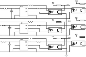
多串锂离子电池保护板检测装置

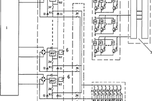
一种多串锂离子电池保护板检测装置,所述的检测装置包括至少一路以上电压发生电路,所述的电压发生电路包括输入电源,调压芯片,所述的输入电源通过调压芯片与显示模块连接,所述的电压发生电路通过多路切换电路与多档电压选择电路连接,所述的多路切换电路,多档位发生电路分别通过驱动电路与控制器连接,所述的调压芯片的调压端与输出端之间设有电阻R12,调压端分别通过继电器的常开触点和电阻R11接地和多路切换电路与多档电压选择电路连接,所述的继电器通过驱动电路与控制器连接;能够精确模拟多串锂离子保护板在各种测试条件下的电压值,检测速度快,精度高。

标签:
加工技术
安徽 - 芜湖 来源:中冶有色网 2023-03-18
锂电池热熔Mylar装置
锂电池热熔Mylar装置 981     
 0

本实用新型公开了一种锂电池热熔Mylar装置,其特征在于:包括机架、正面热熔机构、侧面热熔机构和定位夹具,所述定位夹具安装在机架的底板上,电芯放置在定位夹具中,Mylar膜放置在电芯上,侧面热熔机构安装在机架的底板上且对称分布在定位夹具的两侧,即对电芯的两侧进行热熔Mylar膜,正面热熔机构安装在机架的顶部位于定位夹具的上方,即对电芯的正反两面进行热熔Mylar膜。本实用新型的锂电池热熔Mylar装置操作方便,能够保证裸电芯和Mylar膜精准定位,同时能够保证热熔位置精度,能够确保产品的一致性。

标签:
加工技术
安徽 - 芜湖 来源:中冶有色网 2023-03-18
锂电池顶封装置
锂电池顶封装置 727     
 0

本实用新型涉及一种锂电池顶封装置,包括上封头和下封头,上封头包括第一基座、第一主体封装块和第一极耳封装块,下封头包括第二基座、第二主体封装块和第二极耳封装块。区别于现有技术,本实用新型锂电池顶封装置的上封头和下封头采用可拆式组合结构,需要转换生产不同型号的电池时,只需相应地更换第一极耳封装块和第二极耳封装块即可,拆装方便,便于维修和更换,成本低廉。

标签:
加工技术
安徽 - 芜湖 来源:中冶有色网 2023-03-18
上一页 24 25 26 27 28 ... 48 下一页
共48页    到第

中冶有色为您提供最新的安徽芜湖有色金属加工技术理论与应用信息,涵盖发明专利、权利要求、说明书、技术领域、背景技术、实用新型内容及具体实施方式等有色技术内容。打造最具专业性的有色金属技术理论与应用平台!

全国热门有色金属设备推荐
展开更多 +
全国热门有色金属技术推荐
展开更多 +

 

江西省隆恩特环保设备有限公司
宣传

报名参会
更多+

报告下载

有色专家
更多+

广东省科学院资源利用与稀土开发研究所
教授
矿冶科技集团有限公司
所长/研究员级高工
江西理工大学
副校长/教授
江西理工大学
副处长/教授
有研资源环境技术研究院(北京)有限公司
副总经理/教授级高工
赤泥综合利用研究报告2025
推广

热门技术
更多+

推荐企业
更多+

福建省金龙稀土股份有限公司
宣传

发布

在线客服

公众号

电话

顶部
咨询电话:
010-88793500-807