青岛垚鑫智能科技有限公司
宣传

位置:中冶有色 >

有色技术频道 >

> 废水处理技术

分类:
全部
矿山技术
冶金技术
材料制备及加工技术
环境保护技术
分析检测技术
 
全部
废水处理技术
大气治理技术
固/危废处置技术
土壤修复技术
地区:
全部
北京
天津
上海
重庆
河北
山西
辽宁
吉林
黑龙江
江苏
浙江
安徽
福建
江西
山东
河南
湖北
湖南
广东
海南
四川
贵州
云南
陕西
甘肃
青海
内蒙
广西
西藏
宁夏
新疆
其他
其他
展开
 
全部
长沙
株洲
湘潭
衡阳
邵阳
岳阳
常德
张家界
益阳
娄底
郴州
永州
怀化
湘西土家族苗族自治州

湖南长沙有色金属废水处理技术理论与应用

免费发布技术信息>>
内嵌碳化铁的硼氮共掺杂碳纳米管催化剂降解有机污染物的方法

本发明公开了一种内嵌碳化铁的硼氮共掺杂碳纳米管催化剂降解有机污染物的方法,包括以下步骤:S1、内嵌碳化铁的硼氮共掺杂碳纳米管催化剂的制备:取硼酸、三聚氰胺和铁盐为原料采用一步热解法合成即得;S2、有机污染物的降解:将步骤S1中合成得到的内嵌碳化铁的硼氮共掺杂碳纳米管催化剂与过一硫酸盐混合加入废水中形成耦合反应体系,通过催化氧化反应降解有机污染物。Fe3C@BNCNT催化剂可高效活化过一硫酸盐产生硫酸根自由基等自由基,从而有效降解废水中有机污染物。本发明的方法对废水中有机污染物的高效降解、适用于难降解有机污染物、适用于广泛的pH值、环境友好且成本低廉。

标签:
废水处理
湖南 - 长沙 来源:中冶有色网 2023-03-19
污水处理反应池及污水处理-净化系统

本发明涉及一种污水处理‑净化系统,包括第一污水处理反应池、第二污水处理反应池、快滤池、炭滤池和纳污澄清池,第一污水处理反应池的清水收纳池通过配备有水泵的管道与第二污水处理反应池的池体连通,第二污水处理反应池的清水收纳池与快滤池的进液口连通,滤池的滤液出口与炭滤池进液口连通;第一污水处理反应池池体下部污泥出口和第二污水处理反应池池体下部污泥出口均与纳污‑澄清池连通。本发明可实现污、废水的分散治理,不受污水处理厂选址限制,成本低,且分离效果好,可保证良好的处理效果;治理与净化功能相结合,不单纯对污废水进行无害化处理,且经处理的污废水均可作为杂用水被回收利用,有利节约优质自来水。

标签:
废水处理
湖南 - 长沙 来源:中冶有色网 2023-03-19
新型乳化蒸发系统
新型乳化蒸发系统 1052     
 0

本发明公开一种新型乳化蒸发系统,包括通过管道依次连接形成循环回路的喷淋蒸发塔、一级液滴分离器、风机、一级表冷器、二级液滴分离器、二级表冷器、三级液滴分离器、一级加热器以及二级加热器,喷淋蒸发塔下方设有蒸发塔釜底槽,蒸发塔釜底槽下方设有稠厚器,稠厚器下方设有离心机,蒸发塔釜底槽通过导管与喷淋蒸发塔上方连接,导管上设有乳化装置,蒸发塔釜底槽通过管道连接有高盐水调节池,乳化装置为微米气泡发生器;本专利提高蒸发速率,降低蒸发能耗,乳化液含有微纳米级气泡,具有分散作用,系统没有投加分散剂喷淋废水不易在管道和池壁形成结垢,为废水蒸发浓缩回收水资源夯下坚实基础,减少废水排污量,对工企业的节能减排意义重大。

标签:
废水处理
湖南 - 长沙 来源:中冶有色网 2023-03-19
铁基砷钝化材料的制备方法、由该方法制备得到的铁基砷钝化材料及其用途

本发明涉及一种铁基砷钝化材料的制备方法、由该方法制备得到的铁基砷钝化材料及使用其处理土壤、废水、废渣中砷污染的方法。所述制备方法包括如下步骤:将硅铝酸盐矿物与复合盐混合后进行焙烧处理;将焙烧后得到的焙烧渣粉碎后,进行水洗浸出,固液分离得到固体和液体;将固体与铁基材料和水混合后,在温度100~400℃下进行水热活化处理;将水热活化处理后的固体干燥得到铁基砷钝化材料。本发明的铁基砷钝化材料成本低,但是能够有效降低废水砷含量,固化土壤及废渣中砷的形态,降低砷的溶出率。此外,通过优化处理技术参数开发一条在废水、土壤及废渣中兼具良好效果,处理成本低廉、工艺简单、环保的修复产品制备工艺及技术路径。

标签:
废水处理
湖南 - 长沙 来源:中冶有色网 2023-03-19
基于物联网三废处理后期维护控制系统

一种基于物联网三废处理后期维护控制系统,所述三废处理后期维护控制系统与数据通讯模块和云端数据存储系统连接,数据通讯模块将数据传输至终端设备,终端设备包括pc端和手机移动端,所述云端数据存储系统配置为对数据进行上传和下载;所述三废处理后期维护控制系统包括废水监控系统、废气监控系统、固废监控系统,所述废水监控系统、废气监控系统、固废监控系统均包括数据采集模块、数据处理模块、数据判断模块、子数据通讯模块和执行模块,数据采集模块用于采集废水、废气和固废信息;本发明能够通过pc端和手机移动端对数据进行观测,且通过pc端和手机移动端对三废处理后期维护控制系统进行操作。

标签:
废水处理
湖南 - 长沙 来源:中冶有色网 2023-03-19
硫磺、亚硫酸根水热歧化硫化固砷方法

本发明属于含砷废水处理技术领域,具体公开了一种硫磺、亚硫酸根水热歧化硫化固砷方法,将含砷废水、亚硫酸根、硫磺的混合溶液进行水热硫化反应。本发明技术方案,创新地利用硫磺、亚硫酸根的水热歧化并进行水热硫化反应,实现固砷目的。本发明技术方案能够实现含砷废水砷的有效去除,不仅如此,还能保证固砷材料的浸出稳定性,简化工艺流程和降低处理成本。

标签:
废水处理
湖南 - 长沙 来源:中冶有色网 2023-03-19
利用光皮树果实制光皮树油的方法

本发明提供利用光皮树果实制光皮树油的方法,光皮树果实经研磨,加水,调节料液pH值,加入混合酶进行酶解,离心得光皮树油和废水;废水经732阳离子交换树脂吸附处理,循环使用多次;取循环制油所产生废水,加入湿渣,使含水量达到25~35%,115~121℃高温灭菌20~30min,再加入10~20%枯草芽孢杆菌粉,25~30℃发酵3~5天,造粒后35~45℃低温干燥得饲料产品。

标签:
废水处理
湖南 - 长沙 来源:中冶有色网 2023-03-19
辣椒预处理方法及辣椒预处理设备

本发明涉及辣椒生产技术,公开了一种辣椒预处理方法及辣椒预处理设备。辣椒预处理方法包括以下步骤:S1、将新鲜辣椒经筛选、去除蒂梗得到辣椒物料I和辣椒废料,将辣椒物料I经风选去除杂质,得到辣椒物料II和杂质物料;S2、将辣椒物料II进行至少两次清洗后得到辣椒物料III和清洗废水;S3、将辣椒废料、杂质物料、清洗废水与微生物复合菌剂混合进行发酵得到有机肥。辣椒预处理设备包括分拣台、第一输送带、风选机、第二输送带、清洗机和用于进行发酵的发酵罐,分拣台的一侧设置有用于收集辣椒废料的废料收集箱,风选机设置有用于收集杂质物料的杂质收集箱。该预处理方法和设备能够有效利用辣椒废弃物料和清洗废水,且清洗效果好。

标签:
废水处理
湖南 - 长沙 来源:中冶有色网 2023-03-19
利用废料制备聚合硅酸铝铁的方法

本发明公开了利用酸洗废水、矿渣等废物再利用制备一种絮凝剂聚硅酸铝铁的制备方法。钢厂废水经2级纳滤将废水中的铁盐与硫酸分离,1级浓水经离心分离变为硫酸铁;2级纳滤处理得到20%的硫酸。铝渣经粉碎与所得到得硫酸反应并过滤出去溶液中的杂质。纳滤生产的硫酸与硅酸钠反应调节pH至5.5,聚合生成聚硅酸。聚硅酸中加入硫酸铝反应一段时间后加入硫酸铁生成聚合硅酸铝铁。这种絮凝剂的生产方式原料来源广泛,对环境友好,且聚合硅酸铝铁絮凝效果优于聚合铁,用量少,处理效果好,适合广泛推应用。

标签:
废水处理
湖南 - 长沙 来源:中冶有色网 2023-03-19
功能化石墨烯吸附剂及其制备方法和应用

本发明公开了一种功能化石墨烯吸附剂,其主要由石墨烯和十六烷基三甲基溴化铵组成,十六烷基三甲基溴化铵通过非共价键作用插入和/或镶嵌在层状石墨烯的边缘或表层,其在吸附剂中的质量分数为40%~50%。本发明公开了功能化石墨烯吸附剂的制备方法:将氧化石墨烯分散在水中,向分散后的悬浮液中添加十六烷基三甲基溴化铵,搅拌使其反应;再向加热后的反应体系中加入还原剂,将还原得到的黑色絮状沉淀进行抽滤、洗涤和干燥即可。本发明的吸附剂可去除废水中的铬,将该吸附剂添加至含铬废水中,控制废水的温度,充分吸附并振荡反应完全后,利用滤膜对吸附后的余液进行过滤,完成对铬的去除。本发明具有简单、高效、绿色、经济、环保等优点。

标签:
废水处理
湖南 - 长沙 来源:中冶有色网 2023-03-19
壳聚糖负载二氧化钛复合材料的制备方法及应用

本发明涉及一种壳聚糖负载二氧化钛复合材料的制备方法及应用。该复合材料制备的具体步骤为:首先将二氧化钛纳米粉末均匀分散在壳聚糖的醋酸溶液中,利用戊二醛为交联剂提高复合材料的机械强度,最后加入氢氧化钠使壳聚糖凝胶析出得到产品。该产品的制备工艺简单、操作方便、制备成本低。制得的复合材料对水体中的四环素有较强的去除能力,且容易从水体中分离。该产品能用于畜禽养殖废水、医药废水、医疗废水等的处理。

标签:
废水处理
湖南 - 长沙 来源:中冶有色网 2023-03-19
从野漆树籽中提取野漆树籽油方法

本发明提供一种水酶法制野漆树籽油工艺方法,经经研磨,加水,调节料液pH值,加入淀粉酶、酸性蛋白酶和纤维素酶解,离心得野漆树籽油和废水;废水经732阳离子交换树脂吸附,得流出液,进入下一次的酶解提油循环步骤,流出液循环3~5次使用;循环制油所产生废水与两至五倍重量的废渣为原料,灭菌后加入质量比为10~20%枯草芽孢杆菌粉,30~40℃好氧发酵培养24~48h即可。

标签:
废水处理
湖南 - 长沙 来源:中冶有色网 2023-03-19
利用聚电解质-表面活性剂同时去除水体中苯酚和锌离子的方法

本发明公开了一种利用聚电解质‑表面活性剂同时去除水体中苯酚和锌离子的方法,包括以下步骤:将聚乙烯亚胺、十二烷基硫酸钠、含苯酚和Zn2+的复合废水混合,搅拌,静置,超滤,完成对废水中苯酚和Zn2+的去除。本发明利用聚电解质‑表面活性剂同时去除水体中苯酚和锌离子的方法,具有去除率高、能耗低、无相变、无二次污染、易实现污染物回收和自动化操作等优点,同时具有工艺简单、操作方便、成本低廉等优点,能够有效去除废水中的苯酚和锌离子,有着很好的应用价值和应用前景。

标签:
废水处理
湖南 - 长沙 来源:中冶有色网 2023-03-19
高效脱氟铝铁复合试剂的制备方法及应用

本发明公开了一种高效脱氟铝铁复合试剂的制备方法及应用。利用铝盐和铁盐在酸性条件下发生聚合反应制备铝铁复合试剂,由此得到的铝铁复合试剂用于处理含氟废水,能使废水中的氟离子浓度稳定低于1mg/L以下,达到地表水环境质量标准(GB3838‑2002)中三类水标准要求。制备铝铁复合试剂的方法条件温和,成本低廉;该铝铁复合试剂用于含氟废水的处理,效果显著,且工艺简单,省时省力,具有很好的应用前景。

标签:
废水处理
湖南 - 长沙 来源:中冶有色网 2023-03-19
能源化工浓盐水零排放系统及其处理工艺

本发明公开一种能源化工浓盐水零排放系统,包括分离系统、废水处理系统、污泥处理系统、浓水回收系统、清水池和浓水池;废水处理系统包括超滤膜装置、一级反渗透装置、二级反渗透装置和三级反渗透装置,二、三级反渗透装置之间设有透平式能量回收装置;浓水回收系统包括机械再压缩蒸发器。本发明还公开上述排放系统的处理工艺,先将浓盐水进行澄清软化处理,再调节pH后进行超滤处理,超滤后的废水进行一级反渗透浓缩分离,再进行二级反渗透浓缩分离,得到的二级浓水流经透平式能量回收装置后送入三级反渗透装置,三级浓水流入透平式能量回收装置给二级浓水增压后从排水端排入浓水池。本发明浓盐水实现98%以上的回用,实现了能源化工浓盐水零排放的目标。

标签:
废水处理
湖南 - 长沙 来源:中冶有色网 2023-03-19
含铊锌渣的综合资源化方法

本发明公开了一种含铊锌渣的综合资源化方法。采用高温处理含铊锌渣并通过烟气收集的方式回收锌和铊,将其与含铊锌渣中的铁进行分离;然后对含锌铊烟尘进行水洗,强化洗脱其中的钾钠和氯离子,净化氧化锌粉中的盐分;最后将洗尘废水经过弱还原破络‑多齿螯合一步法除铊药剂实现高盐废水中铊协同重金属深度去除,回收获得高价值钾钠盐;洗尘滤饼经过浆化以及采用多孔生物质基吸附剂酸性除重除铊,利用吸附剂内部的羟基和羧基导致吸附剂表面积累大量负电荷,促进铊离子在吸附剂表面吸附,进而实现深度除铊并回收获得高价值硫酸锌产品。本发明提供的技术方案还具有工艺条件简单,能耗低,无废水排放等优点。

标签:
废水处理
湖南 - 长沙 来源:中冶有色网 2023-03-19
以烧结和球团工序为中心的固废处置工艺

本发明提出了一种以烧结和球团工序为中心的固废处置工艺,通过将多源固废经过分类及各自的预处理后,将预处理产生的预处理渣进入到烧结和球团工序进行终端的处置;同时预处理过程中产生的废气也可以汇入到烧结烟气中进行协同净化,进一步的预处理产生的废水也与烧结和球团工序废水进行统一的废水提盐资源化处理,最终实现多种固废的全流程处置,彻底消除固废对环境的影响和二次污染的风险。

标签:
废水处理
湖南 - 长沙 来源:中冶有色网 2023-03-19
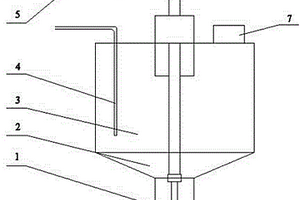
可回流的简易沉砂池
可回流的简易沉砂池 953     
 0

本实用新型在传统的钟式沉砂池的基础上,添加回流管回流沉砂区的氟化钙砂粒至沉淀池做晶种,分选区的氢氧化钙上清液回流至调节池调节废水酸度。本实用新型主要由分选区、集砂区、电动机、砂提升管、排砂管、污泥回流管、上清液回流管等组成。其使用流程为:含氟废水经过化学沉淀和絮凝沉淀后进入沉砂池,在离心力和重力的作用下氟化钙砂粒沉积在集砂区,且分选区的氢氧化钙上清液浊度很低,符合要求。通过砂提升管将集砂区的氟化钙送至排砂管,一部分回流至沉淀池做晶种,一部分回收再利用;氢氧化钙上清液通过回流管回流至调节池调节废水酸度。这个装置不仅能将含氟废水中的氟离子浓度降至国家一级排放标准,也有效利用了氟资源和钙资源,有很大的环境效益和经济效益。

标签:
废水处理
湖南 - 长沙 来源:中冶有色网 2023-03-19
用于湿法烟气脱硫工艺的节能环保型循环水系统

本发明提供了一种用于湿法烟气脱硫工艺的节能环保型循环水系统,包括脱硫塔,脱硫塔的废水出口处通过第一管道与过滤池相连接,第一管道上布置有第一泵体,所述过滤池内底部布置有出水管道,出水管道上开设有若干出水孔,出水管道右端与第一管道相连通;所述出水管道上方的过滤池内布置有蜂窝斜管,蜂窝斜管上方设置有滤网装置;所述过滤池内设置有第二泵体。本发明具有以下有益效果是:第一,利用滤网装置上的第一滤网、第二滤网和第三滤网来对废水中的杂质进行沉淀作用,使废水的颗粒杂质能够尽快沉淀下来;第二,利用混匀装置改变了混匀范围,从而使絮凝剂与废水的絮凝效果更佳,有效提高了絮凝效果。

标签:
废水处理
湖南 - 长沙 来源:中冶有色网 2023-03-19
从污酸中同步回收硫酸与氟氯的方法及装置

本发明涉及一种从污酸同步回收硫酸与氟氯的方法及装置,方法包括以下步骤:(1)过滤去除悬浮物;(2)污酸废水通过电渗析装置,提高浓液中酸的浓度;(3)浓液进入改进式降膜蒸发装置处理,底部收集质量分数为70-80%的浓硫酸,产生的二次蒸汽经过降膜吸收完全,得到氟氯混酸。通过本发明可以实现污酸废水中氟氯的开路,并且同时回收浓硫酸。此外,本发明还提供了上述方法配套的装置。本发明提供的方法及装置具有快速同步处理并回收污酸中的硫酸、盐酸、氢氟酸等优点。

标签:
废水处理
湖南 - 长沙 来源:中冶有色网 2023-03-19
地下金属矿山无排放生产方法

本发明提供这种地下金属矿山无排放生产方法包括井巷掘进、采场回采、废石在井下转移到采空区、矿石输送、选厂选矿、选矿废水分段回用、选矿尾砂还原采空区等主体工序。本发明地下金属矿山无排放生产方法是一种闭环清洁生产模式,只有产品输送出来,在矿山生产过程中产生的废石、尾砂与废水结合矿产品采、选生产工艺被全部利用,取消了矿山地表尾砂库和废石场,实现矿山固体废物和废水零排放,彻底消除了矿山固体废物与废水排放占用土地和对地表环境的污染。

标签:
废水处理
湖南 - 长沙 来源:中冶有色网 2023-03-19
农业面源污染的控制方法

本发明涉及一种农业面源污染的控制方法,属于环保技术领域;该方法包括以下步骤:S1、将农业面源污染源与吸附剂混合后,得预处理废水;S2、将镁源添加至所述预处理废水中,收集液相得处理后废水;收集固相得粗制鸟粪石;S3、将粗制鸟粪石酸洗后,即得;所述农业面源污染源为含磷废水;所述吸附剂为生物炭、石墨烯复合改性鸟粪石。本发明的农业面源污染源中含有Cu、Zn、Pb、Ni和Cd等重金属元素;同时还含有氨氮和磷酸根;本发明的方法,通过添加镁源,与农业面源污染源中氨氮和磷酸根结合形成鸟粪石;实现了对农业面源污染源中氨氮和磷酸根的回用;同时还制得的高纯度的鸟粪石。

标签:
废水处理
湖南 - 长沙 来源:中冶有色网 2023-03-19
利用黑老虎籽高效制油方法

本发明提供水酶法制黑老虎籽油工艺方法,籽仁经研磨,加水,调节料液pH值,加入混合酶进行酶解,离心得籽油和废水;废水经732阳离子交换树脂吸附处理,循环使用多次;循环制油所产生废水为原料,经发酵处理后用于饲料添加。该法能使乳化作用明显减弱,酚类、皂苷在水和油中的含量明显下降,更利于水的循环重复使用,降低了废物的排放量。利用废水为基础生产饲料发酵剂,能大大降低了废物污染环境的风险,同时也提高了废物中有效成分的利用价值。

标签:
废水处理
湖南 - 长沙 来源:中冶有色网 2023-03-19
高吸附性能给水厂残泥免烧陶粒的制备方法及用途

本发明公开了一种高吸附性能给水厂残泥免烧陶粒的制备方法及用途,它涉及水处理技术领域。其制备步骤为:将风干研磨后的给水厂残泥与水泥、激发剂、粉煤灰等混合均匀,加入水玻璃粘结剂后造粒,将陶粒生料置于70‑90℃灭菌锅中蒸养12 h,之后风干陈化2‑3天,即得到给水厂残泥免烧陶粒。本发明制备方法简单、原料廉价易得、设备投入及运行成本低且吸附效果优异,可作为吸附材料应用于废水处理工艺中,陶粒对重金属、磷、阴离子型有机污染物等均具有较强吸附能力,本发明搭建了给水厂残泥实验室研究向水处理工艺应用的新桥梁,可为废水污染物减排和WTR处置提供新的解决途径,有利于实现“以废治废”的双赢目标。

标签:
废水处理
湖南 - 长沙 来源:中冶有色网 2023-03-19
碘化银纳米颗粒修饰钨酸铋异质结光催化剂及其制备方法和应用

本发明公开了一种碘化银纳米颗粒修饰钨酸铋异质结光催化剂及其制备方法和应用,该光催化剂以三维微球状钨酸铋为载体,载体上修饰有碘化银纳米颗粒,二者的质量比为0.05~0.4∶1。其制备方法包括制备三维微球状钨酸铋混合液,并将其与含Ag+物质混合,黑暗反应30min~60min,加入碘化盐,继续黑暗反应1h~1.5h,离心,洗涤,干燥,得到本发明光催化剂。本发明光催化剂具有绿色环保、比表面积大、催化氧化活性强、光生载流子分离效率高、重复利用性好等优点,其制备方法具有制备方法简单、反应条件可控等优点。本发明光催化剂可广泛用于降解有机废水,能够高效降解废水中的有机物,具有很好的实际应用前景。

标签:
废水处理
湖南 - 长沙 来源:中冶有色网 2023-03-19
利用八月瓜籽制食用保健油的综合方法

本发明提供利用八月瓜籽制油的工艺方法,八月瓜籽经研磨,加水,调节料液pH值,加入淀粉酶、酸性蛋白酶和纤维素酶解,离心得八月瓜油和废水;废水经732阳离子交换树脂吸附,得流出液,进入下一次的酶解提油循环步骤,流出液循环3~5次使用;述循环制油所产生废水生产饮料的方法,具体步骤包括如下:循环制油所产生废水为原料,加入湿渣,使含水量达到15~35%,再加入10~25%八月瓜果肉泥,再加入10~25%菠萝汁,再加入终浓度为300U~600U/L的果胶酶,20~30℃水解7~12h,获得水解液,过滤,再加入1~3%乳酸链球菌素,在110~120℃下5~10s瞬时灭菌得八月瓜饮料产品。

标签:
废水处理
湖南 - 长沙 来源:中冶有色网 2023-03-19
秸秆纤维素/氧化石墨烯复合材料的制备和应用

本发明涉及一种秸秆纤维素/氧化石墨烯复合材料的制备方法和应用。所制备方法为秸秆纤维素/氧化石墨烯的复合。所述应用是指在废水处理方面的应用,其包括如下步骤:调节废水的pH值为2~8,加入所述秸秆纤维素/氧化石墨烯复合材料,常温下震荡30~120min,将溶液离心,获得净化后的废水。本发明提供的吸附材料,制备方法简单,实验条件温和,成本和能耗较低,对重金属离子的吸附效果好,废水处理效率高,最后该复合材料解析吸附后重复利用效率高,无二次污染。

标签:
废水处理
湖南 - 长沙 来源:中冶有色网 2023-03-19
水处理方法
水处理方法 1217     
 0

本发明公开了一种水处理方法,该方法包括以下步骤:(1)在被处理水中加入双氧水,得到混合水;(2)将混合水引入高速离心机,同时对离心机的外表面进行加热,温度为152℃以上,得到无双氧水的干净水和废水;(3)储存干净水,同时排出废水。本发明利用双氧水对水进行处理,处理完没有双氧水残留,非常安全。

标签:
废水处理
湖南 - 长沙 来源:中冶有色网 2023-03-19
六方氮化硼修饰石墨化氮化碳复合光催化剂及其制备方法和应用

本发明公开了一种六方氮化硼修饰石墨化氮化碳复合光催化剂及其制备方法和应用,该复合光催化剂以石墨化氮化碳为载体,石墨化氮化碳载体上修饰有层状六方氮化硼。其制备方法是将六方氮化硼与石墨化氮化碳前驱体混合,所得混合物前驱体进行煅烧,得到六方氮化硼修饰石墨化氮化碳复合光催化剂。本发明六方氮化硼修饰石墨化氮化碳复合光催化剂具有绿色环保、完全无金属掺杂、比表面积大、光生电子?空穴分离效率高、光催化活性高、稳定性好、耐腐蚀等优点,其制备方法具有简单、原料成本低、耗能少、耗时短、条件易控等优点。将本发明复合光催化剂用于降解染料废水,具有应用方法简单、光催化性能稳定、耐腐蚀性能强、对染料废水降解效率高的优点。

标签:
废水处理
湖南 - 长沙 来源:中冶有色网 2023-03-19
多污染物烟气清洁处理的方法及其装置

一种多污染物烟气清洁处理处置的方法,该方法包括以下步骤:1)多污染烟气吸附:多污染物烟气采用活性炭进行处理,获得吸附饱和活性炭;2)活性炭热再生:将吸附饱和活性炭加热至高温,进行热再生;3)SRG气体处理:活性炭热再生产生的SRG气体通过湿法洗涤,获得高硫气体和酸性洗涤废水;4)高硫气体处理:步骤3)获得的高硫气体通过硫资源化工序回收硫资源;5)酸性洗涤废水处理:步骤3)获得的酸性洗涤废水通过酸性过滤,获得清液和炭粉;6)清液絮凝:在步骤5)中获得的清液中加入碱液,使得清液絮凝沉淀,获得含金属污泥和含盐废水。采用本发明的方法可以很好的处理二次污染物,变废为宝,重复利用,节约成本、回收资源,保护环境。

标签:
废水处理
湖南 - 长沙 来源:中冶有色网 2023-03-19
上一页 19 20 21 22 23 ... 65 下一页
共65页    到第

中冶有色为您提供最新的湖南长沙有色金属废水处理技术理论与应用信息,涵盖发明专利、权利要求、说明书、技术领域、背景技术、实用新型内容及具体实施方式等有色技术内容。打造最具专业性的有色金属技术理论与应用平台!

全国热门有色金属设备推荐
展开更多 +
全国热门有色金属技术推荐
展开更多 +

 

江西省隆恩特环保设备有限公司
宣传

报名参会
更多+

报告下载

有色专家
更多+

江西铜业集团有限公司
党委书记、董事长
昆明理工大学
校长
中冶沈勘秦皇岛工程技术有限公司
原矿山院院长/教授级高工
石家庄铁道大学
团委书记/副教授
中南大学、中国工程院
院士
赤泥综合利用研究报告2025
推广

热门技术
更多+

推荐企业
更多+

福建省金龙稀土股份有限公司
宣传

发布

在线客服

公众号

电话

顶部
咨询电话:
010-88793500-807