青岛垚鑫智能科技有限公司
宣传

位置:中冶有色 >

有色技术频道 >

> 废水处理技术

分类:
全部
矿山技术
冶金技术
材料制备及加工技术
环境保护技术
分析检测技术
 
全部
废水处理技术
大气治理技术
固/危废处置技术
土壤修复技术
地区:
全部
北京
天津
上海
重庆
河北
山西
辽宁
吉林
黑龙江
江苏
浙江
安徽
福建
江西
山东
河南
湖北
湖南
广东
海南
四川
贵州
云南
陕西
甘肃
青海
内蒙
广西
西藏
宁夏
新疆
其他
其他
展开
 
全部
郑州
开封
洛阳
平顶山
安阳
鹤壁
新乡
焦作
濮阳
许昌
漯河
三门峡
商丘
周口
驻马店
南阳
信阳
济源

河南郑州有色金属废水处理技术理论与应用

免费发布技术信息>>
固定床电催化氧化废水处理装置

本实用新型公开了一种固定床电催化氧化废水处理装置,包括固定床和设备本体,所述设备本体位于固定床的顶端,所述设备本体包括设备箱、PLC控制器、直流开关电源、导电极板、三维粒子电极层、承托层组件、进水系统、曝气系统、排水系统和排渣排空系统,所述PLC控制器用于控制直流开关电源的开启,所述直流开关电源通过导线和导电极板电连接,所述三维粒子电极层和承托层组件均设置于设备箱的内部。本实用新型能够对高浓度、难降解的有机废水进行高效的处理,同时能够对该装置的电催化氧化工作过程和清洗过程进行控制,实现设备的高效自动化运行和系统的长期稳定性运行。

标签:
废水处理
河南 - 郑州 来源:中冶有色网 2023-03-19
自动收集家庭内废水作为便池、洗拖把池用水的装置

本实用新型涉及家用供水装置,尤其是一种自动收集、贮存家庭内废水(洗衣水、洗浴水、洗脸水、洗菜水)作为便池、洗拖把池用水的装置。该装置主要由地漏、滤筐、贮水箱、微型潜水泵、冲便水箱等组成。其结构特点是:地漏将洁具与贮水箱接通;废水自动经地漏、滤筐进入贮水箱。启动微型潜水泵供给便池和洗拖把池用水;操作排水阀冲便,打开阀门洗拖把。该装置适用于居民住房和公共场所及设计具有节水功能的新型建筑。

标签:
废水处理
河南 - 郑州 来源:中冶有色网 2023-03-19
用于生活废水处理的净化装置

本实用新型公开了一种用于生活废水处理的净化装置,包括净化箱,净化箱的左侧板从上至下依次开设有连接孔、投药孔和排废口,连接孔、投药孔和排废口的内部均设置有限位块,净化箱的内部设置有过滤装置,过滤装置包括滤板,滤板的上侧设置有第一过滤网,第一过滤网左端的连接块与连接孔内部的限位块固定连接,过滤装置的下侧设置有排废池,净化箱的顶部设置有水泵,水泵的进水口处设置的输水管贯穿净化箱的顶板且延伸至净化箱的内部。本实用新型可以将废水中的剩饭剩菜等过滤出来,避免这些废料堆积在净化箱的内部,可以定期的对过滤网进行清洗,将水中的大颗粒杂质进行吸附沉淀,然后排废池将沉淀的杂质进行收集,使用方便。

标签:
废水处理
河南 - 郑州 来源:中冶有色网 2023-03-19
废水检测用固液分离装置

本申请涉及废水检测的技术领域,尤其是涉及一种废水检测用固液分离装置,其包括开口朝上的桶体和设于桶体内且开口朝上的滤桶,桶体上安装有安装架和用于驱动滤桶自转的驱动件,安装架上安装有抵触于滤桶上端的收集盒,收集盒开口朝上且呈环形设置;安装架上沿竖直方向滑动穿设有转动杆,转动杆上安装有沿竖直方向滑动嵌设在滤桶内侧和收集盒内侧的刮盘。本申请能够方便滤桶内杂质的清理。

标签:
废水处理
河南 - 郑州 来源:中冶有色网 2023-03-19
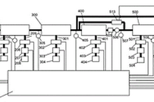
废水排出处理装置
废水排出处理装置 737     
 0

本实用新型涉及废水处理装置的技术领域,特别是涉及一种废水排出处理装置,其提高处理效果从而提高使用可靠性;使用更为方便;包括主体,主体的内部设置有工作腔,工作腔内横向设置有筛网,将主体隔成上腔室和下腔室,主体的侧壁上设置有进水管和清理口,清理口处设置有挡门;主体的右侧壁上设置有观察孔,观察孔处设置有透明挡板;还包括处理箱、配置箱、输出管、输送管、多个喷头和支撑架,处理箱的内部设置有处理腔,处理腔内横向设置有活性炭过滤板,将处理腔隔成上分腔和下分腔,输出管上设置有第一控制泵,处理箱的右侧壁上设置有泄流管,配置箱内设置有配置腔,配置箱侧壁上设置有进料管和卸料管,输送管上设置有第二控制泵。

标签:
废水处理
河南 - 郑州 来源:中冶有色网 2023-03-19
可在线控制的印染废水深度处理系统

本实用新型通过提供一种可在线控制的印染废水深度处理系统,本系统将铁碳微电解装置和芬顿反应装置,絮凝沉淀装置和生物活性炭装置的串联,协同电解反应,芬顿反应,絮凝反应,沉淀反应,活性炭吸附作用,微生物分解作用将生化处理后的废水中的有机物、色度的高效去除;并通过自动控制装置将本系统运行的关键参数进行调控,不仅系统精度提高了10%,保证了系统的高效运行,提高了污染物的去除率,同时节约了药剂投加量和人工成本,而且系统的耐冲击符合能力也得到了极大提高。

标签:
废水处理
河南 - 郑州 来源:中冶有色网 2023-03-19
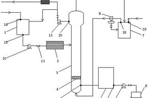
具有热量回收功能的废水处理系统

本实用新型公开一种具有热量回收功能的废水处理系统,包括三效蒸发器以及与三效蒸发器连接的富盐残余物处理设备组、有机物处理设备组和蒸馏冷凝水处理设备组,还包括热量回收设备组,包括第一冷却水池、循环水箱和蒸汽锅炉,第一冷却水池与三效蒸发器的蒸馏冷凝水出口连通,第一冷却水池内设置有板式换热器,板式换热器内的换热流道与循环水箱连通形成换热流路,换热流路上设置有流体驱动装置,循环水箱还与蒸汽锅炉连接,蒸汽锅炉产生的蒸汽用于提供至富盐残余物处理设备组和蒸馏冷凝水处理设备组,第一冷却水池的出水口与蒸馏冷凝水处理设备组连通。本实用新型提供的具有热量回收功能的废水处理系统有利于热能的充分利用,提高蒸馏的效率。

标签:
废水处理
河南 - 郑州 来源:中冶有色网 2023-03-19
小球藻培养处理废水装置

本实用新型公开了一种小球藻培养处理废水装置,涉及污水处理设备技术领域,包括箱体,所述箱体内侧顶部安装有灯管,所述箱体顶端右侧中部开设有第一凹槽,且第一凹槽内侧安装有处理液进口,所述处理液进口顶部放置有溶剂罐,且溶剂罐左侧安装有废水进口,且废水进口下方设有搅拌桨,所述搅拌桨一端固定有搅拌杆,且搅拌杆右侧连接有转轴,所述转轴右侧固定有电机。本实用新型中,当污水与溶剂进入到箱体内时,通过电机带动拌杆上的搅拌桨作用,使得污水与溶剂可以充分融合,且通过凸块作用,使得溶剂罐为分批式将溶剂导入箱体内,且由于搅拌桨与溶剂罐共用同一电机,在此过程中,可使污水与溶剂融合的更充分。

标签:
废水处理
河南 - 郑州 来源:中冶有色网 2023-03-19
用于净化废水的芬顿流化床

本实用新型实施例提供了一种用于净化废水的芬顿流化床,该流化床的过滤层密封铺设在反应腔体内,并将反应腔体分隔为过滤室和流化室;过滤室的侧壁上设有出水口;流化室的侧壁上分别设有进水口和加药口,且进水口的中心轴线与所述加药口的中心轴线呈第一预设角度。可见,本实用新型实施例提供的芬顿流化床的进水口的中心轴线与所述加药口的中心轴线呈第一预设角度的设置,使得从加药口中进入的药与进水口进入的水更容易形成相对逆流混合效果,使得流体在流化室中混合速率更快,效果也更好。因此,应用本实用新型实施例提供的芬顿流化床能够提高废水中污染物的去除率。

标签:
废水处理
河南 - 郑州 来源:中冶有色网 2023-03-19
外携式传染病毒检测废水消毒机

本实用新型涉及病毒消毒技术领域,且公开了外携式传染病毒检测废水消毒机,包括消毒箱,所述消毒箱的顶部开设有废液口,所述消毒箱的顶部固定连接有增压箱,所述增压箱的外侧开设有消毒口,所述增压箱的内壁上设置有活塞。该外携式传染病毒检测废水消毒机,摇动摇把会带动齿轮进行转动,进而使第一链条带动传动杆表面的齿轮进而带动传动杆进行转动,进而带动第二链条和表面的齿轮进行转动,使第二链条带动搅拌轴进行转动,进而对病毒废液进行搅拌,使喷洒的消毒液能均匀的与病毒废液进行充分的融合,进而避免一些病毒废液不能与消毒液进行均匀的混合,提高净化后的效果,减少病毒的存活的空间,防止病毒寄生在消毒箱的内部。

标签:
废水处理
河南 - 郑州 来源:中冶有色网 2023-03-19
电化学协助TiO2可见光催化降解废水中有害有机物的装置

本实用新型属于废水处理领域,公开一种电化学协助TiO2可见光催化降解废水中有害有机物的装置。包括磁力搅拌器,搅拌器上放置有立方形电解槽,电解槽内底部放置有搅拌子,电解槽左右侧壁底部分设有曝气头和排水口,电解槽左侧壁上端设有进水口,电解槽前后侧壁顶部两端分别与相邻左右侧壁间隔设有限位块,左右侧壁分别与其相邻的两限位块之间形成一卡槽,卡槽中放置有与其适配的限位条,限位条中部预设有限位孔,电解槽内左右两侧分设有阴极和阳极,阴极和阳极的上端中部各自设置有引线穿过对应侧的限位孔用夹子固定后再与恒电流/恒电位仪的电极接口连接,恒电流/恒电位仪的电极接口同时连接有参比电极。本实用新型提高了TiO2的光催化活性和H2O2的利用率。

标签:
废水处理
河南 - 郑州 来源:中冶有色网 2023-03-19
火电厂含煤废水处理系统

本实用新型公开了一种火电厂含煤废水处理系统,废水提升泵的出液口通过管道连接至调节沉降池的进液口,调节沉降池的出液口通过管道连接有第一输送泵,第一输送泵的出液口通过管道连接至混凝池的进液口,混凝池的出液口通过管道连接有第二输送泵,第二输送泵的出液口通过管道连接至污水净化器的进液口,污水净化器的出液口通过管道连接有清水泵,清水泵的出液口通过管道连接至清水池的进液口;调节沉降池中设有若干个调节沉降池超声波搅拌棒,混凝池中设有若干个混凝池超声波搅拌棒;混凝池设有混凝剂加药装置,污水净化装置设有助凝剂加药装置。本申请设有混凝剂加药装置及助凝剂加药装置,便于分别向混凝池和污水净化装置中加药。

标签:
废水处理
河南 - 郑州 来源:中冶有色网 2023-03-19
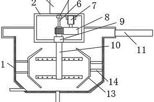
脱脂废水处理用絮凝罐
脱脂废水处理用絮凝罐 1115     
 0

本实用新型属于絮凝罐技术领域,具体涉及一种脱脂废水处理用絮凝罐,包括罐体,罐体顶部设有废水进口,罐体内设有第一支撑板和曲轴,第一支撑板位于罐体上部且与罐体内侧壁固定连接,第一支撑板上设有进油口,进油口连通输油管道,输油管道连通出油口,该出油口位于罐体的下部,曲轴的一端通过轴承与罐体内侧壁滑动连接,曲轴另一端连接电机,电机固定于罐体内侧壁,曲轴下方通过支撑杆连接固定板,曲轴与支撑杆一端通过轴承滑动连接,固定板与支撑杆的另一端固定连接,固定板连接过滤筒,该过滤筒由滤布制作而成,本实用新型寿命长、成本低、过滤效果好。

标签:
废水处理
河南 - 郑州 来源:中冶有色网 2023-03-19
用于矿井废水处理的复合纳滤膜及其制备方法

本发明属于水处理分离膜技术领域,特别涉及一种用于矿井废水处理的复合纳滤膜及其制备方法。所述纳滤膜选择性层中含有COF纳米管。本发明所制备的复合纳滤膜,由于COF纳米管具有较高的微孔率、可定制的化学结构和良好的聚合物亲和力,因此最大限度地避免了界面缺陷的产生,并且在矿井废水的处理中体现出优异的水通量以及离子筛分能力。此外,制备过程使用的界面聚合方法简单,反应具有自抑制性,易于集成与放大。

标签:
废水处理
河南 - 郑州 来源:中冶有色网 2023-03-19
高浓度高盐废水强化处理系统

本发明提出了一种高浓度高盐废水强化处理系统,包括收集池、Fe‑C‑O3反应机构、强化电场催化氧化反应机构、以及污泥处理机构;本方案能够有效解决高浓度高盐有机废水的降解,避免直接排放,防止环境污染。

标签:
废水处理
河南 - 郑州 来源:中冶有色网 2023-03-19
煤系针状焦废水的隔油除油工艺

本发明涉及一种煤系针状焦废水的隔油除油工艺,其特征在于,包括以下步骤:(1)隔油沉淀处理;(2)破乳气浮除油;(3)高效碰撞除油器除油;其中高效碰撞除油器依次包括以下三个部分:油粗粒化分离区,浮油旋流分离区,微气泡浮选除油区,所述油粗粒化分离区主要由碰撞布水器和接枝改性聚乙烯蜂窝填料组成,所述接枝改性聚乙烯是聚乙烯和接枝单体聚合得到,所述接枝单体是(甲基)丙烯酸酯和(甲基)丙烯酰氧乙基肉桂酸酯的复配。本发明通过各个工艺的组合,极大降低了煤系针状焦废水的含油量,特别是乳化油和溶解油等通过常规手段无法有效除去的煤焦油部分,为后续的处理减轻负荷,降低成本。

标签:
废水处理
河南 - 郑州 来源:中冶有色网 2023-03-19
废水处理用调节池
废水处理用调节池 851     
 0

本实用新型为一种废水处理用调节池,调节池本体内设置有潜水泵,潜水泵的进水管连接有防堵机构,防堵机构包括连接管,连接管的一端连接潜水泵的进水管、另一端连接有过滤筒,过滤筒的上端开口设置有滤网,连接管上设置有清扫构件,清扫构件包括连接筒,连接筒的上端设置有封板,连接管的周壁后部与连接筒的周壁前部连通,连接筒底板中部转动连接有转轴,转轴的上端贯穿封板位于连接筒上侧,连接筒内的转轴周壁中心阵列有扇叶,转轴的周壁上端中心阵列有刮板,刮板的底面均布有锥形的清洁柱,清洁柱的尖端所在的平面靠近过滤网的上端所在的平面,解决了废水处理用调节池潜水泵易堵塞,影响生产的问题。

标签:
废水处理
河南 - 郑州 来源:中冶有色网 2023-03-19
废水臭氧氧化处理装置
废水臭氧氧化处理装置 1198     
 0

一种废水臭氧氧化处理装置,包括处理罐,处理罐内从下至上依次可拆卸安装有第一滤板、臭氧曝气装置、滤料过滤装置;臭氧曝气装置包括顶部和底部均敞开的布管壳,布管壳内壁上固定有第一曝气管,第一曝气管上设有进气口,进气口处可拆卸安装有进气管,进气管延伸至处理罐外,第一曝气管的首端与尾端固定连接并形成封闭结构,第一曝气管的形状与布管壳的形状相适应,所述封闭结构内设有若干个均匀间隔的第二曝气管,第二曝气管的两端均与第一曝气管连通,第二曝气管及第一曝气管的底部均连通有若干个竖直的第三曝气管,第一曝气管、第二曝气管及第三曝气管上均设有曝气孔。本实用新型便于臭氧较均匀的布置在处理装置内,提高废水的净化效果。

标签:
废水处理
河南 - 郑州 来源:中冶有色网 2023-03-19
工地废水处理设备
工地废水处理设备 749     
 0

一种工地废水处理设备,有效的解决了水中泥沙处理不干净和浪费水资源等问题;其解决的技术方案是,本实用新型包括沉沙池,其特征在于,沉沙池内安装有沉沙器,沉沙器上连接有伸出沉沙池外侧的进水口,沉沙器上端设有驱动装置,沉沙器内部设有可以转动的转轴,转轴圆周设有多个叶轮,叶轮下侧连接有与转轴固接的洗沙管,沉沙器上端连接出水管,出水管连接泥水分离器,泥水分离器设有出水口,出水口连接净水池;本实用新型结构合理规范,通过对工地废水沉沙除泥的操作,使得处理之后的水中固体颗粒物基本不存在,可将水重新利用,不会阻塞管路,且节约了水资源,对环保有极大的好处。

标签:
废水处理
河南 - 郑州 来源:中冶有色网 2023-03-19
提高焦化废水可生化性的处理系统

一种提高焦化废水可生化性的处理系统,属于污水处理技术领域,主要由水解酸化一池、沉淀一池、水解酸化二池和沉淀二池依次连接而成。本实用新型在传统水解酸化法的基础上增加了二级酸化、沉淀及污泥回流,进一步强化了水解酸化效果。同时还在水解酸化池中布设微曝气装置,以调节水解酸化池中溶解氧的含量,为水解细菌和产酸菌的生存提供更适宜的环境,并加强了污泥在酸化池内的湍动,防止污泥沉淀,使微生物与有机物更充分地接触,提高了有机污染物的降解效率和废水的可生化性。此外,沉淀池中的部分污泥回流到水解酸化池中,使水解酸化池中保持相对丰富而稳定的微生物菌群,保证水解酸化反应稳定进行。

标签:
废水处理
河南 - 郑州 来源:中冶有色网 2023-03-19
高盐废水回用处理设备

本实用新型涉及一种高盐废水回用处理设备,所述设备至少包括预处理单元、深度软化单元、深度浓缩单元以及分质盐单元;其中所述预处理单元至少包括高级氧化单元、反应池、活性炭吸附池、DF管式微滤装置;所述高级氧化池单元连接反应池,所述反应池连接活性炭吸附池,所述活性炭吸附池连接DF微滤装置;所述活性炭吸附池连接污泥浓缩池,所述污泥浓缩池连接脱水机装置,所述脱水机装置连接活性炭吸附池的入口,所述DF管式微滤装置连接产水池。本实用新型的设备具有有效处理高盐废水并充分回用硫酸钠和氯化钠的效果。

标签:
废水处理
河南 - 郑州 来源:中冶有色网 2023-03-19
白芥子蛋白粉制备及其用于处理阴离子染料废水的方法

白芥子蛋白粉制备及其用于处理阴离子染料废水的方法,包括以下步骤:将白芥子粉碎成粉末;将白芥子粉和硫酸铵溶液混合后采用低温超声或者室温搅拌提取蛋白;对混合液进行过滤;对滤渣进行多次蛋白提取;将各次滤液混合后继续添加硫酸铵粉末并进行搅拌;对混合液进行离心处理;收集沉淀物并进行透析处理;将透析液置于敞口平底容器中进行低温真空干燥;干燥后的淡黄色晶体即为白芥子蛋白干粉;将蛋白粉配制成活性蛋白液,向待处理阴离子染料废水中加入活性蛋白液,搅拌后沉淀即可去除水中的阴离子染料。本发明具有白芥子活性蛋白粉制备简捷,设备简单,操作简便等优点,制备的白芥子活性蛋白粉为水中某些种类的阴离子染料的去除提供了新的方法。

标签:
废水处理
河南 - 郑州 来源:中冶有色网 2023-03-19
用于废水除硫的氧化还原树脂的制备方法

本发明公开了一种用于废水除硫的氧化还原树脂的制备方法。首先以聚甲醛和对苯二酚为原料,将聚甲醛配制成溶液,加入对苯二酚和氢氧化钠加热反应,制备线性预聚物A;然后以聚甲醛和苯酚为原料,将聚甲醛配制成溶液,加入苯酚和氢氧化钠加热反应,制备线性预聚物B;将得到的线性预聚物A和线性预聚物B进行混合,加热进行交联反应,得到含水树脂产物;将含水树脂产物进行烘干、粉碎,得到产物用于废水除硫的氧化还原树脂。本发明利用对苯二酚具有良好的醌型与酚型的转换功能,将树脂基团之间以共价键相连,使其合成的产物氧化还原树脂的使用寿命得以延长。通过本发明制备方法得到的产品稳定性、重复利用次数都得到了较大的提高。

标签:
废水处理
河南 - 郑州 来源:中冶有色网 2023-03-19
处理低浓度废水的厌氧反应器及其应用方法

本发明具体涉及一种水处理反应器及其应用方法,反应器水处理流程采用下进上出浸没式。本发明的特点是开发了一种联合布水系统,使原水可以通过不同布水口从反应器的中间和边缘同时进入反应器内,有利于反应器水质均匀,充分的发挥反应器的功能,利用单级厌氧系统即可达到高的有机物去除率,出水COD降至100mg/L以下,可达到传统好氧工艺和厌氧‑好氧联合工艺相同的去除效果,但却大比例降低了运行成本,使厌氧工艺在低浓度废水的处理中得到更加有效地利用。并引入一种低温产甲烷菌株对反应器进行了生物强化,保证了不同温度下反应器效能的稳定,解决了厌氧工艺冬季运行的难题,为低浓度废水厌氧处理的广泛应用提供了一种新思路。

标签:
废水处理
河南 - 郑州 来源:中冶有色网 2023-03-19
盐酸克林霉素生产废水的集成处理工艺

本发明公开了一种盐酸克林霉素生产废水的集成处理工艺,将盐酸克林霉素生产废水采用三效蒸发浓缩后离心分离,将离心分离产生的粗盐送入盐精制车间,母液收集起来用于提取磷酸盐,在盐精制车间,将粗盐多次溶解、蒸发、离心分离获得高纯度氯盐,经甲醇洗涤后获得成品氯盐,产生的母液收集起来用于提取磷酸盐;将磷酸盐母液进行蒸发浓缩,经离心、洗涤后获得磷酸盐,洗涤液精馏回收甲醇循环使用,馏渣送至危废处理中心,多效蒸发产生的污冷凝水和离心分离产生的结晶母液合并均质后再进行厌氧好氧生物处理及深度处理。本发明提供的方法是多效蒸发、甲醇精馏以及生物处理结合的一种集成方法,具有资源合理利用、成本低、操作简便、运行稳定等特点。

标签:
废水处理
河南 - 郑州 来源:中冶有色网 2023-03-19
亮蓝废水处理用氧化装置

本实用新型公开了一种亮蓝废水处理用氧化装置,包括氧化反应箱,所述氧化反应箱顶部中心处设置有控制箱,所述控制箱的顶部和底部中心处分别导通连接有加液管和出液管,且加液管和出液管上均设置有电磁阀,所述控制箱的内部底板上嵌设固定有搅拌轴,所述搅拌轴与控制箱的连接处嵌设有轴承。本实用新型中,将氧化液存储盒上连接的出液管直接插接在内部中空结构的搅拌轴内,使得氧化液存储盒内部的氧化液可以有通过搅拌轴和搅拌杆从出液孔排出,配合搅拌轴带动搅拌杆在氧化反应箱内搅拌,保证了氧化液与氧化反应箱内部废水的重复混合,提高了废水处理的氧化效率和品质。

标签:
废水处理
河南 - 郑州 来源:中冶有色网 2023-03-19
毛纺印染废水处理系统
毛纺印染废水处理系统 1159     
 0

本实用新型提供一种毛纺印染废水处理系统,包括依次连通的调节池、气浮池、水解酸化池、好氧池、二沉池、中间水池、催化反应塔、高效沉淀池、清水池;该系统处理顺序依次是预处理、生物氧化、高级氧化技术进行耦合应用于印染废水处理,预处理阶段采用絮凝剂添加装置添加絮凝剂调节,吸附架桥和网捕作用明显,极大提高了混凝效果,通过溶气气浮装置形成的微小气泡携带絮状体上浮至水面,絮体与污水的分离;采用催化氧化法作为深度处理的一种方式,通过催化反应塔延长了催化剂、氧化剂与污水的接触时间,提高了反应速率,节约了氧化剂的消耗量。便于管理和运行,节省了大量的人力和运行费用,成本低廉,操作简单,系统稳定,出水能持续稳定达标。

标签:
废水处理
河南 - 郑州 来源:中冶有色网 2023-03-19
高盐废水回用装置
高盐废水回用装置 1050     
 0

本实用新型涉及一种高盐废水回用装置,它包括混合箱,所述混合箱上部设置高盐废水进口,混合箱下部通过混合进料泵和阀门与微滤膜连接,所述微滤膜另一端设置在蒸发器中部,所述蒸发器底部设置有氮气进口,氮气进口通过氮气压缩机与氮气储罐相连,所述氮气储罐上部还与蒸发器顶部连接,氮气储罐上还设置有氮气源,所述蒸发器内部还设置有气体分布器,气体分布器与氮气进口之间设置有物料出口,所述物料出口与冷凝器连接,所述冷凝器上设置有冷却液出口,冷却液出口还与离心机连接,所述蒸发器上部还设置有混合气体出口,所述混合气体出口一端与纳滤膜连接,另一端与混合箱连接;本实用新型具有净化效果好、处理成本低、可以快速回收的优点。

标签:
废水处理
河南 - 郑州 来源:中冶有色网 2023-03-19
回程膨胀式酸性废水处理装置

本实用新型涉及一种回程膨胀式酸性废水处理装置。旨在解决现有设备集成度不高,占地面积的技术难题。该装置包括装有滤料的中和室、装有填料的脱碳室,脱碳室为筒腔体,中和室为与脱碳室共轴心线的、上部膨大的变截面环状腔体,脱碳室顶端开口位置低于中和室顶端开口位置,进水口、排污口分别设置于中和室的下部/顶部相应的位置,进气口和出水口设置于脱碳室的下部/顶部。本实用新型集沉淀斜板、中和室、脱碳室为一体,废水自下而上通过沉淀斜板,流经变截面腔体,溢流进入脱碳室,通过比表面积很大的填料,通气去除水体中的二氧化碳;本实用新型具有适用范围广,运行费用低、占地面积小、劳动强度低,管理简单等优点。

标签:
废水处理
河南 - 郑州 来源:中冶有色网 2023-03-19
利用均匀电磁场处理收集废水中带电金属离子的装置

本发明提供了一种利用均匀电磁场处理收集废水中带电金属离子的装置,包括恒流源、恒压源、电极板、多匝线圈组以及溶液循环装置,所述恒流源和多匝线圈组相连接,恒压源和电极板相连接,电极板和多匝线圈组垂直设置,所述溶液循环装置包括开口容器,开口容器置于电极板和多匝线圈组的中心位置,确保开口容器处于均匀电磁场中。本发明装置可有效分离不同的金属离子,因而可用于重金属废水的净化处理和重金属分类回收再利用;本发明装置也可以用于重金属浓度检测预处理等。

标签:
废水处理
河南 - 郑州 来源:中冶有色网 2023-03-19
上一页 19 20 21 22 23 ... 38 下一页
共38页    到第

中冶有色为您提供最新的河南郑州有色金属废水处理技术理论与应用信息,涵盖发明专利、权利要求、说明书、技术领域、背景技术、实用新型内容及具体实施方式等有色技术内容。打造最具专业性的有色金属技术理论与应用平台!

全国热门有色金属设备推荐
展开更多 +
全国热门有色金属技术推荐
展开更多 +

 

江西省隆恩特环保设备有限公司
宣传

报名参会
更多+

报告下载

有色专家
更多+

中南大学
中国工程院 院士
武汉工程大学
教授
长沙矿冶研究院有限责任公司
中国工程院院士
矿冶科技集团有限公司工程公司
副总经理
湖南科技大学
所长/教授
赤泥综合利用研究报告2025
推广

热门技术
更多+

推荐企业
更多+

福建省金龙稀土股份有限公司
宣传

发布

在线客服

公众号

电话

顶部
咨询电话:
010-88793500-807