青岛垚鑫智能科技有限公司
宣传

位置:中冶有色 >

有色技术频道 >

> 加工技术

分类:
全部
矿山技术
冶金技术
材料制备及加工技术
环境保护技术
分析检测技术
 
全部
功能材料技术
复合材料技术
新能源材料技术
合金材料技术
加工技术
地区:
全部
北京
天津
上海
重庆
河北
山西
辽宁
吉林
黑龙江
江苏
浙江
安徽
福建
江西
山东
河南
湖北
湖南
广东
海南
四川
贵州
云南
陕西
甘肃
青海
内蒙
广西
西藏
宁夏
新疆
其他
其他
展开
 
全部
南京
无锡
徐州
常州
苏州
南通
连云港
淮安
盐城
扬州
镇江
泰州
宿迁

江苏南京有色金属加工技术理论与应用

免费发布技术信息>>
纳米钴酸镍及其制备方法

本发明公开了一种二维珊瑚状纳米钴酸镍及其制备方法。将氧化石墨烯置于水中超声分散,硝酸钴和硝酸镍加入到水中搅拌溶解,然后将二种体系混合搅拌均匀,之后将混合体系冷冻干燥,最后将干燥后的粉末进行热处理,获得二维珊瑚状纳米钴酸镍。本发明以氧化石墨烯为模板材料采用热处理的方法,制备了二维珊瑚状纳米钴酸镍。应用本发明制备的二维珊瑚状纳米钴酸镍作为锂离子电池负极材料有较好的应用前景和经济效益。

标签:
加工技术
江苏 - 南京 来源:中冶有色网 2023-03-19
以生物质为碳源凝胶法制备氮掺杂多孔纳米碳材料的方法

本发明公开了一种以生物质为碳源凝胶法制备氮掺杂多孔碳纳米材料的方法及其应用。所述制备方法选用大豆渣或大豆作为碳源,过渡金属盐作为凝固剂,使经过浸泡研磨煮沸得到的豆浆凝固,形成豆腐凝胶;经过真空冷冻干燥,在惰性气氛下高温碳化和活化,得到嵌入过渡金属的氮掺杂多孔纳米碳材料。本发明所述制备方法具有工艺操作简单、成本低廉、易实现大规模商业化生产的优点。所述方法制得的氮掺杂多孔纳米碳材料石墨化程度高,机械强度大、导电率高,嵌入金属纳米粒子,可应用于超级电容器、锂离子电池和催化、吸附等领域。

标签:
加工技术
江苏 - 南京 来源:中冶有色网 2023-03-19
中空多孔碳复合材料的制备方法

本发明公开了一种中空多孔碳复合材料的制备方法,所述制备方法包括以下步骤:(1)固相自组装合成金属配合物;(2)金属配合物原位热分解及碳热还原合成镶嵌有金属或金属氧化物纳米颗粒的中空多孔碳复合材料。进一步对所述碳复合材料进行改性,通过与合适的酸反应去除其中的金属或金属氧化物纳米颗粒,从而进一步获得分级多孔碳复合材料。所述制备方法采用简易的一锅固相反应法,通过分步控温,从而获得均匀镶嵌有金属或金属氧化物纳米颗粒的中空多孔碳复合材料。所述方法合成的各种碳复合材料具有充放电容量稳定性好、比容量高、倍率性能优越等优点,可用于锂离子电池、电化学电容器等新能源领域。

标签:
加工技术
江苏 - 南京 来源:中冶有色网 2023-03-19
节能多用手电筒
节能多用手电筒 847     
 0

本发明提供一种节能多用手电筒。针对现有的手电筒发展为锂电可充电电池,但是需要充电,浪费电能,并且携带功能单一。本发明的节能多用手电筒,包括伞面和伞柄,所述的伞柄上连接伞面,所述的伞面上安装一组太阳能光伏板,所述的太阳能光伏板通过线路连接蓄电池,所述的蓄电池连接充电放电控制器和灯泡,所述的灯泡通过支架安装在所述的伞柄下部。本发明用于手持照明,节能并且功能多样。

标签:
加工技术
江苏 - 南京 来源:中冶有色网 2023-03-19
球状甲壳素的制造方法
球状甲壳素的制造方法 1006     
 0

本发明公开了一种将甲壳素溶于含氯化锂的二甲基乙酰胺后制造球状甲壳素的方法。所得球状物弥散性好,不会发生粘连,可作为层析法用充填材料。在制备球状甲壳素过程中还可以包藏目的物,因而可用此方法在形成球状甲壳素的同时,包藏固定生理活性物质,化妆用素材,缓释、控释药物等,大大拓宽了甲壳素的用途。本发明勿需添加剂,制作工艺简单,易于控制,所用有机试剂均可回收利用,生产成本低。

标签:
加工技术
江苏 - 南京 来源:中冶有色网 2023-03-19
基于机器视觉的地锁车机联动装置及方法

一种基于机器视觉的地锁车机联动装置,所述联动装置包括地锁相机、地锁挡板、步进电机、重力感应模块、扬声器、工作指示灯及4g模块,所述联动装置还包括边缘计算模块,边缘计算模块设置于锂电池一侧,地锁相机设置于地锁挡板中央,工作指示灯位于地锁相机一侧,扬声器位于地锁底部,边缘计算模块控制步进电机控制地锁挡板升起或落下,本方案采用机器视觉技术与智能停车技术相结合,通过深度学习技术检测车位绑定汽车,代替了用户手动关闭车锁步骤,通过边缘计算技术,告知用户汽车底部状况和车位情况,提升用户体验度的同时,增加汽车使用安全性。

标签:
加工技术
江苏 - 南京 来源:中冶有色网 2023-03-19
基于无线通信的手形鼠标

本发明公开了一种基于无线通信的手形鼠标。鼠标形状采用全指手套外形,内置薄膜电路层,薄膜电路层分为上、中、下三层,上层和下层为保护膜层,中间层为电路层,通过电路层进行布线;电路层设有CPU主控制器、操作模块、无线通信模块和电源模块,其中操作模块与CPU主控制器连接,操作模块将手形鼠标的操作数据传送给CPU主控模块;CPU主控制器根据操作模块传送的操作数据,进行处理得出手形鼠标的操作信息;无线通信模块与CPU主控制器连接,将CPU主控制器生成的操作信息发送至PC,从而控制PC屏幕上的光标;电源模块与CPU主控制器连接,通过锂电池供电,并具备稳压功能。本发明结构简单、操作方便,具有很广阔的应用前景和市场。

标签:
加工技术
江苏 - 南京 来源:中冶有色网 2023-03-19
用于免粉刷施工操作的水泥聚合物腻子

本发明属于内墙粉刷技术领域,具体涉及一种用于免粉刷施工操作的水泥聚合物腻子;其质量份组成如下:聚苯颗粒10‑30份、乳胶粉树脂粉末10‑20份、白色普通硅酸盐水泥20‑50份、灰钙粉8‑10份、滑石粉6‑12份、石膏粉8‑12份、甲基纤维素醚0.2‑1.5份、消泡剂0.2‑0.6份、分散剂0.2‑0.4份、锂基膨润土2‑4份、海藻酸钠0.2‑0.4份;本发明用“专用腻子”代替传统混合砂浆抹灰层工艺,直接批刮在混凝土多孔砖墙面上,质量稳定,无空鼓开裂,观感质量好,满足绿色施工要求,同时增加了使用面积。因此,本发明的施工方法具有先进、实用、经济、环保的特点,在当前工程背景下可广泛推广应用。

标签:
加工技术
江苏 - 南京 来源:中冶有色网 2023-03-19
木构件健康监测系统及方法

本发明提供一种木构件健康监测系统及方法,涉及木构件监测技术领域,系统包括多个无线声发射传感器节点及控制终端,节点包括:声发射传感器、第一微控制器;声发射传感器采集木构件的声发射信号;第一微控制器根据声发射信号进行参数提取,得到声发射特征参数,并通过差分压缩算法对声发射特征参数处理后,发送至控制终端,以得到木构件的健康检测结果。本发明基于无线声发射传感器网络的多个监测节点,实时、准确地监测木构件的健康状况,克服了现有技术中监测系统安装和维护成本高、扩展性差的问题,通过差分压缩算法,有效降低无线声发射传感器节点的功耗,延长锂电池使用寿命,减少数据传输时间,并且缓解控制终端的数据压力。

标签:
加工技术
江苏 - 南京 来源:中冶有色网 2023-03-19
用于类半球形超疏水表面的新型冷却装置

本申请公开了一种用于类半球形超疏水表面的新型冷却装置,包括外壳包装和内部系统两部分。外壳包装包括:铝合金顶壳、散热口、纳米防尘纱网、软性硅胶导热垫、铝合金底座、伸缩支架、耐高温橡胶支撑座;内部系统包括:电源双向开关、运行指示灯、可充电锂电池、充电口、太阳能电池板输入口、矩形薄壁水管、循环水泵、制冷装置、散热风扇(含铝合金散热片)、方形铝合金散热片、微型温控板、微型升压芯片。本申请的技术效果在于能够提升超疏水表面的集水效果,使其克服使用时段及温度带来的影响,通过内部微型制冷系统降低本申请的表面温度以达到减低超疏水表面的温度,增大温差,提升集水效果。

标签:
加工技术
江苏 - 南京 来源:中冶有色网 2023-03-19
新能源汽车附加储能机构及使用方法

本发明涉及一种新能源汽车附加储能机构,包括锂离子电池组、直流充电接口、交流充电接口、直流输出接口、交流输出接口、整流装置、逆变装置、熔断保险丝、承载龙骨、动力承载舱、控制承载舱、接线承载舱及基于BMS系统的综合控制装置,动力承载舱、控制承载舱、接线承载舱均通过导向滑轨与承载龙骨内表面连接;且使用方法包括设备定位,供电运行及充电作业等三个步骤。本发明一方面结构进奏,使用灵活方便,可有效满足与各类结构的车辆配套使用,使用灵活性和通用性高,另一方面可在实现为车辆提供额外的辅助动力,提高车辆续航能力和应急驱动作业的需要,另可根据使用需要灵活满足与多种类型及功率的外部电气设备供电作业的需要。

标签:
加工技术
江苏 - 南京 来源:中冶有色网 2023-03-19
微米球形铌酸钛及其制备方法和应用

本发明涉及电极材料技术领域,尤其涉及一种微米球形TiNb24O62及其制备方法和应用。本发明提供的制备方法,包括以下步骤:将钛源、铌源和分散剂混合,依次进行喷雾热解和煅烧,得到所述微米球形TiNb24O62。根据实施例的记载,以所述微米球形TiNb24O62作为锂离子电池的负极材料时,在0.1A g‑1电流密度下可逆比容量可达200~260mAh·g‑1,且在5A g‑1的大电流密度下依然能保留100~155mAh·g‑1的可逆比容量,并在1A·g‑1电流密度下循环500次后,其比容量的保持率能达到80%~92%,具有优异的倍率性能和循环稳定性能。

标签:
加工技术
江苏 - 南京 来源:中冶有色网 2023-03-19
有轨电车混合储能系统能量调度方法

本发明公开了一种有轨电车混合储能系统能量调度方法,包括以下步骤:(1)采集列车行驶特性确定列车牵引负荷能量;将实时监测的列车功率和超级电容器荷电状态通过模糊控制得到锂电池储能单元的充电倍率,计算出两种储能单元的最大充放电功率;(2)计算混合储能系统容量,根据列车起停的负荷能量曲线,采用低通滤波算法计算混合储能系统中两种储能单元各自的预分配能量;(3)基于两种储能单元各自的实时荷电状态对其预分配能量进行二次修正,并以最大充放能量和步骤(1)所得的最大充放电功率为约束条件,将二次修正的能量值再乘以调整系数,确定两种储能单元的能量分配。本发明为有轨电车的能量回收提高了能量利用效率以及系统稳定性。

标签:
加工技术
江苏 - 南京 来源:中冶有色网 2023-03-19
串联式混合动力拖拉机试验台

一种串联式混合动力拖拉机试验台,包括发动机、转矩转速传感器一、分动箱、发电机、万向联轴器、转矩转速传感器二、磁粉制动器一、直流电源转换开关、电阻箱、锂电池组、电池管理系统(BMS)、模拟加载平台一(包括轮毂电机一、转矩转速传感器三、磁粉制动器二)、模拟加载平台二(包括轮毂电机二、转矩转速传感器四、磁粉制动器三)、模拟加载平台三(包括轮毂电机三、转矩转速传感器五、磁粉制动器四)、模拟加载平台四(包括轮毂电机四、转矩转速传感器六、磁粉制动器五)、T型槽底座,其特征是发动机、转矩转速传感器一、分动箱、发电机、转矩转速传感器二、磁粉制动器一、四个模拟加载平台的内部结构等都是通过联轴器相互连接,其他部件之间通过电源线或信号线连接。

标签:
加工技术
江苏 - 南京 来源:中冶有色网 2023-03-19
基于双堆燃料电池的混合储能系统能量管理策略

本发明公开了一种基于双堆燃料电池的混合储能系统能量管理策略,属于燃料电池混合动力能量管理领域,能够在降低成本的同时,维持电池SOC并提高双堆燃料电池的效率。本发明针对双堆燃料电池系统和锂电池,分别构建基于人工势场(APF)函数的混合储能系统权重调节器,实现双堆燃料电池系统在高效率区间工作,并将电池荷电状态(SOC)维持在理想区间,采用一种深度强化学习代理,即深度确定性策略梯度(DDPG)对基于APF的电池SOC调节器参数进行全局优化,实现SOC权重的自适应调节,提升双堆燃料电池系统工作效率,针对混合储能系统,构建基于全里程成本最优目标函数,避免燃料电池在高/低电流、频繁启停工况下工作,延长燃料电池使用寿命。

标签:
加工技术
江苏 - 南京 来源:中冶有色网 2023-03-19
可机动变轨的高集成度三单元立方体卫星

本发明公开了一种可机动变轨的高集成度三单元立方体卫星,其包括卫星基本平台包括主承力结构、太阳能电池阵、星务计算机、锂电池组、电源控制板、UV天线、UV通信机、姿态测量与控制系统以及其他相关附属件和推进及控制系统,控制系统包括双脉冲固体火箭推力器及其点火控制板、冷气微推力器及其脉冲调制模块、质量矩执行机构和质心调节机构。本发明所述的三单元立方体卫星具备推力矢量控制能力,集成度高,可进行立方体卫星的快速变轨和姿态轨道控制,实现卫星的大范围轨道机动,将大大拓展立方体卫星的应用领域。

标签:
加工技术
江苏 - 南京 来源:中冶有色网 2023-03-19
环保型防渗碳涂料
环保型防渗碳涂料 1125     
 0

本发明公开了一种环保型防渗碳涂料,由如下质量百分数的组分30%硼酸、10%钛白粉、8%锂基膨润土、7%铬黄、3%液态石蜡、1%三聚氰胺、5%高岭土、2%冷拉聚丙烯纤维、1%二甲基硅油、8%六甲基二硅胺烷、4%十二烷基磺酸钠、5%甲基磺草酮、2%硅烷偶联剂、1%氢氧化钠、2%氯化锌、2%硫酸亚铁、2%氧化铁黄、20%有机树脂、2%炭黑以及余量水配制而成。本发明的防渗碳涂料在渗碳热处理后可以通过水洗去除,从而解决了传统防渗碳涂料在渗碳热处理后难以剥离的问题,本发明的防渗碳涂料配方中使用无机耐高温材料作为防渗碳剂,本发明防渗碳剂涂刷在工件表面后形成的防渗碳涂层粘结性好,且在高温时不起皮、不流淌,不影响渗碳气氛。

标签:
加工技术
江苏 - 南京 来源:中冶有色网 2023-03-19
实现准相位匹配多波长倍频转换的方法

本发明公开了一种实现准相位匹配多波长倍频转换的方法,属于光学元件技术领域,该方法中使用准周期结构的晶体,利用Type‑I(e+e→o)型准相位匹配,可以通过控制温度实现不同波长的倍频转换,所述的晶体材料为极化铌酸锂晶体,晶体的结构由两种不同畤长的单元畴连续嵌套形成,晶体被长度为A,B的单元畴连续嵌套,嵌套的排序为ABBA,A与B畤长的数值比由算法计算得出;本发明能在满足Type‑I(e+e→o)型准相位匹配的条件下,同时实现多个波长的倍频转换,而且可以通过控制温度来调节产生倍频光的波段,能在单一晶体结构中实现常用通信波段的全覆盖,具有重要的理论意义与现实意义。

标签:
加工技术
江苏 - 南京 来源:中冶有色网 2023-03-19
基于自适应模态数VMD算法的混合储能容量配置方法

本发明公开了针对风电领域的一种基于自适应模态数VMD算法的混合储能容量配置方法,包括步骤:构建混合储能系统出力模型;构建基于混合储能的风储联合系统模型;提取风储联合系统不平衡功率;量化混合储能系统高/低频功率分点;采取自适应模态数的VMD算法根据量化后的高/低频功率分点对不平衡功率分频,自动提取高/低频功率分量,根据不平衡功率高/低频分量对超级电容及锂电池进行容量配置计算。本发明方法较传统分频方法降低了高、低频分量模态混叠,简化了频率分点的确定过程,更符合功率型储能与能量型储能的实际出力特性。

标签:
加工技术
江苏 - 南京 来源:中冶有色网 2023-03-19
石墨烯量子点/MXene纳米片二维复合材料及其制备方法和应用

本发明提供了一种石墨烯量子点/MXene纳米片二维复合材料及其制备方法和应用,属于包含碳化合物的催化剂技术领域。该制备方法以氟化锂和盐酸刻蚀碳铝钛制备得到MXene材料,再将其超声分散在乙二醇溶液中得到MXene纳米片分散液;向所述MXene纳米片分散液中加入氧化石墨烯量子点,得到的混合溶液经水热反应、透析水洗、冷冻干燥后得到石墨烯量子点/MXene纳米片二维复合材料。将所述石墨烯量子点/MXene纳米片二维复合材料用作析氢催化剂,具有优异的催化性能和稳定性。

标签:
加工技术
江苏 - 南京 来源:中冶有色网 2023-03-19
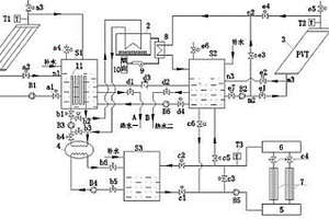
采用太阳能集热的多温度梯度利用系统

本发明公开了一种采用具有三个不同温度水的蓄温水箱,通过优化调节各水箱不同温度水的分配,从而梯度利用并满足供冷供热需求的系统。系统可提供两种不同温度的生活热水,以及实现在不同季节条件下的毛细管辐射末端供冷或供热和防结冻要求,保证其舒适性、高效性、安全性。系统采用太阳能热利用和热电一体化联供技术。装置配有集光伏发电和太阳能低温热利用为一体的新型太阳能集热器——光伏/光热集热器(PVT)。该装置包括太阳能高温集热器端、太阳能PVT中温集热器端、溴化锂吸收式制冷低温蓄水端、室内毛细管供冷供热辐射端、冬季防结冻放空管道保护端以及生物质辅助热源和生活热水制取端。

标签:
加工技术
江苏 - 南京 来源:中冶有色网 2023-03-19
Ag/TiO2复合纳米管材料及其制备方法

本发明公开了一种Ag/TiO2复合纳米管,包括多孔结构的空心TiO2纳米管和分布在TiO2纳米管外壁和内壁的Ag纳米粒子层。将Ag插入TiO2纳米管的内外壁能显著增加复合材料的电子传递,这使得Li+在TiO2纳米管中更容易发生转移;在复合电极中添加银,也会导致复合电极上形成更薄的固态界面层,这也会大幅提高Li+的传输速率;纳米管高度多孔结构使得实现电解质扩散进入碳纳米管;均匀的纳米孔结构更促进电解质的接触,从而最大程度地提高电极/电解质的接触面积,有利于锂离子的快速运输。

标签:
加工技术
江苏 - 南京 来源:中冶有色网 2023-03-19
高性能复合润滑脂的制备方法

本发明公开了一种高性能复合润滑脂的制备方法,首先将磺酸钙8-10份、环烷油60-80份、甲苯基硅油20-30份搅拌加热升温至70-80℃,恒温条件下加入壬二酸10-15份、冰醋酸3-6份继续升温至90-100℃,在此温度下加入氢氧化锂20-35份、硼酸3-6份发生反应,继续升温至130-150℃,恒温反应2-5h,冷却后经循环过滤、脱气、净化,即得到所述高性能复合润滑脂。采用本发明制得的润滑脂温稠性好、极压抗磨性能好、并能使多次前后锥入度的差值随温度变化小。由于添加了抗氧剂,其抗氧化性能大大提高。由于添加了防锈剂,使得其具有非常好的防锈功能,而且使用温度范围广。

标签:
加工技术
江苏 - 南京 来源:中冶有色网 2023-03-19
风速仪用713nm1332nm2664nm1539nm六波长光纤激光器

一种风速仪用713nm1332nm2664nm1539nm六波长光纤激光器,谐振腔设置为三角形环形光纤激光腔,在三角形环形光纤激光腔的四个角上设置深刻蚀光纤反射镜,在上边光路的中间位置设置信号光λXⅠ2664nm波长周期极化铌酸锂四波混频激光谐振腔,在左边光路的中间位置设置倍频光ⅠλBⅠ490nm的倍频谐振腔Ⅰ,在右边光路的中间位置设置闲频光ⅡλlⅡ1539nm的光学参量振荡器1,总体构成713nm、490nm、1332nm、980nm、2664nm、1539nm六波长光纤激光器。

标签:
加工技术
江苏 - 南京 来源:中冶有色网 2023-03-19
纳米光催化剂钨酸铋及其制备方法

本发明公开了一种用熔盐法制备纳米钨酸铋的方法。该方法采用硝酸铋和钨酸钠为原料,以硝酸钾/硝酸钠和硝酸锂作为熔融盐体系,将原料混合后加入到在坩埚中熔融的盐的体系中,反应得到纳米级的钨酸铋粉体。该方法可以实现原料在分子尺度上的均匀混合,可以制得纯度较高的钨酸铋粉体。该方法设备简单,工艺流程短、操作简单,产品性能优异,具有广泛的应用前景。

标签:
加工技术
江苏 - 南京 来源:中冶有色网 2023-03-19
基于MBUS协议的无线手持数据采集终端

本发明公开了一种基于MBUS协议的无线手持数据采集终端,包括:蜂鸣器、LCD屏幕、LED指示灯、USB接口、程序控制模块、GPRS模块、电源电路模块、MBUS通信模块、数据存储模块,程序控制模块与其他所有模块相连,电源电路模块使用锂电池供电,为其他模块提供电源;优点:本发明提供的一种基于MBUS协议的手持数据采集终端,设计简单合理,操作方法简便,能够无线采集或者配置终端设备的数据,并且通过GPRS接入Internet网络,能够方便采集气表、水表数据,并将数据无线传输给管理系统主站,为终端数据采集和上传提供了便利。

标签:
加工技术
江苏 - 南京 来源:中冶有色网 2023-03-19
利用蒸散型吸气剂制造真空绝热板的方法

本发明涉及一种真空绝热板(VIP板),尤其是涉及一种利用蒸散型吸气剂用于真空绝热板使用的生产工艺。提供一种蒸散型吸气剂用于真空绝热板的制造方法,将蒸散型吸气剂在真空中蒸散,吸气剂膜引入到VIP板内部,或者吸气剂直接在VIP内部蒸散,再将表面隔膜袋封装,封口出炉。本发明可以使用普通蒸散型吸气剂,而无需玻璃管封装,也无需使用成本高昂的钡锂吸气剂,节约了材料和能源,大幅度降到了生产成本。

标签:
加工技术
江苏 - 南京 来源:中冶有色网 2023-03-19
2-氨基嘧啶-5-硼酸的合成方法

本发明涉及药物中间体合成领域,具体涉及2-氨基嘧啶-5-硼酸的合成方法。其特征是:第一步以2-氨基-5-溴嘧啶为原料,用三乙胺作碱,4-二甲氨基吡啶为催化剂,与二碳酸二叔丁酯反应;第二步在N2保护下,冷却至-90~-60℃,加入硼酸三异丙酯和正丁基锂反应;第三步脱BOC即得。本发明制备方法反应条件温和,产率高,总收率可达73.9%,并且适合工业化大生产。

标签:
加工技术
江苏 - 南京 来源:中冶有色网 2023-03-19
制备含吡啶并环戊烷手性氮磷配体L-8的方法

本发明公开了制备含吡啶并环戊烷手性氮磷配体L‑8的方法,属于医药中间体手性配体技术领域。从环戊酮出发,依次经过加成、环合、氯代、不对称硼化、氧化、偶联、成酯等步骤后完成得到手性氮磷L‑8配体该路线相对比较容易实现较大规模的制备,克服了传统路线中第一步关环反应和手性醇制备时收率低,通过选择合适的手性配体,与丁基锂结合,实现了不对称合成手性醇,避免了文献中采用手性分离柱方式。

标签:
加工技术
江苏 - 南京 来源:中冶有色网 2023-03-19
辅助睡眠的儿童故事机
辅助睡眠的儿童故事机 1120     
 0

本发明公开了一种辅助睡眠的儿童故事机,包括故事机机体、故事机专用手环,所述故事机机体底部有锂电池、USB充电口、整机开关,中下部为设置区域壳体,设有LED灯设置、音频设置、加湿器设置,中部为扬声器,中上部为LED灯发光区域,顶端为加湿器。故事机专用手环内设有PGG心率传感器和震动传感器,故事机通过蓝牙模块与故事机专用手环进行连接。本发明的有益效果是:儿童在进入睡眠状态后,故事机会自动停止故事机播放及关闭LED灯,使儿童睡眠后避免故事机声音对耳朵的伤害。故事机带有加湿器和有助于睡眠的暖系LED灯组,提供了更好的睡眠环境,使儿童更好的睡眠。父母还可通过移动终端来查看儿童的睡眠情况和儿童听故事类型的倾向。

标签:
加工技术
江苏 - 南京 来源:中冶有色网 2023-03-19
上一页 19 20 21 22 23 ... 146 下一页
共146页    到第

中冶有色为您提供最新的江苏南京有色金属加工技术理论与应用信息,涵盖发明专利、权利要求、说明书、技术领域、背景技术、实用新型内容及具体实施方式等有色技术内容。打造最具专业性的有色金属技术理论与应用平台!

全国热门有色金属设备推荐
展开更多 +
全国热门有色金属技术推荐
展开更多 +

 

江西省隆恩特环保设备有限公司
宣传

报名参会
更多+

报告下载

有色专家
更多+

中国科学院赣江创新研究院
院长
蒙纳士苏州校区
中国工程院外籍院士/校长
北京科技大学
主任/教授
中国矿业大学(北京)
教授
中南大学
院长/教授
赤泥综合利用研究报告2025
推广

热门技术
更多+

推荐企业
更多+

福建省金龙稀土股份有限公司
宣传

发布

在线客服

公众号

电话

顶部
咨询电话:
010-88793500-807