青岛垚鑫智能科技有限公司
宣传

位置:中冶有色 >

有色技术频道 >

> 加工技术

分类:
全部
矿山技术
冶金技术
材料制备及加工技术
环境保护技术
分析检测技术
 
全部
功能材料技术
复合材料技术
新能源材料技术
合金材料技术
加工技术
地区:
全部
北京
天津
上海
重庆
河北
山西
辽宁
吉林
黑龙江
江苏
浙江
安徽
福建
江西
山东
河南
湖北
湖南
广东
海南
四川
贵州
云南
陕西
甘肃
青海
内蒙
广西
西藏
宁夏
新疆
其他
其他
展开
 
全部
南京
无锡
徐州
常州
苏州
南通
连云港
淮安
盐城
扬州
镇江
泰州
宿迁

江苏南京有色金属加工技术理论与应用

免费发布技术信息>>
大面积发光薄膜的制备方法

本发明公开了一种大面积发光薄膜的制备方法,包括以下步骤:步骤一,将发光材料与作为电解质的聚氧化乙烯,乙氧基化三羟甲基丙烷三丙烯酸酯,三氟甲磺酸锂混合溶解在二元溶剂中,配制成墨水;步骤二,通过麦勒棒将墨水印刷成膜,并进行退火处理,得到所述发光薄膜。本发明在印刷油墨中引入二元溶剂体系抑制电解质的过度结晶,通过不同的溶质质量比参数调控墨水的二次流动,调控印刷速度实现大面积发光薄膜的制备。按本发明的方法制备得到的发光薄膜综合性能优异,具体表现为无条纹缺陷、相分离的均匀分布、载流子迁移率高,可实现高效率大面积有机光电器件的高质量印刷制备。

标签:
加工技术
江苏 - 南京 来源:中冶有色网 2023-03-19
风速仪用761nm1592nm3184nm1411nm六波长激光器

一种风速仪用761nm1592nm3184nm1411nm六波长激光器,谐振腔设置为三角形环形光纤激光腔,在三角形环形光纤激光腔的四个角上设置深刻蚀光纤反射镜,在上边光路的中间位置设置信号光λXⅠ3184nm波长周期极化铌酸锂四波混频激光谐振腔,在左边光路的中间位置设置倍频光ⅠλBⅠ490nm的倍频谐振腔Ⅰ,在右边光路的中间位置设置闲频光ⅡλlⅡ1411nm的光学参量振荡器1,总体构成761nm、490nm、1592nm、980nm、3184nm、1411nm六波长光纤激光器。

标签:
加工技术
江苏 - 南京 来源:中冶有色网 2023-03-19
新型二苯并[g, p]稠二萘衍生物及制备方法与应用

本发明公开了新型二苯并[g, p]稠二萘衍生物,其结构如式所示,其中R为取代苯环、噻吩、取代噻吩、连噻吩、并噻吩、取代的联噻吩、3, 4-乙烯基二氧噻吩、取代的3, 4-乙烯基二氧噻吩、芳基取代的乙烯基等芳香体系单元。该类分子具有较好的迁移率,是一种性能和稳定性都很好的有机半导体材料,可以应用在OTFT、OPV、OLED等光伏器件中。该发明还公开了新型二苯并[g, p]稠二萘衍生物合成方法,首先二苯基甲烷用正丁基锂夺氢与4-溴苯基苯甲酮反应,进一步用对甲苯磺酸做催化剂的条件下脱水得到1-(4-溴苯基)-1, 2, 2-三苯基乙烯,1-(4-溴苯基)-1, 2, 2-三苯基乙烯与[双(三氟乙酰氧基)碘]苯和甲基磺酸作用下得到2-溴二苯并[g, p]稠二萘。2-溴二苯并[g, p]稠二萘与各种硼酸频那醇酯通过suzuki偶联得到目标产品二苯并[g, p]稠二萘衍生物。

标签:
加工技术
江苏 - 南京 来源:中冶有色网 2023-03-19
一步水热反应制备LiNi0.5Mn0.5O2纳米颗粒的方法

本发明公开了一种一步水热反应制备LiNi0.5Mn0.5O2超细纳米颗粒的方法,将Mn(CH3COO)2·4H2O和Ni(CH3COO)2·4H2O加入蒸馏水,搅拌一段时间后得溶液A;再向其中加入(NH4)2S2O8搅拌得溶液B;将一定量LiOH·H2O溶于蒸馏水中得溶液C,将溶液C迅速倒入溶液B中搅拌得溶液D;将溶液D倒入水热反应釜中,并将水热反应釜放入电热鼓风干燥箱中反应,反应结束后自然冷却到室温,将所得的黑色物质分别用蒸馏水和无水乙醇离心清洗几次后,放入真空干燥箱内干燥即可得LiNi0.5Mn0.5O2纳米颗粒。该方法制备的LiNi0.5Mn0.5O2纳米颗粒具有较好的结晶度和超细的颗粒尺寸,并有较好的电化学性能。由于本发明采用简单的一步水热法制备工艺,反应在液相中一次完成,不需要后期处理,并且工艺设备简单,适合于大批量合成LiNi0.5Mn0.5O2纳米粉末用于锂离子电池正极材料。

标签:
加工技术
江苏 - 南京 来源:中冶有色网 2023-03-19
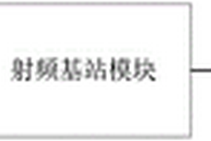
基于RFID的鸡蛋定位装置

本实用新型公开了一种基于RFID的鸡蛋定位装置,包括:用户手持端,安装在鸡脚上的柔性脚环和设置在鸡场内的若干个射频基站模块;所述柔性脚环上设有射频芯片,所述射频芯片内设有芯片编号;所述射频基站模块包括射频天线,第一主控模块,电池管理模块,锂电池,蓝牙发送模块;所述用户手持端包括第二主控模块,供电模块,蓝牙接收模块以及第一液晶显示屏。本实用新型符合农业自动化的要求,显著减轻农场主的劳动量和生产成本。

标签:
加工技术
江苏 - 南京 来源:中冶有色网 2023-03-19
刀模组件用原料切割装置

本实用新型涉及锂电池极片切割技术领域,且公开了刀模组件用原料切割装置,包括箱体,所述箱体的内部横向设置有两个转杆,两个所述转杆的杆壁中部均固定设有刀片,两个所述转杆位于对应的刀具的两侧杆壁均固定套接有传送辊,所述箱体的两侧对称开设有条形口,上侧所述转杆的两端杆壁分别与对应的条形口滑动连接且两端均延伸至箱体的外部且连接有升降机构,两个所述转杆之间通过传动机构传动连接,所述箱体的右侧壁固定设有电机,下侧所述转杆的两端杆壁分别通过第一轴承与箱体的两侧内壁转动连接。本实用新型实现了对废料的收集,有效的保证了工作人员的健康和周围环境。

标签:
加工技术
江苏 - 南京 来源:中冶有色网 2023-03-19
易拆卸多功能公共充电装置

本实用新型公开了易拆卸多功能公共充电装置,包括墙体,所述墙体的外侧壁上开设有安装插槽,所述安装插槽的内侧壁上对称安装有两个助拆弹簧,所述安装插槽的内部设有充电器外壳,所述充电器外壳的内部安装有聚合物锂电池,所述充电器外壳远离墙体一侧的侧壁上设有多个充电插槽,所述充电器外壳的顶壁上开设有多个与充电插槽位置对应的手机放置槽,所述安装插槽内部的底壁上开设有安装口,所述安装口内部的底壁上安装有顶动弹簧,所述顶动弹簧的顶端安装有卡块。本实用新型结构简单,方便操作,不仅实现了对充电装置的快速拆装,便于更换和维修,同时设有散热系统,保证充电装置能够稳定高效工作,安全稳定。

标签:
加工技术
江苏 - 南京 来源:中冶有色网 2023-03-19
高精度植保无人机打点装置

本实用新型公开了一种高精度植保无人机打点装置,锂电池与DC/DC模块相连,且两者组成供电单元,并为地面基准站供电,地面基准站和手机APP终端均与通讯模块相连,手机APP终端与差分云服务器通过网络连接;所述地面基准站包括GPS定位模块、测量电线和RTK差分定位模块,所述GPS定位模块和RTK差分定位模块对应与测量电线相连,GPS定位模块与通讯模块相连。本实用新型通过打点器和手机APP进行网络差分,实现了高精度的无人机打点,为植保任务提供了精准的位置信息,保证了植保工作的效率,提高了作业的准确性,减少了农药的浪费和农作物的漏喷;同时作业人员只需携带轻便的打点器设备和手机,减轻了作业人员的负担。

标签:
加工技术
江苏 - 南京 来源:中冶有色网 2023-03-19
电力电缆线芯温度预警装置

本实用新型提供了一种电力电缆线芯温度预警装置,包括温度采集器、温度预警器、装置上外罩和装置下外罩四部分;温度采集器包括温敏探针、温度传感器、电线以及绝缘保护罩;温敏探针位于密封胶套内,与温度传感器相连;温度传感器贯穿于绝缘保护罩,通过电线与温度预警器的电路板相连;装置上外罩与温度采集器的绝缘保护罩连接在一起;温度预警器包括LED灯泡、弧形罩、金属垫片、导热片、电路板以及锂电池。该装置能够方便快速地接入被测电力电缆,结构可靠且接触良好,具有较好的应用前景。

标签:
加工技术
江苏 - 南京 来源:中冶有色网 2023-03-19
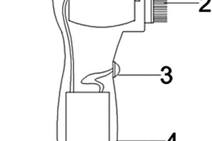
手持电动皮鞋刷
手持电动皮鞋刷 1067     
 0

本实用新型公开了一种手持电动皮鞋刷,包括刷头、刷柄;刷头包括直流电动机1和皮鞋刷2;刷柄包括电源开关按钮3、螺纹手把4、充电接口5和充电锂电池6。它是按下电源开关按钮,直流电动机启动,带动转动轴高速旋转,即可将已经涂在皮鞋面上鞋油打磨均匀;再次按下电源开关按钮,即可切断工作电源。解决了手工擦皮鞋的窘迫繁琐,使用电机带动斜面毛刷旋转擦皮鞋,可完成除尘、上油、擦亮及抛光等程序,使皮鞋光亮如新,大大减轻劳动强度。具有保证皮鞋表面的光洁度,同时具有操作方便、结构简单等特点。

标签:
加工技术
江苏 - 南京 来源:中冶有色网 2023-03-19
一箱式应急气象小型监测站

本实用新型公开了一种一箱式应急气象小型监测站,由电池供电模块、数据采集及处理模块和支撑包装模块组成,所述电池供电模块由依次串接的太阳能供电板、普通充电器和锂电池组组成。观测支架连接采用插拔式安装模式,不需要任何安装工具;体积小,重量轻;低功耗,绿色节能设计,内部采用节能模式设计,若用太阳能电池板供电方式,可保证在无电地区长期使用,也可采用市电或汽车电源等方式供电,能够在没有电的情况下持续工作,并且大大减小了气象站的体积和重量,随时在任何监测场所快速组装,投入应急监测工作。

标签:
加工技术
江苏 - 南京 来源:中冶有色网 2023-03-19
便携式太阳能应急供电装置

一种便携式太阳能应急供电装置,包括充电单元,锂电池单元,DC-DC变换单元,DC-DC高频升压电路,输出单元,还包括数字控制单元,数字控制单元连接到充电单元,其中数字控制单元接收充电单元的监控信号,并向充电单元发送控制信号并接收充电单元发送的监控信号;数字控制单元连接到逆变单元、输出单元和显示器上,数字控制单元向逆变单元发送脉冲控制信号,向输出单元发出输出控制信号。所述的充电单元可以是光电池、市电、汽车电瓶的一种或者任意的组合。所述的逆变单元采用高频DC-AC-DC与工频DC-AC两级结构。所述的显示器可以是LED显示器。

标签:
加工技术
江苏 - 南京 来源:中冶有色网 2023-03-19
胶合板用豆粕胶黏剂及其制备方法

本发明涉及人造板胶黏剂技术领域,尤其涉及一种胶合板用豆粕胶黏剂及其制备方法。该胶合板用豆粕胶黏剂,由包括以下重量份的原料制备得到:25~35份豆粕、3~5份三环氧丙烷基胺、1~10份锂皂石、60~100份丙烯酰氧基乙基三甲基氯化铵溶液。本发明中胶合板用胶黏剂源于天然可再生资源豆粕,制备过程能耗低,制备工艺仅需简单机械搅拌混合,方便、快捷,且仿生藤壶蛋白特点,制备胶黏剂具有优异耐水胶接性能,满足胶合板生产对胶黏剂的要求。本发明的豆粕胶黏剂制备胶合板的干状胶合强度达到2.14Mpa,耐水胶合强度达到1.18MPa。

标签:
加工技术
江苏 - 南京 来源:中冶有色网 2023-03-19
四(二甲胺)锆的生产方法

本发明涉及有机物的制配生产技术领域,且公开了四(二甲胺)锆的生产方法,包括以下步骤:S1:添加甲苯,将四氯化锆一次性加入到反应釜中,同时加入无水处理过的甲苯,并对其进行冷却处理;S2:通气,在搅拌条件下通入二甲胺气体,形成粽色溶液;S3:搅拌反应,S2中通气结束,持续对其搅拌8‑16小时;S4:滴加溶液,反应结束保持在‑60至‑30摄氏度条件下,滴加正丁基锂‑正己烷溶液。本发明不仅能够通过充分搅拌从而提高溶解效果,而且能够通过氮气作为保护气体,在反应釜中能够形成惰性空间,提高安全性,避免物料氧化,还能够简化操作流程,避免分批投料中与空气接触可能性,同时能够通过甲苯的使用提高反应收率,降低成本。

标签:
加工技术
江苏 - 南京 来源:中冶有色网 2023-03-19
石墨烯绝缘散热隔板及其制备方法和应用

本发明公开了一种石墨烯绝缘散热隔板及其制备方法和应用,该石墨烯绝缘散热隔板包括玻璃纤维环氧树脂绝缘层上层、石墨烯导热中间层和玻璃纤维环氧树脂绝缘层下层。本发明有效利用了现有的玻璃纤维环氧板材制造设备和工艺,将导热性能优异的石墨烯应用到板材中间,制造出的三明治型板材兼具绝缘、散热功能,并不失原有玻璃纤维环氧板材的物化性能,在锂电池模块中应用大大提高了模块的高倍率工作能力。

标签:
加工技术
江苏 - 南京 来源:中冶有色网 2023-03-19
金属离子辅助催化的水凝胶制备方法及其应用

本发明公开了一种金属离子辅助催化的水凝胶制备方法及其应用,配制乙烯类单体、氯化盐和引发剂过硫酸盐的混合溶液,在常温下磁力搅拌,至完全溶解,得到混合溶液;抽真空除去溶解氧,再通惰性气体保护密封;所述的混合溶液在密封的条件下经过5min~30min,得到水凝胶;所述氯化盐包括氯化钙、氯化镁、氯化钡和氯化锂中的一种。本发明不仅制备方法快速简单,制备得到的聚丙烯酰胺类水凝胶具有凝胶化时间快、抗冻性好、可溶解再生以及有导电性能等优势。

标签:
加工技术
江苏 - 南京 来源:中冶有色网 2023-03-19
可吸附颗粒的电子口罩
可吸附颗粒的电子口罩 1062     
 0

本发明公开一种可吸附颗粒的电子口罩,本发明设计的电子口罩包括口罩本体、第一连通管和第二连通管,通过在第二连通管内设置电场板和磁场板、在第一连通管设置锂电池,使得电场板之间形成电场,带电粒子垂直于磁场方向在匀强磁场内受洛伦兹力F=QvB做匀速圆周运动,带电粒子垂直于电场方向运动会受电场力作用F=qE,向极性相反的电场板偏移,带电粒子会逐渐吸附在电场板上,带有病毒的颗粒直接打在电场板上而不会通过气道,在使用时不会吸入带电粒子,降低了医疗风险;同时,本发明设计的电场板和磁场板均为可拆卸的,在长时间使用后,可以拆卸清洗和更换,便有重复使用,降低了口罩的生产成本。

标签:
加工技术
江苏 - 南京 来源:中冶有色网 2023-03-19
用于混凝土帆布体系的高早强水泥基体及制备方法

本发明公开了一种用于混凝土帆布体系的高早强水泥基体及制备方法,按照重量份数,水泥基体包括以下组分:硫铝酸盐水泥67.5~75份、半水石膏22.5~25份,碳酸钙2~10份、减水剂0.8~1.2份、早强剂0.05~0.1份;半水石膏为α60型高强半水石膏。制备方法为:先将聚羧酸高效减水剂、碳酸锂和水充分混合均匀,再将硫铝酸盐水泥、半水石膏和碳酸钙慢速搅拌均匀,并与混合也混合搅拌形成硫铝酸盐水泥浆体,然后将硫铝酸盐水泥浆体迅速浇筑进混凝土帆布中,利用振动台振捣密实并脱模养护。本发明经过成型和养护后,沿混凝土帆布厚度方向4h抗压强度大于45MPa,28天抗压强度大于90MPa,达到了高早强混凝土帆布的强度水平且远高于传统灌粉混凝土帆布。

标签:
加工技术
江苏 - 南京 来源:中冶有色网 2023-03-19
芳基硅有机光电材料及其制备方法与应用

本发明提供了一种芳基硅有机光电材料及其制备方法与应用,所述制备方法是将3‑溴‑9H咔唑与二苯基二氯硅烷在低温下反应,得到化合物双(3‑溴‑9H‑咔唑‑9‑基)二苯基硅烷中间体,再将中间体与正丁基锂反应,然后加入氯代三苯基硅烷,制得芳基硅有机光电材料DSiDCzSi。本发明易于纯化,合成产率高,具有良好的热稳定性、溶解性及成膜性,同时还具有较高的三线态能级;此外,利用本发明芳基硅有机光电材料制备的溶液处理的电致发光器件,具有较高的外量子效率、较低的启亮电压以及稳定的电致发光性能,本发明对发展低成本且高效稳定的有机发光二极管具有重要意义。

标签:
加工技术
江苏 - 南京 来源:中冶有色网 2023-03-19
自动包裹超声探头的装置

本发明涉及医疗设备技术领域,具体为一种自动包裹超声探头的装置,一种自动包裹超声探头的装置,机体正面设有显示屏,机体上表面设有密封舱舱门,密封舱舱门下方设有耦合剂密封舱,耦合剂密封舱为半圆球状空腔,耦合剂密封舱下方设有喷嘴,喷嘴上设有喷嘴开关,喷嘴周围的机体为一弧状面且弧状面上设有传感器A,机体上部还设有控制板舱,机体背部设有机体内舱,机体内舱后表面设有机体背板,机体背板上安装有包裹电机,包裹电机输出端连接有行星轮系,行星轮系输出连接有保鲜膜辊筒,机体内舱下方设有锂电池舱,机体下方还设有U形底座,机体下部斜面上还设有传感器B。本发明可自动对超声探头进行耦合剂喷涂和包裹,便捷高效,用户体验好。

标签:
加工技术
江苏 - 南京 来源:中冶有色网 2023-03-19
用于零件分类的智能机器人

本发明公开了一种用于零件分类的智能机器人,包括机械零件分类工业机器人本体、零件识别设备和机器人制动器,所述机械零件分类工业机器人本体下端设置着智能万向轮,所述智能万向轮上端连接着单片机控制器,所述单片机控制器与驱动系统模块平行安装,所述驱动系统模块上端设置着避障传感器,所述避障传感器通过导线连接着所述零件识别设备,所述零件识别设备安装在零件分类机械手末端,所述零件分类机械手端面设置着液压驱动装置,所述液压驱动装置下端安装着锂电池模块。本发明结构简单、设计合理,可以有效的将机械零件进行智能的识别并分类,而且使用成本较低,适合运用推广。

标签:
加工技术
江苏 - 南京 来源:中冶有色网 2023-03-19
提升儿童时间认知的互动装置及其控制方法

本发明提供提升儿童时间认知的互动装置及其控制方法,包括语音识别模块、按键、扬声器、锂电池、LED灯、电机及其芯片;所述的按键、LED灯、电机及其芯片组成一个控制组,包含多组控制组,每组控制组分别有其功能作用。通过投屏输出和语音输入的方式,提升儿童时间认识;通过趣味互动故事让儿童清晰秒/分钟/小时之间的关系;通过任务计时帮助儿童更好的解决拖延问题;将时间流逝通过可视化的方式帮助儿童更好建立时间观念。本发明通过趣味的互动方式,提升儿童对时间的认知,并帮助儿童减少拖延的行为,使儿童在年纪尚幼小时便建立良好的时间观念。

标签:
加工技术
江苏 - 南京 来源:中冶有色网 2023-03-19
4-甲基-4-苯基环戊烯酮化合物及其制备方法

本发明公开了一种4‑甲基‑4‑苯基环戊烯酮化合物及其制备方法。本发明通过在惰性气体氛围、搅拌条件下,将0.18~0.22mmol甲基炔酮、0.38~0.42mmol对甲苯磺酰腙、0.018~0.022mmol氢氧化铜和0.8~1.2mmol甲醇锂混合,往混合液中加入3~5mL溶剂甲苯和3.5~3.8μL水,得到反应液,升温至95~105℃反应12~24小时;反应结束后过滤除去不溶性固体,将所得溶液减压蒸馏、浓缩分离,得到目标产物4,4‑二取代环戊烯酮。本发明制备方法所需工艺条件简单,反应条件温和,能够有效得到4,4‑二取代的环戊烯酮衍生物,反应有较好的底物适用性和官能团耐受性;同时本发明是首次使用碳碳三键插入裂解的方法制备4‑甲基‑4‑苯基环戊烯酮。

标签:
加工技术
江苏 - 南京 来源:中冶有色网 2023-03-19
印刷大面积发光电化学池及其制备方法

本发明公开了一种印刷大面积发光电化学池及其制备方法,包括依次自下而上的铟锡氧化物导电玻璃、聚乙烯二氧噻吩层、发光活性层、金属电极。其制备方法包括以下步骤:将发光材料与电解质聚氧化乙烯,乙氧基化三羟甲基丙烷三丙烯酸酯,三氟甲磺酸锂混合溶解在溶剂中,配制成墨水;在覆盖了聚乙烯二氧噻吩膜的氧化铟锡基底上,通过麦勒棒将墨水印刷成膜,并进行退火处理;将基底冷却至室温后,转移到金属气相沉积系统的真空腔室中,蒸镀铝电极。通过后处理工艺参数调控墨水的二次流动,调控印刷湿膜厚度实现大面积发光薄膜的印刷,调控盐浓度以保证大面积发光电化学池良好的载流子迁移率。得到的发光电化学池综合性能优异,发光均匀、器件效率高。

标签:
加工技术
江苏 - 南京 来源:中冶有色网 2023-03-19
筷子架
筷子架 1181     
 0

本发明公开了一种筷子架,包括矩形框体,所述矩形框体上端面边缘处设有用于放筷子的锯齿,所述矩形框体侧壁设有加热网丝和蓄电池,所述加热网丝的目数为20~30目,所述蓄电池为锂电池。本发明的筷子架,筷子放在矩形框体上端面边缘处设的锯齿上,加热网丝可以对筷子进行高温消毒。

标签:
加工技术
江苏 - 南京 来源:中冶有色网 2023-03-19
多电压无人机平台的供电系统及方法

本发明属于供电技术领域,公开了一种多电压无人机平台的供电系统及方法,在飞行过程中,检测无人机电池电量数据,根据采集的电量数据进行计算无人机电池损耗,预测未来时间段内的电池损耗数据;根据采集的电量数据,电池损耗数据和未来时间段内电池损耗预测数据,对无人机平台的供电系统,进行均衡操作和电池故障诊断操作;利用锂电池存储电量,并且通过显示器显示检测的电池电量、电池损耗和预测电池损耗等数据信息。本发明避免了电池组不必要的反复维修,节约维修成本;利用电池组串联模块的最高电压值和最低电压值对电池组进行整体诊断,有利于提高电池组诊断效率,筛选故障电池组以进行精确诊断。

标签:
加工技术
江苏 - 南京 来源:中冶有色网 2023-03-19
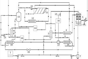
风光互补的海水淡化装置

本发明公开了一种风光互补的海水淡化装置,利用空气的载湿能力进行蒸发,带走海水中的纯水,且湿空气经降温冷凝后回收其析出的冷凝水,达到海水淡化的目的。当利用太阳能驱动系统运行时,用于加热海水以及驱动溴化锂制冷机产生冷却水所需的热量均由太阳能平板集热器产生的热水提供;当利用风能驱动系统运行时,通过风能直接驱动热泵系统,用于加热海水以及冷却湿空气。设置相变蓄热器储存热水热量,以适用于各种不同天气条件,保证系统稳定不断地运行。

标签:
加工技术
江苏 - 南京 来源:中冶有色网 2023-03-19
三聚茚基双香豆素荧光染料的制备方法

本发明公开了一种三聚茚基双香豆素荧光染料的结构及合成方法,通过如下方法实现:以双氯甲基三聚茚衍生物为原料,在甲苯中与三苯基膦反应得到双三苯基三聚茚双苄基氯化膦;再在无水无氧条件及在正丁基锂的作用下与香豆素醛发生wittig反应得到三聚茚共轭双香豆素化合物。本发明提供的方法操作简单、反应条件温和且收率较高,具有较大的实施价值。此外,该化合物具有较强的荧光发射,最大发射峰在518nm(激发波长425nm),斯托克斯位移为78nm。

标签:
加工技术
江苏 - 南京 来源:中冶有色网 2023-03-19
分级多孔碳材料的制备方法及其应用

本发明公开的一种分级多孔碳材料的制备方法,包括下述步骤:将反应原料充分研磨后,通过固相反应得到具有核壳结构的碳前驱体材料,再于惰性气氛中一步高温碳化及模板除去得到分级多孔碳材料。本方法所制备的分级多孔碳材料比表面积大,具有可调节的微孔-介孔分级多孔结构;应用于超级电容器以及锂硫电池领域表现出优异的电化学性能。本方法工艺简单、环境友好,可实现分级多孔碳材料低成本大规模制备。

标签:
加工技术
江苏 - 南京 来源:中冶有色网 2023-03-19
孔径可调均匀多孔膜的制备方法

本发明公开了一种孔径可调均匀多孔膜的制备方法,包括以下过程:(1)用拉制光纤法制备具有六方密堆结构的微针模板;(2)选用一定厚度的一种聚烯烃聚合物薄膜或多种聚烯烃聚合物的混合薄膜,并测量选用的聚合物薄膜在无孔时的熔融温度;(3)制备聚二甲基硅氧烷层,并将选用的聚合物薄膜放置在聚二甲基硅氧烷层上得到压印膜层;(4)将微针模板和压印膜层在测量的熔融温度下进行热压,热压10min后,获得孔径均匀的多孔膜,将该多孔膜冷却到室温后,再经熔融温度下不同时间热处理,即可得到均匀可调孔尺寸结构的多孔膜。本发明的制备方法简单、成膜质量高,可应用于锂离子二次电池、燃料电池、水处理、催化合成和氯碱工业等多种领域。

标签:
加工技术
江苏 - 南京 来源:中冶有色网 2023-03-19
上一页 17 18 19 20 21 ... 146 下一页
共146页    到第

中冶有色为您提供最新的江苏南京有色金属加工技术理论与应用信息,涵盖发明专利、权利要求、说明书、技术领域、背景技术、实用新型内容及具体实施方式等有色技术内容。打造最具专业性的有色金属技术理论与应用平台!

全国热门有色金属设备推荐
展开更多 +
全国热门有色金属技术推荐
展开更多 +

 

江西省隆恩特环保设备有限公司
宣传

报名参会
更多+

报告下载

有色专家
更多+

中南大学
常务副校长
中国矿业大学(北京)
院长/教授
昆明理工大学
校长
中国瑞林工程技术有限公司
中国工程院院士
中冶沈勘秦皇岛工程技术有限公司
原矿山院院长/教授级高工
赤泥综合利用研究报告2025
推广

热门技术
更多+

推荐企业
更多+

福建省金龙稀土股份有限公司
宣传

发布

在线客服

公众号

电话

顶部
咨询电话:
010-88793500-807