青岛垚鑫智能科技有限公司
宣传

位置:中冶有色 >

有色技术频道 >

> 新能源材料技术

分类:
全部
矿山技术
冶金技术
材料制备及加工技术
环境保护技术
分析检测技术
 
全部
功能材料技术
复合材料技术
新能源材料技术
合金材料技术
加工技术
地区:
全部
北京
天津
上海
重庆
河北
山西
辽宁
吉林
黑龙江
江苏
浙江
安徽
福建
江西
山东
河南
湖北
湖南
广东
海南
四川
贵州
云南
陕西
甘肃
青海
内蒙
广西
西藏
宁夏
新疆
其他
其他
展开
 
全部
济南
青岛
淄博
枣庄
东营
烟台
潍坊
济宁
泰安
威海
日照
滨州
德州
聊城
临沂
菏泽

山东济南有色金属新能源材料技术理论与应用

免费发布技术信息>>
利用互联网监测的新能源锂离子电池组中使用的电解液

本发明涉及利用互联网监测的新能源锂离子电池组中使用的电解液,使用的电解液包括溶质四氟硼酸锂和双氟磺酰亚胺锂,溶剂碳酸乙烯酯、碳酸丙烯酯和碳酸二乙酯,阻燃添加剂三氟代甲基碳酸乙烯酸和三氟均三嗪,负极成膜添加剂马来酸酐;新能源锂离子电池组的上固定板上设有通孔A,下固定板上设有通孔B,通孔A和通孔B的内壁上均设有橡胶垫,通孔A和通孔B将多个锂离子电池固定,将多个锂离子电池并联后封装,置于壳体内,铝塑包装膜的外表面设有温度检测装置,温度检测装置与温度显示器连接。本发明避免了电池组颠簸过程中锂离子电池收到的损伤,有较强的耐燃能力,提高的锂离子电池的使用寿命。

标签:
新能源
山东 - 济南 来源:中冶有色网 2023-03-18
SCO脱硝新能源复合材料
SCO脱硝新能源复合材料 1149     
 0

本发明涉及一种SCO脱硝新能源复合材料,由以下重量份的原料制成:3‑4份TiO2、30‑40份多孔SiO2、10‑15份WO3、2‑3份Al2O3、0.5‑1份CaO、0.5‑1份Na2O、0.5‑1份K2O、20‑25份Fe2O3、2‑3份CuO,15‑20份MgO,1‑2份硅酸铝纤维,0.5‑1份聚醚醚酮纤维。本发明的SCO脱硝新能源复合材料比表面积大,能为烟气反应提供更大的接触面积,脱硝活性好,脱硝率高,能脱除烟气中99%的NOx,且不产生危废,环保无毒,对环境友好,具有良好的经济效益和社会效益。

标签:
新能源
山东 - 济南 来源:中冶有色网 2023-03-18
新能源滑板车
新能源滑板车 1010     
 0

一种新能源滑板车,属于交通工具,它包括脚踏板、车轮、支撑杆和把手,所述的脚踏板底部两端安装有车轮,脚踏板前端上方安装支撑杆,支撑杆上端连接把手,所述的脚踏板上端安装一太阳能光电板,脚踏板内部设一蓄电池,后方车轮上方安装一发电机,发电机的上端有一个摩擦轮,摩擦轮在行驶过程中与后方车轮紧密配合;把手上安装有操作按钮,把手两端各设一手闸,支撑杆上安装一升降卡扣装置。该新能源滑板车可利用太阳能做为动力,滑动快速、省力、且节约能源,它主要由电子元器件构成,不涉及机械部件,性能稳定寿命长、安装维护简便。在没有太阳的阴雨天,我们可以利用车轮摩擦力发电,不影响滑板车的使用。

标签:
新能源
山东 - 济南 来源:中冶有色网 2023-03-18
为新能源电池组装安装的设备

本申请涉及新能源汽车电池安装设备的领域,公开了一种为新能源电池组装安装的设备,其包括台架、安装台架上的升降组件、以及安装在升降组件上的工作压头;在台架上安装有工作台,工作压头的工作面平行于工作台的台面,在台架与工作台之间设置有用于检测工作压头压装力的负荷传感器,在升降组件上安装有用于检测工作压头位移的位移传感器;负荷传感器,以及位移传感器均与外部控制系统连接。本申请具有有效改善新能源电池组装安装灌胶的过程控制不准确,无法形成有效的数据管理的效果。

标签:
新能源
山东 - 济南 来源:中冶有色网 2023-03-18
新能源汽车VTCU唤醒系统及方法

本发明提供一种新能源汽车VTCU唤醒系统及方法,涉及新能源汽车技术领域,低压蓄电池通过继电器模块的常开开关与VTCU模块电连接;主控模块与继电器模块的线圈电连接;移动终端向能量接收模块发送无线射频能量;能量预处理模块对无线射频能量进行整流滤波,得到直流电压;主控模块用于对移动终端的权限认证;还用于根据移动终端发送的控制指令,控制继电器模块的动作,闭合继电器模块的常开开关,低压蓄电池为VTCU模块提供电源,并唤醒VTCU模块,使VTCU模块进入工作状态。唤醒过程中不消耗任何低压蓄电池的能量,并且避免了车辆停车熄火时低压蓄电池为VTCU模块供给常电,节省了蓄电池能量。

标签:
新能源
山东 - 济南 来源:中冶有色网 2023-03-18
新能源实训室设备配置系统

本发明公开了一种新能源实训室设备配置系统,包括电动汽车实训系统,电动汽车实训系统包括安全用电及防护实训模块、车身电气实训模块和整车可视模块化教学模块,整车可视模块化教学模块包括电池及电池管理模块、整车控制及通信模块、电机及电机控制系统模块以及辅助系统模块。本新能源实训室设备配置系统的整车可视模块化教学模块由多个模块组成,并在各个模块的基础上通过LED灯动态演示电路模块的LED动态演示示教板演示高压电路、低压电路连接关系及控制逻辑,再手动设置,直观的演示故障检测过程,方便老师讲解,方便学生理解;辅助系统使得学生快速熟知辅助系统原理,让学生更快的掌握检测故障的方法。

标签:
新能源
山东 - 济南 来源:中冶有色网 2023-03-18
基于新能源汽车的弹出式安防电池

本实用新型公开了一种基于新能源汽车的弹出式安防电池,涉及新能源汽车领域,包括储能电池、底盘、传感系统;底盘右侧中心位置开有与储能电池底面轮廓适应的凹槽,储能电池安装于凹槽内;凹槽底面两侧设有互相平行的两列滑轨;储能电池底面设有两列滚轮,传感系统包括压力传感器、膨胀气囊、压敏开关、PLC逻辑编辑器;储能电池外壳内设有锁止机构,所述锁止机构包括滑槽、T形推杆、压簧、卡勾、扭簧;T形推杆位于滑槽内并滑动连接,T形推杆的头部正对第一膨胀气囊的开口;卡勾顶端的勾部与开设在凹槽侧面的卡槽卡接。最终,本实用新型满足了对于新能源汽车电池保护技术的需求。

标签:
新能源
山东 - 济南 来源:中冶有色网 2023-03-18
新能源汽车高压连接器互锁机构

本实用新型公开了一种新能源汽车高压连接器互锁机构,包括第一导线、第二导线,所述第一导线的端部固定连接有第一接头,所述第二导线的端部固定连接有第二接头,所述第一接头与第二接头进行套接,本实用新型涉及新能源汽车技术领域。该一种新能源汽车高压连接器互锁机构,达到了第一接头与第二接头采用套接安装,电线与套筒进行套接,即可完成电力连接,在第二接头的外部设置固定装置,便于对第一接头进行固定,提高第一接头与第二接头的连接稳定性,设置加固装置,便于对固定装置进一步进行限制,进而提高接头连接稳定性,防止脱落,设置导正杆与导正槽,便于接头进行连接,提高连接准确性,满足使用需求的目的。

标签:
新能源
山东 - 济南 来源:中冶有色网 2023-03-18
新能源汽车开放式教学理实一体化装置

本实用新型公开了一种新能源汽车开放式教学理实一体化装置,包括车体和一个或多个示教板;所述一个或多个示教板通过悬臂支架设置于车体上;所述悬臂支架为管状结构;所述车体的电器元件与示教板上检测端子之间的连接线束布设于所述悬臂支架内。本实用新型以新能源汽车整车为基础,结合示教板,有助于学生在动手操作时就能掌握新能源汽车组成和工作原理。

标签:
新能源
山东 - 济南 来源:中冶有色网 2023-03-18
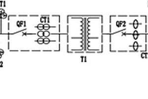
应用在新能源并网测试中的多抽头试验电源成套装置

本发明公开了一种应用在新能源并网测试中的多抽头试验电源成套装置,包括:多抽头电源高压侧接高压开关控制柜,低压侧接低压开关控制柜;多抽头电源包括:分别与A、B、C三相对应的三组线圈,每一相对应一组线圈,每一组线圈包括:高压侧的上、下两个线圈和低压侧的一个线圈;通过选择每一组线圈高、低压侧不同的接线方式,实现低压侧400V/600V、高压侧35KV/10KV不同电压等级的选择。本发明有益效果:本发明多抽头试验电源成套装置能够满足不同电压等级下新能源并网测试,具有简便、多样、高效的特点。

标签:
新能源
山东 - 济南 来源:中冶有色网 2023-03-18
新能源车辆绝缘问题排查系统与方法

本发明提出的一种新能源车辆绝缘问题排查系统与方法,属于新能源车辆检测技术领域。所述系统包括:整车控制器和多合一控制器,多合一控制器内置绝缘监测装置;整车控制器与多合一控制器信号连接;绝缘监测装置设在多合一控制器内部的主供电电路上,监测主供电电路的绝缘故障并向整车控制器进行绝缘告警;主供电电路上并联有多个部件供电电路,每个部件供电电路上均设有控制电路通断的高压接触器,多合一控制器通过控制线分别与每个高压接触器连接;整车控制器收到绝缘告警后,启动绝缘问题排查流程,控制各高压接触器按节点闭合,以确定绝缘告警点。本发明通过控制接触器的通断来实现回路分段检测绝缘,节省了时间成本,并可规避很多操作风险。

标签:
新能源
山东 - 济南 来源:中冶有色网 2023-03-18
新能源汽车用的电池组安装支架

本实用新型具体为一种新能源汽车用的电池组安装支架,属于电池组安装技术领域,安装支架底板的上表面焊接连接有电池组支撑板,电池组支撑板的左右两侧镶嵌连接有安装支架滑轨,电池组支撑板的左右两侧焊接连接有滑轮安装杆,滑轮安装杆的内表面转动连接有安装支架滑轮,首先是通过设计的电池组放置套筒可有效使新能源汽车用的电池组得到安装,其次是通过设计的安装支架滑轨配合安装支架滑轮上方的安装支架滑板可有效解决了将电池组进行安装后,不便于拿出的问题,最后是通过设计的电池组封闭板可有效使电池组起到封闭的效果。

标签:
新能源
山东 - 济南 来源:中冶有色网 2023-03-18
新能源汽车空调系统实训装置

本实用新型属于新能源汽车研发领域,具体公开了一种新能源汽车空调系统实训装置,包括固定框以及安装在固定框内部的实训台板;空调机组的输出端连接总导风管,其侧面各连接端口上适配连接若干分支导风管;各分支导风管出风口上安装检测盒,各分支导风管上分别套设若干布向定位环;本实用新型通过在总导风管侧面布设分支导风管,利用布向定位环可任意调整各分支导风管的排布走向,便于学生进行实练操作,开发创新思维;在各分支导风管的出风口上安装检测盒,利用风速传感器和温度传感器的数据反馈,可实时掌握各分支导风管内的风速以及温度变化情况,便于直观感受空调系统的温度和风力调控,增强实训效果。

标签:
新能源
山东 - 济南 来源:中冶有色网 2023-03-18
五位一体新能源销售示范中心费用支付系统及使用方法

本发明公开一种五位一体新能源销售示范中心费用支付系统及使用方法,包括:销售终端的用户识别装置、销售终端的消费记录装置、支付处理终端。用户识别装置用于识别用户身份证,并将用户的身份信息发送至消费记录装置;消费记录装置用于记录本次消费数据,并关联消费者的身份信息,将数据发送至支付处理终端;支付处理终端用于完成本次消费费用的支付。本发明使得五位一体新能源销售示范中心的费用支付变得准确而便捷,有效避免了支付过程中由于销售种类繁多而造成的账单错乱等问题。

标签:
新能源
山东 - 济南 来源:中冶有色网 2023-03-18
新能源车身电器系统实训台

本实用新型公开了一种新能源车身电器系统实训台,包括支撑架、实训机构主体和伺服电机,所述支撑架的顶部固定有固定轴,且固定轴的外侧开设有限位槽,所述固定轴的外侧套设有固定环,所述固定环的顶端安装有台面主体,且台面主体顶部的中间位置处安装有实训机构主体,所述台面主体顶部的一侧安装有装置仓,且装置仓内部的底部开设有安装槽。该新能源车身电器系统实训台通过固定轴与固定环之间的转动连接,操作人员可以通过从不同方向拉动第一齿条解除固定轴与固定环之间的转动限制,并根据需要转动台面主体,从而可以更加方便的进行实训操作,且可以对台面主体和实训机构主体表面的灰尘进行清理,十分方便。

标签:
新能源
山东 - 济南 来源:中冶有色网 2023-03-18
新能源汽车高压控制系统实训台

本实用新型公开了一种新能源汽车高压控制系统实训台,包括装置仓、万向轮和实训部件主体,所述装置仓的底部安装有万向轮,且装置仓内部的顶部设置有第一弹簧,所述装置仓内部的一侧轴承安装有第一转轴,且第一转轴的外侧焊接有操作架。该新能源汽车高压控制系统实训台通过齿条与齿轮的啮合连接,以及第二转轴与第一转轴之间皮带轮机构的连接,使得操作人员在移动时,可以通过拉动操作架带动第一转轴和第二转轴转动,进而使得齿条和接触板随之向上移动,移动完成后,松开操作架,在第一弹簧的弹性作用下,接触板重新与地面接触,从而大大增加了与地面的接触面,增加了在使用过程中的稳定性,且可以在需要的时候增加实际使用面积。

标签:
新能源
山东 - 济南 来源:中冶有色网 2023-03-18
多种电池储能调配新能源供电系统

多种电池储能调配新能源供电系统,属于电能存储输送技术领域。其特征在于:包括发电单元、储电单元以及用电单元,发电单元的输出端同时与储电单元以及用电单元相连,储电单元的输出端与用电单元相连,储电单元包括依次连接的两级储电模块:一级储电模块和二级储电模块,在用电单元中设置有与二级储电模块对接的用电端储电模块,二级储电模块与用电端储电模块通过电网连接。在本多种电池储能调配新能源供电系统中,通过在发电端和用电端均设置可以存储电能的模块,可以在用电低峰时将电能进行存储,用电高峰时发出使用,同时降低了发电端发电成本以及用电端用电成本。

标签:
新能源
山东 - 济南 来源:中冶有色网 2023-03-18
新能源重力感应人行道砖

本发明公开了一种新能源重力感应人行道砖,包括能量收集面层、能量储存层和疏水层,在能量收集面层中顶部设有支撑板,支撑板底面设有辅助支撑组件,支撑板的底面对称安装有安装框,安装框上安装有弹性气室具,弹性气室具的两端对称安装有气管,气管的中间安装有滚轮,弹性气室具的底面中间设有挤压块,安装框的底面设有辅助抬升结构,本发明提出的新能源重力感应人行道砖,通过支撑板,可以促进能量的回收利用,而且有防滑和高强度功能。通过滚轮、电机、LED灯,水通过疏水层里被排走,以免道砖长期泡在水中,又能隔绝土壤的湿气。能够产生电力和照明、道路指示作用,还可以美化商业设施、节能减排的同时创造了经济价值。

标签:
新能源
山东 - 济南 来源:中冶有色网 2023-03-18
新能源汽车中车载空调过滤板刮除装置

本发明公开一种新能源汽车中车载空调过滤板刮除装置,包括壳体、刮除装置和集尘装置,所述壳体内设置有过滤板;所述刮除装置包括刮板和驱动机构,所述驱动机构设置在壳体上,所述刮板滑动连接在所述壳体上,所述驱动机构用于推动所述刮板沿所述过滤板的长度方向移动并刮除过滤板表面的灰尘;所述壳体上设置有集尘槽,所述集尘槽位于所述过滤板下方,所述集尘装置包括集尘箱和阀门,所述集尘箱与所述壳体连接且所述集尘箱与所述集尘槽通过出尘口连通,所述阀门固定连接在所述集尘箱上且位于所述出尘口处。本发明公开的一种新能源汽车中车载空调过滤板刮除装置具有方便清除过滤板上灰尘的优点,有利于提高车内空气的质量。

标签:
新能源
山东 - 济南 来源:中冶有色网 2023-03-18
新能源汽车电池箱系统
新能源汽车电池箱系统 1147     
 0

本发明涉及新能源汽车电池技术领域,具体涉及一种新能源汽车电池箱系统,包括隔离壳体、灭火系统、隔离冷却系统、第一缓冲系统、第二缓冲系统、第三缓冲系统、缓冲支撑板和底座板,所述隔离壳体内部设有电池存放单元,所述隔离壳体的壳体内部设有用于冷却电池存放单元的单回路的隔离冷却系统,所述隔离冷却系统包括温控管,所述隔离壳体的顶部安装有封盖组件,所述封盖组件内部设有排气管路。本发明通过设有的三重缓冲系统,实现了不同硬度的缓冲效果,通过可调节的气压阻尼支撑柱可预先设定缓冲级别,不同的支撑高度可以起到不同的缓冲效果。

标签:
新能源
山东 - 济南 来源:中冶有色网 2023-03-18
耐磨的新能源汽车充电电缆

本实用新型涉及电缆技术领域,特别是涉及一种耐磨的新能源汽车充电电缆,包括绝缘外皮,绝缘外皮内部均匀穿插设置有若干根金属丝,绝缘外皮内侧设置有外圈层,外圈层内壁均匀固定有若干条第一卡条,外圈层内侧设置有内圈层,内圈层外壁固定有若干条第二卡条,内圈层内侧设置有海绵层,海绵层内侧设置有橡胶层,橡胶层内侧设置有固定层,固定层内侧中心设置有圆条,通过绝缘外皮的金属丝能够提高线缆的抗弯折性能,通过金属丝和圆条能够提高线缆的抗拉性能,外圈层能够将绝缘外皮保持原状,通过第一卡条和第二卡条之间的紧密接触,以防止绝缘外皮与芯线之间发生扭转而导致芯线断裂,解决了现有的新能源汽车充电电缆在使用过程中容易损坏的问题。

标签:
新能源
山东 - 济南 来源:中冶有色网 2023-03-18
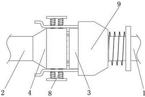
新能源汽车插磁钢机
新能源汽车插磁钢机 836     
 0

本实用新型涉及一种新能源汽车插磁钢机,包括:上料机构(1),用于上料磁钢片,顶料分离机构(2),用于分离所述磁钢片和间隔板;还包括上料平移机构(3)、旋转工作台(4)和抓取机构(5)。本实用新型的新能源汽车插磁钢机,自动化程度高,插料磁钢效率高。

标签:
新能源
山东 - 济南 来源:中冶有色网 2023-03-18
新能源环保箱的活性炭过滤装置

本实用新型公开了新能源环保箱的活性炭过滤装置,涉及到新能源环保箱领域,包括过滤箱,过滤箱为长方体结构;过滤箱的左侧端设有进气管,过滤箱的右侧端设有出气管,进气管和出气管均与过滤箱的内部相互连通;过滤箱的内部自左向右设有若干组分隔板,位于分隔板的左侧设有隔离板。本实用新型可以通过驱动定位机构带动吸附圆筒的转动,进而当吸附圆筒上伸出漏气口的部分达到吸附饱和以后,此时可以通过驱动定位机构将吸附圆筒进行转动,从而使得吸附圆筒上未吸附物质的外边缘伸入漏气口的内部,进行继续的吸附操作,这样跟传统的采用平板式的活性炭吸附板相比,本实用新型不要频繁的更换吸附圆筒,进而可以大大提升工作效率。

标签:
新能源
山东 - 济南 来源:中冶有色网 2023-03-18
新能源汽车电池箱体钢模低压铸造模具

本实用新型提供一种新能源汽车电池箱体钢模低压铸造模具,包括上模座、下模座、底板、冷却水箱、电动缸、出水口、注水口、循环水箱以及连接管,上模座安装在下模座上端面,底板安装在下模座下端面,底板下端面设置有冷却水箱,下固定板上端面设置有电动缸,冷却水箱后端面设有循环水箱,循环水箱前端面设有连接管,冷却水箱后端面下侧设有出水口,循环水箱上端面中间位置设有注水口,该设计解决了原有新能源汽车电池箱体钢模低压铸造模具冷却凝固功能的问题,本实用新型结构合理,便于组合安装,冷却凝固效率快。

标签:
新能源
山东 - 济南 来源:中冶有色网 2023-03-18
新能源汽车辅助转向充电装置

一种新能源汽车辅助转向充电装置,涉及新能源领域,包括一中心电机,所述中心电机处于地面以下的安装坑中,所述安装坑内设有一环形导轨,所述环形导轨上设有环形导向槽,所述旋转盘底部设有下连杆,所述下连杆连接有安装座,所述安装座内转动连接有滚轮,所述滚轮沿着环形导向槽移动,所述中心电机顶部转动连接有旋转盘,所述旋转盘一侧设有充电机构。本发明可使得新能源汽车进行旋转以使得充电口尽可能的靠近充电枪,而该充电枪可由隐藏模式转换为伸出模式,并能在弹簧作用下实现充电枪与充电口的弹性连接,在新能源汽车充电完成后,还能借助喷淋机构实现汽车360°洗车功能。

标签:
新能源
山东 - 济南 来源:中冶有色网 2023-03-18
基于源荷平衡的电力系统新能源消纳能力分析方法及系统

本发明提供了基于源荷平衡的电力系统新能源消纳能力分析方法及系统,包括确定省级电力系统不同类型电源的开机容量;将开机容量按照统调属性,等效分解至市级电力系统,并基边界约束,确定不同类型电源的出力总和;计算实时调峰盈亏,若所述实时调峰盈亏值为正,则存在弃电,新能源未全部消纳。本发明通过确定省级电力系统所有电源的开机容量,并将开机容量等效分解至下级(市级)电力系统,基于约束条件,得到电源的出力总和。通过计算实时调峰盈亏,得到弃电量,用于评估市级电力系统对新能源的消纳能力。能够基于市域本身自然资源、电力系统强度等差异化分解全省风电、光伏规划规模,为基层行政区域科学制定风电、光伏发展规划提供参考。

标签:
新能源
山东 - 济南 来源:中冶有色网 2023-03-18
新能源及负荷不确定性的多时间尺度有功优化决策方法

一种新能源及负荷不确定性的多时间尺度有功优化决策方法,用含新能源机组、可调控负荷、储能系统等多样的可调控资源参与电网有功优化调控,应对常规有功调度方法存在灵活性不足的问题,提高可调控资源的利用效率。利用可调控负荷的响应速度、响应成本等差异,以多时间尺度应对有功优化调度的不确定性,从而提高电网运行的经济性与灵活性。

标签:
新能源
山东 - 济南 来源:中冶有色网 2023-03-18
用于新能源商用车的TCU下线检测系统

本发明提出了一种用于新能源商用车的TCU下线检测系统,包括:检测工装、TCU控制器、CAN采集模块和上位机;检测工装与TCU控制器通过线缆连接,用于通过外部电控电路和传感器模拟实车运行状态实现对TCU运行状态检测;CAN采集模块连接到检测工装和TCU控制器之间的CAN总线上,用于将所述TCU运行状态检测结果发送至上位机;上位机首先进行TCU控制器的嵌入式软件的刷写,然后再执行下线检测,并判断当前TCU控制器是否符合下线测试要求。本系统的应用对提升TCU产品装车运行合格率、降低TCU使用时故障率、提升新能源商用车TCU控制器的经济性、可靠性有着较大作用,同时对降低生产企业的生产成本有很大效果。

标签:
新能源
山东 - 济南 来源:中冶有色网 2023-03-18
防撞新能源汽车电池保护装置

本发明公开了一种防撞新能源汽车电池保护装置,属于新能源汽车领域,包括对称设置的底板和顶板,所述底板和顶板之间对称设有四个防护板,位于四个所述防护板的内侧设有伸缩防护箱;每个所述防护板均包括下部板、上部板和中部板,所述中部板位于下部板和上部板之间,且中部板的两侧分别与下部板和上部板铰接安装,所述下部板的底部铰接有下部伸缩杆,所述下部伸缩杆的底部与底板安装,所述上部板的顶端铰接安装有上部伸缩杆,所述上部伸缩杆的顶部与顶板安装。本方案通过各个结构的设置可对电池实现顶部、底部和四周的全方面防护,避免电池因碰撞而造成损伤破坏,保证其正常使用功能和寿命。

标签:
新能源
山东 - 济南 来源:中冶有色网 2023-03-18
新能源汽车检测用举升装置

本实用新型提供一种新能源汽车检测用举升装置。所述新能源汽车检测用举升装置包括横板;两个长板,两个所述长板分别固定安装在所述横板的两侧外壁上;四个L形板,四个所述L形板分别固定安装在两个所述长板的底部;四个螺纹杆,四个所述螺纹杆分别转动安装在两个所述长板上,且四个所述螺纹杆的底端分别与四个所述L形板转动连接;四个第一同步带轮,四个所述第一同步带轮分别固定套设在四个所述螺纹杆的顶端上;第一电机,所述第一电机固定安装在相对应的所述长板的顶部。本实用新型提供的新能源汽车检测用举升装置具有可方便移动,空间使用大的优点。

标签:
新能源
山东 - 济南 来源:中冶有色网 2023-03-18
上一页 19 20 21 22 23 ... 25 下一页
共25页    到第

中冶有色为您提供最新的山东济南有色金属新能源材料技术理论与应用信息,涵盖发明专利、权利要求、说明书、技术领域、背景技术、实用新型内容及具体实施方式等有色技术内容。打造最具专业性的有色金属技术理论与应用平台!

全国热门有色金属设备推荐
展开更多 +
全国热门有色金属技术推荐
展开更多 +

 

江西省隆恩特环保设备有限公司
宣传

报名参会
更多+

报告下载

有色专家
更多+

中南大学
副校长
南方科技大学
外籍院士
广西大学
处长/教授
矿冶科技集团
副所长/研究员
有研资源环境技术研究院(北京)有限公司
副总经理/教授级高工
赤泥综合利用研究报告2025
推广

热门技术
更多+

推荐企业
更多+

福建省金龙稀土股份有限公司
宣传

发布

在线客服

公众号

电话

顶部
咨询电话:
010-88793500-807