青岛垚鑫智能科技有限公司
宣传

位置:中冶有色 >

有色技术频道 >

> 废水处理技术

分类:
全部
矿山技术
冶金技术
材料制备及加工技术
环境保护技术
分析检测技术
 
全部
废水处理技术
大气治理技术
固/危废处置技术
土壤修复技术
地区:
全部
北京
天津
上海
重庆
河北
山西
辽宁
吉林
黑龙江
江苏
浙江
安徽
福建
江西
山东
河南
湖北
湖南
广东
海南
四川
贵州
云南
陕西
甘肃
青海
内蒙
广西
西藏
宁夏
新疆
其他
其他
展开
 
全部
南京
无锡
徐州
常州
苏州
南通
连云港
淮安
盐城
扬州
镇江
泰州
宿迁

江苏苏州有色金属废水处理技术理论与应用

免费发布技术信息>>
印染中水回用系统
印染中水回用系统 1169     
 0

本实用新型公开了一种印染中水回用系统,涉及废水处理设备技术领域,旨在解决现有技术中不能节能减排的问题。其技术方案要点是,包括依次连接的废水罐、过滤池、加药池、好氧池、气浮反应池、消毒池、净水储罐;过滤池内设置有用于过滤杂质的过滤装置,过滤池沿其宽度方向的两个侧壁上均设置有供过滤装置滑出过滤池的通槽;过滤装置沿过滤池宽度方向的两端均伸入对应的通槽内,过滤装置的外侧壁与通槽的内侧壁贴合。使用时,染中色和浅色的染色废水依次流经过滤池、加药池、好氧池、气浮反应池和消毒池进行处理,然后经过处理后的染色废水可用于染深色的布料,从而达到了节能减排效果。

标签:
废水处理
江苏 - 苏州 来源:中冶有色网 2023-03-19
上流式循环床高级氧化反应装置

本实用新型提供了一种上流式循环床高级氧化反应装置,本实用新型将待修复有机废水体系pH值用酸调节为酸性,并向水体中加入H2O2,然后将有机废水从装置本体底部进水管进水,由下而上流过催化剂固定床,并在进水的同时通过进气管通入氢气,通过氢气的还原和搅动,进行有机废水修复;在修复反应完成后,废水经过三相分离器完成气、水、固三相分离,部分水和多余的氢气回流进装置,逸出催化剂固定床的催化剂被三相分离器截留。本实用新型的装置设备紧凑,易于操作,投药量小,危险性小,环保,可显著减少后续铁泥的产生及处置。

标签:
废水处理
江苏 - 苏州 来源:中冶有色网 2023-03-19
电镀镍高倍浓缩装置
电镀镍高倍浓缩装置 813     
 0

本实用新型涉及一种电镀镍高倍浓缩装置,包括:依次连通的含镍废水收集箱、粗滤单元、精滤单元、一级反渗透装置、二级反渗透装置和电渗析单元,其中,二级反渗透装置产水出口连通电镀生产线的水洗工段,电渗析单元出口和其废液出口分别连通原液槽和废水处理单元。这种电镀镍高倍浓缩装置,在粗滤单元和精滤单元后加装两级反渗透装置,不仅可将含镍废水的浓度提高,其产水也可用于电镀生产线的水洗工段,节约了自来水用量,同时加装电渗析设备,将含镍溶液的浓度进一步提高,可直接汇入电镀生产线的原液槽重复利用,且能够长期稳定运行,此外,剩余废液直接排入废水处理单元,也可避免有机物对两级反渗透装置的污染,减少反渗透装置的清洗次数。

标签:
废水处理
江苏 - 苏州 来源:中冶有色网 2023-03-19
重金属污水附集处理系统及处理方法

本发明公开了一种重金属污水附集处理系统及处理方法,包括第一吸附柱、第二吸附柱、第三吸附柱、原废水管、反洗液管、再生液管、再生利用管、循环管、回收管、再生初级管、排放管和在线检测装置;采用三柱两运一洗的方式,包括依次循环进行的A运行方式、B运行方式和C运行方式;每种运行方式均包括附集过程和反洗再生过程;各运行方式之间通过在附集过程中在线检测装置检测排放管排出的废水中金属离子含量高于设定值时进行切换控制。本发明采用三柱两运一洗的方法进行全自动程序附集回收金属离子,可有效附集去除废水中的金属离子,使排放后的废水中金属离子含量低于0.5PPM,达到安全排放标准的要求,不会对环境造成重金属污染。

标签:
废水处理
江苏 - 苏州 来源:中冶有色网 2023-03-19
浮油收集器以及浮油收集方法

本发明公开了一种浮油收集器,涉及浮油高效收集及净化技术领域,包括进水隔膜泵,进水隔膜泵往下设有油水分离箱,出油管,出水管,隔油仓,废水池,浮油收集浮标,收集废油箱。其中,浮油收集浮标设置在废水池内,进水隔膜泵两端连通油水分离箱与浮油收集浮标,出油管与隔油仓设置在油水分离箱内,出水管两端连通废水池与隔油仓,出油管连通收集废油箱。本发明操作简便,首先在对浮油收集时,可直接对浮油进行抽取,减少了水量的抽取和加厚了浮油的厚度覆盖住出油管口,进行了高效的浮油收集工作和加强油水分离干净程度。最后将油水分离箱分离后的滤液回到废水池进行反复处理,大大提高了分离的精度。

标签:
废水处理
江苏 - 苏州 来源:中冶有色网 2023-03-19
基于硫循环的脱氮除磷重金属污水处理方法

一种基于硫循环的脱氮除磷重金属污水处理方法,它涉及废水处理及资源循环利用领域,特别是涉及一种基于硫循环的脱氮除磷重金属污水处理方法。本发明是要解决现有的含重金属废水生物处理过程中药剂投加量大,处理成本高的问题。本发明由多级厌氧+多级兼性兼性+好氧的处理工艺,利用水中硫源物质为电子载体的含重金属废水处理方法;同时利用兼性自养微生物脱氮除磷,从而减少碳源消耗量的重金属废水处理方法。本发明用于重金属污水处理。

标签:
废水处理
江苏 - 苏州 来源:中冶有色网 2023-03-19
农业污水净化装置
农业污水净化装置 919     
 0

本发明一种农业污水净化装置,涉及农用污水处理领域,包括沉淀过滤箱、厌氧处理箱、好氧处理箱、二沉处理箱;所述沉淀过滤箱为多腔室过滤结构;在沉淀过滤箱内设有过滤池和沉淀池;污水经过滤池处理后流入沉淀池;所述过滤池包括污水依次流经的滤网层、鹅卵石层和木炭层;所述沉淀池与过滤池的连接处还设有缓冲片;所述沉淀池、厌氧处理箱、好氧处理箱、二沉处理箱通过管道依次连接。该农业污水净化装置可以快速的对农药废水进行处理,降低了农药废水处理的时间,提升了废水处理的效率,同时该装置实现有机污染物的高效降解,同时可以大大降低反应的温度和压力,为高浓度难生物降解的有机废水的处理提供了帮助。

标签:
废水处理
江苏 - 苏州 来源:中冶有色网 2023-03-19
基于硫铁钛联产法的二氧化钛制造方法及系统

本发明提供一种基于硫铁钛联产法的二氧化钛制造方法及系统,包括:在炭黑尾气下进行硫酸法钛白生产,并对产物进行分离以得到二氧化钛、黑泥、酸性废水、废硫酸和七水硫酸亚铁;将黑泥、酸性废水与石灰进行中和反应以得到石膏和废水;将部分七水硫酸亚铁导入废硫酸中以产生聚合硫酸铁。通过联产法生产二氧化钛,使得在制造二氧化钛的过程中产生的副产物全部得以利用;生产所用的气氛为炭黑尾气,减少了尾气污染;副产物制造过程中产生的废气、废水等均对环境无害,且无废渣的产生,解决了如何对硫酸法钛白生产过程中产生的副产品进行有效回收利用的问题。

标签:
废水处理
江苏 - 苏州 来源:中冶有色网 2023-03-19
油水分离装置
油水分离装置 1066     
 0

本发明涉及一种油水分离装置,包括铁屑吸附单元以及与铁屑吸附单元输出端连接的废水处理池,铁屑吸附单元包括一壳体、位于壳体内的转轴以及与转轴固定连接的电磁片,转轴沿竖直方向设置,电磁片沿靠近至远离所述转轴的方向自上而下倾斜,废水处理池包括分别位于其两端的入口管和出口管,入口管与所述铁屑吸附单元输出端连接,废水处理池中设有波浪形的过滤板,过滤板上设有只允许水通过的过滤装置,过滤板将所述废水处理池分为上部的储油槽和下部的储水槽,入口管与所述储油槽连通,所述出口管与所述储水槽连通。

标签:
废水处理
江苏 - 苏州 来源:中冶有色网 2023-03-19
水循环利用的缩绒脱水一体机

本申请公开了一种水循环利用的缩绒脱水一体机。该水循环利用的缩绒脱水一体机,包括通过管道依次连接的缩绒脱水机、废水池、加药装置、过滤装置和储水池,所述缩绒脱水机的排污口连通于所述废水池,所述缩绒脱水机的进水口连通于所述储水池,所述废水池和加药装置之间至少设置有第一泵和单向阀,所述过滤装置包括依次设置袋式过滤器、污泥过滤器和活性炭过滤器,所述污泥过滤器的排水口连通于所述活性炭过滤器,所述污泥过滤器的排泥口连接于污泥池,所述污泥池通过第二泵连通于污泥压滤机,所述污泥压滤机的排液口连通于所述废水池。该水循环利用的缩绒脱水一体机能够达到缩绒脱水过程中零污水排放的效果,节省水资源,减少环境污染。

标签:
废水处理
江苏 - 苏州 来源:中冶有色网 2023-03-19
液位控制系统及方法
液位控制系统及方法 705     
 0

本发明涉及水处理技术领域,公开一种液位控制系统及方法。所述液位控制系统包括:分池;总池,用于收集分池内的液体,总池的液面低于分池;虹吸管,分池通过虹吸管连通于总池;排液泵,分池通过排液泵连通于总池。分池中的废水能够通过虹吸管和排液泵共同作用而排放至总池,增加了整个系统的可靠性。在分池中的废水处于较低的液位时,通过虹吸原理排水,减少对能源的浪费和对排液泵的损耗;在分池中的废水处于较高的液位时,通过排液泵和虹吸管共同排水,加大排水量,使得分池中的废水能够保持在一定的液位范围内。并且,若虹吸管因局部进气而无法通过虹吸原理排水时,排液泵也能够及时进行排水及保持液位。

标签:
废水处理
江苏 - 苏州 来源:中冶有色网 2023-03-19
两相多孔二氧化铅复合电极的制备方法

本发明公开了一种两相多孔二氧化铅复合电极的制备方法,将预处理过的活性炭纤维毡剪成与两相多孔二氧化铅电极相同的尺寸,用导电胶粘附在经压实、烘干、电化学氧化且表面涂有膏状铅粉的铅钙合金网的两侧制得的两相多孔二氧化铅电极上,即制得两相多孔二氧化铅复合电极。本发明引入了活性炭纤维毡,将活性炭纤维毡的强吸附特性和二氧化铅粉末多孔电极的高催化活性相结合,实现了富集-电催化氧化的协同效应,增强了催化活性,提高了氧化能力;另外由于活性炭纤维毡具有良好的导电性,因此降低了处理废水的能耗,是一种易于实施、电极性能稳定、废水处理效率高的二氧化铅电极的制作方法。

标签:
废水处理
江苏 - 苏州 来源:中冶有色网 2023-03-19
磁性聚吡咯/氧化石墨烯复合材料的制备方法和应用

本发明涉及一种磁性聚吡咯/氧化石墨烯复合材料的制备方法和应用。所述制备方法包括:聚吡咯/氧化石墨烯复合材料的制备;聚吡咯/氧化石墨烯复合材料的磁化和磁性聚吡咯/氧化石墨烯复合材料的提纯。所述应用是指在废水处理方面的应用,其包括如下步骤:调节废水的pH值为3~10,加入所述磁性聚吡咯/氧化石墨烯复合材料,常温震荡1~4小时,然后施加外界磁场,利用外界磁场对吸附材料磁化后与溶液分离,获得净化后的废水。本发明提供的吸附材料,制备方法简单,实验条件温和,成本和能耗较低,对多重重金属离子和有机污染物的吸附量高,废水处理效率高,最后,磁性分离回收简单方便无二次污染,解析吸附后重复利用效率高。

标签:
废水处理
江苏 - 苏州 来源:中冶有色网 2023-03-19
立式厌氧发酵罐
立式厌氧发酵罐 841     
 0

本发明提供了一种立式厌氧发酵罐,其结构包括支撑架、平衡杆、旋转机构、端盖、罐体,平衡杆中段外壁嵌套卡合于旋转机构前端内壁,旋转机构内部下端通过螺钉固定于支撑架上端内壁,罐体前后两端活动卡合于旋转机构之间,本发明在进行使用时,在废水进入设备的内部并启动设备进行旋转时罐体的旋转会使罐体内部的废水被旋转所产生的离心力而挤压至两端,并进行充分的混合,并且通过旋转使摩擦器碰撞至减速器而产生的震动,会传导至罐体并且通过罐体自身震动而震荡罐体内部所填充的废水,并且通过碰撞也可降低设备的部分旋转力,使设备的旋转力降低,避免高强度的离心力导致设备内部的废水被压至两端无法进行活动混合的情况出现。

标签:
废水处理
江苏 - 苏州 来源:中冶有色网 2023-03-19
有机金属螯合物及其制备方法与应用

本发明提供了一种有机金属螯合物,其结构式如下:本发明还提供了上述有机金属螯合物的制备方法以及在废水处理和杀虫杀菌中的应用。该有机金属螯合物制备方法简单、成本低廉,反应条件温和,成本低,同时具有良好的去除废水中重金属离子的效果和良好的抗菌效果。

标签:
废水处理
江苏 - 苏州 来源:中冶有色网 2023-03-19
从电镀锌废弃含锌泥饼中回收锌的方法

本发明公开了一种从电镀锌废弃含锌泥饼中回收锌的方法,根据电镀锌废水的固体产物含锌泥饼其主要成分的化学性质,选择合适的处理方法和处理剂,通过酸浸-蒸发浓缩氧化-置换处理-二次氧化-中和-干燥煅烧的处理工艺,并在每一个步骤进行优化操作,最终得到氧化锌的锌产品,锌的回收率较传统回收方法有了较大的提高,回收成本低,工艺简单,无废水排放,不产生新的污染,兼具环保和经济价值。

标签:
废水处理
江苏 - 苏州 来源:中冶有色网 2023-03-19
均四甲苯气相催化氧化尾气吸收水资源化利用的方法

本发明公开了一种均四甲苯气相催化氧化尾气吸收水资源化利用的方法,包括如下步骤:(1)废水酸值测定;(2)提取附加产品富马酸;(3)滤液蒸馏;(4)向步骤(3)的蒸馏底液中加入等量氧化废水,将生成的富马酸过滤,并重复步骤(3)中的蒸馏操作,循环该步骤1~4次;(5)资源化利用。本发明通过采用添加催化剂和滤液蒸馏相结合的方法,有效获得了附加产品富马酸,并使废水得以循环利用,同时有效减少了污水的处理量,具有废水资源化利用程度高、节能、减排和降污的有意效果。

标签:
废水处理
江苏 - 苏州 来源:中冶有色网 2023-03-19
上流式循环床高级氧化反应装置及其工艺方法

本发明提供了一种上流式循环床高级氧化反应装置及其工艺方法,本发明通过反应装置和工艺方法相结合,将待修复有机废水体系pH值用酸调节为酸性,并向水体中加入H2O2,然后将有机废水从装置本体底部进水管进水,由下而上流过催化剂固定床,并在进水的同时通过进气管通入氢气,通过氢气的还原和搅动,进行有机废水修复;在修复反应完成后,废水经过三相分离器完成气、水、固三相分离,部分水和多余的氢气回流进装置,逸出催化剂固定床的催化剂被三相分离器截留。本发明的装置设备紧凑,易于操作,投药量小,危险性小,环保,可显著减少后续铁泥的产生及处置。

标签:
废水处理
江苏 - 苏州 来源:中冶有色网 2023-03-19
高效去除水中硫化物的方法及其专用装置

本发明涉及水净化技术领域,具体为一种高效去除水中硫化物的方法及其专用装置。采用两极化学处理装置进行两级电化学处理,均以铁或其合金作为阳极,其中第一级电化学处理利用阳极氧化作用和铁阳极溶解产生的亚铁离子的沉淀作用处理水中的高浓度硫化物,第二级电化学处理前加入适量双氧水,利用其与阳极均匀溶解产生的亚铁离子以及电化学作用相互之间产生的芬顿反应和电催化作用,实现水中低浓度硫化物的快速、彻底去除。利用该方法对含硫化物废水或生活饮用水进行处理,硫化物去除率可达99.9%以上。一般来说,含硫化物的废水和生活饮用水经过本发明中的方法处理后,硫化物含量可分别达到排放标准和饮用水标准。

标签:
废水处理
江苏 - 苏州 来源:中冶有色网 2023-03-19
污水处理生化系统
污水处理生化系统 732     
 0

本实用新型公开了一种污水处理生化系统,包括厌氧池(1)、好氧池(2)、生化混凝池(3)、生化絮凝池(4)和生化沉淀池(5),厌氧池(1)中厌氧污泥混合在废水中分解废水中有机物,厌氧池(1)中废水自流至好氧池(2),好氧池(2)内加装填料(7)对微生物附着,好氧池(2)出水自流至生化混凝池(3)、生化絮凝池(4),最后进入生化沉淀池(5),所述厌氧池(1)内加装有潜水搅拌机(6),本实用新型在厌氧池内加装的潜水搅拌机(6)使得厌氧池(1)中的厌氧污泥(厌氧菌)保持悬浮状态,能够与废水充分接触并分解废水中的有机物,从而能够有效处理污水,使出水COD可稳定在40mg/L以下。

标签:
废水处理
江苏 - 苏州 来源:中冶有色网 2023-03-19
带有溶剂射流的溶剂回收机

本实用新型涉及涂装废水处理设备技术领域,尤其涉及一种带有溶剂射流的溶剂回收机,解决现有技术中存在的溶剂和气体结合度差的缺点,包括:机架、机架上的溶剂回收皿和散热装置;所述溶剂回收皿连接有废水蒸发系统;所述废水蒸发系统设置有溶剂射流机构;所述溶剂射流机构包括连通溶剂回收皿的排料管,所述排料管连接有扩压管,所述扩压管内设置有负压喷嘴,所述负压喷嘴对接有与扩压管连通的出料管。所述负压喷嘴连接有用于对负压喷嘴供气的供气管,所述供气管还连接于废水蒸发系统。所述废水蒸发系统包括盛放溶剂罐和连接于出料管的蒸发电机。所述排料管设置有止回阀。

标签:
废水处理
江苏 - 苏州 来源:中冶有色网 2023-03-19
可循环使用的光催化电吸附除盐装置

本实用新型公开了一种可循环使用的光催化电吸附除盐装置,涉及废水处理技术领域,包括光催化处理池、电吸附除盐箱、液泵、盖板、隔离板、夹持架、活性炭电极、第一密封环、第二密封环和第三密封环。本实用新型中光催化处理池对废水进行光催化氧化净化处理,电吸附除盐箱内部的活性炭电极对废水进行电吸附除盐处理,废水经过光催化氧化处理和电吸附除盐处理之后,废水净化效果更佳,可实现对盖板与电吸附除盐箱之间的三重密封处理,同时可实现对盖板与电吸附除盐箱之间的锁紧处理,加强电吸附除盐箱工作的稳定性,对活性炭电极安装更换操作方便快捷,工作效率高,同时保证电吸附除盐箱的密封性能。

标签:
废水处理
江苏 - 苏州 来源:中冶有色网 2023-03-19
具有排气功能的便携式净水机

本实用新型公开了一种具有排气功能的便携式净水机,包括沿水路方向依次连接的原废水箱、增压泵、过滤模组、净水模组,以及与增压泵电连接的控制模组,过滤模组具有废水出口,该废水出口连通原废水箱的废水入口;所述增压泵与过滤模组之间的水路上连接有排气装置,通过该排气装置将增压泵及水路内的空气排出。所述排气装置的设置,能够在每次启动制水时自动将增压泵的泵头及水路内的空气强行排出,使增压泵能一直维持高效能运转,提高增压泵使用寿命,降低净水机噪音,并使制水量始终保持高出水量状态。

标签:
废水处理
江苏 - 苏州 来源:中冶有色网 2023-03-19
水环真空泵冷水箱
水环真空泵冷水箱 846     
 0

本申请涉及真空吸附技术领域,尤其是涉及一种水环真空泵冷水箱,包括水环真空泵,水环真空泵的一侧设有冷水箱;水环真空泵上设有进水口和出水口,冷水箱上设有进水孔和出水孔,出水孔与进水口通过水管相连,出水口与进水口通过水管相连;冷水箱上还设有清水孔和废水孔,冷水箱通过清水孔与外界水源相连;冷水箱通过废水孔向外界排出废水。冷水箱能够对水环真空泵进行供水和回收废水,并使一部分废水静置分层后重新使用。本申请具有节约用水的效果。

标签:
废水处理
江苏 - 苏州 来源:中冶有色网 2023-03-19
节约空间的污水净化机构

本实用新型公开了一种节约空间的污水净化机构,包括:槽体、设置在槽体开口一侧的照射架以及设置在照射架上的净化灯,其特征在于:净化灯位于照射架朝向槽体的一面,照射架背离槽体一面上设置有伸缩柱,伸缩柱能够将照射架朝向槽体移动,直至照射架与槽体密闭贴合;照射架朝向槽体的一面上设有连贯凹槽,槽体边缘沿切线方向设置有至少一个进水口,槽体中心出设置有至少一个出水口,槽体内壁间隔设置有若干个凸起;当废水流至凸起位置时,凸起能够改变槽体内径,废水流速发生变化,使废水混合均匀;若干个纤维束固定在支架上,若干个纤维束垂吊在槽体内的废水中,本实用新型通过纤维束与紫外灯的配合,实现废水净化。

标签:
废水处理
江苏 - 苏州 来源:中冶有色网 2023-03-19
具有防腐蚀的锅炉
具有防腐蚀的锅炉 1060     
 0

本实用新型公开了一种具有防腐蚀的锅炉,包括锅炉本体,所述锅炉本体顶部的右侧固定安装有压力表,所述锅炉本体的右侧设置有输送泵,所述输送泵的进水管与锅炉本体右侧的底部连通,所述输送泵的出水管连通有储水罐。本实用新型通过增加输送泵可将锅炉工作后残留产生的废水通过输送泵输送至储水罐内部以便对废水进行加以利用,该废水经过过滤可用在澡堂或化工厂,同时储水罐内部的滤板可对废水中的颗粒杂质进行过滤,提高废水利用率,通过改变传统锅炉内壁一体成型结构,将内壳设置在锅炉内部,该内壳通过耐腐蚀镀锌板制成具有很强的耐腐蚀性能,同时内壳的表面涂覆CT材料喷涂层和增加玻璃棉可以加强内壳的耐腐蚀性能。

标签:
废水处理
江苏 - 苏州 来源:中冶有色网 2023-03-19
铝基合金粉末制氢用于燃料电池系统

本发明公开了一种铝基合金粉末制氢用于燃料电池系统,包括反应装置、气体分离装置、氢气纯化系统、耗氢装置、尿素废水储罐、合金储罐、反应物储罐和氨气储罐,所述反应装置与气体分离装置、尿素废水储罐、合金储罐、反应物储罐端连接,所述气体分离装置分别与氢气纯化装置和氨气储罐连接,所述氢气纯化装置输出端与下一级的燃料电池装置输入端连接。该铝基合金粉末含尿素废水制氢用于燃料电池系统,采用铝基合金粉既利用了废水中水进行析氢反应,同时又能将废水中的尿素分解回收氨气,而且对反应后的物质进行有效回收,不会造成环境污染,系统安全环保,易于操作,可实现即时制氢。

标签:
废水处理
江苏 - 苏州 来源:中冶有色网 2023-03-19
棉织物活性染色中盐回用的方法

本发明公开了一种棉织物活性染色中盐回用的方法,方法的步骤如下:(1)前处理阶段加入助剂400LF;(2)染色阶段加入碱性助剂CJJ‑01,收集印染废水;(3)向印染废水中加入稀硫酸调pH值,接着加入助剂YYG,使得印染废水进行无机化反应,以便降解印染废水中的有机物对印染废水进行脱色,从而得到含固体的盐溶液,接着将双氧水和烧碱加入盐溶液中调pH值,然后静置,最后对盐溶液沉淀后的上层清液进行收集;(4)将收集的上层清液用于下次染色,从而能减少元明粉和水的用量。所述的盐回用的方法可实现活性染色中盐(元明粉)和水的回收再利用,染色中水回收率从30%提高到60%,元明粉用量从400~500kg/每吨布下降到80~100kg/每吨布,污水排放量减少60%~80%。

标签:
废水处理
江苏 - 苏州 来源:中冶有色网 2023-03-19
污水处理工艺
污水处理工艺 1186     
 0

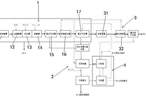
一种污水处理工艺,具有以下步骤:步骤1,通过污水预处理单元对污水分离出废乳液与废水液;步骤2,将经步骤1中所得的废乳液输送至废乳液干燥单元的废乳储液槽,废水液输送至废水液处理单元;步骤3,抽水管路将废乳液从废乳储液槽内抽起,并喷向导热转盘上,导热转盘上的温度为110‑150℃,废乳液在导热转盘上干燥蒸发,形成废渣,通过刮刀装置将废渣刮下收集,蒸发时产生的废气进入废气处理单元进行净化排放,废水液处理单元将废水液进行处理得到清液,完成污水处理。本发明提供的污水处理工艺能够有效的对污水中的固体杂质和污泥进行分离,处理步骤简单,同时污水处理的效率高,方便人们使用,处理后的废液达到排放要求的同时实现资源回收利用。

标签:
废水处理
江苏 - 苏州 来源:中冶有色网 2023-03-19
一体化中水回用设备
一体化中水回用设备 868     
 0

本发明一体化中水回用设备,包括集成设置于标准化箱体内的超滤系统,超滤系统包括一体化超滤膜池、与一体化超滤膜池连通且配合使用的产水模块、与产水模块连通且配合使用的超滤水箱模块、脱盐水箱模块;废水再生流程为:1)废水通过进水管进入一体化超滤膜池;2)产水模块配合一体化超滤膜池内的超滤模块进行废水的抽取,实现一次净化;3)一次净化后的废水进入与产水模块连通的超滤水箱模块进行二次净化;4)进行二次净化的废水最终进入脱盐模块进行脱盐,并最终得到可再利用的水。

标签:
废水处理
江苏 - 苏州 来源:中冶有色网 2023-03-19
上一页 18 19 20 21 22 ... 118 下一页
共118页    到第

中冶有色为您提供最新的江苏苏州有色金属废水处理技术理论与应用信息,涵盖发明专利、权利要求、说明书、技术领域、背景技术、实用新型内容及具体实施方式等有色技术内容。打造最具专业性的有色金属技术理论与应用平台!

全国热门有色金属设备推荐
展开更多 +
全国热门有色金属技术推荐
展开更多 +

 

江西省隆恩特环保设备有限公司
宣传

报名参会
更多+

报告下载

有色专家
更多+

太原理工大学
院长/教授
中南大学
中国工程院院士
长沙矿冶研究院有限责任公司
中国工程院院士
江西理工大学
副处长/教授
赣州有色冶金研究所有限公司
副主任/高级工程师
赤泥综合利用研究报告2025
推广

热门技术
更多+

推荐企业
更多+

福建省金龙稀土股份有限公司
宣传

发布

在线客服

公众号

电话

顶部
咨询电话:
010-88793500-807