青岛垚鑫智能科技有限公司
宣传

位置:中冶有色 >

有色技术频道 >

分类:
全部
矿山技术
冶金技术
材料制备及加工技术
环境保护技术
分析检测技术
 
全部
废水处理技术
大气治理技术
固/危废处置技术
土壤修复技术
地区:
全部
北京
天津
上海
重庆
河北
山西
辽宁
吉林
黑龙江
江苏
浙江
安徽
福建
江西
山东
河南
湖北
湖南
广东
海南
四川
贵州
云南
陕西
甘肃
青海
内蒙
广西
西藏
宁夏
新疆
其他
其他
展开
 
全部

有色金属环境保护技术理论与应用

免费发布技术信息>>
再生尼龙6纤维制造工艺

本发明涉及一种纤维制造工艺,尤其涉及了一种再生尼龙6纤维制造工艺,其包括以下步骤:步骤一、将尼龙6废料进行粉碎处理;步骤二、加入催化剂以及乙醇与二氯乙烷的混合溶剂;步骤三、溶解结束后过滤溶液中未溶解的固体物;步骤四、在一定温度下将过滤后溶液中的尼龙6冷却结晶成尼龙6固体;步骤五、将尼龙6固体于100‑120℃烘箱中干燥3‑4h,使其含水率小于5%;步骤六、加入添加剂得到混合物;步骤七、熔融纺丝,得到再生尼龙6纤维。本发明采用尼龙6废料制得再生尼龙6纤维,实现了尼龙6废料的回收利用充分避免了资源的浪费和环境的污染。

标签:
固废
浙江 - 金华 来源:中冶有色网 2023-03-19
混凝土增强剂
混凝土增强剂 1021     
 0

本发明公开一种混凝土增强剂,按重量份数包含:特种熟料10份、工业固体废弃物20~30份、石膏30份、天然矿物材料30~40份,还包含内养护持续激发剂,所述内养护持续激发剂的含量占所述混凝土增强剂的总重量的5%;其中,所述特种熟料是通过将磷石膏、炉渣、粒化电炉磷渣、石灰石通过粉磨、混合、加水造粒、烘干、煅烧、降温、急速冷却粉碎的方法制得;所述工业固体废料是由钢渣和粒化电炉磷渣混合而成;所述内养护持续激发剂是将固硫灰充分浸泡于丙烯酰胺溶液中,经负压吸滤后处理至饱和面干状态即得;所述天然矿物材料为明矾石粉。上述增强剂能顶替10~15%的水泥用量,降低了成本;优化了抗压强度、抗渗性等性能,促进多种工业固体废弃物的重复利用。

标签:
固废
湖北 - 武汉 来源:中冶有色网 2023-03-19
石油树脂加氢过程脱硫、脱氯的工业方法

本发明公开了一种石油树脂加氢过程脱硫、脱氯的工业方法。该方法适用于一段或两段石油树脂加氢方法和装置,采用高温固体脱硫剂、脱氯剂,能够有效地脱除加氢反应过程产生的硫化氢和氯化氢,消除了对后续设备和仪表的腐蚀,简化了加氢石油树脂生产工艺,降低了装置生产能耗和建设投资;由于采用固体脱硫、脱氯剂进行脱硫、脱氯,装置不再产生、排出废碱液等液体废物,只需周期性的更换失效的脱硫、脱氯剂,具有排出固体废物少、处理容易、对环境污染小的特点。

标签:
固废
北京 - 北京 来源:中冶有色网 2023-03-19
气速可调的固-液反应气体发生装置及方法

本发明涉及一种气速可调的固‐液反应气体发生装置及方法,该方法是利用加液器从固体反应物的上方向反应器内滴加反应液,反应液向下流动与固体反应物充分接触并完全反应,产生气体,反应产生的气体从固体反应物的上方排出,反应废液流经筛板进入废液室,通过调节加液调节阀控制反应液的滴加速度,从而调节气体的产生速度,反应室与废液室之间通过压力平衡管调整气压平衡,通过停止滴加反应液终止反应,本发明能够实现气体可持续生产,同时液体试剂浪费少,反应停止后装置不带压力,无酸液泄露或溢出的危险,反应进度的控制更加方便、可靠、安全。

标签:
固废
陕西 - 西安 来源:中冶有色网 2023-03-19
基于钨铁尾矿的光催化透水砖及其制备方法

本发明提出了一种基于钨铁尾矿的光催化透水砖及其制备方法。所述基于钨铁尾矿的光催化透水砖包括光催化面层和基体层,光催化面层和基体层压制成一体结构,所述光催化面层由无机固体废料颗粒、钨尾矿细颗粒、铁尾矿细颗粒、硅酸水泥和粉煤灰制成;所述基体层由硅酸水泥、石英砂、水碎石、脱硫灰、粘土、粉煤灰和减水剂制成。本发明一方面解决了固体废弃物常年堆积的问题,同时提高了固体废弃物的利用率;另一方面利用钨尾矿和铁尾矿制成的透水砖,在光照下产生强烈的氧化作用,能把空气中难分解的有毒污染物氧化为CO2、H2O等无机物,具有分解速度快、除净度高、无二次污染等优点,利用其特点制成的自清洁透水砖,有一定的环保优势。

标签:
固废
辽宁 - 沈阳 来源:中冶有色网 2023-03-19
煤气站循环水处理方法

本发明涉及到固体废弃物赤泥资源化利用领域,具体为一种煤气站循环水处理的方法,适用于利用拜耳法赤泥做成絮凝剂处理煤气站循环水(包含双竖管、洗涤塔及湿式电除尘器等用水)。利用氧化铝生产中产生固体废弃物赤泥制成液体絮凝剂,用于氧化铝厂内配套煤气站净化系统设备的除尘冷却洗涤水处理。将处理过的赤泥(赤泥液体絮凝剂)加入到煤气站循环水处理系统中充分混合,优化循环水中悬浮物的沉降性能,然后进入高浊度一体化净水器,有效去除悬浮物,从而达到煤气站循环冷却水水质要求。同时,赤泥滤液加入到循环回水沟,用于中和循环回水,充分利用赤泥的碱性。本发明将使固体废弃物(赤泥)得到资源化利用,同时降低了煤气站循环水处理成本。

标签:
固废
辽宁 - 沈阳 来源:中冶有色网 2023-03-19
厨余垃圾处理方法
厨余垃圾处理方法 933     
 0

厨余垃圾处理方法,其特征在于:具体步骤如下:1、灭菌除臭,在厨余垃圾上掺入水解蛋白酶;2、通过筛选粉碎,对除臭后的垃圾进行全自动分拣,拣出玻璃、陶瓷不可处理的废弃物,对于剩下废弃物,进入粉碎机进行粉碎,3、固液分离,将2mm以上的悬浮物、固体物分离并压榨脱水形成尾产物;油水排入到油水分离器,4、油水分离,对餐厨垃圾废水中的重油、轻油、污水和污泥等进行分离;分离出来的油、污水和污泥分别进入到储油桶、污水处理装置和污泥收集桶,5、污水净化,分离出来的污水进入到污水净化系统,污水净化系统设有气浮和反渗透装置,6、固体尾产物处理,固体尾产物经过亚临界水解处理,经亚临界水解处理后的尾产物进行动态发酵,经2-3天的动态发酵,成为土壤的有机物改良剂。

标签:
固废
浙江 - 杭州 来源:中冶有色网 2023-03-19
净水机
净水机 1130     
 0

本发明公开了一种净水机,其涉及水处理技术领域,该净水机包括:反渗透膜装置,其具有原水口、纯水口以及废水口;储水装置,储水装置内部具有容积能进行调节的第一腔室;第一腔室能分别与原水口、纯水口连通;净水机具有清洗模式和制水模式,在清洗模式下,第一腔室与纯水口断开,第一腔室与原水口连通,第一腔室中的纯水自反渗透膜装置的原水口流入并从反渗透膜装置的废水口排出;在制水模式下,第一腔室与纯水口连通,第一腔室与原水口断开。本发明中的净水机存储的纯水以对反渗透膜装置进行冲洗进而在使得开始使用时流出的第一杯纯水的总溶解固体得到降低,同时还有效的提高了反渗透膜装置中反渗透膜的寿命。

标签:
固废
江苏 - 南京 来源:中冶有色网 2023-03-19
粉煤灰轻质隔热发泡陶瓷保温板及其制法和应用

本发明涉及粉煤灰轻质隔热发泡陶瓷保温板,其中,所述保温板的原料按重量百分含量计为:粉煤灰65~85%、除尘灰0~12%、膨润土10~25%、电厂炉渣0~10%、发泡剂0.1-4%。其制备包括步骤:a)配料、球磨,先将各原料按比例混合得到混合料,再将混合料进行干磨得到混合粉料;b)装匣,将混合粉料平铺在底部铺有氧化铝粉的匣钵中;c)高温烧结,在1150~1200℃的氧化气氛下烧结,烧结完后保温0.5~3h;d)冷却,即得到所述保温板。本发明将粉煤灰等大宗工业固体废弃物作为发泡陶瓷保温材料的主要原料,变废为宝,还克服了目前原材料及制作成本价格偏高的缺陷,进一步降低其密度和导热系数,提高其抗拉强度和抗压强度。

标签:
固废
内蒙 - 包头 来源:中冶有色网 2023-03-19
海研站菌及其筛选方法与应用

海研站菌及其筛选方法与应用,涉及废水处理。海研站菌(Mesonia?sp.)S52的筛选方法:取沉积物加入盛有已灭好菌含5mMCr6+的2216L液体培养基的锥形瓶中,置于摇床中富集培养;第一个富集周期结束后,取获得的富集菌液转接到2216L液体培养基,置于摇床中培养;第二个富集周期结束后,取获得的菌液转接到2216L液体培养基,置于摇床中培养;将获得的富集液等比稀释,取10-6、10-7、10-8浓度菌液涂布在2216L固体培养基上,反复平板划线,分离纯化,最终得到菌株海研站菌(Mesonia?sp.)S52。可在制备六价铬吸附剂中应用,并用于含六价铬污染废水的处理。

标签:
固废
福建 - 厦门 来源:中冶有色网 2023-03-19
基于生物酶处理的餐厨厨余垃圾处理方法

本发明公开了一种基于生物酶处理的餐厨厨余垃圾处理方法,包括以下处理步骤:S1:将餐厨垃圾进行分拣和称重;S2:将餐厨垃圾添加适量的生物菌,并加热后进行机械搅拌;S3:餐厨垃圾处理中产生的含油废水进入到油水分离设备中进行油水分离并处理;S4:餐厨垃圾处理中产生的废气通过异味祛除设备进行除味;S5:餐厨垃圾处理中产生的固体颗粒原料回收再处理,获得有机肥。本发明中,该餐厨厨余垃圾处理方法通过加热和生物酶的搅拌组合,可以达到源头上重量的减量效果,从而减少污染量,并且产生的含油废水进行油水分离后,使得废油经过处理可以二次利用,而厨余固体垃圾经过生化处理后成为有机肥原材料,即可实现餐厨厨余垃圾高效的处理效果。

标签:
固废
天津 - 天津 来源:中冶有色网 2023-03-19
氯代杂环的绿色合成和工业化方法

本发明提供了一个以固体三光气为原料合成各种含氯杂环的工业化方法。利用含有羟基杂环类化合物和三光气在胺类或者酰胺类催化剂作用下或无催化剂制得含氯杂环。本方法原料易得,成本低,反应温和,易于控制,处理简单,收率高,易于放大生产,并且适合制备几乎所有类别的含氯杂环,包括但不限于含有氯芳香族和杂环类;产生的废料极少,几乎不产生除二氧化碳以外的三废(溶剂可以回收利用;氯化氢可以回收制成盐酸溶液)。本发明为绿色化工提供了一条切实可行的各类含氯杂环的合成方法。

标签:
固废
上海 - 上海 来源:中冶有色网 2023-03-19
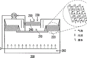
固液气三相分离装置
固液气三相分离装置 939     
 0

一种固液气三相分离装置,适于对一反应槽中含有固液气三相物质的废水进行分离,该装置包括:一第一槽、一第一倾斜沉降元件、一第二槽、一第二倾斜沉降元件及一溢流堰。第一槽配置于该反应槽中,且具有一底板,第一倾斜沉降元件配置于底板外围。第二槽配置于该反应槽中,并位于第一槽上方。第二倾斜沉降元件配置于第一槽与第二槽之间,溢流堰配置于第二槽中,且位于第二倾斜沉降元件上方。通过将固液气三相分离器改用大于75°的倾斜板,改善现有技术固液气分离区的不足,且可在设计时弹性变动倾斜板数量。本发明还将固液分离以两阶段方式进行,可将废水中的固体颗粒彻底分离,提升处理效能。

标签:
固废
其他 - 其他 来源:中冶有色网 2023-03-19
用冶金渣制备聚硅硫酸铁的方法

本发明公开了一种用冶金渣制备聚硅硫酸铁的 方法,属于化工技术领域,具体涉及一种用两种固体废弃物— 钢渣和水渣为主要原料制备新一代净水剂聚硅硫酸铁的方法。 其特征在于:以钢渣和水渣为原料制备用于聚合聚硅硫酸铁的 两种主要的半成品原料;半成品原料之一是含有 Fe3+的前驱体溶液,另一半成品 原料是含有SiO3 2-的前驱体溶液。将上述溶液分别稀释10倍, 按近似化学计量的比例混合,置于聚合反应器中进行聚合反 应。产品为液体聚硅硫酸铁溶液或无定形粉末状聚硅硫酸铁。 本发明的方法既解决了废料利用问题,又找到了十分廉价的原 料。用本发明的方法具有生产成本低,产品质量好,生产方法 简单易行,操作容易等优点。

标签:
固废
湖北 - 武汉 来源:中冶有色网 2023-03-19
填海治污产业
填海治污产业 931     
 0

一种沿海城市的填海治污产业,是在海底的废水处理中,由城市排水、固体废物、围堤填井与围堰浇筑地面沉积水连接;并设置围堤填井的废水处理厂,不仅能使城市排水受纳固体废物转入液态处理后达标排放,而且回收沿海城市环境的各种物态资源。

标签:
固废
广东 - 深圳 来源:中冶有色网 2023-03-19
生产植酸酶的方法
生产植酸酶的方法 814     
 0

本发明公开了一种生产植酸酶的方法,其是利用醋糟作为固体培养基,接种能够生产植酸酶的微生物菌种,进行发酵,从而得到植酸酶。其生产的工艺过程是:(1)将醋糟培养基装入容器,调整培养基的含水量;(2)进行灭菌;(3)在无菌条件下进行接种;(4)发酵。本发明的植酸酶的生产方法,其选用了生产醋的废弃物——醋糟,变废为宝,使植酸酶的生产成本大幅度地降低,同时使醋糟得到了合理再利用。

标签:
固废
北京 - 北京 来源:中冶有色网 2023-03-19
用微硅粉制备复合白炭黑的方法

本发明公开了属于固体废弃物再利用领域的一种用微硅粉制备复合白炭黑的方法。该方法是将微硅粉活化、除杂质、分散、调整表面电荷后在其表面包覆二氧化硅制备成具有核-壳结构的复合白炭黑材料。该复合粒子中包覆的SiO2质量比为2%-25%,遮盖率70-95%,表面包覆层的SiO2晶粒粒径为5-35nm,可用于代替白炭黑做橡胶补强填料。具有工艺简单、成本低等特点。与沉淀白炭黑生产相比,水玻璃用量大大减少,节省了水玻璃的使用与微硅粉直接应用于混凝土和水泥相比,可大大提高其高附加值,降低废弃物的排放。

标签:
固废
内蒙 - 呼和浩特 来源:中冶有色网 2023-03-19
通过阶段处理提高堆肥腐殖酸含量的方法

本发明提供了一种通过阶段处理提高堆肥腐殖酸含量的方法,属于固体有机废弃物处理与资源化利用技术领域,本发明对待处理有机固体废弃物进行预水解,破坏待处理有机固体废弃物中木质纤维素晶体连接结构。本发明在堆肥前添加木质纤维素高效水解菌剂促进有机组分水解,在堆肥高温期添加功能材料的同时停止通气,促进腐殖酸前体化合物快速缩合形成腐殖酸,为腐殖酸形成提供底物;恢复通气后,功能材料激发酶活性,进一步加快腐殖酸前体氧化聚合。在堆肥降温期,向堆体中添加矿物质及金属离子氧化物,保护已形成的腐殖酸分子不被微生物进一步水解。

标签:
固废
黑龙江 - 哈尔滨 来源:中冶有色网 2023-03-19
松香胶结相似材料的回收再利用方法

本发明公开了一种松香胶结相似材料的回收再利用方法,包括以下步骤:首先制备相似材料,并对其开展物理力学参数测试,模型试验完成后,将相似材料固体废弃物碾碎,然后配制特定浓度的松香酒精溶液,添加至回收的相似材料粉末中并拌合均匀,重新压实成型,即可循环利用相似材料。本发明提出的一种松香胶结相似材料的回收再利用方法,实现了地质力学模型试验中固体废料的回收和循环利用,且可以实现多次循环利用,从而大大的降低了地质力学模型试验的成本,减少了环境污染,本发明操作简便,无需使用额外的设备,成本低廉,易于实施,回收后的相似材料性能稳定、可控,解决了大规模地质力学模型试验固体废弃物的环境污染问题,值得推广。

标签:
固废
江苏 - 南京 来源:中冶有色网 2023-03-19
自清洗刮板排渣过滤器
自清洗刮板排渣过滤器 1208     
 0

一种用于甘蔗糖厂蔗汁除渣的自清洗刮板排渣过滤器,由空气进口管、清扫筛网喷射器、楔形筛网、蔗汁分布器、蔗汁进口管、盖板、刮板除渣器、固体废渣排出口、壳体、蔗汁出口管组成,其特征是:壳体内装有长方形的楔形筛网;在楔形筛网的一端装设蔗汁分布器,它与蔗汁进口管连接;在楔形筛网的表面装有刮板除渣器,固体废渣从楔形筛网另一端的固体废渣排出口排出;在楔形筛网的底面装有清扫筛网喷射器,它与空气进口管连接;在壳体上方装设盖板,可拆卸;在壳体下方装有蔗汁出口管,与下方的蔗汁罐连接。它具有过滤效果好、能耗低,噪声小、易于自清洗和自动排渣、结构简单、工作可靠等优点。

标签:
固废
广西 - 南宁 来源:中冶有色网 2023-03-19
锰铈修饰高铁粉煤灰的烟气脱硝用吸附剂及其制备方法

本发明属于粉煤灰固体废弃物再利用和烟气脱硝技术领域,为了解决现有烟气脱硝技术中催化剂中毒失活,及锅炉尾部受热面因受粘结焦或堵塞,影响锅炉系统正常运行等问题,提供了一种锰铈修饰高铁粉煤灰的烟气脱硝用吸附剂及其制备方法。将原粉煤灰经机械研磨、湿式磁选、干燥后获得的高铁粉煤灰与氧化钙混合制成浆状高铁粉煤灰基体,再加入硝酸锰和硝酸铈,干燥,高温焙烧,自然冷却至室温即为吸附剂。所制备的吸附剂是在260‑400℃温区内有效脱除燃煤烟气中氮氧化物的吸附剂,平均脱除效率≥70%。利用固体废弃物粉煤灰为基体制备烟气脱硝用吸附剂,可以在燃煤电厂内部实现以废治废。

标签:
固废
山西 - 太原 来源:中冶有色网 2023-03-19
TiO2/NaNiF6复合光催化剂及其制备方法

本发明公开了一种TiO2/NaNiF6复合光催化剂及制备方法,属于光催化技术领域,本申请的TiO2/NaNiF6复合光催化剂制备方法为将铁尾矿砂中加入NaOH进行熔融处理制备得到铁尾矿溶液,铁尾矿溶液和氟钛酸铵进行水热反应制得。本申请制得的TiO2/NaNiF6复合光催化剂具有优良的光催化性能,并且充分利用了固体废物铁尾矿砂,变废为宝。

标签:
固废
河北 - 唐山 来源:中冶有色网 2023-03-19
粉煤灰基催化裂解催化剂及其制备方法

本发明公开了一种粉煤灰基催化裂解催化剂及其制备方法。主要包括如下步骤:1)将粉煤灰磁珠过50‑200目筛。2)将粉煤灰磁珠、含镁化合物和助剂按一定质量比混合置于等离子体球磨机,在激发电压5‑8kV下球磨0.5‑5h后得到催化剂。催化剂其表面碱性常数Kb和酸性常数Ka之比为1.2‑1.8:1,并具有0.4‑25nm孔径的多孔道结构。本发明以大宗固体废物粉煤灰为主要原料,通过高能等离子体球磨机制备铁镁尖晶石类材料作为生物质催化裂解的催化剂,具有制备工艺简单、催化效率高、易于大规模生产等优点,同时达到变废为宝的目的。

标签:
固废
浙江 - 杭州 来源:中冶有色网 2023-03-19
新型合成姜黄素类似物的方法

本发明公开了一种姜黄素类似物的制备方法,所述的姜黄素类似物的结构式如下:合成方法包括如下步骤:邻羟基反式肉桂酸和臭氧反应得到水杨醛;使用碘甲烷作为甲基化试剂,甲基化反应得到产物2‑甲氧基苯甲醛;2‑甲氧基苯甲醛与丙酮反应,以甲醇钾作碱,重结晶后得到所述的姜黄素类似物。与现有的技术相比,本方法不使用任何的贵重金属催化剂或卤代溶剂,污染少,反应过程易于操作。得到的最终产物纯度达到99%以上,简化了纯化步骤,避免了硅胶柱层析分离纯化,因此本方法易于操作,极大降低生产成本,并且不会产生大量的固体废物和废液。同时本发明使用了臭氧解的方法,避免了使用各种氧化试剂,减少使用了有机试剂和溶剂。

标签:
固废
广东 - 深圳 来源:中冶有色网 2023-03-19
生态养猪循环系统
生态养猪循环系统 1075     
 0

本发明公开了生态养猪循环系统,包括养猪、监控、粪便处理和废物利用;养猪包括猪舍圈养和自然放养;粪便处理为收集并产生沼气后对沼气渣过滤并进行干湿分离;废物利用包括沼气和沼气渣的利用;沼气为猪场及周围的设备设置提供电能和热能;沼气渣干湿分离后得到的液体直接用于猪场周围的蔬菜种植;而得到的固体废渣用于食用菌栽培的基料。本发明生猪粪便经过无害化处理,沼气渣通过干湿分离后,固体废渣直接用于食用菌的基料,在保障食用菌无害化的同时,有效促进食用菌的生长,提高经济效益。

标签:
固废
四川 - 广元 来源:中冶有色网 2023-03-19
黑水虻虫菌复合制剂及其生产方法

本发明公开了黑水虻虫菌复合制剂及其生产方法,属于生物处理固体有机废弃物技术领域,按重量份数计,所述黑水虻虫菌复合制剂包括以下组分:3龄黑水虻幼虫1份,活性菌粉0.6‑1份,麸皮0.1‑0.5份,珍珠岩0‑0.3份,丙酸钙0.1‑0.3份,维生素C 0.1‑0.3份;所述活性菌粉是按如下方法制得的:步骤A:使用液体LB培养基将甲基营养型芽孢杆菌在37℃培养至对数生长期作为种子液使用;步骤B:按1%接种量将步骤A中所述的种子液接种到发酵罐中的液体发酵培养基中发酵,发酵24小时后进行活菌计数,得发酵液;步骤C:将步骤B中所述的发酵液与沸石粉按照1∶1‑5体积的比例混合均匀,然后在60℃下干燥,即得活性菌粉。本申请有助于黑水虻幼虫在处理废弃物方面的规模化应用与推广。

标签:
固废
河南 - 郑州 来源:中冶有色网 2023-03-19
基于赤泥的烟气脱硫脱硝生产发泡保温材料的方法

本发明公开了一种基于赤泥的烟气脱硫脱硝生产发泡保温材料的方法。将由赤泥、电石渣、氧化镁和氢氧化钠组成的脱硫脱硝剂加入碱性工业废水制备脱硫脱硝剂浆液;使脱硫脱硝剂浆液和臭氧与烟气接触,以形成吸收浆液;当吸收浆液的pH值降至6.5~7.5范围时排出浆液,得到脱硫脱硝料浆;将包含脱硫脱硝料浆、氧化镁、工业固体废物、发泡剂和添加剂的原料混合,并进行发泡成型;然后在温度为20~60℃、且湿度为50~100%的条件下养护3~8小时。本发明的方法可以解决二氧化硫和氮氧化物带来的大气污染问题,还可以利用工业废水、工业固体废物获得合格的发泡保温材料。

标签:
固废
北京 - 北京 来源:中冶有色网 2023-03-19
胶凝材料石膏基生态水泥及其生产方法

一种胶凝材料石膏基生态水泥,其由石膏胶凝材料、活性掺合料、碱性激发剂制成,各组分的重量配比为:石膏胶凝材料80~95,活性掺合料8~15,碱性激发剂?1~5。优点 : 利用本技术生产的石膏基生态水泥不用生料磨,也不用窑煅烧,不排放二氧化碳,主要利用各种工业废渣等固体废弃物直接粉磨生产水泥,节能减排效果极其显著。

标签:
固废
湖北 - 荆门 来源:中冶有色网 2023-03-19
煤催化气化灰渣的回收利用方法及其活性残渣

本发明涉及煤催化气化领域,尤其涉及一种煤催化气化灰渣的回收利用方法及其活性残渣,能够在提高煤催化气化灰渣的总钾回收率的同时提高废弃灰渣的吸附性能,将所述废弃灰渣变废为利。克服了现有技术中煤催化气化灰渣得不到充分的回收利用,大量灰渣被废弃堆放,造成环境污染与资源浪费的综合缺陷。本发明实施例提供的煤催化气化灰渣的回收利用方法,包括:步骤1)向煤催化气化灰渣中加入水进行水洗,固液分离后得到固体滤渣与第一滤液,所述第一滤液中含有可溶性钾;步骤2)向所述固体滤渣中加入消解原液与消解剂和活化剂进行消解活化反应,固液分离后得到活性残渣与第二滤液。

标签:
固废
河北 - 廊坊 来源:中冶有色网 2023-03-19
包括过滤器的干燥设备

本发明提供了一种包括过滤器的干燥设备,该干燥设备包括外壳、出口和过滤器单元,该外壳的一部分限定了在其中可以干燥物品的腔体,该出口位于该腔体的下端处,且该过滤器单元布置在该出口的下游,其中过滤器单元包括微粒过滤器和杀菌过滤器。通过提供一种具有微粒过滤器和杀菌过滤器的过滤器单元,固体物质和细菌可从废弃液体中去除。这产生从过滤器单元输出卫生且清洁的废弃液体。

标签:
固废
其他 - 其他 来源:中冶有色网 2023-03-19
上一页 1994 1995 1996 1997 1998 ... 2000 ... 5000 ... 5981 下一页
共5981页    到第

中冶有色为您提供最新的有色金属环境保护技术理论与应用信息,涵盖发明专利、权利要求、说明书、技术领域、背景技术、实用新型内容及具体实施方式等有色技术内容。打造最具专业性的有色金属技术理论与应用平台!

全国热门有色金属设备推荐
展开更多 +
全国热门有色金属技术推荐
展开更多 +

 

江西省隆恩特环保设备有限公司
宣传

报名参会
更多+

2025年10月15日 ~ 17日
2025年10月17日 ~ 19日
2025年10月31日 ~ 11月02日
2025年11月07日 ~ 09日

报告下载

有色专家
更多+

矿冶科技集团有限公司
党委书记 / 董事长
中南大学
中国工程院 院士
长沙矿冶研究院有限责任公司
中国工程院院士
昆明理工大学
校长
紫金矿业信息化研发中心
副总经理
赤泥综合利用研究报告2025
推广

热门技术
更多+

推荐企业
更多+

福建省金龙稀土股份有限公司
宣传

发布

在线客服

公众号

电话

顶部
咨询电话:
010-88793500-807