青岛垚鑫智能科技有限公司
宣传

位置:中冶有色 >

有色技术频道 >

> 加工技术

分类:
全部
矿山技术
冶金技术
材料制备及加工技术
环境保护技术
分析检测技术
 
全部
功能材料技术
复合材料技术
新能源材料技术
合金材料技术
加工技术
地区:
全部
北京
天津
上海
重庆
河北
山西
辽宁
吉林
黑龙江
江苏
浙江
安徽
福建
江西
山东
河南
湖北
湖南
广东
海南
四川
贵州
云南
陕西
甘肃
青海
内蒙
广西
西藏
宁夏
新疆
其他
其他
展开
 
全部
成都
自贡
攀枝花
泸州
德阳
绵阳
广元
遂宁
内江
乐山
南充
眉山
宜宾
广安
达州
雅安
巴中
资阳
阿坝藏族羌族自治州
甘孜藏族自治州
凉山彝族自治州

四川有色金属加工技术理论与应用

免费发布技术信息>>
硅基镍钴锰锂三元锂电池电极材料及其制备方法

本发明提供一种硅基镍钴锰锂三元锂电池电极材料及其制备方法,采用镍、钴、锰盐制备前驱物,制备过程中引入有机硅形成溶胶,采用气流式喷雾干燥器对溶胶进行喷雾干燥,同时引入石墨烯浆体,在快速干燥过程中,石墨烯成为颗粒间的空间阻隔,限制了颗粒的尺寸,抑制其过度生长,得到粒度均匀、导电性良好的硅基镍钴锰锂三元电池材料。本发明提供上述方法有效解决在实际应用中三元锂电池电极材料由于其镍含量高,结构稳定性差,进而影响电池安全性的技术问题,有效地提高了三元锂电池电极材料稳定性,进而提升了三元锂电池使用安全性。

标签:
加工技术
四川 - 成都 来源:中冶有色网 2023-03-18
异形分布的镍钴锰酸锂三元锂电池正极材料及制备方法

本发明提出一种异形分布的镍钴锰酸锂三元锂电池正极材料及制备方法,该方法将高镍三元镍钴锰酸锂制备成丝状,高锰三元镍钴锰酸锂制备成球状,高钴三元镍钴锰酸锂制备成片状,通过形状克服各自的不稳定缺陷,再将三种异形结构的三元材料通过熔融的锡组装连接,形成三元正极材料。本发明提供上述方法克服了改性过程中容易引入其他杂相,三元材料成分不易控制的技术缺陷,利用三种材料的优势,通过形状改善不稳定结构,制备的电池正极材料兼具了高容量、高稳定性、和高电压循环性好,可实现快速充电,而且整个过程没有引入其他杂相,制备工艺易于掌握,电极材料可以一次成型,无需涂布工艺。

标签:
加工技术
四川 - 成都 来源:中冶有色网 2023-03-18
从含锂溶液中富集锂的方法

本发明公开了一种从含锂溶液中富集锂的方法,包括以下步骤:(1)以Pb作为阳极,具有可吸附锂的电极材料为阴极,以含锂的溶液为电解液,进行电化学反应提取锂;(2)调转步骤(1)中的阴阳极后,加入电解液进行电化学反应释放锂,得富集锂溶液。本发明采用无膜提锂体系可以有效避免阴离子膜的使用,降低成本,同时也可避免待处理的溶液中的杂质离子通过膜扩散到需要获取的目标溶液中,可极大地降低后续处理工艺的难度,有利于节约生产成本。

标签:
加工技术
四川 - 成都 来源:中冶有色网 2023-03-18
从磷酸亚铁锂废料中回收碳酸锂的方法

本发明涉及从磷酸亚铁锂废料中回收碳酸锂的方法,属于废旧锂离子电池回收利用技术领域。本发明所解决的技术问题是提供了一种从磷酸亚铁锂废料中回收碳酸锂的方法。本发明方法包括如下步骤:磷酸亚铁锂废料于500~800℃焙烧1~4h;焙烧后的物料加硫酸浸出,过滤得到磷酸锂、磷酸铁和硫酸铁的混合溶液;混合溶液加热到80~100℃,并调节pH值到2~2.5,反应1~4h,过滤、洗涤、干燥得到磷酸铁;过滤所得的滤液调节pH值6~7,加入氯化钙除磷,过滤;过滤所得的滤液用碳酸钠调节pH值到10~12,反应0.5~2h,过滤、洗涤、干燥得到电池级碳酸锂。

标签:
加工技术
四川 - 遂宁 来源:中冶有色网 2023-03-18
从锂粘土中提锂的预处理系统

本实用新型公开了一种从锂粘土中提锂的预处理系统,包括原料储存仓、破碎机、回转烘干机、四个原料配料仓、多功能立式磨、混合料均化库,二级旋风预热器;原料储存仓储存锂粘土原料,其一侧设置有卸料坑,卸料坑下部即为破碎机,破碎机对锂粘土进行破碎,并输送至回转烘干机烘干,烘干后输送至其中一个原料配料仓中,另外三个原料配料仓分别盛装石灰石、石膏、硫酸钙,原料配料仓按配比将锂粘土、石灰石、石膏、硫酸钠输出多功能立式磨进行粉磨,粉磨后传输至混合料均化库储存,经过计量后,输送至二级旋风预热器进行焙烧前的预热。本实用新型通过在焙烧前,对其进行一系列预处理过程,能够有效提高对锂粘土的利用率和锂的回收率,不易产生废气。

标签:
加工技术
四川 - 成都 来源:中冶有色网 2023-03-18
用于锂硫电池的石墨改性隔膜及其制备方法与构成的锂硫电池

本发明提供一种用于锂硫电池的石墨改性隔膜,该石墨改性隔膜由隔膜基体材料和涂覆在隔膜基体材料上的石墨改性材料涂层构成,所述石墨改性材料涂层的组成组分和组分含量以质量百分比计,包括70%~85%的石墨,5%~10%的碳材料和余量的粘接剂。本发明还提供了上述石墨改性隔膜的制备方法,以及采用该石墨改性薄膜组装了锂硫电池。使用该石墨改性隔膜的锂硫电池首次放电后在石墨改性隔膜表面形成稳定SEI膜,稳定的SEI膜抑制了电解液的进一步分解及石墨的剥离,石墨涂覆层能稳定存在于超浓的醚类电解液中。表面形成了SEI膜的石墨层抑制了多硫化物的穿梭,显著提高锂硫电池的循环性能和倍率性能。

标签:
加工技术
四川 - 成都 来源:中冶有色网 2023-03-18
锂电池氧化亚硅负极的预锂化方法

本发明属于锂电池负极料技术领域,具体涉及一种锂电池氧化亚硅负极的预锂化方法。本发明的方法包括:将PMMA溶解于1,3‑二恶烷中,在手套箱中将Li粉加入溶液配置为悬浊液,机械搅拌均匀后流延成膜,升温静置至1,3‑二恶烷完全蒸发后,将样品从手套箱中移出,获得PMMA包覆锂粉薄膜;将氧化亚硅粉末与分散剂和无水乙醇混合后湿法球磨1~3h,将球磨浆料涂布于碳膜表面,烘干后获得负载氧化亚硅粉末的碳膜;向PMMA包覆锂粉薄膜和负载氧化亚硅粉末的碳膜分别喷涂少量粘结剂后,通过卷对卷辊压机压制成型,获得所需的负极材料。本发明工艺简单可控,工艺中无需非常规有机溶剂配置电池,不会对电解液体系造成污染。

标签:
加工技术
四川 - 成都 来源:中冶有色网 2023-03-18
锂电池放电口的插孔结构与放电母座、锂电池放电口

本发明提供一种锂电池放电口的插孔结构,其包括套筒、绝缘和按压式箍紧装置,该套筒设有与插针接触的插筒,该插筒设有若干弹性片,若干该弹性片环绕插针分布,该弹性片内壁设有可与插针接触的接触部;该套筒固定于该绝缘座;该按压式箍紧装置包括按压驱动结构和箍紧环,该按压式驱动结构固定于绝缘座,该箍紧环可滑动地套于插筒外部;该按压式驱动结构驱动箍紧环在箍紧弹性片的第一位置与松放弹性片的第二位置之间滑动。本发明还提供一种锂电池放电口的放电母座及锂电池放电口,该放电母座及锂电池放电口均具有该插孔结构。本发明能够提高插针与套筒接触的稳固性,提高放电口的安全性,延长放电口的使用寿命,降低维护成本。

标签:
加工技术
四川 - 宜宾 来源:中冶有色网 2023-03-18
利用废锰酸锂正极材料生产碳酸锂和氢氧化锰的方法

本发明提供了一种利用废锰酸锂正极材料生产碳酸锂和氢氧化锰的方法,该方法能够将锰酸锂正极材料进行相应的反应转换后单独分离出氢氧化锰和碳酸锂这两种具有高附加值的产物,以用于后续金属材料的循环利用,从而实现将废弃锰酸锂正极材料转换为具有高经济效益的工业生产原料,以减少资源的浪费、避免环境污染和提高锰酸锂材料的循环利用价值。

标签:
加工技术
四川 - 自贡 来源:中冶有色网 2023-03-18
以四氯化钛为原料制备锂电负极材料钛酸锂的方法

本发明属于无机化工技术领域,具体涉及以四氯化钛为原料制备锂电负极材料钛酸锂的方法。本发明所要解决的技术问题是提供一种成本低、步骤简便的锂电负极材料钛酸锂的制备方法。该方法包括如下步骤:a、在冰水浴条件下配制四氯化钛溶液,将四氯化钛溶液进行水解,水解完成后,固液分离得沉淀产物,经洗涤,干燥,研磨得粉状二氧化钛;b、取粉状二氧化钛加入水中制得悬浊液,搅拌的同时采用喷雾干燥机制粒,得球状二氧化钛;c、取球状二氧化钛与碳酸锂混合,研磨,焙烧,得钛酸锂。采用本发明方法可提高二氧化钛和碳酸锂的混合均匀度,使制得的钛酸锂纯度为99.0~99.5%,明显改善钛酸锂的性能。

标签:
加工技术
四川 - 成都 来源:中冶有色网 2023-03-18
硝酸有压浸出锂辉矿生产电池级碳酸锂的方法

本发明公开了一种硝酸有压浸出锂辉矿生产电池级碳酸锂的方法,包括如下步骤:将锂辉石煅烧、球磨;加水打浆,往浆液中加硝酸进行硝酸二次逆向浸出,得浸出液和浸出渣;将浸出液分段调pH;得到相应的除杂后液和除杂渣;将除杂后液使用碳酸钠沉锂生成Li2CO3产品,沉锂所产生的母液经浓缩结晶得到NaNO3、KNO3、Li2CO3。其中,NaNO3通过膜处理实现酸碱回收使用。针对传统硫酸法的弊端,本发明使用硝酸直接浸出煅烧后的锂辉矿,且采用硝酸二次逆向浸出,使浸出液pH不低于2.5,减少中和残酸辅料消耗,产渣量减少,有效提高了锂矿中锂的总回收率,同时实现了酸碱循环再生利用,具有较好的经济价值,工艺绿色环保。

标签:
加工技术
四川 - 眉山 来源:中冶有色网 2023-03-18
硅酸锂包覆的锂电池固体电解质及制备方法

本发明提供了一种硅酸锂包覆的锂电池固体电解质及制备方法。将氢氧化锂加热处理,与氧化锂、氧化镧、氧化锆加入异丙醇中,进行二次球磨及退火处理,接着将得到的反应产物进行压片处理,得到电解质,接着在表面涂覆硅酸锂、硅酸钠配制的水溶胶,最后进行快速加热处理,即得的硅酸锂包覆的石榴石型固体电解质。该方法可以有效抑制薄膜干燥过程中的收缩变形,能耗低且制备周期短,其工艺简单可控,不需要昂贵的设备,能耗和成本大大降低,并且在使用时,具有较低的界面阻抗及晶粒电阻,使得电解质乃至锂电池的耐久性和循环性能得到明显提高。

标签:
加工技术
四川 - 成都 来源:中冶有色网 2023-03-18
负载耐温复合层的锂电池负极极片及制备方法

本发明提出一种负载耐温复合层的锂电池负极极片及制备方法,所述锂电池负极极片是将悬浊液B喷涂于负载多孔导电层的负极片而制得,所述悬浊液B是将无机耐温材料加入混合溶液而制得,所述负载多孔导电层的负极片是将悬浊液A喷涂于负极极片而制得,所述悬浊液A是将无机锂离子导体、聚氧化乙烯、氧化石墨烯粉末加入混合溶液而制得,所述负极极片为负极活性材料、聚偏氟乙烯、导电剂混合涂布于铜箔而制得,所述混合溶液为聚偏氟乙烯‑六氟丙烯共聚物溶解于丙酮和N,N‑二甲基甲酰胺的混合溶剂而制得。本发明提供的锂电池负极极片,不但良好的耐温性能,而且离子导电率高,具有良好的安全性和使用性,同时其制备工艺简单,适宜于工业化生产。

标签:
加工技术
四川 - 成都 来源:中冶有色网 2023-03-18
用于锂电池的阴极材料及其制备方法

本发明公开了一种用于锂电池的阴极材料及其制备方法,该阴极材料为LiPON包覆铁酸镍的薄膜,通过脉冲激光沉积法制备得到NiFe2O4薄膜,在NiFe2O4薄膜上利用磁控溅射法制备得到LiPON包覆铁酸镍薄膜材料。该薄膜制成的电极,具有良好的充放电循环可逆性和倍率性能,电极的比容量保持在872mAh/g左右。电极经50次循环后容量没有无明显的衰减。LiPON包覆铁酸镍的薄膜电极材料化学稳定性好、比容量高、制备方法简单,适用于锂电池。

标签:
加工技术
四川 - 绵阳 来源:中冶有色网 2023-03-18
锂硅酸盐玻璃的强化工艺以及锂硅酸盐强化玻璃

本发明涉及强化玻璃领域,具体而言,涉及一种锂硅酸盐玻璃的强化工艺以及锂硅酸盐强化玻璃。锂硅酸盐玻璃的强化工艺包括:对锂硅酸盐玻璃基片仅进行一次强化处理,其中,强化处理的条件包括:强化熔盐中钠盐质量占熔盐质量的1‑5%,钾盐质量占熔盐质量的95‑99%;强化温度为390‑430℃;强化时间为3‑5h。本发明实施例仅通过一次强化工艺强化锂硅酸盐玻璃原片,在锂硅酸盐玻璃原片表面形成具有高深度的应力层,提升了锂硅酸盐玻璃原片的砂纸跌落性能。

标签:
加工技术
四川 - 绵阳 来源:中冶有色网 2023-03-18
掺杂及包覆富锂层状锂锰氧化物吸附材料及其制备方法

本发明公开了一种掺杂及包覆富锂层状锂锰氧化物吸附材料,吸附材料是在xLi2MnO3·(1‑x)LiMnO2中掺杂金属元素M及在其微晶表面包覆氧化物M’O2,表示为{My—[xLi2MnO3·(1‑x)LiMnO2]}/M’O2,0<x≤0.8,0.01≤y≤0.5,M’O2含量为0.1wt%~1wt%;其中M’表示金属元素。上述的一种掺杂及包覆富锂层状锂锰氧化物吸附材料的制备方法,包括以下步骤:获得锰源、M盐、M’盐、锂源的混合粉料;将混合粉料通过煅烧获得吸附材料{My—[xLi2MnO3·(1‑x)LiMnO2]}/M’O2。本发明提供的吸附材料可在高镁锂比的卤水中高效吸附提取锂,且锰溶损低,结构稳定,循环性能好。

标签:
加工技术
四川 - 成都 来源:中冶有色网 2023-03-18
锂电池组件及锂电池
锂电池组件及锂电池 822     
 0

本实用新型公开了一种锂电池组件及锂电池。该锂电池组件包括依次设置的正极极片、隔膜和负极极片;正极极片包括正极集流体及涂覆设置在正极集流体两侧的正极材料层,负极极片包括负极集流体及涂覆设置在负极集流体两侧的负极材料层;其中,正极集流体为设置有导电碳黑涂层的铝箔,负极集流体为设置有导电碳黑涂层的铜箔,正极材料层为磷酸铁锂LiFePO4层,负极材料层为石墨层、硬碳层或软碳层中的一种或多种,隔膜为涂覆氧化铝的聚烯烃隔膜。应用本实用新型的技术方案,通过各种电池材料的组合可使该材料体系发挥各个材料特性,可在‑30℃时正常使用,‑40℃时才达到绝对放电温度。

标签:
加工技术
四川 - 成都 来源:中冶有色网 2023-03-18
锂硫电池正极材料制备方法以及锂硫电池

本发明公开了一种锂硫电池高效载硫正极材料的制备方法,采用简易的静电纺丝技术,经过随后的气相硫化以及同步碳化过程,获得一种金属硫化物均一镶嵌的杂原子掺杂的碳纳米纤维高效载硫体。制得的锂硫电池正极材料,通过碳纳米纤维支撑的金属硫化物与多硫化锂具有较强的化学相互作用,从而实现金属硫化物作为硫正极材料时对多硫化锂较强的化学吸附能力,实现对多硫化物的吸附,从而抑制其在两极之间的穿梭,是提高锂硫电池性能。

标签:
加工技术
四川 - 成都 来源:中冶有色网 2023-03-18
锂辉石生产单水氢氧化锂工艺

一种锂辉石生产单水氢氧化锂工艺,包括:将锂辉石焙烧、球磨、酸化,其特征是还包括:浸出、过滤除去滤渣、加氢氧化钾等净化、蒸发冷却分离出硫酸钾、加氢氧化钡净化分离出硫酸钡、再经蒸发冷却结晶分离制得单水氢氧化锂等步骤。采用本发明,具有物料流通量小、设备产能大、能耗低、锂金属回收率高、三废少、工艺流程短、生产成本低等特点。

标签:
加工技术
四川 - 绵阳 来源:中冶有色网 2023-03-18
水滑石稳定的富锂锰基锂电池正极材料及制备方法

本发明提出一种水滑石稳定的富锂锰基锂电池正极材料及制备方法,用于解决现有包裹技术和体相掺杂技术中通常面临着的材料表面包覆不均匀,包覆材料离子电导率和电子电导率低,掺杂效率低,存在杂相,进而影响电池安全性的技术问题。本发明提供的水滑石稳定的富锂锰基锂电池正极材料及制备方法,将富锂锰基前驱物在镁铝碳酸根型水滑石体系中反应,通过与镁铝碳酸根型水滑石层间离子交换性形成稳定的层结构,进一步加热排水干燥,得到稳定性富锂锰基正极材料,层结构稳定,倍率性能提高和循环寿命延长。

标签:
加工技术
四川 - 成都 来源:中冶有色网 2023-03-18
降低元明粉带锂提高锂收率的方法及装置

本发明涉及一种降低元明粉带锂提高锂收率的方法,属于锂提取技术领域。降低元明粉带锂提高锂收率的方法包括:a.将原液蒸发,当氧化锂浓度达到25~30g/L后将上层清液与硫酸锂溶液调配后行沉锂;b.将蒸发得到的下层结晶用溶液溶解稀释,得到缓释液;所述稀释液中氧化锂浓度维持13~20g/L;所述溶液为a步骤所述原液、c步骤增稠后的上层部分料液、c步骤所述离心的离心液中的至少一种;c.将缓释液进行增稠,增稠后的下层部分料液离心干燥得到元明粉。本发明降低了硫酸法矿石提锂生产碳酸锂过程副产物元明粉中的锂含量,提高锂的回收率。

标签:
加工技术
四川 - 遂宁 来源:中冶有色网 2023-03-18
稳定的镍钴锰酸锂三元锂电池正极片及制备方法

本发明提供一种稳定的镍钴锰酸锂三元锂电池正极片及制备方法,利用激光加热煅烧,使钼粉、钨粉、萤石粉烧结形成金属陶瓷层,三元材料前驱物制备成胶体直接涂金属陶瓷层,然后进行烧结得到由金属陶瓷稳定的镍钴锰酸锂三元正极片。本发明提供上述方法克服了现有技术中对三元活性材料镍钴锰酸锂先改性后制浆涂覆,工艺步骤繁琐,电池性能受到分散工艺水平影响较大,产品性能不易控制的技术缺陷,实现了提高镍钴锰酸锂三元材料高电压循环稳定性,提高了电池的放电比容量的技术效果。进一步,简化了镍钴锰酸锂三元锂电池正极片生产工艺,产品性能易于控制,适合大规模工业化生产。

标签:
加工技术
四川 - 成都 来源:中冶有色网 2023-03-18
提高锂离子电池负极材料钛酸锂性能的方法

本发明成功实现一种适于生产的制备高倍率性能、高循环寿命锂离子负极材料钛酸锂的制备方法。该方法将一定比例的锂源和钛源进行球磨混料,混料后得到前驱体粉末置于高温炉中烧结,即可得到两相共存的钛酸锂(Li4Ti5O12-Li2TiO3)复合材料。其优势在于:通过控制锂源与钛源的比例可以定制钛酸锂体系的比容量及充放电倍率性能;通过该方法制备的钛酸锂体系,以10C的充放电倍率进行充放电,可逆容量达到106mAh/g,充放电500次后,容量保持率为98.2%,几乎无衰减;该方法环保、可控、适合大规模生产。

标签:
加工技术
四川 - 成都 来源:中冶有色网 2023-03-18
负极层及其锂电池电芯、锂电池

本实用新型涉及锂电池领域,特别涉及负极层及其锂电池电芯、锂电池。所述负极层包括金属多孔结构及熔融填充于金属多孔结构的孔隙中的锂金属,所述金属多孔结构由Al、Cu或Ni元素中一种或几种组合的金属或金属化合物形成。上述金属多孔结构可提高锂金属在所述负极层中分布的均匀性。所述负极层形成于所述集流体一表面上,所述负极层中所述金属多孔结构可为所述负极层中的锂金属提供支撑骨架。具有上述负极层的锂电池可在锂离子迁移的过程中,避免负极层的结构发生改变或坍塌,从而可延长锂电池的循环寿命。

标签:
加工技术
四川 - 成都 来源:中冶有色网 2023-03-18
基于平方根扩展卡尔曼滤波的锂电池SOC估计模型

本发明涉及一种平方根扩展卡尔曼的SOC估算方法,其特征在于,通过在卡尔曼滤波算法基础上求取雅克比矩阵处理使卡尔曼滤波能应用于具有明显非线性关系的锂离子电池组SOC估算,实现了对锂离子电池组SOC值的有效迭代计算,克服SOC初值误差和安时积分存在的累积误差。针对由于计算机字长有限而存在舍入误差可能引起的滤波发散,改进扩展卡尔曼滤波方法将状态量协方差矩阵进行平方根分解,保证其在任何时刻具有对称非负定性,防止出现因计算机字长有限可能引起的滤波发散情况。该方法在充分考虑锂离子电池成组工作基础上,基于等效模型电路,改进以卡尔曼为基础的迭代计算过程,将矩阵平方根变换具体应用防止可能存在的滤波放散,实现锂离子电池组SOC估算模型的建立和SOC值的数学迭代运算算法的可靠运行。

标签:
加工技术
四川 - 绵阳 来源:中冶有色网 2023-03-18
掺杂二氧化钛包覆钛酸锂锂电池负极材料及制备方法

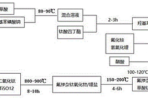
本发明提出一种掺杂二氧化钛包覆钛酸锂锂电池负极材料及制备方法,所述锂电池负极材料是将草酸、十二烷基苯磺酸钠、去离子水和乙醇混合后加热,然后加入钛酸四丁酯反应制得羟基草酸钛凝胶,接着加入氟化铵和氢氧化锂,再调节pH值并加热回流反应,经离心、干燥得到羟基草酸钛凝胶,接着将凝胶经预烧、烧结而制得。本发明提供的包覆型钛酸锂负极材料,表层的氟掺杂二氧化钛层与钛酸锂的相容性高,包覆均匀,不易脱落,包覆效果好,同时形成的SEI膜氟含量更高,附着更牢固和稳定,在实际使用中有着优异的循环性能。

标签:
加工技术
四川 - 成都 来源:中冶有色网 2023-03-18
铜基锂片负极聚合物锂电池

本发明公开了一种铜基锂片负极聚合物锂电池,它包括隔膜、正极、负极、集流体、涂布在负极上的物质层以及电解质层;所述电解质层分布在所述正极与所述负极之间;所述隔膜设置在所述正极和所述负极之间,防止正、负极接触短路,并且离子能通过所述绝缘隔膜;所述集流体分别与所述正极、所述负极相连,用于引出电能。本发明采用涂有锂金属的铜箔作为负极,大幅度提高了负极容量,将这种负极应用于锂电池,提高了锂电池的容量密度;同时,采用半固态聚合物作为锂电池电解质,提高了电池的安全性,且轻薄、形状可变;同时具备容量密度高、安全性好的特点。

标签:
加工技术
四川 - 成都 来源:中冶有色网 2023-03-18
Li4Ti5O12负极材料及其制成的钛酸锂电池

本发明涉及了一种Li4Ti5O12负极材料及其制成的钛酸锂电池。本发明的Li4Ti5O12负极材料具有多层的核壳结构,由中心的Li4Ti5O12材料,中间的Li1+2xM2yTi(2?x?y)P3O12?x(其中x、y为0~0.2)层及表面的导电碳层构成。钛酸锂电池由上述的Li4Ti5O12材料做为负极片的活性物质制备而成。本发明的Li4Ti5O12负极材料和钛酸锂电池具有优异的电化学性能、循环稳定性和安全性,有望在新能源汽车和储能领域中得到广泛应用。

标签:
加工技术
四川 - 眉山 来源:中冶有色网 2023-03-18
锂电池磷酸锰锂正极材料的喷雾热解制备方法

本发明涉及一种锂电池磷酸锰锂正极材料的喷雾热解制备方法,属于锂电池正极材料技术领域。本发明首先在惰性气氛条件下通过高温喷雾热解法促使磷酸锰锂均匀形核,进而降低后续反应的温度和时间,制备出电化学性能优异磷酸锰锂正极材料;本发明的制备方法简单,由于原料在分子离子级别混合通过高温喷雾热解后降低了后续反应的温度和时间,所得的磷酸锰锂材料纯度高,晶体结构完整,颗粒细小均匀,电化学性能优异。

标签:
加工技术
四川 - 成都 来源:中冶有色网 2023-03-18
掺杂富锂偏钛酸锂吸附材料及其制备方法

本发明公开了一种掺杂富锂偏钛酸锂吸附材料,吸附材料为Li2TiO3晶格中掺杂金属元素M及在Li2TiO3微晶表面包覆氧化物MO2,表示为Li2MyTi1‑yO3/MO2,y的取值范围0.001~0.02,MO2含量为0.1wt%~1wt%。一种掺杂富锂偏钛酸锂吸附材料的制备方法,包括以下步骤:获得钛源、M盐、锂源的混合粉料;将混合粉料通过煅烧获得吸附材料Li2MyTi1‑yO3/MO2。该材料经酸洗脱锂后,吸附效率高,能在高镁锂比的卤水中高效提取锂,且易回收,可循环利用。

标签:
加工技术
四川 - 成都 来源:中冶有色网 2023-03-18
上一页 191 192 193 194 195 ... 204 下一页
共204页    到第

中冶有色为您提供最新的四川有色金属加工技术理论与应用信息,涵盖发明专利、权利要求、说明书、技术领域、背景技术、实用新型内容及具体实施方式等有色技术内容。打造最具专业性的有色金属技术理论与应用平台!

全国热门有色金属设备推荐
展开更多 +
全国热门有色金属技术推荐
展开更多 +

 

江西省隆恩特环保设备有限公司
宣传

报名参会
更多+

报告下载

有色专家
更多+

中国瑞林工程技术有限公司
中国工程院院士
矿冶科技集团有限公司工程公司
副总经理
江西理工大学
副处长/教授
矿冶科技集团
中国工程院院士
中国有色金属工业协会
副会长兼秘书长
赤泥综合利用研究报告2025
推广

热门技术
更多+

推荐企业
更多+

福建省金龙稀土股份有限公司
宣传

发布

在线客服

公众号

电话

顶部
咨询电话:
010-88793500-807