青岛垚鑫智能科技有限公司
宣传

位置:中冶有色 >

有色技术频道 >

> 固/危废处置技术

分类:
全部
矿山技术
冶金技术
材料制备及加工技术
环境保护技术
分析检测技术
 
全部
废水处理技术
大气治理技术
固/危废处置技术
土壤修复技术
地区:
全部
北京
天津
上海
重庆
河北
山西
辽宁
吉林
黑龙江
江苏
浙江
安徽
福建
江西
山东
河南
湖北
湖南
广东
海南
四川
贵州
云南
陕西
甘肃
青海
内蒙
广西
西藏
宁夏
新疆
其他
其他
展开
 
全部
南京
无锡
徐州
常州
苏州
南通
连云港
淮安
盐城
扬州
镇江
泰州
宿迁

江苏苏州有色金属固/危废处置技术理论与应用

免费发布技术信息>>
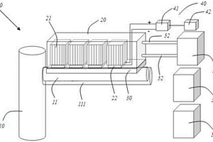
一种槽罐车废气回收装置

本发明公开了一种槽罐车废气回收装置,其包括封闭的中空的回收罐,其特征在于:所述回收罐上设置有一个可管道连接槽罐车的废气入口,所述废气入口上设置有第一阀门。本发明的一种槽罐车废气回收装置利用一个常压的密封罐体对槽罐车的废气进行回收,并将回收的废气送入气体液化设备进行再加工,重新加工成液体进行重新利用。从而避免了排放废气时的危险,并节约的成本。其具有安全且环保等优点。

标签:
危废
江苏 - 苏州 来源:中冶有色网 2023-03-19
一种金属切削废液处理系统

本实用新型公开了一种金属切削废液处理系统,包括循环罐和无机陶瓷膜分离器;循环罐上设有进液口、出液口和废物回流入口,无机陶瓷膜分离器上设有废物回流出口、进料口和出料口;循环罐的出液口通过管道与无机陶瓷膜分离器的进料口连接,其管道上依次设有阀门、循环泵、第一调节阀和第一压力表;无机陶瓷膜分离器的回流出口通过管道与循环罐的回流入口连接,其管道上依次设有第二压力表和第二调节阀。本实用新型系统稳定、工艺简洁、操作简单,能耗低、运行成本低;分离效果长期稳定,可耐切削液组份变化及废切削液排放量的冲击;能节省厂家切削液的用量,切削液回用还会给厂家带来明显的经济效益,同时减少了危废排放,减少了对周边环境的污染。

标签:
危废
江苏 - 苏州 来源:中冶有色网 2023-03-19
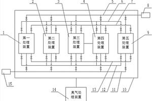
一种组合式强氧化废水处置中试装置

本发明公开了一种组合式强氧化废水处置中试装置,包括第一处理装置、第二处理装置、第三处理装置、第四处理装置、第五处理装置,所述第一处理装置、所述第二处理装置、所述第三处理装置、所述第四处理装置和所述第五处理装置之间设置有第一切换管、第二切换管、第三切换管、第四切换管。有益效果在于:能够实现不同的连通组合,根据危废的来源进行处理工艺路线的调整,能够减少设备需求;采用双氧水、臭氧与电絮凝进行氧化处理,防止可溶解盐分的含量较高而增加处理难度;增加石灰处置工艺且只设置一个混凝絮凝处理装置,能够减少废液处置过程中硫酸根及其他可沉淀盐的含量;能够对污水处理中造成的臭气进行处理,防止造成空气污染。

标签:
危废
江苏 - 苏州 来源:中冶有色网 2023-03-19
废旧锂电池切块回收设备

本实用新型公开了废旧锂电池切块回收设备,包括护罩,所述护罩的顶部固定连接有气味回收管口,所述护罩的底部固定设有压机组件;所述压机组件包括机架,本实用新型,通过设置护罩能够对工作者起到防护效果,从而提高了废旧锂电池剪切挤压时的安全性;通过设置气味回收管口,对废旧锂电池切开后的挥发电解液及有毒气味进行回收,避免污染空气,且防止有毒气味对工作者造成危害,进一步提高了废旧锂电池剪切挤压时的安全性;通过设置快速更换切块工装组件,能够将废旧锂电池切成多块预定尺寸的电池块,且在废旧锂电池切开时,通过输出氮气避免电池着火,进一步提高了废旧锂电池剪切挤压时的安全性。

标签:
危废
江苏 - 苏州 来源:中冶有色网 2023-03-19
一种切纸机排废系统
一种切纸机排废系统 1038     
 0

本实用新型公开的切纸机排废系统,包括落料装置、对落料装置中的废屑进行排出的废屑输送装置、以及位于所述废屑输送装置输出端的储废装置。通过设置落料装置对切削时产生的废屑进行有效的收集,后通过废屑输送装置进行输送储存,不易造成废屑飞溅,有效地保证了工作环境的质量,避免对操作人员的健康危害;同时,将废屑有效地收集存储以便二次使用,避免了原料的浪费,降低了使用成本。

标签:
危废
江苏 - 苏州 来源:中冶有色网 2023-03-19
对酮连氮法制水合肼的高盐废水进行资源化处理的工艺

本发明公开了一种对酮连氮法制水合肼的高盐废水进行资源化处理的工艺,改变了对酮连氮法水合肼废水处理常采用大量氧化剂进行氧化处理后外排的解决思路,通过以吹脱氧化和微波催化氧化为核心的处理工艺,有效的氧化分解和去除废水中对隔膜法氯碱生产过程造成危害的氨氮和有机物,使处理后废水可作为NaCl溶液回用作为隔膜法氯碱生产原料,实现了废水的资源化利用,降低了隔膜法氯碱生产成本,可真正达到废水零排放的处理目标。

标签:
危废
江苏 - 苏州 来源:中冶有色网 2023-03-19
一种等离子体废气净化器

本实用新型公开了一种等离子体废气净化器,其特征在于,包括箱体,所述箱体一侧面设置有进风口,所述进风口的相对面设置有出风口,所述进风口和出风口之间依次设置有过滤装置和净化装置,所述净化装置的顶端绝缘式连通高压放电模块,所述过滤装置包括棉滤网、活性炭滤网和HEPA滤网,所述净化装置、过滤装置和高压放电模块与控制系统电相连;本实用新型提供的一种等离子体废气净化器通过过滤装置的设置可分离空气中的悬浮颗粒,大大提高净化效率,净化装置的外加电场放电产生的大量携能电子轰击有机废气分子,使有机废气分子电离、解离和激发,无二次污染,避免了有机废气对人体、环境的危害。

标签:
危废
江苏 - 苏州 来源:中冶有色网 2023-03-19
一种利用工业固废制备的高性能保温抹面砂浆及其制备方法

本发明公开了一种利用工业固废制备的高性能保温抹面砂浆及其制备方法其组分包括:工业固废、水泥、天然砂、膨胀珍珠岩、抗裂纤维、分散溶胶、纤维素醚和外加剂;工业固废为钼尾矿砂、钢渣砂、磷石膏、赤泥、矿渣和粉煤灰中的任意多种;分散溶胶组分包括硅藻土、乙烯‑醋酸乙烯共聚物、甲基丙烯酸甲酯、钛酸酯偶联剂和异丙苯过氧化氢;纤维素醚为羟丙基甲基纤维素醚,外加剂为水玻璃、淀粉醚和聚羧酸类高效减水剂。本发明制备的抹面砂浆适用于膨胀聚苯板外墙外保温系统中。本发明不仅能大量消耗危害环境的工业固废,减轻环境自修复压力,而且制备的砂浆具有良好的力学性能、耐久性能和保温能力。

标签:
危废
江苏 - 苏州 来源:中冶有色网 2023-03-19
一种含氨多相混合废水中氨的回收设备

本发明涉及一种含氨多相混合废水中氨的回收设备,其特征在于:包括含氨多相混合废水前处理设备,汽提脱氨设备以及湿式洗涤设备。汽提脱氨设备的功能是将含氨多相混合废水中的氨采用蒸汽在汽提塔中汽提出浓氨气,浓氨气排出汽提塔进入湿式洗涤设备,在湿式洗涤设备内用冷水高效率吸收氨气为浓氨水,作资源回收利用。净化后的气体由吸收塔出口排放,脱氨后的废水下降入塔底部水槽,其它成分的废水排出进入下一处理工序。本设备通过蒸汽汽提的方式去除含氨废水中的氨,从而减少了危废的排放。本发明的设备高效节能、具有经济价值高,实用性强、搭建简单、成本低,适用性更广等优点,并且能高效安全的将氨进行回收,实现了资源再利用。

标签:
危废
江苏 - 苏州 来源:中冶有色网 2023-03-19
一种通风柜清洗废液收集分开回收装置

本实用新型公开了一种通风柜清洗废液收集分开回收装置,包括主体,所述主体的下端设置有重型脚轮,所述主体的前端外表面设置有下柜通风口,所述主体的一侧设置有合页铰链,所述主体的上端设置有废液收集盘,所述废液收集盘的下端设置有冲孔槽,所述废液收集盘一侧设置有PFA水槽。本实用新型所述的一种通风柜清洗废液收集分开回收装置,此回收装置可以将实验中的废液将其有效的收集,并且能够使废液进行有效的分离,通过废液收集盘将危害较少的废液进行收集,并且储存在冲孔槽内,以便排放,而PFA水槽可以收集一些带有强腐蚀性元素的废液,因腐蚀性较强,所以需单独存放,使其不易腐蚀通风柜,带来更好的使用前景。

标签:
危废
江苏 - 苏州 来源:中冶有色网 2023-03-19
一种废气回收罩
一种废气回收罩 1045     
 0

本实用新型公开了一种废气回收罩,涉及废气回收技术领域。本实用新型包括粗虑罩、中间阀、滤筒和滤筒架,粗虑罩通过中间阀与滤筒连接,滤筒固定在滤筒架上,粗虑罩内设置有滤网,滤网两侧均安装有震动器,滤筒架包括固定架、复位杆、活动板和固定板,固定架与固定板通过连接杆连接,活动板设置在固定架和固定板之间,活动板通过复位杆与固定架连接。本实用新型通过将废气回收罩设置为粗虑罩和滤筒两个部分,通过粗虑罩过滤掉大颗粒灰尘,防止废气中的灰尘淤积在管道内堵塞管道,再将废气导入滤筒中,对废气中的有害物质针对性地吸收,降低废气的危害。

标签:
危废
江苏 - 苏州 来源:中冶有色网 2023-03-19
一种含镍废水处理装置

本实用新型涉及环保设备技术领域,尤其涉及一种含镍废水处理装置。本实用新型提供了一种含镍废水处理装置,其包括加热单元、余热锅炉及依序通过管路连接的预处理槽、蒸馏脱氮装置及刮盐装置,加热单元、余热锅炉及蒸馏脱氮装置依序通过管路连接;预处理槽、蒸馏脱氮装置及刮盐装置均通过送风管路与加热单元连接。本申请提供的含镍废水处理装置,通过蒸馏脱氨所产生的高氨气化产物回收至加热单元进行危废焚烧,剩余高盐废水经蒸馏结晶后通过刮盐装置刮除,进而得到含镍高盐结晶。工艺流程简单,且能对处理过程中产生的气体进行回收利用,同时还能得到具有经济附加值的含镍高盐结晶,实用性强,从而达到无害化处理、节省能源及提高经济性的目的。

标签:
危废
江苏 - 苏州 来源:中冶有色网 2023-03-19
一种处理含高浓度硝酸根离子废水的方法

本发明提供一种处理含高浓度硝酸根离子废水的方法,包括以下步骤:a)将催化剂加入含硝酸根离子的废水中,向废水中加入浓盐酸;b)使用搅拌器将催化剂在废水中分散;c)将氢气缓慢通入废水中,将硝酸根离子转化为氮气。该方法可在常温常压下处理含高浓度的硝酸根粒子的废水,最高可以将废水中的高浓度硝酸根离子从50000ppm降低至10ppm,远优于直接排放标准;使用本发明的处理含高浓度硝酸根离子废水的方法,对处理装置要求较低,且工艺简单,不需要加温及加压设备,成本较低,安全性、可靠性高,在操作过程中不易发生危险。

标签:
危废
江苏 - 苏州 来源:中冶有色网 2023-03-19
一种含氨多相混合废水中氨的回收方法

本发明涉及一种含氨多相混合废水中氨的回收方法,其特征在于:包括含氨多相混合废水前处理,汽提废水脱氨以及湿式洗涤回收氨等步骤。汽提脱氨的目的是将含氨多相混合废水中的氨采用蒸汽在汽提塔中汽提出浓氨气,浓氨气出汽提塔进入湿式洗涤塔,采用冷水高效率吸收氨气为浓氨水,作资源回收利用。净化后的气体由吸收塔出口排放,脱氨后的废水下降入塔底部水槽,其它成分的废水通过排污泵排出进入下一处理工序。本方法通过蒸汽汽提的方式去除含氨废水中的氨,从而减少了危废的排放。本发明的方法高效节能、具有经济价值高,实用性强、设备搭建简单、成本低,适用性广等优点,并且能高效安全的将氨进行回收,实现了资源再利用。

标签:
危废
江苏 - 苏州 来源:中冶有色网 2023-03-19
一种具备废气净化过滤功能的绿色印刷装置

本实用新型提供一种具备废气净化过滤功能的绿色印刷装置,所述具备废气净化过滤功能的绿色印刷装置,包括:连接箱、传输箱及安装箱;陶瓷换热箱,所述陶瓷换热箱安装于连接箱的一侧,所述陶瓷换热箱的另一侧安装有燃烧加热室;导气槽,所述导气槽开设于传输箱的内部;水泵,所述水泵安装于安装箱的顶部。本实用新型提供的具备废气净化过滤功能的绿色印刷装置通过燃烧加热室的内部,通过催化剂的作用下,将废气氧化成为CO2以及H2O等无机物质,之后再经过喷头喷射的雾状水流,对废气进一步的进行降温净化处理,使得印刷所产生的废气得到更为完整的净化处理,有效的减免了废气净化不够完全的情况下排出,对外界造成的危害。

标签:
危废
江苏 - 苏州 来源:中冶有色网 2023-03-19
一种用于汽车连接器模具的吸废装置

本实用新型公开了一种用于汽车连接器模具的吸废装置,涉及汽车零部件加工技术领域,旨在解决在注塑加热过程中易产生氯化氢、非甲烷总烃类等废气及粉尘颗粒物,废气具有刺激性气味,危害人体健康的问题。其技术方案要点是,包括吸气管、与吸气管相通的处理箱、设置于处理箱内的除尘过滤机构以及位于除尘过滤机构下游的废气净化机构,处理箱远离吸气管的一端连接有抽风机,抽风机的出风端连接有排风管;除尘过滤机构包括金属过滤网。注塑时,启动抽风机,注塑产生的废气及粉尘从吸气管进入处理箱,经过除尘过滤机构和废气净化机构后,从排风管排出;由于及时排出废气,改善了劳动生产环境,减少人体吸入的废气含量,保护了人体健康。

标签:
危废
江苏 - 苏州 来源:中冶有色网 2023-03-19
等离子体有机废气除臭净化器

本发明公开了一种等离子体有机废气除臭净化器,其特征在于:包括:呈密闭箱体状的有机废气净化室(1),所述有机废气净化室(1)的一侧面设置有进废气口,所述进废气口的相对面设置有出气口,所述进废气口处设置有均流网(2),高压放电模块(3)与所述有机废气净化室(1)的顶端绝缘式相连通,所述有机废气净化室(1)内部还设置有温控装置(4),所述温控装置(4)与电源模块(5)相连,所述高压放电模块(3)还与控制系统电相连。本发明提供的一种等离子体有机废气除臭净化器,能够快速高效分解有机废气分子,除臭率可达99%以上,大大提高净化效率,避免了有机废气对人体、环境的危害。

标签:
危废
江苏 - 苏州 来源:中冶有色网 2023-03-19
一种利用废热发电、加热水的一体化系统

本实用新型揭示了一种利用废热发电、加热水的一体化系统,包括:废热产生装置,其上设有废热排气管道;储水槽,其内设有热管换热装置和热电转换器,热电转换器包括热端面和冷端面;导热装置,设于废热排气管道和储水槽之间,热电转换器的热端面与导热装置形成热传递,热电转换器的冷端面与热管换热装置形成热传递;供电装置,与热电转换器电性连接;生活热水槽,以及连接生活热水槽一端的进水管和连接生活热水槽另一端的回水管;储水槽通过进水管和回水管与生活热水槽构成循环回路。与现有技术相比,本实用新型利用废热排气管道的温度,结合热电转换器,热管换热装置,热水循环系统,同时产生电力及热水,降低废气排出温度,减少对环境的危害。

标签:
危废
江苏 - 苏州 来源:中冶有色网 2023-03-19
一种等离子体废气灭菌除臭净化器

本发明公开了一种等离子体废气灭菌除臭净化器,其特征在于,一种等离子体废气灭菌除臭净化器,其特征在于,包括箱体,所述箱体一侧面设置有进风口,所述进风口的相对面设置有出风口,所述进风口和出风口之间依次设置有过滤装置和净化装置,所述净化装置的顶端绝缘式连通高压放电模块,所述过滤装置包括水箱和滤网,所述水箱内装有空气净化液,所述滤网浸于空气净化液内,所述净化装置、过滤装置和高压放电模块与控制系统电相连;本发明提供的一种等离子体废气灭菌除臭净化器通过滤网和空气净化液的双重处理,使粉尘和有害物质被过滤和初步吸附,大大提高净化效率,无二次污染,避免了有机废气对人体、环境的危害。

标签:
危废
江苏 - 苏州 来源:中冶有色网 2023-03-19
一种自动餐盒生产线废料粉碎收集回收装置

本实用新型公开了一种自动餐盒生产线废料粉碎收集回收装置,包括粉碎切割箱、进料口、导料板、出料口、支撑板、减震底座、承重板、移动轮、控制面板、观察窗、通风口、除尘装置、螺旋粉碎装置、回收装置和废料过滤装置。本实用新型属于粉碎收集回收设备技术领域,具体是一种自动餐盒生产线废料粉碎收集回收装置,通过设置除尘装置可以有效的解决在粉碎过程中产生的微小颗粒给人们身体健康带来的危害,同时也降低了环境污染的可能,通过废料过滤装置使得废料粉碎彻底,提高了废料粉碎收集回收装置的实用性,也提高了废料粉碎收集回收装置的使用体验,通过螺旋粉碎装置提高了废料粉碎收集回收装置的工作效率。

标签:
危废
江苏 - 苏州 来源:中冶有色网 2023-03-19
一种焊接废气处理设备
一种焊接废气处理设备 1167     
 0

本申请涉及一种焊接废气处理设备,涉及废气处理技术领域,为了解决焊接会产生对环境有危害的废气的问题。其包括焊接台,所述焊接台上表面设置有焊接板,所述焊接台上方设置有吸风管,所述吸风管背离焊接台的一端连通有用于将焊接所产生的废气进行抽离的负压风机,所述吸风管与负压风机的进风端相连通,所述焊接台上表面开设有安装槽,所述安装槽内设置有推动气缸,所述推动气缸的活塞杆与焊接板下表面相连接,所述负压风机的出风端连通用于对废气进行处理的净化组件。本申请具有将焊接时产生的废气进行处理,保护环境和人体健康的效果。

标签:
危废
江苏 - 苏州 来源:中冶有色网 2023-03-19
含油废渣回收方法
含油废渣回收方法 906     
 0

本发明含油废渣回收方法,包括如下步骤:1)以质量比1:1‑3:2的辛醇和含有废渣配置搅拌混合液体;2)将步骤1中的搅拌混合溶液投入带搅拌的反应釜;3)反应釜进行搅拌得到混合溶液,搅拌过程中,辛醇溶解含有废渣中的DOTP;4)将步骤3)中搅拌后的混合溶液输送至过滤机;51)过滤后的废渣输送至干燥机进行干燥后,其呈粉体状态,且被装载至废渣箱;52)过滤废渣后的混合溶液输送至脱醇系统进行脱醇处理。本发明能回收废渣中的DOTP,同时进行回收后的废渣被干燥成粉体状态,提高了产品的收率,降低原料单耗,经济效益明显,同时回收后的废渣输送安全、方便,不会影响工作环境,避免职业危害。

标签:
危废
江苏 - 苏州 来源:中冶有色网 2023-03-19
固体废料烘干处理装置

为了解决现有技术中固废烘干不均匀导致企业危废处理成本高的技术问题,本实用新型提供了固体废料烘干处理装置,其由料斗、风机和热风产生装置组成;料斗由外层箱体和内层箱体构成;外层箱体与内层箱体之间构成一条循环风道;构成内层箱体的四个侧板和一个底板上均设置有数个导风孔;内层箱体的底板向上隆起形成一个锥桶;锥桶的四个倾斜侧板上也设置有数个导风孔。固废从上方倾倒入料斗的时候,锥桶对上方的固废,起到减缓冲击力,使固废四散到周围,减少了中间区域固废的厚度,减少了干燥热风穿过固废的阻力;同时,锥桶倾斜侧壁上设置的导风孔增加了热传导作用,令热风能够吹入到固废的中心区域,使得固废能够在短时间内均匀烘干。

标签:
危废
江苏 - 苏州 来源:中冶有色网 2023-03-19
一种含油乳化废液的资源化利用方法及其制备的切削液

本发明属于危险废物处理技术领域,具体涉及一种含油乳化废液的资源化利用方法,并进一步公开利用该含油乳化废液制备的切削液。本发明所述含油乳化废液的资源化处理方法,经过真空蒸馏处理及油水分离后,分别得到浓缩废油及清水,处理后的浓缩废油可循环用于调成稳定切削液循环使用,而分离后的水也可以再配液使用,不仅实现了浓缩废油的100%回调利用,也有效减少了废液的排放以及纯水的制造与使用,实现了废水废油的全面处理,同时,整个处理过程不会产生额外的有害物质,不会产生任何的二次污染,真正意义上实现含油废液的废物“零”排放和“零”污染。

标签:
危废
江苏 - 苏州 来源:中冶有色网 2023-03-19
一种电泳废水排放的控制系统

本实用新型涉及一种电泳废水排放的控制系统,系统包括多个处理设备,多个处理设备包括废水收集池,废水提升泵,多介质过滤器,活性炭过滤器,精密过滤器,超滤器,高压泵,浓缩分离装置,浓缩液收集箱,回用水收集箱,电泳生产线漂洗槽,废水收集池连接废水提升泵,废水提升泵连接多介质过滤器,多介质过滤器连接活性炭过滤器,活性炭过滤器连接精密过滤器,精密过滤器连接超滤器,超滤器连接高压泵,高压泵连接浓缩分离装置,浓缩分离装置连接浓缩液收集箱,浓缩液收集箱连接回用水收集箱;本实用新型操作方便,避免了工作人员的近距离操作带来的危害,并且还提高了控制效率。

标签:
危废
江苏 - 苏州 来源:中冶有色网 2023-03-19
一种UV单体废水达标处理系统

本发明公开了一种UV单体废水达标处理系统,包括通过管道依次连接的曝气调节池、气浮池、配水池、UASB厌氧池、缺氧池、中间沉淀池、A3/O6好氧池、二沉池和除磷池,其中中间沉淀池和除磷池产生的污泥进入污泥浓缩池,构建可用于UV单体行业的废水处理的工艺与方法。本发明采用UV单体生产工艺废水与地面冲洗水、初期雨水等混合后,对混合后的废水采用厌氧—好氧为主的工艺路线,省去四效蒸发的工艺,避免由于四效蒸发工艺产生固体盐类的危险废物问题,出水达到《污水综合排放标准》(GB8978?1996)中的三级标准,构建可用于UV单体行业的废水处理的工艺与方法。

标签:
危废
江苏 - 苏州 来源:中冶有色网 2023-03-19
一种等离子体废气除酸净化器

本发明公开了一种等离子体废气除酸净化器,其特征在于,包括箱体,所述箱体一侧面设置有进风口,所述进风口的相对面设置有出风口,所述进风口和出风口之间依次设置有除酸装置、过滤装置和净化装置,所述除酸装置包括喷头和碱液槽,喷头通过加压装置连接碱液槽,所述净化装置的顶端绝缘式连通高压放电模块,所述除酸装置、净化装置、过滤装置和高压放电模块与控制系统电相连;本发明提供的一种等离子体废气除酸净化器通过除酸装置,除去废气中的酸性气体及有害物质,净化装置的外加电场放电产生的大量携能电子轰击有机废气分子,使有机废气分子电离、解离和激发,避免了有机废气对人体、环境的危害。

标签:
危废
江苏 - 苏州 来源:中冶有色网 2023-03-19
一种核电废弃物的处理系统

本发明涉及核电废弃物技术领域,且公开了一种核电废弃物的处理系统,包括核废料区分单元、核废料处理单元、核废料分类标记单元、风险评估单元、报警单元、核废料存放单元和云端,所述核废料区分单元的输出端与所述核废料分类标记单元的输入端之间通讯连接。该核电废弃物的处理系统,通过设置的核废料分类标记单元,可将每个核废料分类标记,并根据其危险程度,通过风险评估单元进行风险判断,方便工作人员注重处理高风险的核废料,通过设置的核废料标记编号模块,可对每个处理后的核废料生成唯一编号,并将该信息上传至云端备份,方便用户及时查看每个核废料存储时间,以判断其是否符合深埋处理标准,方便后期核废料的深埋工作。

标签:
危废
江苏 - 苏州 来源:中冶有色网 2023-03-19
一种废旧配件转移的自动化机械设备

本发明公开了一种废旧配件转移的自动化机械设备,包括机座,所述机座的顶部分别安装有控制开关组和放料装置,放料装置的端部安装有铲料装置,所述机座的顶部固定有支撑架,支撑架的侧面安装有转移机构,本废旧配件转移的自动化机械设备,通过铲料装置将废旧配件铲起,通过放料装置带动铲料装置移动,从而将废旧配件放置在回收桶内,其机械化程度高,避免了人力上料的麻烦,大大降低了相关人员的工作量,省时省力,通过转移机构将回收桶移动到回收区域,其稳定性好,效率高,便于满足使用需求,通过翻转机构将回收桶内的废旧配件倒出来,避免了人力操作的危险性,保障了工作人员的生命安全。

标签:
危废
江苏 - 苏州 来源:中冶有色网 2023-03-19
一种裁剪废料刀
一种裁剪废料刀 839     
 0

本实用新型涉及一种裁剪废料刀,包括一个刀体,所述的刀体具有一条上刀沿、一条下刀沿,所述的上刀沿和下刀沿通过刀面相连接,所述的刀面向所述的刀体内侧凹陷形成一个能够收容废料的收容部。本实用新型在裁剪机的废料处加装废料刀,将原本产生的条形废料加工成卷形废料,大大降低废料收料时的危险度,使废料的回收更加容易;同时,也改变了原来的条形废料为卷形废料,占用生产空间减少。

标签:
危废
江苏 - 苏州 来源:中冶有色网 2023-03-19
上一页 14 15 16 17 18 ... 81 下一页
共81页    到第

中冶有色为您提供最新的江苏苏州有色金属固/危废处置技术理论与应用信息,涵盖发明专利、权利要求、说明书、技术领域、背景技术、实用新型内容及具体实施方式等有色技术内容。打造最具专业性的有色金属技术理论与应用平台!

全国热门有色金属设备推荐
展开更多 +
全国热门有色金属技术推荐
展开更多 +

 

江西省隆恩特环保设备有限公司
宣传

报名参会
更多+

报告下载

有色专家
更多+

郑州大学
副院长/教授
矿冶科技集团有限公司
党委书记 / 董事长
郑州大学
校长/党委书记
广西大学
处长/教授
赣州江钨钨合金有限公司
副总经理
赤泥综合利用研究报告2025
推广

热门技术
更多+

推荐企业
更多+

福建省金龙稀土股份有限公司
宣传

发布

在线客服

公众号

电话

顶部
咨询电话:
010-88793500-807