青岛垚鑫智能科技有限公司
宣传

位置:中冶有色 >

有色技术频道 >

> 加工技术

分类:
全部
矿山技术
冶金技术
材料制备及加工技术
环境保护技术
分析检测技术
 
全部
功能材料技术
复合材料技术
新能源材料技术
合金材料技术
加工技术
地区:
全部
北京
天津
上海
重庆
河北
山西
辽宁
吉林
黑龙江
江苏
浙江
安徽
福建
江西
山东
河南
湖北
湖南
广东
海南
四川
贵州
云南
陕西
甘肃
青海
内蒙
广西
西藏
宁夏
新疆
其他
其他
展开
 
全部
郑州
开封
洛阳
平顶山
安阳
鹤壁
新乡
焦作
濮阳
许昌
漯河
三门峡
商丘
周口
驻马店
南阳
信阳
济源

河南洛阳有色金属加工技术理论与应用

免费发布技术信息>>
可扩展的锂离子电池组模块及后备电源系统

本实用新型涉及一种可扩展的锂离子电池组模块及后备电源系统,属于通信用后备电源技术领域。本实用新型通过将通信用锂电池后备电源系统中各个电池组单元之间进行并联,各个电池管理系统单元之间通过其通信与显示面板上的通信接口级联,在需要延长供电时间时,可以实现多个电源系统的并联扩容,管理系统对级联后的电池组做充放电管理,使用方便,标准化的模块设计,方便不同基站环境以及因设备升级导致的后备电源系统的容量扩展,灵活方便的增加后备电源的容量,延长供电时间,降低安装维护成本,实现设备增值。

标签:
加工技术
河南 - 洛阳 来源:中冶有色网 2023-03-18
安全回收锂离子电池负极的方法及装置

本发明公开了一种安全回收锂离子电池负极的方法及装置,属于锂离子电池回收技术领域。该方法包括以下步骤:(1)在惰性气体保护下,注水淹没并浸泡置于封闭容器内的负极片;(2)浸泡后用空气置换容器内废气并导出;(3)从容器中取出负极片,置于清洗溶剂中清洗后分离得到负极集流体和负极材料,分类回收即可。本发明将负极片置于封闭容器内,在惰性气体保护下注水淹没负极片,水浸泡负极片后再用惰性气体置换容器内废气并导入废气回收装置,不仅可有效避免负极片遇水自燃带来的安全隐患,亦可避免操作人员接触有毒气体,并防止有毒气体进入大气;采用清洗溶剂清洗后分离得到负极集流体和负极材料,其回收率均在99%以上。

标签:
加工技术
河南 - 洛阳 来源:中冶有色网 2023-03-18
改进后的锂电池用硫酰氯电解液制备工艺

本发明公开了一种改进后的锂电池用硫酰氯电解液制备工艺,属于锂电池生产领域,其特征在于主要步骤为:原料硫酰氯溶液蒸馏提纯,电解质LiAlCl4高温处理,在提纯后的硫酰氯溶液中加入1.5mol/LLiAlCl4,纳米催化剂金属钯用量为0.5%LiAlCl4,然后将该溶液加热回流≥12h,在湿度露点值≤-35℃的干燥环境中过滤、分装,得电解液;解决了现有工艺制备的硫酰氯电解液放电性能不佳的问题。

标签:
加工技术
河南 - 洛阳 来源:中冶有色网 2023-03-18
锂离子电池正极材料中总硫的测定方法

本发明涉及一种锂离子电池正极材料中总硫的测定方法。该测定方法包括:1)将正极材料、碱金属碳酸盐、氧化镁混合后煅烧,用水清洗煅烧产物,收集清洗液即为待测溶液;2)检测待测溶液中硫含量,换算得到正极材料的总硫含量。本发明提供的锂离子电池正极材料中总硫的测定方法,以正极材料、碱金属碳酸盐、氧化镁混合后煅烧,使正极材料中的总硫转移到清洗液中,进而简单、快速、经济、环保的检测得到正极材料中的总硫含量。检测结果表明,该方法与IC测试法、ICP测试法所得总硫含量的检测结果一致,可以很好的反映正极材料中总硫含量。

标签:
加工技术
河南 - 洛阳 来源:中冶有色网 2023-03-18
锂离子动力电池合浆工艺

本发明公开了一种锂离子动力电池合桨工艺,包括如下步骤:1)在搅拌状态下储存浆液;2)向储存的浆液中分批投料,投料过程中搅拌浆液;2)静置活化投料后的浆液;3)将静置后的浆液进行搅拌,然后震荡过滤,收集滤液。由于本发明的投料过程中采用的是分批投料,并且在不断搅拌的情况下投料,保证了浆液在投料过程中的均一性,同时也使投料更为均匀,保证了所投物料与浆液的充分混合,避免了浆液的团聚,提高了浆液的质量。

标签:
加工技术
河南 - 洛阳 来源:中冶有色网 2023-03-18
锂离子电池及其极耳与极柱的连接件

本发明涉及锂离子电池及其极耳与极柱的连接件。锂离子电池,包括从电芯上引出的极耳,各极耳与电池对应的极柱之间连接有连接件,所述连接件包括与极耳导电连接的极耳连接部,各所述极耳是沿极耳厚度方向分开并间隔设置的至少两只极耳体,各极耳体与对应的电芯连接,所述连接件的极耳连接部具有并列设置的与各极耳体一一对应贴合配合连接的连接体。将极耳设置成沿极耳厚度方向分开并间隔设置的至少两只极耳体,并将极耳与极柱的连接件设置成具有多只分支连接体的方式,可以大大降低极耳与连接件的连接厚度,使极耳与极柱的连接更容易实现,特别是对于采用超声波焊接工艺,减小厚度具有更突出的效果。

标签:
加工技术
河南 - 洛阳 来源:中冶有色网 2023-03-18
用于锂离子电池电解液配制的自动加料装置

本实用新型公开了一种用于锂离子电池电解液配制的锂盐自动加料装置,包括车架,车架上设有由驱动装置驱动其做升降运动的安装支架,安装支架包括第一支架以及固设在第一支架上端两侧的第二支架和第三支架;还包括固定卡环A,固定卡环A中部固设有一翻转杆;第二支架的另一端设有齿轮箱,齿轮箱的输入端连接第一驱动电机,齿轮箱的输出端与固定卡环A一端连接,翻转杆的上部设有卡紧机构,下部设有锁紧机构。本实用新型增设了用于卡紧盐罐上部的卡紧机构,以及用于卡紧盐罐下部的锁紧机构,卡紧机构和锁紧机构共同作业,将盐罐抱紧,保证作业过程的稳定性。同时,与现有的手动扳动翻转杆的方式相比,节省了人力,提升了作业效率。

标签:
加工技术
河南 - 洛阳 来源:中冶有色网 2023-03-18
锂电池电解液的高效配置装置

本实用新型公开了一种锂电池电解液的高效配置装置,包括支架箱体,所述支架箱体内对称设置有加热装置,所述加热装置内设置有循环罐,循环罐的上端设置有原液进料管,所述循环罐的一侧设置有电液循环管,电液循环管与循环泵的进口端相连接,所述循环泵的出口端通过连接管与循环罐相连接,所述电液循环管上设置有电液输出阀,所述电液输出阀之间设置有出料导管,本锂电池电解液的高效配置装置操作方便,结构合理,易于维护维修,减少人力物力的投入,提高了工作效率,废气出气管导出的废气在废气处理罐的作用下,可以有效避免对工作环境的影响。

标签:
加工技术
河南 - 洛阳 来源:中冶有色网 2023-03-18
锂电池隔膜涂布用浆料回收装置

本实用新型属于锂电池领域,具体公开一种锂电池隔膜涂布用浆料回收装置,包括破乳箱和过滤回收箱,破乳箱和过滤回收箱之间通过输送管道连接,在破乳箱顶部设置有搅拌器、进水口A,在破乳箱侧壁上设有进料口A、破乳剂进口、出料口A,出料口A通过输送管道与过滤回收箱顶部的进料口B连接,在过滤回收箱的腔体内由上至下依次设有活动连接的一级过滤网、二级过滤网,在过滤回收箱的侧壁上分别设有一级滤网出料口、二级滤网出料口,在二级过滤网下方的侧壁上设有抽气口、出水口、返流口,抽气口与真空泵连接,返流口通过返流管道与输送管道连接,出水口通过出水管道与废水处理系统连接,可以极大的提高原料的回收效率,实现原料回收再利用。

标签:
加工技术
河南 - 洛阳 来源:中冶有色网 2023-03-18
具有火情自动监测功能的锂电池箱

一种具有火情自动监测功能的锂电池箱,包括电池箱箱体、水冷装置、气体灭火装置、干粉灭火装置、火情监测处理系统,所述火情监测处理系统包括主处理器、温度传感器、烟雾传感器、电流传感器、电压传感器、通信模块、供电模块和报警器;本实用新型结构简单、操作方便、可靠性强,可以实时监测电池箱内部状态并确保监测装置的长期正常运行,有效地降低了火情的误判率,根据火情不同情况采用不同的灭火方式,在灭火同时尽可能保证锂电池的正常使用。

标签:
加工技术
河南 - 洛阳 来源:中冶有色网 2023-03-18
锂电池自动贴胶机的PLC控制系统

本发明公开了一种锂电池自动贴胶机的PLC控制系统,属于锂电池生产领域,其特征在于:包括输入传感器、PLC、触摸屏、控制元件和执行元件;其中输入传感器、触摸屏和控制元件分别与PLC相连,PLC与触摸屏通过RS232通信电缆相连,控制元件与执行元件相连。解决了现有叠片机生产出的电芯下料难、手动贴胶效率低、人力成本较大且没有短路检测功能的问题。

标签:
加工技术
河南 - 洛阳 来源:中冶有色网 2023-03-18
新型大容量锂离子动力电池设计方案实测验证装置

本发明涉及新型大容量锂离子动力电池设计方案实测验证装置,具体是一种样品电池箱。新型大容量锂离子动力电池设计方案实测验证装置,包括由型材连接结构构成的骨架和设置在骨架上用于围成箱体的箱壁,型材连接结构包括型材梁和连接件;连接件具有使用时经端面插口导向插设在型材梁的轨道滑槽的槽腔内的连接部,轨道滑槽具有阻挡连接件朝向槽口外脱出的挡止配合结构,通过螺钉能够将两型材梁按直线或呈一定角度连接起来,并可在松开螺钉时调整两型材梁的相对位置。这样,型材梁可以使用连接件直线对接加长,且呈角度连接时,其中一型材梁可与连接件一起沿轨道滑槽滑动,通过上述两种拼接方式,样品电池箱可灵活组装,尺寸可变,适用性强。

标签:
加工技术
河南 - 洛阳 来源:中冶有色网 2023-03-18
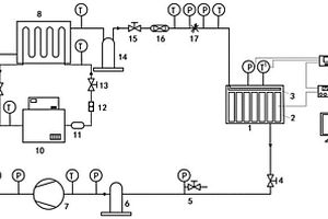
大功率锂离子动力电池组喷雾冷却系统及其冷却方法

一种大功率锂离子动力电池组喷雾冷却系统,包括喷雾系统、冷凝系统以及数据采集系统:喷雾系统包括依次管道连接的压缩机、冷凝器、储存有制冷剂的储液罐、过滤器、节流阀、用于放置动力电池的喷雾腔体、以及气液分离器,喷雾腔体内设有喷管;冷凝系统包括回路连接冷凝器的恒温槽、回路中设有水泵和流量计;数据采集系统包括设置于制冷剂循环通道以及水循环通道中的温度传感器和设置于冷剂循环通道中的压力传感器以及数据采集仪。本发明能够利用制冷剂的相变喷雾对动力电池进行冷却,通过制冷剂的相变潜热吸收动力电池的表面热量从而降低电池表面的温度,该方法散热能力强,可应对高温、快充等大功率锂离子动力电池的热管理需求。

标签:
加工技术
河南 - 洛阳 来源:中冶有色网 2023-03-18
锂电池组主动均衡电路
锂电池组主动均衡电路 1169     
 0

本发明涉及一种锂电池组主动均衡电路,包括一个DC/DC变换器和开关阵列,开关阵列由与锂电池组中的各单体电池对应连接的四组开关构成;第一组开关一端分别连接各单体电池正极,另一端短接并连接所述DC/DC变换器的输入正端,第二组开关一端分别连接各单体电池负极,另一端短接并连接所述DC/DC变换器的输入负端,第三组开关一端分别连接各单体电池正极,另一端短接并连接所述DC/DC变换器的输出正端,第四组开关一端分别连接各单体电池负极,另一端短接并连接所述DC/DC变换器的输出负端。主要功能是实现任意两支单体电池之间的直接双向能量转移,最终达到所有单体电量均衡的目的。

标签:
加工技术
河南 - 洛阳 来源:中冶有色网 2023-03-18
涂料、采用该涂料制备的水性柔韧正极片、锂离子电池

本发明属于锂离子电池技术领域,具体公开了一种用于制备水性柔韧正极片的涂料,还公开了采用该涂料制备的水性柔韧正极片,以及采用该正极片的锂离子电池。用于制备水性柔韧正极片的涂料基本由以下重量百分含量的组分组成:90~98%的正极粉体、0.5~3%的水性分散剂、1~5%的水性热弹性粘结剂、0.5~8%的导电剂。采用本发明的水性柔韧正极片涂料制得的正极片柔韧性好,克服了目前水性正极电极片脆性大的缺陷,并且制得的正极片附着力强,可满足各种电池制作工艺的要求,并满足各种电化学性能的要求。

标签:
加工技术
河南 - 洛阳 来源:中冶有色网 2023-03-18
锂离子电池电极浆料的合浆工艺

本发明涉及一种锂离子电池电极浆料的合浆工艺,属于电化学技术领域。该工艺包括以下步骤:稀释粘结剂,搅拌速度5~20转/分钟,搅拌10~50分钟;加入导电剂,搅拌速度5~20转/分钟,搅拌10~50分钟;把活性物质分三次或以上加入料桶,每次加入活性物质,搅拌速度10~25转/分钟,搅拌5~30分钟;用液体泵将浆料送入超声设备进行超声分散,液体泵出口压力0.05~1.0MPa,超声波频率1.0~10kHz,浆料经过超声处理后直接送入涂布机进行涂布。本发明主要利用超声空化作用分散浆料,浆料经过超声处理后直接送入涂布机涂布,简化了工艺流程,大大提高了生产效率,提高了浆料均匀性、稳定性及涂布质量。

标签:
加工技术
河南 - 洛阳 来源:中冶有色网 2023-03-18
软包锂电池用铝塑膜及其制备方法

本发明公开了一种软包锂电池用铝塑膜及其制备方法,该铝塑膜由五层组成:交联塑料膜内层、第一粘合剂层、经过钝化的铝箔层、第二粘合剂层、交联塑料膜外层。进一步提供了所述铝塑膜的制备工艺,具体过程为,采用涂布复合机将经过钝化处理的铝箔与交联塑料膜内层原料膜和交联塑料膜外层原料膜通过本发明专用粘合剂复合在一起,经电子束辐射,使专用粘合剂固化,使交联塑料膜内层原料膜和交联塑料膜外层原料膜分别发生交联反应,制成所述的软包锂电池用铝塑膜。所采用专用粘合剂属于无溶剂胶,受电子束辐射,可在室温条件下快速完全固化,不存在铝箔受热脆化问题,有利于提高铝塑膜的冲深性能;所述制备工艺流程短,生产效率高,节能环保、成本低。

标签:
加工技术
河南 - 洛阳 来源:中冶有色网 2023-03-18
高稳定性硅碳复合负极材料及其制备方法、锂离子电池

本发明涉及一种高稳定性硅碳复合负极材料及其制备方法、锂离子电池,属于锂电池技术领域。本发明的高稳定性硅碳复合负极材料的制备方法,包括如下步骤:1)将硅烷偶联剂、纳米硅材料在溶剂中混合均匀,然后加入石墨烯,混合均匀,得到混合液A;2)向混合液A中加入酚类化合物溶液、醛类化合物溶液,混合均匀,然后通入氯气,在温度50‑100℃下反应1‑24h,固液分离,干燥得到复合材料;3)将步骤2)制得的复合材料在二氧化硫和氩气的混合气体气氛中,保温1‑48h,然后降温,即得。本发明的高稳定性硅碳复合负极材料通过酚醛缩合聚合反应在纳米硅表面形成的无定形碳,使负极材料结构稳定、各向同性好、导电率高。

标签:
加工技术
河南 - 洛阳 来源:中冶有色网 2023-03-18
锂离子电池用低膨胀硅碳负极材料及其制备方法

一种锂离子电池用低膨胀硅碳负极材料及其制备方法,该材料为核壳结构,包括硅氧内核、包覆在硅氧内核表面的中间层以及包覆在中间层表面的外层,中间层为多孔碳材料,外层为磷掺杂石墨烯,制备时先取多孔碳材料溶解、分散于酚醛树脂的有机溶液中,加入硅氧材料和氧化剂,通过水热反应得到硅碳前驱体材料;再对硅碳前驱体材料通过LPCVD方法沉积磷掺杂石墨烯外层即得锂离子电池用低膨胀硅碳负极材料。本发明的硅碳负极材料通过在内核硅氧材料包覆多孔碳材料及其无定形碳,利用多孔碳降低充放电过程中硅的膨胀,所制备的硅碳负极材料电子导电率高,碳沉积致密度高、包覆均匀性好。

标签:
加工技术
河南 - 洛阳 来源:中冶有色网 2023-03-18
高精度锂电池点焊焊接设备

本发明涉及焊接设备技术领域,且公开了一种高精度锂电池点焊焊接设备,包括工作台,所述工作台的顶部开设有滑槽,所述滑槽的内部转动连接有螺纹杆三,所述螺纹杆三的表面螺纹连接有支撑架一,所述支撑架一的底部与滑槽的内部滑动连接,所述螺纹杆三的右端固定连接有转动盘,所述转动盘的右侧固定连接有转动杆。通过使转动杆进行转动,转动杆进行转动,带动转动盘进行转动,进而使得螺纹杆三在滑槽内部进行转动,螺纹杆三转动使支撑架一在滑槽内部进行移动,当支撑架一移动至合适的位置时,旋转固定螺栓,进而使得支撑架一的位置进行固定,进而使得工人们可以调节支撑架的位置,使得锂电池的焊接更加的方便快捷。

标签:
加工技术
河南 - 洛阳 来源:中冶有色网 2023-03-18
锂电池极卷用托盘
锂电池极卷用托盘 1124     
 0

本发明公开了一种锂电池极卷用托盘,包括底座、上支架、连接件和托架,底座数量为两个且相互平行设置,每个底座的中心均设置有方形的通孔,每个底座的侧面靠近两端的位置对应开设有贯穿的方孔,两个底座之间通过设置在上方的上支架相连接,上支架的数量为三个,每个上支架的两端焊接在两个底座上,底座的上部安装有两个托架,每个托架设置在底座靠近端部的位置。这种锂电池极卷用托盘,其设计结构简单、操作方便,可以在放置卷材的时候,将托盘上方的两个托架竖直设立,并且在竖直设立的时候可以通过连接件使托架稳固连接,防止卷材发生晃动现象,在闲置的时候可以将两侧的托架向中间进行折叠,减少空间的占用。 1

标签:
加工技术
河南 - 洛阳 来源:中冶有色网 2023-03-18
制备锂电池正极材料窑炉用高纯氧化铝砖及其制备方法

本发明公开了制备锂电池正极材料窑炉用高纯氧化铝砖及其制备方法,该高纯氧化铝砖的原料组成如下:氧化铝细粉30%‑50%、氧化铝微粉20%‑40%、纳米级氧化铝粉20%‑24%、结合剂6%‑10%,制备锂电池正极材料窑炉用高纯氧化铝砖的制备方法,将氧化铝细粉、氧化铝微粉、纳米级氧化铝粉以及硬质泡沫球加入高速搅拌机进行高速搅拌,实现各原料充分混合均匀;加入结合剂再次充分搅拌,得到混合料;将混合料通过等静压压制成型,成型胚体经烘干后放入高温窑炉中加热至1550℃进行烧结,烧成后对其进行切磨。材料由氧化铝细粉、氧化铝微粉与纳米级氧化铝粉复合而成,含有大量亚微米孔、少量纳米孔和微米孔,微小气孔赋予材料极低热导率,增加保温效果,较好实现节能减排。

标签:
加工技术
河南 - 洛阳 来源:中冶有色网 2023-03-18
极片连接结构、极片连接方法、集流体及锂电池

本发明涉及锂电技术领域中的极片连接结构、极片连接方法、集流体及锂电池;所述集流体上设有供极耳插入并对插入的极耳沿极耳插入部分的厚度方向形成定位的夹持结构,以及与插入的极耳沿极耳插入方向挡止限位的定位结构,集流体上还设有与极耳贴合配合的连接部,连接部和与之贴合的极耳形成叠合部分,叠合部分上设有冲压形成的凸凹嵌套结构或者贯穿的紧固连接件;使用时,集流体和极耳通过叠合部分冲压形成的凸凹嵌套结构或者贯穿的紧固连接件相连接,相比于现有技术,避免了集流体与极耳焊接时高热量对其他元件造成损坏;同时集流体和极耳的连接部分质量通过观察即可检验,提高了产品的整体质量。

标签:
加工技术
河南 - 洛阳 来源:中冶有色网 2023-03-18
锂离子电池电芯受力测定方法及装置

本发明公开了一种锂离子电池电芯受力测定方法及装置,在电芯内部和/或外表面的待测受力测试区设置薄膜压力感应器,并进行固定,通过读取薄膜压力感应器的信号值可以得到待测受力测试区的受力大小。利用薄膜压力感应器对装配和使用过程中电芯受力进行测试,通过读取薄膜压力感应器的信号值可以得到待测受力测试区的受力大小,从而量化电芯受力值。该方法在不改变电池制作技术的工艺条件和工艺流程的条件下,可以方便的测量电芯入壳过程中任意部位受力的大小,也可以对后续锂离子电池制备、使用过程中的电芯各部位的内部压力大小及其分布状态进行定量的测定,确定出内部的危险区域,且误差小,可重复性好,为电池设计及制造工艺提供了可靠的依据。

标签:
加工技术
河南 - 洛阳 来源:中冶有色网 2023-03-18
锂电池极柱固定装置
锂电池极柱固定装置 755     
 0

本实用新型涉及锂电池极柱固定装置。锂电池极柱固定装置,包括底座、固定在底座上的定位装置,所述定位装置具有两个在横向上相互背离的分别供相应正极极柱和负极极柱的对应侧面贴合定位的横向定位面,两横向定位面之间具有设定的用于与相应电芯上的两极耳的间距、或相应电池模块上与对应极耳导通的两汇流元件的间距对应的间隔;还包括两个分别与定位装置的两横向定位面对应设置的顶压装置,各所述顶压装置均具有用于朝向或远离相应横向定位面运动以与相应极柱顶紧配合或放松极柱的输出件。上述锂电池极柱固定装置能够对锂电池的两个极柱同时进行快速固定。

标签:
加工技术
河南 - 洛阳 来源:中冶有色网 2023-03-18
锂离子电池及其管理系统的温度采集模块

本实用新型涉及一种锂离子电池及其管理系统的温度采集模块,该锂离子电池包括电池模块及其电池管理系统,电池管理系统包括温度传感器模块,所述温度传感器模块由温度传感器支架和温度传感器集成板组成,所述温度传感器集成板安装于温度传感器支架上,温度传感器支架的底板上设有用于与电池极柱套装配合的安装孔。本实用新型的锂离子电池管理系统的温度采集模块和锂离子电池采用专用温度传感器安装支架,直接与电池上盖接触,最大限度的减小传感器与电芯的距离,最大可能的减小了温度采集的误差,为电池管理系统工作提供了可靠的温度参数。?

标签:
加工技术
河南 - 洛阳 来源:中冶有色网 2023-03-18
锂离子电池极片涂布、辊压设备及其直连装置

本实用新型涉及锂离子电池生产设备,特别涉及锂离子电池极片涂布、辊压设备及其直连装置。该锂离子电池极片涂布、辊压直连装置,包括前后顺序设置的用于对应设于涂布机构的烘箱出口处以调节涂布后的极片张力的夹送辊和用于辊压的轧辊,夹送辊和轧辊之间设置有将涂布后的极片送至轧辊进行辊压的传输机构。采用本实用新型可以将涂布与辊压工序直接连接起来,与现有相比省去了涂布后的收卷工序和辊压前的放卷工序,减少了设备部件的投入,节约了生产成本,大大提高了生产效率,减少了人力操作,还减少了涂布与辊压工序之间的停留时间,缩短了极板在空气中的暴露时间,可以提高极片的质量。

标签:
加工技术
河南 - 洛阳 来源:中冶有色网 2023-03-18
锂电池气密性检测装置

本实用新型涉及一种锂电池气密性检测装置,包括用于放置待测锂电池的支撑底板和支撑底板上竖直设置的支撑架,所述支撑架上设置有沿竖向导向移动的支撑平台,支撑平台上设置有测试结构,所述测试结构包括用于使其上连接的测试件与待测锂电池密封压紧配合的测试气缸,所述支撑平台上转动装配有轴向限位且用于输入旋转作用力的调节螺杆,所述支撑平台上开设有螺纹穿孔,所述螺纹穿孔与所述调节螺杆螺纹配合。本实用新型采用螺纹连接配合对支撑平台位置进行调节并当支撑平台移动到位后通过螺纹的自锁性能使支撑平台的位置锁止固定,调节精度高、刚性好、锁止固定可靠。

标签:
加工技术
河南 - 洛阳 来源:中冶有色网 2023-03-18
锂离子电池电极极片的制备方法

本发明公开了一种锂离子电池电极极片的制备方法,包括以下步骤:1)取铝箔,在铝箔表面上采用氧化性酸刻蚀出厚度为0.1~1μm的凹槽,刻蚀后铝箔的面密度为60~85g/m2;2)在铝箔刻蚀凹槽的表面涂覆一层纳米碳涂层,制成锂离子电池电极极片,该纳米炭涂层的厚度为1~5μm。本发明通过采用刻蚀铝箔和纳米碳涂层的技术方案,增大活性物质与纳米底涂层的接触面积,同时提高了纳米碳涂层与铝箔的粘附力,从而使电池在充放电过程中电池内阻得到降低,电池极化减小、提高极片的散热性能。

标签:
加工技术
河南 - 洛阳 来源:中冶有色网 2023-03-18
蓄能型发动机尾气余热溴化锂空调及其发生器单元

本发明涉及一种蓄能型发动机尾气余热溴化锂空调及其发生器单元,其发生器单元的低温级热管的蒸发段用于设置在发动机排气管内,低温级热管的冷凝段设置在低压发生器中,高温级热管的蒸发段用于设置在发动机排气管内并位于低温级热管的蒸发段的前方,高温级热管的加热冷凝段设置在高压发生器内,高温级热管的储能冷凝段设置在一相变储能器内,相变储能器包括内部设置有将高温级热管的储能冷凝段包设在其内的相变保温材料的壳体,相变储能器与高压发生器内还设置有补偿热管,补偿热管的蒸发段设置在相变储能器的相变保温材料内,补偿热管的冷凝段设在高压发生器内,低压发生器内设有串设在高压发生器的蒸汽出口与冷凝器的蒸汽进口之间的散热装置。

标签:
加工技术
河南 - 洛阳 来源:中冶有色网 2023-03-18
上一页 14 15 16 17 18 ... 31 下一页
共31页    到第

中冶有色为您提供最新的河南洛阳有色金属加工技术理论与应用信息,涵盖发明专利、权利要求、说明书、技术领域、背景技术、实用新型内容及具体实施方式等有色技术内容。打造最具专业性的有色金属技术理论与应用平台!

全国热门有色金属设备推荐
展开更多 +
全国热门有色金属技术推荐
展开更多 +

 

江西省隆恩特环保设备有限公司
宣传

报名参会
更多+

报告下载

有色专家
更多+

重庆理工大学
教授
重庆大学
副院长/教授
国家钨与稀土产品质量检验检测中心
主任
上海交通大学
教授
武汉轻工大学/湖北工业大学
党委副书记、校长
赤泥综合利用研究报告2025
推广

热门技术
更多+

推荐企业
更多+

福建省金龙稀土股份有限公司
宣传

发布

在线客服

公众号

电话

顶部
咨询电话:
010-88793500-807