青岛垚鑫智能科技有限公司
宣传

位置:中冶有色 >

有色技术频道 >

> 废水处理技术

分类:
全部
矿山技术
冶金技术
材料制备及加工技术
环境保护技术
分析检测技术
 
全部
废水处理技术
大气治理技术
固/危废处置技术
土壤修复技术
地区:
全部
北京
天津
上海
重庆
河北
山西
辽宁
吉林
黑龙江
江苏
浙江
安徽
福建
江西
山东
河南
湖北
湖南
广东
海南
四川
贵州
云南
陕西
甘肃
青海
内蒙
广西
西藏
宁夏
新疆
其他
其他
展开
 
全部
沈阳
大连
鞍山
抚顺
本溪
丹东
锦州
营口
阜新
辽阳
盘锦
铁岭
朝阳
葫芦岛

辽宁沈阳有色金属废水处理技术理论与应用

免费发布技术信息>>
基于并联孔板水力空化装置及其在降解含有染料的废水中的应用

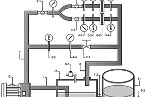
本发明涉及废水处理技术领域,具体涉及一种基于并联孔板水力空化装置及其在降解含有染料的废水中的应用。基于并联孔板水力空化装置,自吸泵通过入水管道与混合反应池(10)相连,自吸泵的另一端通过主管道与流量计Ⅰ、压力表Ⅰ相连后分成第一支路和第二支路,第一支路依次连接流量计Ⅱ、压力表Ⅱ、温度计Ⅰ、多孔孔板Ⅰ、温度计Ⅱ、回水管道;第二支路依次连接流量计Ⅲ、压力表Ⅲ、温度计Ⅲ、多孔孔板Ⅱ、温度计Ⅳ、回水管道;回水管道与混合反应池相连。

标签:
废水处理
辽宁 - 沈阳 来源:中冶有色网 2023-03-19
用于处理含铅废水的氧化锰硅藻土复合吸附剂及制备方法

本发明属于复合材料技术领域,具体涉及一种用于处理含铅废水的氧化锰硅藻土复合吸附剂及制备方法。本发明的复合吸附剂,其成分按质量百分比为5-40%氧化锰和60-95%硅藻土,其制备方法是将硅藻土分散到可溶性低链有机物溶液中,搅拌然后过滤,然后于400-800°C煅烧,煅烧产物加入到高锰酸钾溶液中微波加热处理5~60分钟,经微波热处理后的产物过滤收集,洗涤并烘干后得到氧化锰硅藻土复合吸附剂。采用本发明方法制备的氧化锰硅藻土复合吸附剂可以有效去除污废水中的铅离子,1小时吸附可将60mg/L的铅溶液吸附98%以上。

标签:
废水处理
辽宁 - 沈阳 来源:中冶有色网 2023-03-19
(甲基)丙烯酸生产废水为原料制备吸附树脂的方法

一种(甲基)丙烯酸生产废水为原料制备吸附树脂的方法,利用加热搅拌条件下,丙烯酸和甲基丙烯酸以及醛类自身会发生缩聚反应,生成大分子高沸点含羧基等基团的混聚物,将该混聚物用水溶性酚醛树脂胶粘固化,碱活化后制备重金属吸附树脂;而低沸点的醋酸随水蒸发出来,碱中和,蒸发浓缩,冷却结晶,回收结晶醋酸钠。本发明制备的重金属吸附树脂属于废物利用,大大降低了(甲基)丙烯酸废水COD的同时,制备重金属吸附剂,对重金属吸附富集能力强,适用的重金属范围广,而且工艺简单,稳定,易于控制,成本低,具有很高的经济、社会和环境效益。

标签:
废水处理
辽宁 - 沈阳 来源:中冶有色网 2023-03-19
治理含酚焦化废水的生物增强剂及其制备方法

本发明涉及一种治理含酚焦化废水的生物增强剂及其制备方法,该组合物的各成分的体积比为:诺卡氏菌属40~90%:假单孢菌属8~30%:芽孢杆菌2~30%。制备方法为:A.分离适应性菌株:配制三个污染底物的浓度为50、100、150MG/L的培养液,上摇床培养24小时,转接于另一同样浓度的培养液中,反复操作一个月,诱导菌株产生酶类;B.筛选高效、特殊降解性菌株:采取无菌操作,将菌株分离至纯菌,选择耐污染浓度高且对污染物去除能力强的菌株分纯;C.菌种培育:选择3~6株高效菌株,刺激菌株变化,菌株在污染浓度为50、100、150MG/L的培养液中振荡培养;D.扩大培养制成菌悬液或粉剂即得成品。本发明增强剂对含酚很高的废水处理能力可以达到理想的水平。

标签:
废水处理
辽宁 - 沈阳 来源:中冶有色网 2023-03-19
环保型有机废水生物净化剂的制备方法

一种环保型有机废水生物净化剂的制备方法,涉及一种废水净化剂的制备方法,本发明固定化黑曲霉是由海藻酸钠结合生物炭固定化黑曲霉制得。制备方法包括(1)制备生物炭;(2)将海藻酸钠和制备好的生物炭加入水中混合均匀,制备固定化基质;(3)将驯化后的黑曲霉与固定化基质混合均匀后,逐滴滴加到氯化钙溶液中进行反应,得到固定化黑曲霉净化剂。本发明的固定化黑曲霉净化剂对溴氰菊酯不仅具有快速吸附能力,同时具有高效降解能力和重复利用率高的优势。该净化剂工艺方法简单,产品质量稳定性好,成本低廉,应用效果好,具有良好的经济效益和环境效益。

标签:
废水处理
辽宁 - 沈阳 来源:中冶有色网 2023-03-19
冲洗不锈钢板的酸性废水处理装置

本实用新型公开了一种冲洗不锈钢板的酸性废水处理装置,包括一体化混凝池,还包括碱液储罐、助凝剂储罐、微电解装置、污泥脱水机、多介质过滤器,所述一体化混凝池包括依次连通的第一池、第二池、第三池,所述碱液储罐、微电解装置均与第一池连通,所述助凝剂储罐与第二池连通,所述第三池上端口边沿设置溢流口,第三池底端设置污泥排出口,所述污泥脱水机连接污泥排出口,所述多介质过滤器连接溢流口。所述第一池为调节池,所述第二池为絮凝池,所述第三池为斜板沉淀池。所述调节池、絮凝池中均设置有搅拌装置。本实用新型能够有效处理冲洗不锈钢板的酸性废水,并实现回收利用。

标签:
废水处理
辽宁 - 沈阳 来源:中冶有色网 2023-03-19
含砷酸性废水处理装置
含砷酸性废水处理装置 1141     
 0

本实用新型公开了一种含砷酸性废水处理装置,包括含砷污水预处理储池、反应罐、斜板沉降罐、中间罐、砂滤罐、活性炭罐、污泥沉降罐、螺杆泵、压滤机、加药罐Ⅰ、加药罐Ⅱ和进水泵。本实用新型能够对含砷废水进行有效的处理,处理后的出水砷浓度完全可稳定达到国家排放标准,同时便于对处理过程中的废弃物进行收集和处理。

标签:
废水处理
辽宁 - 沈阳 来源:中冶有色网 2023-03-19
含盐酸黄连素废水的处理方法

本发明涉及一种含盐酸黄连素废水的处理方法。采用的技术方案是:利用微波协同Fenton‑活性炭催化氧化处理盐酸黄连素废水。本发明快速高效、操作简单、节能降耗、处理过程中不会产生二次污染物,污染物去除效果好,出水水质显著提高。

标签:
废水处理
辽宁 - 沈阳 来源:中冶有色网 2023-03-19
水力-超声双空化复合系统及降解废水中染料的方法

本发明公开了一种水力‑超声复合双空化系统及有效降解废水中染料的方法。采用的技术方案是:利用水力‑超声复合双空化系统,使用水力空化和超声空化复合两种空化的极端条件下,进行水力‑超声复合双空化降解反应。设计带有磁性的Zn0.5Co0.5Fe2O4催化剂,利于催化剂的回收再利用,且一体化催化剂可以更适合双空化的极端情况,而不会使合成催化剂分散而降低催化效率。本发明方法结合两种空化技术,使其相互结合以此高效降解有机染料,适用于大规模处理染料废水。

标签:
废水处理
辽宁 - 沈阳 来源:中冶有色网 2023-03-19
镁合金表面制备铁/非晶铁硅硼复合降解废水涂层的方法

一种镁合金表面铁/非晶铁硅硼复合降解废水涂层的制备方法,涉及一种金属表面复合镀膜的方法,包括以下步骤:首先在含氢氧化钠、氢氧化铝、氟化氢铵和磷酸钠的混合溶液中制备镁合金阳极氧化膜;然后在镁合金阳极氧化膜表面进行电沉积铁和铁硅硼非晶粉体。本发明所获涂层既表现出高的降解废水的能力和界面结合力,又具有较好的耐蚀性和可回收再利用的特性。

标签:
废水处理
辽宁 - 沈阳 来源:中冶有色网 2023-03-19
提高废水可生化性的厌氧反应器

一种提高废水可生化性的厌氧反应器,包括罐体、水泵、转子流量计、布水器、排气孔、出水管和污水进水口等;布水器置于罐体底部,经转子流量计及水泵与污水进水口相连,在罐体上部设有出水口;在罐体的内壁上设置有环形板状结构的导向沉淀器,其指向罐体中心方向的一端向下倾斜,另一端安装在罐体侧壁上,且在导向沉淀器下方的罐体侧壁上开设有排气孔,排气孔外连接有收集外排气体的导气管;在导向沉淀器的环形中部下方设置有边缘上跷的、盘状结构的折流板,折流板与导向沉淀器构成三相分离器。它具有结构简单,稳定性好,高效率提高废水可生化性,流量调控方便,运行费用低等特点。

标签:
废水处理
辽宁 - 沈阳 来源:中冶有色网 2023-03-19
水利工程施工用废水储存装置

本实用新型涉及废水处理设备技术领域,具体为一种水利工程施工用废水储存装置,其密封效果好,包括存储箱本体,存储箱本体上端中部设有调节通孔,存储箱本体上端设有防护盖,防护盖包括挡板、调节柱和活塞,调节柱上壁与挡板连接,下壁通过轴承与活塞连接,调节柱侧壁设有调节螺纹,调节通孔内壁中上部设有调节内螺纹,存储箱本体左右两端均水平设有进水通孔,进水通孔中部上端的存储箱本体内部设有空腔,空腔内部设有电机,电机前端设有齿轮,齿轮下端伸入进水通孔内部,进水通孔内部设有进水管,进水管上壁设有调节齿,进水管靠近调节通孔的一端下壁设有进水孔,存储箱本体右侧下端设有出水管。

标签:
废水处理
辽宁 - 沈阳 来源:中冶有色网 2023-03-19
高盐废水零排放设备
高盐废水零排放设备 1013     
 0

本实用新型公开了一种高盐废水零排放设备,属于高盐废水零排放技术领域,包括蒸馏桶,所述蒸馏桶的一侧设置有清水收集桶,所述蒸馏桶的内部设置有清洁机构;所述清洁机构包括机箱,所述机箱的内部设置有第一电机,所述第一电机的底端连接有机座,所述机座的底端与机箱连接,所述第一电机的输出轴转子部连接有第一伞齿轮,所述第一伞齿轮的底部设置有第二伞齿轮,所述第一伞齿轮与第二伞齿轮相啮合,所述第二伞齿轮的底端连接有清洁搅拌杆,所述清洁搅拌杆的两侧壁均连接有安装叶片。本实用新型结构设计简单合理,可以对设备中的蒸馏器具的内壁进行清理,不需要人工清理,节省了人力,更加方便实用。

标签:
废水处理
辽宁 - 沈阳 来源:中冶有色网 2023-03-19
民用废水的二次利用装置

本实用新型提供一种民用废水的二次利用装置,它将现有楼房洗池内分为盥洗槽和污水槽,并在两槽下面设一密封的贮水箱,从贮水箱下引出两条联管,一条引至下层楼的厕所水箱,而另一条则引入下水道,贮水箱内又设滤网和溢流槽,从而达到将生活废水二次利用冲厕的节水目的。本实用新型结构简单、适用,采用该装置不仅告诫人们树立节水意识,同时还从结构上限制了个别人的不合作行为。

标签:
废水处理
辽宁 - 沈阳 来源:中冶有色网 2023-03-19
离子液体萃取废水中铜离子的方法

本发明涉及一种离子液体萃取废水中铜离子的方法,所述的离子液体中含双三氟甲基磺酸亚胺阴离子([NTf2]‑),该方法将含铜离子与所述的离子液体混合进行萃取,萃取后的混合液经离心分离得到水相和离子液体相,采用反萃取剂对离子液体进行反萃取,反萃取后的混合溶液经离心分离,得到的离子液体相经二次蒸馏水洗至中性,离子液体得以再生利用。本发明萃取废水中的铜离子的方法操作简单,而且离子液体与水不互溶且绿色环保,分相迅速,萃取分离效率高,萃取后回收离子液体,回收的离子液体不影响其萃取效果。

标签:
废水处理
辽宁 - 沈阳 来源:中冶有色网 2023-03-19
处理生产6-甲氧基萘满酮产生废水的方法

本发明属于涉及化学领域的处理方法,尤其涉及从一种处理生产6‑甲氧基萘满酮产生废水的方法,再进一步是一种从生产6‑甲氧基萘满酮产生废水中回收分离硫酸锰和硫酸钾的方法。将反应液分液所得废水层进行减压蒸馏,析出晶状固体,过滤,所得滤饼依次用易溶于水的有机溶剂打浆洗涤,再用不易溶于水的有机溶剂打浆洗涤,打浆洗涤后干燥得到淡粉色硫酸钾和硫酸锰的混合固体,固体溶解后经高温、加压蒸馏析出硫酸锰结晶体,分离获得硫酸锰纯品,蒸馏出水分冷却析晶得到纯品硫酸钾。本发明方法减少了固废的排放,所得高纯度硫酸锰质量能够达到国家颁布的饲料级硫酸锰标准,硫酸钾达到国家颁布的农业用硫酸钾标准,提高了经济效益,降低了工艺成本。

标签:
废水处理
辽宁 - 沈阳 来源:中冶有色网 2023-03-19
强化脱氮除磷的废水处理装置及方法

本发明提供一种强化脱氮除磷的废水处理装置及方法,装置包括依次连接的MAP反应器、好氧池和二沉池,MAP反应器由成一体的上部圆柱体结构和下部漏斗结构组成,其内设有搅拌推流器,还设有导流板、双层挡板和折流板。方法包括:从MAP反应器的回流污泥口引入回流污泥;再从进水口引入含氮磷废水;从加药口投加硫化钠溶液;再投加镁剂进行结晶反应;静置分层,将上层污水排出至好氧池;污水在好氧池中进一步脱磷处理;接下来在二沉池内进行泥水分离处理,上清液排放或者进一步深度处理,污泥作为回流污泥返回至MAP反应器中。本发明能大大减少原废水处理的化学药剂添加量和污泥产量,并回收磷酸铵镁作为肥料,保证出水达标的同时回收资源。

标签:
废水处理
辽宁 - 沈阳 来源:中冶有色网 2023-03-19
用于印染废水吸附脱色处理的钴基非晶合金条带及其应用

本发明公开了一种用于印染废水吸附脱色处理的钴基非晶合金条带及其应用,合金成分中钴元素的原子百分比为60~85%,钴基非晶合金以条带形式存在。将该钴基非晶合金条带作为吸附剂,用于印染废水的吸附脱色处理时,由于其表面具有高能量状态,易与溶液中的染料分子结合,能大量吸附染料分子。Co基非晶合金本身在近中性及酸性溶液中不发生明显消耗,在脱色过程中达到钴基非晶合金的最大吸附量以后经过简单处理就可以再次用于吸附脱色,而且由于钴基非晶合金是一种铁磁性材料,从水体中富集回收都很容易,这就克服了传统的吸附脱色技术的应用缺陷,从而使条带的重复持久利用成为现实,具备非常好的应用前景。

标签:
废水处理
辽宁 - 沈阳 来源:中冶有色网 2023-03-19
煤化工废水相分离设备
煤化工废水相分离设备 1109     
 0

本实用新型属于煤化工行业废水处理技术领域,具体涉及一种煤化工废水相分离设备,包括:澄清器,具有第一腔体以及与所述第一腔体连通的重相出口;分离器,设于所述第一腔体上部,并具有第二腔体、设于所述第二腔体中的搅拌器以及分别与所述第二腔体连通的进料口、溢流口,所述溢流口与所述第一腔体连通;收集器,设于所述第一腔体上部,并具有第三腔体以及与所述第三腔体连通的轻相出口,所述第三腔体的顶部与所述第一腔体连通。上述结构在保证液‑液两相的混合和分离效果的前提下,实现了液‑液两相反应与分离设备的一体化,占地小,方便运输。

标签:
废水处理
辽宁 - 沈阳 来源:中冶有色网 2023-03-19
用于含油废水的可重复使用的硼泥吸附剂及其制备方法和应用

本发明涉及一种用于含油废水的可重复使用的硼泥吸附剂及其制备方法和应用,属于固体废物资源化利用领域。本发明利用生产硼酸、硼砂等产品产生的废渣即硼泥经过粉碎过100目筛后,于马弗炉900℃焙烧40min,得到活化硼泥,然后将其与氯化铝和氢氧化钠按质量比10:1:1.5取料,加水混合,干燥后过120目筛,即可获得硼泥吸附剂,使用后经晾晒、粉碎、焙烧后,其除油效果与最初相同。本发明利用硼泥简单快速处理含油废水,然后经再生处理,吸附剂反复使用,其吸附率可达90%以上,具有资源综合利用和以废治废、化害为利的好处,显示了较高的经济效益和环境效益。

标签:
废水处理
辽宁 - 沈阳 来源:中冶有色网 2023-03-19
高盐废水深度处理的方法

本发明涉及污水处理领域,涉及一种高盐废水深度处理的方法。包括预处理单元、一级微米载体流化床、臭氧催化氧化单元、二级微米载体流化床、反渗透单元以及MVR单元,通过此方法处理,既解决了反渗透单元膜污堵问题,也避免了MVR单元处理膜浓缩液脱盐时的糊锅问题,实现了高盐废水生化出水的深度处理,出水可达标排放。

标签:
废水处理
辽宁 - 沈阳 来源:中冶有色网 2023-03-19
同时净化有机砷与无机砷复合污染废水的方法

一种同时净化有机砷与无机砷复合污染废水的方法,属于污水处理技术领域,其特征是利用高粱秸秆为原料,通过碳化和Fe基改性处理,制备出高粱秸秆生物炭粉吸附剂,以此吸附剂对同时含有As(Ⅲ)、As(Ⅴ)和ROX复合污染废水进行处理。经检验As(Ⅲ)的去除率为48.50%,As(Ⅴ)的去除率为97.50%,ROX的去除率为66.78%,有机砷与无机砷等有害物质去除率高,成本低。

标签:
废水处理
辽宁 - 沈阳 来源:中冶有色网 2023-03-19
处理高浓染料废水的装置

本实用新型公开了一种处理高浓染料废水的装置。所述高浓染料废水处理装置,包括:pH调节池;混凝沉淀池,混凝沉淀池的进水端与pH调节池的出水端相连;主体反应池,主体反应池进水端与混凝沉淀池出水端相连;无油空压机;吸附干燥机,吸附干燥机进气端与无油空压机出气端相连;臭氧发生器,臭氧发生器进气端与吸附干燥机出气端相连,臭氧发生器出气端通过管道与主体反应池底部的曝气管相连。所述处理装置,采用“微电解‑臭氧‑超声波”体系,通过铁碳填料和超声波的协同作用、臭氧尾气的循环利用,可使臭氧的利用率达95%以上。本装置具有结构紧凑、空间利用率高、经济性好、处理效率高等优点,可以用于高浓染料废水的处理。

标签:
废水处理
辽宁 - 沈阳 来源:中冶有色网 2023-03-19
环保废水处理设备
环保废水处理设备 1187     
 0

本实用新型公开了一种环保废水处理设备,包括过滤水箱、隔板一、隔板二、隔板三、大颗粒物过滤网、细颗粒物过滤网、悬浮物吸附网、絮凝物过滤网、过滤网清洁组件和絮凝剂混合组件,所述过滤水箱相对两侧壁上分别设有进水管和出水管,所述隔板一、隔板二和隔板三依次垂直设于过滤水箱底壁上,所述隔板一靠近进水管设置,所述隔板三靠近出水管设置,所述隔板一、隔板二和隔板三将过滤水箱依次划分为颗粒物过滤腔、悬浮物过滤腔、絮凝腔和终极过滤腔。本实用新型涉及废水处理技术领域,具体提供了一种高速高效,可有效避免大颗粒物过滤网以及悬浮物过滤网堵塞的环保废水处理设备。

标签:
废水处理
辽宁 - 沈阳 来源:中冶有色网 2023-03-19
环保型化工废水处理装置

本实用新型公开了一种环保型化工废水处理装置,包括壳体,所述壳体的内壁上设置有过滤网主体,所述壳体的内壁上且位于过滤网主体的下方固定连接有引流板,所述壳体右侧的底部且对应引流板的位置开设有与引流板相适配的排料口,所述壳体左右两侧的顶部均固定连接有固定壳。本实用新型通过滚动轴承、螺纹杆、固定轴、转盘、把手、螺纹块、滑槽、滑块、固定块、固定绳、第一滑轮、第二滑轮、稳固块、连接板、支撑块、插杆和推块的相互配合,实现了便于取出滤网的效果,解决了常见的环保型化工废水处理装置滤网不便于取出的问题,需要进行维护或者更换滤网时非常的简单方便,减少了更换滤网的时间和精力,给使用者带来极大的便利。

标签:
废水处理
辽宁 - 沈阳 来源:中冶有色网 2023-03-19
利用废水回收余热的污水源热泵热水系统

本实用新型公开的属于热泵技术领域,具体为一种利用废水回收余热的污水源热泵热水系统,其包括:污水池、冷水池、流量阀、过滤室、抽水泵、流量传感器和换热室,所述污水池的一侧和所述冷水池的一侧均固定连接所述流量阀,两个所述流量阀分别固定连接所述过滤室和所述抽水泵,所述过滤室固定连接所述抽水泵,所述过滤室内部的顶端固定安装有三个过滤网,所述过滤室的中间一侧固定安装有旋转板,所述旋转板上固定安装有称重传感器,所述过滤室内部的底端设置有存污抽屉。该利用废水回收余热的污水源热泵热水系统,不仅能够过滤出污水中的杂质,方便处理,而且能够使污水和冷水的流量保持平衡,减少热量的流失。

标签:
废水处理
辽宁 - 沈阳 来源:中冶有色网 2023-03-19
增强型膜曝气生物膜反应器的废水处理系统及其使用方法

本发明属于废水处理技术领域,尤其涉及一种增强型膜曝气生物膜反应器废水处理系统,包括:主体反应器箱体、反应器底座、填料架和MBR膜;其中,所述反应器底座固定设置在所述主体反应器箱体的底部;所述填料架为与所述主体反应器箱体结构相似的架体结构,并固定设置在所述主体反应器箱体的内部;所述反应器底座上设有MBR膜卡槽,所述MBR膜能够借助于所述MBR膜卡槽固定设置在所述填料架的架体内部空间;在MBR膜两侧的所述填料架上分别挂设软性纤维填料层;所述软性纤维填料层的表面附有生物膜。本发明提供的废水处理系统能够有效的提高氧气的利用率节省能耗。

标签:
废水处理
辽宁 - 沈阳 来源:中冶有色网 2023-03-19
利用固定化微生物治理有机磷农药废水的方法

一种利用固定化微生物治理有机磷农药废水的办法,主要经过菌种驯化、载体制备,细菌吸附和污水处理几个过程,其特征是将驯化的真菌黑曲霉吸附到直径为5-8mml的活性炭上,然后将制得含有饱和黑曲霉的活性炭投入到废水之中,当每升污水中的CODcr达到200——10000个时,投入到污水量的1%,温度控制在5-30度,静止浸入1-6天。利用此种方法对有机磷农药废水进行处理,其降解率最高可达98%。

标签:
废水处理
辽宁 - 沈阳 来源:中冶有色网 2023-03-19
处理高浓染料废水的装置及处理方法

本发明公开了一种处理高浓染料废水的装置及处理方法。所述高浓染料废水处理装置,包括:pH调节池;混凝沉淀池,混凝沉淀池的进水端与pH调节池的出水端相连;主体反应池,主体反应池进水端与混凝沉淀池出水端相连;无油空压机;吸附干燥机,吸附干燥机进气端与无油空压机出气端相连;臭氧发生器,臭氧发生器进气端与吸附干燥机出气端相连,臭氧发生器出气端通过管道与主体反应池底部的曝气管相连。所述处理装置,采用“微电解‑臭氧‑超声波”体系,通过铁碳填料和超声波的协同作用、臭氧尾气的循环利用,可使臭氧的利用率达95%以上。本装置具有结构紧凑、空间利用率高、经济性好、处理效率高等优点,可以用于高浓染料废水的处理。

标签:
废水处理
辽宁 - 沈阳 来源:中冶有色网 2023-03-19
含铁含锌的废水提取锌并制备氢氧化锌的方法

一种含铁含锌的废水提取锌并制备氢氧化锌的方法,属于废物资源化领域。其方法为:向含铁含锌的污泥中加入液碱,均匀搅拌,将含铁含锌的废水在15℃~35℃调节PH值为4‑6.5,同时通入氧化性气体,进行低温氧化,氧化时间为4‑8h。氧化亚铁完全氧化后,过滤,得到溶液,在15℃~35℃加入碱性物质调节PH值为9‑12,得到白色沉淀,过滤,自然风干得到高纯度氢氧化锌。该方法是热镀锌厂含铁含锌的废水回收锌的有效工艺,其具有设备投资小,能耗小和制备的产品纯度高,环保无污染等优点。

标签:
废水处理
辽宁 - 沈阳 来源:中冶有色网 2023-03-19
上一页 13 14 15 16 17 ... 27 下一页
共27页    到第

中冶有色为您提供最新的辽宁沈阳有色金属废水处理技术理论与应用信息,涵盖发明专利、权利要求、说明书、技术领域、背景技术、实用新型内容及具体实施方式等有色技术内容。打造最具专业性的有色金属技术理论与应用平台!

全国热门有色金属设备推荐
展开更多 +
全国热门有色金属技术推荐
展开更多 +

 

江西省隆恩特环保设备有限公司
宣传

报名参会
更多+

报告下载

有色专家
更多+

北京科技大学
主任/教授
江西省科学院应用化学研究所
副主任/副研究员
广东省科学院工业分析检测中心
副主任
红河学院
研究员
中铝郑州有色金属研究院有限公司
正高级工程师/总经理
赤泥综合利用研究报告2025
推广

热门技术
更多+

推荐企业
更多+

福建省金龙稀土股份有限公司
宣传

发布

在线客服

公众号

电话

顶部
咨询电话:
010-88793500-807