青岛垚鑫智能科技有限公司
宣传

位置:中冶有色 >

有色技术频道 >

> 废水处理技术

分类:
全部
矿山技术
冶金技术
材料制备及加工技术
环境保护技术
分析检测技术
 
全部
废水处理技术
大气治理技术
固/危废处置技术
土壤修复技术
地区:
全部
北京
天津
上海
重庆
河北
山西
辽宁
吉林
黑龙江
江苏
浙江
安徽
福建
江西
山东
河南
湖北
湖南
广东
海南
四川
贵州
云南
陕西
甘肃
青海
内蒙
广西
西藏
宁夏
新疆
其他
其他
展开
 
全部
沈阳
大连
鞍山
抚顺
本溪
丹东
锦州
营口
阜新
辽阳
盘锦
铁岭
朝阳
葫芦岛

辽宁沈阳有色金属废水处理技术理论与应用

免费发布技术信息>>
用于含酚废水处理的形貌可控的γ-MnOOH纳米线的制备方法

一种用于含酚废水处理的形貌可控的γ‑MnOOH纳米线的制备方法,涉及一种水处理材料制备方法,所述方法包括以下制备过程:将表面活性剂溶解于高纯水中,再加入高锰酸钾,至完全溶解,将所得溶液在高温高压环境下反应;将所得催化剂洗涤、离心并干燥即得到γ‑MnOOH纳米线催化剂;纳米线的长径比可通过调节制备参数控制在12‑20;高锰酸钾与表面活性剂的质量比为6:4‑9:7;制备过程以乙二醇、十六烷基三甲基溴化铵、十二烷基苯磺酸钠作为表面活性剂;水热合成反应釜的衬套为聚四氟材质;本方法操作简单,产量高,反应过程绿色环保。在过硫酸盐氧化剂与酚类污染物物质的量之比小于5的情况下,去除率达到99.9%。

标签:
废水处理
辽宁 - 沈阳 来源:中冶有色网 2023-03-19
废水重金属离子吸附用纳米羟基磷灰石吸附剂的制备方法

一种废水重金属离子吸附用纳米羟基磷灰石吸附剂的制备方法,1、含钙与磷前驱溶液的配制:分别配制0.1~1摩尔/升的硝酸钙与0.1~0.5摩尔/升的磷酸水溶液;将氨水滴加到磷酸溶液中,pH值10~12;2、将含钙的前驱溶液滴加到含磷的前驱溶液中,搅拌,得到白色沉淀溶液,pH值恒定在10~12;后陈化5~24小时,得到凝胶;3、将凝胶放入烘箱中,在55~100℃烘干10~24小时,得到干凝胶,干凝胶用蒸馏水水洗3~5次,球磨12~24小时,再于100℃下干燥6~10小时,于500~900℃煅烧,保温2~6小时,即得本发明。本发明具有一种成本低廉、工艺简易、吸附效率高的特点。

标签:
废水处理
辽宁 - 沈阳 来源:中冶有色网 2023-03-19
构建废水污染物排放Petri网仿真模型的方法

本发明提供一种构建废水污染物排放Petri网仿真模型的方法,包括:对污水的各个污染指标浓度进行统计,得出污水中各污染物指标的浓度值范围;污染指标包括BOD、COD、NH3-N;设定BAT处理工艺中各个处理工段对污染物去除率的区间范围;对污水处理过程进行仿真,得出了经过处理之后的各污染指标浓度均值的置信区间,从而得到各污染物排放限值。根据三个典型污染行业生产和排污过程,采用基于Petri网理论的OPMSE软件,分别对三个典型污染行业中具体企业的水污染物BAT处理工艺的削减能力进行了仿真计算,仿真结果可以为排放限值的制定提供一定的依据,同时也可以为企业污水处理工艺的改进给出指导意义。

标签:
废水处理
辽宁 - 沈阳 来源:中冶有色网 2023-03-19
处理废水、污水后的活性焦再生装置

一种处理废水、污水后的活性焦再生装置是:加热室位于燃烧室内,加热室两端与进料管和出料管相连接,其中出料管与出料室连接,进料管与气体收集室连接;一驱动装置,驱动出料管带动加热室转动;出料管与出料室连接,出料室的蒸汽输入口连接蒸汽过热器的蒸汽出口;气体收集室的外侧壁上部有混合气出口,其顶部安装有螺旋输送机,螺旋输送机上部有料仓;混合气出口与洗涤塔的进气口连接。

标签:
废水处理
辽宁 - 沈阳 来源:中冶有色网 2023-03-19
基于光转化利用亚硝酸盐降解含有1-氯萘废水的方法

本发明公开一种基于光转化利用亚硝酸盐降解含有1‑氯萘废水的方法,属于光化学转化领域。包括如下步骤:用蒸馏水配置浓度为0.5mg·L‑1的1‑氯萘的储备液,于4℃下避光保存,备用。使用前将储备液经0.45μm微孔滤膜过滤,取过滤后的溶液,用蒸馏水稀释,配置成实验所用0.1mg·L‑11‑氯萘水溶液。向1‑氯萘水溶液中加入浓度为0.3mmol·L‑1的NaNO2溶液,在自制的光反应装置中进行,选用800W高压汞灯作为光源,将反应溶液装于自制玻璃管中,加塞密封。将光源放在光反应装置的中心,将待照射的多氯萘水样置于光源周围,样品距光源10cm,光强为2×104Lx,光照时反应温度为25±2℃。本发明提出的降解水中1‑氯萘的方法极大的提高了1‑氯萘的光转化率。

标签:
废水处理
辽宁 - 沈阳 来源:中冶有色网 2023-03-19
高浓度有机废水的生物治理方法

该技术所属环境科学领域,主要采用生物工程技术手段选育、构建超级工程菌,并应用于水的污染治理、控制及再利用等领域。其特征在于:该方法主要是按如下步骤实现的:分离适应性菌株;筛选高效、特殊降解性菌株;菌种培育;扩大培养制成成品菌悬液或粉剂;投放于实际的废水体系中。本发明的目的在于解决传统污水处理工艺流程长,占地面积大,处理效率低,操作复杂等方面存在的问题。

标签:
废水处理
辽宁 - 沈阳 来源:中冶有色网 2023-03-19
可见光催化降解废水中硫氰酸根的方法

一种可见光催化降解废水中硫氰酸根的方法,包括以下步骤:(1)将硫酸钠、二氧化钛粉末和尿素混合制成混合物料;(2)置于研磨罐中,加入分散剂和无水乙醇,采用行星式高能球磨机进行高能球磨混合,冷却至常温;(3)球磨粉体浸没于水中施加超声波处理,过滤,烘干,研磨,获得改性二氧化钛粉体;(4)含有硫氰酸根的溶液调节pH值为6~11,放入改性二氧化钛粉体,混合制成矿浆;避光静置后在室温和搅拌条件下,日光照射进行光催化降解。本发明通过金属离子和非金属离子与二氧化钛的有效复合使其相互作用形成了掺杂能级,减少了二氧化钛的能带宽度,拓展了吸光区间,增加了透射率,进而增加光能利用率,促使催化剂光能利用率的提高。

标签:
废水处理
辽宁 - 沈阳 来源:中冶有色网 2023-03-19
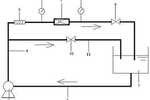
并联多孔文丘里管水力空化废水处理系统

一种并联多孔文丘里管水力空化废水处理系统,其特征在于:系统各部件之间通过水管连接,沿水流向顺序,依次设有进水箱、多孔文丘里管、储水箱,所述的多孔文丘里管与水管之间通过螺纹连接,多孔文丘里管包括结构相同且并联设置的多孔文丘里管I和多孔文丘里管II;所述的多孔文丘里管I沿水流动方向依次设有多孔段I、收缩段、喉部、发散段、多孔段II;所述的多孔段I和多孔段II的管壁为密封结构,管内部设有多孔过滤芯;所述的收缩段的入射半角α为20~24°,发散段的发散半角β为4~8°。本发明操作简便、处理效率高、造价低廉、节省资源、绿色环保、无二次污染。

标签:
废水处理
辽宁 - 沈阳 来源:中冶有色网 2023-03-19
利用三维电极—电芬顿耦合处理印染废水的方法

本发明提供了一种利用三维电极—电芬顿耦合处理印染废水的方法,采用平板铁(或铁网)作为阳极,多孔碳作为阴极,活性炭柱和纳米铁二元混合粒子作为第三电极,通过曝气装置对系统进行曝气,搅拌装置进行搅拌,同时施加直流稳压组成三维电极—电芬顿耦合系统。本发明采用板式电极,增加了电极表面积,增大了电压的可调范围;采用活性炭柱和纳米铁二元混合粒子作为填充电极,缩短了离子迁移的距离,另外,纳米铁粒子辅助铁阳极产生Fe2+,活性炭的导电性较高、能在强酸强碱容易中稳定保持、流体通过性较好,二者以一定的比例混合,提高了反应速率和处理效果。

标签:
废水处理
辽宁 - 沈阳 来源:中冶有色网 2023-03-19
用于水利工程施工用废水检测装置

本实用新型涉及水利工程技术领域,具体为一种用于水利工程施工用废水检测装置,其移动更加方便且能够良好解决水残留问题一,包括检测箱体,所述检测箱体包括上箱体和下箱体,所述上箱体和下箱体之间通过合页连接,所述下箱体的内部设有控制模块和蓄电池,所述控制模块的顶端设有数个按键和触控板,并均伸出下箱体的顶端,所述下箱体的右部设有检测装置,所述检测装置包括检测槽,所述检测槽的内部安装有检测盒,所述检测槽的顶端转动连接有顶盖,所述顶盖的底端设有检测模块,所述下箱体的左端设有充电接口,所述上箱体的前端设有显示屏,所述上箱体的后端安装有箱盖,所述上箱体的内部安装有数个备用检测盒和取样装置。

标签:
废水处理
辽宁 - 沈阳 来源:中冶有色网 2023-03-19
水力空化降解四环素类抗生素废水的方法

本发明涉及一种水力空化降解四环素类抗生素废水的方法。包括以下步骤:将四环素溶液置于水力空化装置,通过循环系统对四环素溶液进行水力空化处理,所述水力空化装置包括有:水箱、循环管、水泵、压力表、流量计、文丘里管等。四环素溶液进行水力空化降解的工艺条件是:进口压力0.1~0.5MPa,初始浓度为5~20mg/L,处理温度控制在35~45℃,处理时间为30~150min。本发明是利用水力空化技术降解水中四环素,该方法处理成本低,操作简单,无二次污染,降解率可达80%以上。

标签:
废水处理
辽宁 - 沈阳 来源:中冶有色网 2023-03-19
利用化学—生物膜法联合处理印染废水的工艺

本发明公开了一种利用化学—生物膜法联合处理印染废水的工艺。污水经过粗格栅、调节、初沉、铁碳微电解、芬顿氧化、细格栅、中和、混凝沉淀、水解酸化、接触氧化、二次沉淀、消毒处理之后排出。与现有技术相比的优点在于:本发明在调节池中设置了提升泵,因此不需要再建提升泵房,减小了占地面积和基建费用。在生物接触氧化池中布设了蒸汽管道,控制水体温度,利于微生物生长繁殖。此工艺将化学法与生物膜法相组合,实施了更加有效的净化处理,处理效果好,产泥量少,维护管理方便,成本低,运行稳定,处理后的污水可以按照国家环保要求排放。

标签:
废水处理
辽宁 - 沈阳 来源:中冶有色网 2023-03-19
带有反冲洗功能的废水处理装置

本实用新型公开了一种带有反冲洗功能的废水处理装置,包括主体防护机构,所述主体防护机构一侧的底端连接有动力源机构,所述主体防护机构内部两侧的底端连接有滑动机构,与现有技术相比,本实用新型的有益效果是:通过安装的反冲洗机构能够对污水处理装置有效的清洗,从而保证污水处理装置的更好的工作运行,通过安装的滑动机构能够使反冲洗机构更加有效的大面积对污水处理装置的清洗,并且由于采用的是反冲洗功能,能够使一般清洗方法清洗不掉的污垢进行清洗,从而能够达到更好的清洗效果,且由于采用的是自动化清洗机构,可以避免传统的拆卸式清洗的不便,从而更加便于人们的使用。

标签:
废水处理
辽宁 - 沈阳 来源:中冶有色网 2023-03-19
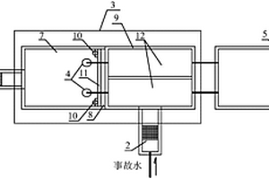
集约化生产废水处理系统

一种集约化生产废水处理系统,属于氧化铝生产技术领域。所述集约化生产废水处理系统包括第一格栅井、第二格栅井、三池一体构筑物、提升泵、回用水池和回用泵;三池一体构筑物包括生产调节池、位于生产调节池侧面的事故池以及设置在事故池上方的平流沉淀池,生产调节池与事故池之间的隔墙下部设有圆闸阀,生产调节池内设有提升泵,提升泵的出口与平流沉淀池连通;第一格栅井与生产调节池的接近顶部的侧面连通,第二格栅井与事故池接近顶部的侧面连通,平流沉淀池与回用水池通过管路连通,回用泵安装在回用水池内。本实用新型将生产调节池、事故池及平流沉淀池集于一体,解决了现有技术中各个构筑物独立设置、占地面积大、导致用地指标增大的问题。

标签:
废水处理
辽宁 - 沈阳 来源:中冶有色网 2023-03-19
电解废水处理装置
电解废水处理装置 922     
 0

本实用新型公开了一种电解废水处理装置,用于净化废水、减少其化学需氧量。所述装置能够在采用不锈钢电极的电化学电池中直接氧化水溶性有机材料,通过加入循环铁屑来提高电极的稳定性和寿命。

标签:
废水处理
辽宁 - 沈阳 来源:中冶有色网 2023-03-19
化工生产用化工废水处理装置

本申请公开了一种化工生产用化工废水处理装置,包括底座、第一固定板、第二固定板、转动放置机构以及棉签保护机构;其中所述底座左端顶侧固定连接有第一固定板,所述底座右端顶侧固定连接有第二固定板;所述转动放置机构包括转动杆、放置板、吸水衬布层以及底座,所述第一固定板以及第二固定板相对的两侧表面均转动连接有转动杆,所述转动杆的另一端与放置板固定连接。该种化工生产用化工废水处理装置设计新颖、结构简单,便于将棉签主体稳定放置在采样管内腔中,方便工作者后续进行操作,且便于将不使用的棉签主体放置在棉签放置槽中,满足工作者的使用需求。

标签:
废水处理
辽宁 - 沈阳 来源:中冶有色网 2023-03-19
用于废水处理的热等离子体反应器

本实用新型公开了一种用于废水处理的热等离子体反应器,用于处理含有氰化物和其他溶解性有机物的废水溶液。所述反应器包括一根加长管道,该管道具有入水口、出水口、以及能量源(优选位于靠近入水口的位置)。所述能量源能够产生强烈的能量。通过管道流入的含氰化物/有机物的溶液暴露于所述能量,从中吸收足够的能量以降解氰化物和/或溶解其中包含的有机物。优选的强能量源是等离子体,例如等离子体喷枪或直流电弧产生的等离子体。

标签:
废水处理
辽宁 - 沈阳 来源:中冶有色网 2023-03-19
电化学联合光催化法处理有机废水系统

本实用新型提供一种电化学联合光催化法处理有机废水系统,包括通过管路连通的电化学催化装置和光催化装置,电化学催化装置包括多个通过管路并联的电化学催化单元,电化学催化单元包括具有设定容积的第一反应腔和电源,第一反应腔内设置有两个阳极板,两个阳极板中间设置有一个阴极板,阳极板和阴极板分别与电源连接;第一反应腔侧壁的上部和下部分别设置有第一出水口和第一进水口;光催化装置包括第二反应腔,第二反应腔内侧的顶部设置有紫外光源,第二反应腔侧壁的上端和下端分别设置有第二出水口,第一出水口通过管路与第二进水口连接。本实用新型能有效处理废水中的有机物,大大降低COD,且该系统节能、无毒,符合绿色化学的发展趋势。

标签:
废水处理
辽宁 - 沈阳 来源:中冶有色网 2023-03-19
利用厨房废水的洗厕装置

本实用新型涉及一种家用卫生设备,它是利用厨房废水冲洗便池的设备。本设备由三通选择阀、水箱、单向阀、胶囊和脚踏冲洗阀构成,它将厨房废水有选择地储于水箱和胶囊中,使用时用冲洗阀的脚踏挤压胶囊,囊中的水受挤而冲入便池,达到清洗目的。它构造简单,多用标准件,易于实施。

标签:
废水处理
辽宁 - 沈阳 来源:中冶有色网 2023-03-19
用赤泥制备印染废水脱色处理用复合絮凝剂的方法

本发明涉及一种利用拜耳法赤泥制备印染废水脱色处理用复合絮凝剂的方法,包括以下步骤:将赤泥烘干、研磨过100-300目筛,以Na2CO3为助熔剂焙烧活化;加入盐酸并搅拌,保温后抽滤得到浸出液;将浸出液在搅拌条件下,加入到聚硅酸溶液中,同时加入碱液进行凝胶,熟化、静置,得到复合絮凝剂。本发明的优点效果:本发明利用赤泥中含有的Al、Fe等有效絮凝成分,对印染废水进行脱色处理。本发明充分利用氧化铝工艺生产中产生的固体废物赤泥,达到治废的目的,具有原料来源广泛、生产成本低及环保等特点。

标签:
废水处理
辽宁 - 沈阳 来源:中冶有色网 2023-03-19
降解废水中苯胺的方法
降解废水中苯胺的方法 1063     
 0

本发明涉及一种降解废水中苯胺的方法。采用的技术方案是:按1%~20%的体积百分比,将对数生长期的苯胺耐盐菌接种于含有苯胺的废水中,调节pH=4~9、振荡下培养48小时。采用本发明的方法可在高盐条件下有效降解苯胺,弥补了高盐抑制菌株生长代谢和苯胺降解能力的不足之处,提高了高盐条件下菌株对苯胺的降解能力,为高盐条件下苯胺的治理提供技术支撑。

标签:
废水处理
辽宁 - 沈阳 来源:中冶有色网 2023-03-19
降解抗生素废水的三元Z型复合声催化剂及其制备方法和应用

本发明涉及一种降解抗生素废水的三元Z型复合声催化剂及其制备方法和应用。本发明利用水热法和沉淀法合成三元Z型复合声催化剂,在这个Z型声催化剂中,KTaO3和Bi2O3中间引入FeVO4半导体形成氧化还原反应中心,三者复合最后形成了新型复合声催化剂KTaO3/FeVO4/Bi2O3。半导体FeVO4的加入形成了循环氧化还原复合中心,这促进了Bi2O3导带上的电子与KTaO3价带上的空穴的复合和抑制了KTaO3和Bi2O3各自的的电子空穴对的复合。合成的Z型KTaO3/FeVO4/Bi2O3声催化剂应用于降解头孢曲松钠的抗生素废水中,具有很高的声催化降解活性。

标签:
废水处理
辽宁 - 沈阳 来源:中冶有色网 2023-03-19
利用废水处理沉淀物作为阻燃填料制备硅橡胶复合绝热材料的方法

本发明属于固体废弃物资源化利用技术领域,具体涉及一种利用废水处理沉淀物作为阻燃填料制备硅橡胶复合绝热材料的方法。本发明利用镁法脱硫废弃物作为镁源,含有六价铬的废水作为铬源,在酸性条件下充分反应后,调节pH至中性,使铬镁形成共沉淀;将沉淀绿泥压滤脱水后,于100℃干燥脱水,将干燥后的试样在马弗炉中高温焙烧得到墨绿色铬镁尖晶石粉体(阻燃填料);将甲基乙烯基硅橡胶(VMQ)、甲基苯基乙烯基硅橡胶(PVMQ)、白炭黑、羟基硅油及硫化剂DPC按一定比率混炼并静置24h后再加入阻燃材料后充分混炼,将上述混炼好的硅橡胶混炼胶置于平板硫化机中,加压加温进行一次硫化,取出试样后再放入电热鼓风干燥箱中进行二次硫化,即可得到产品。本发明将废弃物无害化处理的同时,实现废弃物的资源化利用,从而产生明显的经济效益、社会效益及环境效益。

标签:
废水处理
辽宁 - 沈阳 来源:中冶有色网 2023-03-19
排放污废水的GSM自控无线传输排放系统

一种排放污废水的GSM自控无线传输排放系统,由箱体、底座、防腐控制球阀、电机减速执行机构、带发讯的防腐镙旋式计量装置、上弯式防腐出水管、微处理器、时钟芯片、存贮器、操作面板、GSM通讯模块和大屏幕液晶显示屏等构成,管理者通过网络对用户交费、排污、恶意攻击等情况自动收集传输并通知控制球阀动作,可根据需要在中央计算机上显示处理信息。本发明可以准确计量和自控污、废水排放总量,对限量达标排放进行有效科学管理。

标签:
废水处理
辽宁 - 沈阳 来源:中冶有色网 2023-03-19
处理废水、污水后的活性焦再生方法与装置

一种处理废水、污水后的活性焦再生方法,将活性焦置于150~250℃,升至700~850℃,保持恒温40~90分钟,并输入蒸汽;活性焦加热后产生的混合气与冷却水逆向流动,混合气中的蒸汽转化为冷凝水循环使用,其余的烷烃类气体作为燃料。其装置是:加热室位于燃烧室内,加热室两端与进料管和出料管相连接,其中出料管与出料室连接,进料管与气体收集室连接;一驱动装置,驱动出料管带动加热室转动;出料管与出料室连接,出料室的蒸汽输入口连接蒸汽过热器的蒸汽出口;气体收集室的外侧壁上部有混合气出口,其顶部安装有螺旋输送机,螺旋输送机上部有料仓;混合气出口与洗涤塔的进气口连接。

标签:
废水处理
辽宁 - 沈阳 来源:中冶有色网 2023-03-19
降解废水中硝基苯的方法

本发明涉及一种降解废水中硝基苯的方法。采用的技术方案是:按1%-20%的体积百分比,将对数生长期的硝基苯耐低温菌接种于含有硝基苯的废水中,调节pH=4~9、震荡下培养48小时。所述的硝基苯耐低温菌是鲍曼不动杆菌。优选的鲍曼不动杆菌为鲍曼不动杆菌株cc-2。采用本发明的方法可在低温环境中有效降解硝基苯,弥补了低温抑制菌株生长代谢和硝基苯降解能力的不足之处,提高了低温环境下菌株对硝基苯的降解能力,为低温环境中硝基苯的治理提供技术支撑。

标签:
废水处理
辽宁 - 沈阳 来源:中冶有色网 2023-03-19
用于含氟废水处理的高效反应装置

一种用于钢铁行业含氟废水处理的高效反应装置涉及一种高效去除含氟废水处理装置,进水管与除氟高效反应池入水口连接,除氟高效反应池与搅拌池通过管道相连,搅拌池的另一侧连接反应池,除氟高效反应池包括第一混合反应区I,第二混合反应区II:高效沉淀区III、回收分离装置在反应区内,进水管插入第一混合反应区I进水口,第一混合反应区I与第二混合反应区II用隔板隔开,隔板有孔,靠池下预留孔洞相连接,第二反应区II与高效沉淀区III通过池顶溢流渠连接,污水从斜板上部溢流入沉淀分离池,与直接进入反应池药剂充分混合后通过池下预留孔流入反应池,再通过溢流渠进入沉淀分离池,处理后的水通过出水管排出。

标签:
废水处理
辽宁 - 沈阳 来源:中冶有色网 2023-03-19
废水生物处理装置
废水生物处理装置 754     
 0

本实用新型公开了一种废水生物处理装置,包括依次连通的原水储水池、厌氧池、缺氧池、中心储水池、好氧池、沉淀池和出水槽,所述沉淀池的内侧左端固接有金属滤网,所述金属滤网的外侧设有斜板,所述沉淀池的内侧底端左右两侧分别固接有第一隔板和第二隔板。该废水生物处理装置,通过金属滤网、斜板和第一隔板的配合,废液通过进水管道进入至沉淀池内后冲至金属滤网上,通过金属滤网对污水中的较大杂质进行过滤阻隔,使杂质滞留于金属滤网上,经过金属滤网过滤后的污水流至斜板的内壁上通过斜面向下流动,延沉淀池下流,减缓污水下落时的冲击力,避免造成过大的水流波动,增加污泥沉淀腔内污泥的沉淀效果。

标签:
废水处理
辽宁 - 沈阳 来源:中冶有色网 2023-03-19
电化学联合光催化法处理苯酚废水系统

本实用新型提供一种电化学联合光催化法处理苯酚废水系统,包括通过管路连通的电化学催化装置和光催化装置,电化学催化装置包括多个通过管路并联的电化学催化单元,电化学催化单元包括套设的第一圆柱腔体和第二圆柱腔体,第一圆柱腔体内设置有阳极板和阴极板;第一圆柱腔体的侧壁上设置有多个通孔,通孔的内径小于催化剂外径,第二圆柱腔体侧壁的上部和下部分别设置有第一进水口和第一出水口;光催化装置的反应腔内侧的顶部设置有紫外光源,反应腔侧壁的上端设置有第二进水口,反应腔侧壁的下端设置有第二出水口,第一出水口通过管路与第二进水口连接。本实用新型能有效处理废水中的苯酚,且该系统节能、无毒,符合绿色化学的发展趋势。

标签:
废水处理
辽宁 - 沈阳 来源:中冶有色网 2023-03-19
处理含NaCl废水的方法
处理含NaCl废水的方法 1127     
 0

一种处理含NaCl废水的方法,涉及一种对氯化废盐废渣的综合治理方法,包括以下过程:将氯化废熔盐制成凹槽,然后将高浓度的NaCl水溶液注入氯化废熔盐的凹槽内,析出固体NaCl;将氯化废熔盐制成凹槽的方法在氯化废熔盐出炉冷却过程中制成,或利用冷却后的废熔盐人工制成;NaCl废水包括处理氯化收尘渣所形成的NaCl水溶液;处理氯化废熔盐所形成的NaCl水溶液;处理沸腾氯化渣所形成的NaCl水溶液。本发明可解决长期困扰氯化法制备TiCl4存在的废盐、废渣在出炉过程中污染环境的难题,特别是处理高浓度NaCl水溶液的难题,大大降低处理氯化废料的成本。

标签:
废水处理
辽宁 - 沈阳 来源:中冶有色网 2023-03-19
上一页 12 13 14 15 16 ... 27 下一页
共27页    到第

中冶有色为您提供最新的辽宁沈阳有色金属废水处理技术理论与应用信息,涵盖发明专利、权利要求、说明书、技术领域、背景技术、实用新型内容及具体实施方式等有色技术内容。打造最具专业性的有色金属技术理论与应用平台!

全国热门有色金属设备推荐
展开更多 +
全国热门有色金属技术推荐
展开更多 +

 

江西省隆恩特环保设备有限公司
宣传

报名参会
更多+

报告下载

有色专家
更多+

矿冶科技集团有限公司
所长/研究员级高工
江西理工大学
教授
矿冶科技集团有限公司工程公司
副总经理
北京科技大学
副院长/教授
国家钨与稀土产品质量检验检测中心
主任
赤泥综合利用研究报告2025
推广

热门技术
更多+

推荐企业
更多+

福建省金龙稀土股份有限公司
宣传

发布

在线客服

公众号

电话

顶部
咨询电话:
010-88793500-807