青岛垚鑫智能科技有限公司
宣传

位置:中冶有色 >

有色技术频道 >

> 加工技术

分类:
全部
矿山技术
冶金技术
材料制备及加工技术
环境保护技术
分析检测技术
 
全部
功能材料技术
复合材料技术
新能源材料技术
合金材料技术
加工技术
地区:
全部
北京
天津
上海
重庆
河北
山西
辽宁
吉林
黑龙江
江苏
浙江
安徽
福建
江西
山东
河南
湖北
湖南
广东
海南
四川
贵州
云南
陕西
甘肃
青海
内蒙
广西
西藏
宁夏
新疆
其他
其他
展开
 
全部
南京
无锡
徐州
常州
苏州
南通
连云港
淮安
盐城
扬州
镇江
泰州
宿迁

江苏无锡有色金属加工技术理论与应用

免费发布技术信息>>
正极补锂材料及其制备方法和应用

本发明提供了一种正极补锂材料及其制备方法和应用,所述正极补锂材料包括Li2‑xNi1‑yMyO2和包覆于Li2‑xNi1‑yMyO2表面的MemOn包覆层;其中所述M包括Cu、Fe或V中的任意一种或至少两种的组合,所述Me包括Ti、Al、Zr或B中的任意一种或至少两种的组合,本发明采用低成本金属元素进行前驱体共沉淀掺杂,在降低成本的同时,替代一部分Ni2+,降低锂镍混排,并且在电芯循环过程中稳定结构,降低释氧量,在Li2‑xNi1‑yMyO2表面包覆MemOn包覆层,大大降低成品残锂量,改善加工及产气性能,同时可以抑制过渡金属镍,铜,铁的溶出沉积阳极破坏SEI膜,从而改善循环。

标签:
加工技术
江苏 - 无锡 来源:中冶有色网 2023-03-18
锂电池保护后充电唤醒电路及其使用方法

本发明涉及电路设计技术领域,尤其为一种锂电池保护后充电唤醒电路及其使用方法,包括锂电池、锂电池充电器、用于监控电芯状态的保护板控制电路以及用于在保护部分出现关断放电MOS的情况下开启放电MOS的充电电流检测电路。本发明在出现放电MOS关断后,开启放电MOS,使保护板对外放电,激活锂电池充电器,解决保护板在过放、过流、短路或上电的时候接上充电器能够充电,定时电路使用在保护板,采用的硬件分立器件搭的定时电路。成本对于软件低很多,使用操作方便,本发明保护的是定时电路在锂电池保护板的应用,制造成本,减少锂电池的待机功耗,间歇性开启降低功耗低。

标签:
加工技术
江苏 - 无锡 来源:中冶有色网 2023-03-18
高温循环性能优异的电解液及含该电解液的锂离子电池

本发明涉及一种高温循环性能优异的电解液及含该电解液的锂离子电池,包括锂盐、溶剂和添加剂,其特征在于:所述锂盐为六氟磷酸锂、双(氟磺酰)亚胺锂,四氰基硼酸锂的混合物;所述溶剂为碳酸乙烯酯、碳酸二乙酯、碳酸甲乙酯的混合物;所述添加剂为六甲基二硅亚胺与碳酸亚乙烯酯的混合物。其中,六甲基二硅亚胺对电解液的稳定作用,可明显提升高温循环性能。本发明的高温循环性能优异的电解液能有效改善电池的高温循环性能。

标签:
加工技术
江苏 - 无锡 来源:中冶有色网 2023-03-18
双开关控制的锂电扳手
双开关控制的锂电扳手 1185     
 0

本发明公开一种双开关控制的锂电扳手,属于铁路扳手技术领域。所述双开关控制的锂电扳手包括主机壳,主机壳内设有电机组件和冲击传动组件,冲击传动组件位于电机组件的底部;所述双开关控制的锂电扳手还包括锂电池组件和手柄,锂电池组件固定设在主机壳的顶部,为电机组件提供动力;手柄通过连接杆与锂电池组件固定连接;手柄上设有双开关组件,双开关组件包括分别设在手柄两侧的两个开关组件,两个开关组件用于单独控制电机组件,分别实现冲击传动组件正、反转,从而实现对螺栓的拧紧和旋松两种功能。两个开关组件分别设在手柄两侧,能够实现两只手分别单独控制对螺栓的松、紧,相比于单手操作,减小了工作强度。

标签:
加工技术
江苏 - 无锡 来源:中冶有色网 2023-03-18
镍钴锰酸锂梯度正极材料及其制备方法

本发明公开了一种镍钴锰酸锂梯度正极材料及其制备方法。该制备方法,包括以下步骤:获得镍钴锰酸锂梯度正极材料前驱体;其中,镍钴锰酸锂梯度正极材料前驱体中的镍含量从内核至外壳梯度下降,钴和锰含量从内核至外壳梯度上升;将镍钴锰酸锂梯度正极材料前驱体和锂源混合均匀后进行梯度煅烧,获得镍钴锰酸锂梯度正极材料;其中,梯度煅烧的过程包括:控制煅烧温度使煅烧温度梯度下降。本发明通过温度梯度煅烧使核壳处于各自的最佳烧结条件以避免烧结过程中出现核壳成分和结构差异导致核壳在循环过程中出现不同程度的收缩并逐渐分离,从而有效提高材料的长期循环性能。

标签:
加工技术
江苏 - 无锡 来源:中冶有色网 2023-03-18
预锂化硅碳负极片及其制备方法与应用

本发明提供了一种预锂化硅碳负极片及其制备方法与应用,所述预锂化硅碳负极片为夹心结构,夹心结构中锂金属层设置在活性材料层和集流体层之间。制备方法包括:含锂浆料涂覆在集流体层表面,一次烘干,实现集流体层表面的锂金属层涂覆;活性浆料涂覆在锂金属层表面,二次烘干,实现锂金属层表面的活性材料层涂覆。本发明提供的预锂化硅碳负极片,能避免活性锂金属层与外部环境的直接接触,避免出现集流体层和活性材料层失去电接触现象,同时降低了预锂化硅碳负极片在后续加工中对操作环境的要求;本发明提供的预锂化方法,采用连续涂布的方式,其预锂化程度可控,工艺流程简单,生产效率高且适合大规模生产。

标签:
加工技术
江苏 - 无锡 来源:中冶有色网 2023-03-18
锂电池供电人体感应太阳能照明系统

本实用新型公开了人体感应太阳能照明系统技术领域的一种锂电池供电人体感应太阳能照明系统,且所述光伏板电性输出连接充电模块,所述充电模块电性输出连接单串多并锂电池电源模块,所述单串多并锂电池电源模块电性输出连接人体感应模块,所述人体感应模块电性输出连接升压恒流模块,且所述升压恒流模块电性输出连接光源负载,且所述光源负载上装配照明灯壳体;照明系统的电路结构是基于型号为FT61F022A的MCU控制软硬件结合的锂电池驱动LED的控制电路,能够自动调整光源亮度,同时能够实现锂电池的充放电管理,即实现电池的过充过放保护,锂电池直接恒定电流驱动LED光源板,低功耗的待机模式以节省电池电量。

标签:
加工技术
江苏 - 无锡 来源:中冶有色网 2023-03-18
锂离子电池供电调温湿饲养黄粉虫喂蝙蝠消灭蚊子的工厂

本实用新型涉及锂离子电池供电调温湿饲养黄粉虫喂蝙蝠消灭蚊子的工厂,属于卫生防疫技术领域。在锂离子电池供电调温湿喂蝙蝠消灭蚊子的工厂的上部安装锂离子电池供电车间,在锂离子电池供电车间内,锂离子电池通过导电线与分流器连接,电流从锂离子电池输出后、接着从分流器输出的电流通过各自的导电线分别向黄粉虫大幼虫饲养车间、黄粉虫小幼虫饲养车间、大食虫蝙蝠饲养车间、食虫蝙蝠哺乳车间、小食虫蝙蝠饲养车间内的全部照明装置、调温装置、调湿装置供电,充分利用农村和城市的有机废弃物低成本饲养黄粉虫、接着用低价黄粉虫喂养和繁殖蝙蝠,放飞一部分蝙蝠到野外去低成本、公益性消灭蚊子、保护人类,同时加工黄粉虫和蝙蝠作为经济收入。

标签:
加工技术
江苏 - 无锡 来源:中冶有色网 2023-03-18
上下组合型溴化锂吸收式冷/热水机组-冷却塔一体机

本实用新型涉及一种上下组合型溴化锂吸收式冷/热水机组-冷却塔一体机,属制冷设备技术领域。其特征在于它包括:冷却塔(1)、溴化锂吸收式冷水、冷热水机组(2)、冷却水泵(3)和冷却水管(4),所述的冷却塔(1)叠置在溴化锂吸收式冷水、冷热水机组(2)的顶部;冷却塔(1)底部的集水盘(1.1)与冷却水管(4)一端相连,冷却水管(4)的另一端与冷却水泵(3)相连,冷却水泵(3)与溴化锂吸收式冷水、冷热水机组(2)的吸收器和冷凝器的换热管束进口相连通,溴化锂吸收式冷水、冷热水机组(2)的吸收器和冷凝器的换热管束的出口则与冷却塔(1)顶部进水口相连通,形成一个冷却水循环回路,由此构成一个完整的溴化锂吸收式冷/热水机组-冷却塔一体机。

标签:
加工技术
江苏 - 无锡 来源:中冶有色网 2023-03-18
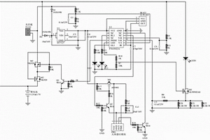
集成锂电池充放电管理及延时功能的驱动芯片

本实用新型公开了一种集成锂电池充放电管理及延时功能的驱动芯片,包括锂电池充放电管理和驱动芯片本体,所述锂电池充放电管理包括有锂电池充电管理模块,所述锂电池充电管理模块包括有预充电、恒流充电、恒压充电,并设置再充电阈值,所述锂电池充放电管理包括有锂电池放电管理模块,且锂电池放电管理模块包含短路保护、过流保护、欠压保护、过温保护,以及恒流驱动输出,所述锂电池充放电管理提供有2个逻辑输入端口,其中一个为Enable使能端口,用于电源控制或全局使能,另一个是Key按键功能。本实用新型中的驱动芯片可提供更快更可靠的过流、短路保护,提供更安全、更稳定的锂电池充电管理。

标签:
加工技术
江苏 - 无锡 来源:中冶有色网 2023-03-18
基于声学测量的锂离子电池循环寿命预测方法

本发明公开了一种基于声学测量的锂离子电池循环寿命预测方法,其包括以下步骤:(1)对锂离子电池进行充放电循环,在锂离子电池充电或放电的同时,或在充、放电的间歇期,对锂离子电池进行超声扫描获取超声透射率并制作超声透射扫描图像;(2)将超声透射扫描图像上的超声透射率≤K且面积≥A的区域所对应的循环圈数定义为声稳定寿命;(3)待测的锂离子电池的预测循环寿命=待测的锂离子电池的声稳定寿命×寿命倍率Sc,寿命倍率Sc为与待测的锂离子电池同体系的锂离子电池的真实循环寿命除以该锂离子电池的声稳定寿命。本发明利用声稳定寿命与锂离子电池的循环寿命的倍率关系,可以大大缩短锂离子电池循环寿命预测所需时间。

标签:
加工技术
江苏 - 无锡 来源:中冶有色网 2023-03-18
立式单锂电扳手
立式单锂电扳手 983     
 0

本发明公开一种立式单锂电扳手,属于铁路扳手技术领域。所述立式单锂电扳手包括主机壳和手柄,主机壳内设有电机组件和冲击传动组件,且冲击传动组件位于电机组件的底部;所述立式单锂电扳手还包括锂电池组件,所述锂电池组件包括电池包座和锂电池包,所述锂电池包通过滑动副和锁定机构可拆卸地安装在所述电池包座内。本发明提供的一种立式单锂电扳手,使用锂电池包作为动力源,清洁、环保、无噪音,且不需要另外配备发电车,使用方便;所述锂电池包通过滑动副和锁定机构可拆卸地安装在所述电池包座内,便于拆卸和安装,提高了可操作性。

标签:
加工技术
江苏 - 无锡 来源:中冶有色网 2023-03-18
阴阳离子混合掺杂的镍钴铝酸锂正极材料及其制备方法

本发明适用于锂电池技术领域,提供一种阴阳离子混合掺杂的镍钴铝酸锂正极材料及其制备方法,本发明方法首先采用喷撒小苏打溶液和F溶液的预烧方法,将镍钴铝酸锂NCA前驱体预烧成多孔蜂窝状的类球形的预烧前驱体,然后将Mg、Nb源按比例配置成溶液,与预烧前驱体在水系条件下混合后,Mg、Nb溶液通过蜂窝状的孔洞有效的导入到正极材料基材内部中,再在使用高混机混料补锂时喷洒F离子调节剂溶液,使得物料充分混合均匀,最后高温烧结,使得成品结晶,得到阴阳离子混合掺杂型镍钴铝酸锂正极材料;该正极材料中,Nb4+可以减少阳离子混排,Mg3+可以减少极化,增强电化学性能,因此Mg3+/Nb4+在充电过程不发生电化学反应,不发生价态变化,可以起到稳定晶型结构的作用,而通过F这种负离子掺杂可以固氧,减少氧析出,稳定材料结构,提高循环能力。

标签:
加工技术
江苏 - 无锡 来源:中冶有色网 2023-03-18
锂离子电池船拖拉铜铟镓硒薄膜太阳能电池水面漂浮电站

本实用新型涉及锂离子电池船拖拉铜铟镓硒薄膜太阳能电池水面漂浮电站,属于新能源应用技术领域。用锂离子电池动力牵引船拖拉安装有铜铟镓硒薄膜太阳能电池和水平轴式风力发电机的水面漂浮电站行驶在水面上。太阳光照射铜铟镓硒薄膜太阳能电池产生的电流通过导电线、光伏控制器输入汇流箱、风力吹动水平轴式风力发电机产生的电流通过导电线、风电控制器输入汇流箱,光伏电流和风电在汇流箱中汇合,从汇流箱输出的电流通过导电线、充电装置输入蓄电锂离子电池,蓄电锂离子电池输出的电流分别向前方的通信基站塔、通信基站天线和后方的动力锂离子电池、电动机供电,从蓄电锂离子电池输出的更多电流通过导电线分别向陆上用电户和水上用电户供电。

标签:
加工技术
江苏 - 无锡 来源:中冶有色网 2023-03-18
带有吸收溶液调控防冻装置的溴化锂吸收式制冷机

本实用新型涉及一种带有吸收溶液调控防冻装置的溴化锂吸收式制冷机,包括发生器(1)、蒸发器(10)、吸收器(6)、冷凝器(9)、热交换器(3)、溶液泵(16)、冷剂泵(15)、控制系统及连接各部件的管路、阀,所述的溴化锂吸收式制冷机为直燃型溴化锂吸收式冷水、冷热水机组或蒸汽双效型溴化锂吸收式冷水机组、蒸汽单效型溴化锂吸收式冷水机组、热水单效型溴化锂吸收式冷水机组,其特点是在吸收器(6)进液管(5)上设置电动阀(8)。构成防冻装置。电动阀关闭时按调节控制要求减少或切断进入吸收器换热管束顶部的吸收溶液,使高温浓溶液经融晶管进入吸收器。使机组的冷水出口温度和冷剂水温度迅速停止下降并回升,从而达到在任何运行条件下都能防止机组结冰冻管的安全运行控制目的。

标签:
加工技术
江苏 - 无锡 来源:中冶有色网 2023-03-18
碳包覆磷酸锰铁锂正极材料的制备方法

本发明涉及一种碳包覆磷酸锰铁锂正极材料的制备方法,首先将按Mn和Fe摩尔比配置过渡金属盐溶液A、磷溶液B和氨水溶液C同时滴加到反应釜中,制成磷酸锰铁锂正极材料前驱体;后前驱体按照摩尔比配锂源,并加入包覆碳源和掺杂金属化合物,惰性气氛保护下煅烧得到碳包覆磷酸锰铁锂正极材料。本发明一种碳包覆磷酸锰铁锂正极材料的制备方法有效减少杂质相的形成,极大地抑制了反应中可能产生的氧化现象;其采用导电碳包覆和离子掺杂对材料进行改性,提高了材料的电子导电率,减弱Mn3+的Jahn‑Teller效应,改善材料的循环稳定性,极大地促进碳包覆磷酸锰铁锂正极材料的实际应用。

标签:
加工技术
江苏 - 无锡 来源:中冶有色网 2023-03-18
高电压高压实低成本钴酸锂正极材料及其制备方法

本发明适用于锂电池正极材料领域,提供一种高电压高压实低成本钴酸锂正极材料及其制备方法,该方法首先制备添加剂A掺杂的大粒径钴酸锂正极材料,然后制备添加剂B掺杂的小粒径镍钴锰三元正极材料,然后将大粒径钴酸锂和小粒径镍钴锰三元正极材料的不同质量比混合,可以充分提高材料的压实密度,降低正极材料的成本,最后与含有硫化铟的包覆剂C进行烧结粉碎,得到最终的成品钴酸锂正极材料。通过掺杂In3+可以确保钴酸锂在高电压状态下的结构稳定性,提高材料的循环寿命及安全性能。 1

标签:
加工技术
江苏 - 无锡 来源:中冶有色网 2023-03-18
锂电池平板夯
锂电池平板夯 735     
 0

本实用新型公开了一种锂电池平板夯,包括平板夯本体,所述平板夯本体底部设有夯板体,所述夯板体上端固定安装有动力装置,所述动力装置后方上端固定安装入锂电池箱,所述锂电池箱立于所述夯板体上设置,所述锂电池箱内的锂电池装置与所述动力装置连接,所述锂电池箱上设有充放电插口,所述锂电池箱后端还连接安装有扶杆装置,所述扶杆装置上安装有开关体。通过上述方式,本实用新型能够通过安装锂电池装置来压缩平板夯空间且提供平稳动力输出,锂电池箱空间小安全性高,且本实用新型在锂电池箱和动力装置间设置了扭梁杆来加固。

标签:
加工技术
江苏 - 无锡 来源:中冶有色网 2023-03-18
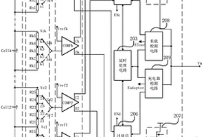
锂电池组保护电路
锂电池组保护电路 891     
 0

本实用新型涉及一种锂电池组保护电路,所述锂电池组由多节锂电池串联而成;所述保护电路包括:电阻链电路,与所述锂电池组连接,用于对每节锂电池进行电压取样;所述电阻链电路包括电阻链、过充电子迟滞切换开关和过放电子迟滞切换开关,所述过充电子迟滞切换开关和过放电子迟滞切换开关均与所述电阻链连接以进行迟滞切换;电压检测比较电路,与所述电阻链电路连接,用于将每节锂电池的取样电压与过充电压阈值和过放电压阈值进行比较,判断是否达到过充或过放状态。本实用新型提出的锂电池组保护电路对每节锂电池单独取样,并可以将每节锂电池的取样电压与电压基准进行比较,对每节锂电池的过充、过放进行精准控制。

标签:
加工技术
江苏 - 无锡 来源:中冶有色网 2023-03-18
锂电池气氛炉用排水收集池

本实用新型涉及锂电池气氛炉技术领域,且公开了一种锂电池气氛炉用排水收集池,包括锂电池气氛炉本体,所述锂电池气氛炉本体的底部固定安装有炉体支撑腿,所述锂电池气氛炉本体的底部设置有固定连接在炉体支撑腿一端的支撑底板。该锂电池气氛炉用排水收集池,能够充分且有效地收集锂电池气氛炉工作时产生的液体,收集操作简便,结构合理性得到增强,排水效果好,减少出现锂电池气氛炉本体炉体内产生大量的强碱而腐蚀炉体内壁的情况,锂电池气氛炉本体的使用效果和使用寿命在一定程度上得到提升,另外,也能在一定程度上对水进行过滤净化处理,降低污染程度,实用性显著增强,使用者用于收集锂电池气氛炉本体内部液体的使用需求能够得到满足。

标签:
加工技术
江苏 - 无锡 来源:中冶有色网 2023-03-18
检测锂离子电池荷电状态的方法和装置

本发明公开了一种检测锂离子电池荷电状态的方法和装置,属于锂电池领域,对待检测的锂离子电池施加超声脉冲信号,以产生能够穿透锂离子电池的超声波,在施加超声脉冲信号的一侧收集穿过待检测电池后又被反射回来的超声信号,与此同时,在施加超声脉冲信号的相对一侧收集透射过待检测电池的超声信号,通过对穿透待检测电池的透射超声信号和被反射回来的反射超声信号进行全面收集,最大可能的采集携带待检测电池荷电状态的超声信号,对超声信号进行处理,实现对锂电池荷电状态的检测。本发明还公开其测量装置。本发明方法和装置能十分准确并且方便地检测锂离子电池荷电状态。

标签:
加工技术
江苏 - 无锡 来源:中冶有色网 2023-03-18
锂离子电池用氧化锌纳米纤维负极材料的制备方法

一种锂离子电池用氧化锌纳米纤维负极材料及制备方法,属于高分子材料和化学电源技术领域。本发明材料是一种锂离子电池用氧化锌纳米纤维材料,具有较大的比表面积。本发明方法首先利用静电纺丝技术制备出复合纳米纤维,然后经过高温煅烧得到氧化锌纳米纤维。本发明制备工艺简单易控制,生产成本低。本发明材料作为锂离子电池负极电极材料,克服了其他方法制备的氧化锌纳米棒作为锂离子电池负极材料时首次循环效率低、循环稳定性和快速充放电能力差等缺点,提供了一种锂离子电池用氧化锌纳米纤维负极材料及制备方法,该材料具有较高的初始放电容量和循环稳定性,提高了负极材料的高功率特性和快速充放电能力,比较适用于电动车用锂离子动力电池的发展要求。

标签:
加工技术
江苏 - 无锡 来源:中冶有色网 2023-03-18
锂离子电池新能源应用在抛秧机上的动力装置

本发明涉及一种锂离子电池新能源应用在抛秧机上的动力装置,属于新能源应用技术领域。由锂离子电池充放电系统替换柴油发动机向抛秧机提供所需要的全部动力。从锂离子电池输出的电流通过导电线输入电动机、将电能转换成机械能,机械能通过传动带的传送来带动后部的传动轮的转动,后部的传动轮的转动通过一根传动带来带动前部的传动轮的转动,前部的传动轮通过两根传动带分别带动水田行走轮和抛秧装置的运动;四只水田行走轮的转动承载着抛秧机在水田中行驶,前部传动轮带动抛秧装置的运动,使抛秧装置按照抛秧的技术要求完成抛秧作业。

标签:
加工技术
江苏 - 无锡 来源:中冶有色网 2023-03-18
锂电池喷涂机的风干装置

本实用新型提供一种锂电池喷涂机的风干装置,其涉及锂电池喷涂机的加工辅助设备领域,旨在解决现有锂电池喷涂机中未设置锂电池表面风干装置,已完成喷涂的锂电池未经充分风干后被收集储存,大量锂电池堆砌在一起,易导致锂电池表面喷码模糊,影响锂电池喷涂质量的问题。包括有机柜、链条、支撑架以及印染机构,所述支撑架安装设置在机柜上,所述支撑架对称分布在链条的两侧,通过电源向风扇供电,风扇向喷涂后的锂电池供风,使得锂电池表面的喷涂标记被风干,相比常规未设置风干装置的锂电池喷涂机,锂电池的喷涂质量大大提高,保证锂电池的加工精度。

标签:
加工技术
江苏 - 无锡 来源:中冶有色网 2023-03-18
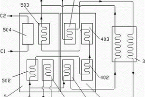
补燃型溴化锂吸收式换热系统

本发明涉及一种补燃型溴化锂吸收式换热系统,包括一次网热水管路系统(1)、二次网热水管路系统(2)、换热器(3)、热水型溴化锂吸收式机组(4)和直燃型溴化锂吸收式机组(5),出一次网热水管路系统(1)的一次网热水先进入热水型溴化锂吸收式机组(4)的发生器(404),再进入换热器(3),再进入直燃型溴化锂吸收式机组(5)的蒸发器(501);出二次网热水管路系统(2)的热水回水并联分成两路,一路先流经热水型溴化锂吸收式机组(4)的蒸发器(401),再进入换热器(3),另一路则并联或任意顺序串联、串并联的形式流经吸收器(402)、冷凝器(403)和吸收器(502)、冷凝器(503)。本系统能实现增加一次网热水有效利用温差及承担供热管网尖峰负荷的目的。

标签:
加工技术
江苏 - 无锡 来源:中冶有色网 2023-03-18
高品质的锂电正极材料烧结加工工艺以及加工系统

本发明公开了一种高品质的锂电池正极材料烧结加工工艺以及加工系统,加工工艺步骤为:第一步骤:初步的匣钵压制成型,先将匣钵粉料放入压制机的成型腔中,之后通过压制机上的模具将匣钵粉料压制呈具有初步形状的容器结构;之后通过转运装置将初步成型的匣钵转运至加工设备位置进行加工;第二步骤:匣钵加工,初步成型的匣钵通过加工设备在匣钵上开设孔径以及加工需要固定的结构,加工完成后将锂电正极材料放入匣钵内;第三步骤:锂电烧结,将装有锂电正极材料的匣钵放入辊道燃烧炉内进行烧结,之后进行冷气降温处理。本发明提供一种高品质的锂电正极材料烧结加工工艺以及加工系统能有烧结出具有高性能的锂电正极材料的效果。

标签:
加工技术
江苏 - 无锡 来源:中冶有色网 2023-03-18
碳基材料及其在锂离子电池中的应用

本发明公开了一种碳基材料及其在锂离子电池中的应用,属于材料领域。本发明以废弃涤纶面料为原料,经过磺化、碳化制备得到碳基材料,再将碳基材料作为锂离子电池的碳负极材料,不仅解决了废弃物污染的问题,实现了回收再利用,同时也为锂离子电池负极材料多样化提供了一条途径;采用本发明制备得到的碳锂电池,首次充放电比容量可达到437mAh/g,略高于碳锂电池的标准比容量(372mAh/g),第2周的比容量衰减到255mAh/g,容量损失率为41.65%,第50周电池比容量基本维持在220mAh/g,结合循环伏安测试,碳锂电池的循环性能较好。

标签:
加工技术
江苏 - 无锡 来源:中冶有色网 2023-03-18
锂电池充电插座
锂电池充电插座 895     
 0

本实用新型涉及插座技术领域,尤其是一种锂电池充电插座,其中锁扣机构布置在壳体中,浮板通过弹簧一可回弹移动式安装在壳体中,壳体中固定用于和锂电池的插口一相配的插头,壳体外壁中镶嵌用于和电源线连接的插口二,插头和插口二通过导线连接,浮板中开设避让孔,当将锂电池放置在浮板上并向下按压锂电池时,依次实现浮板的下移运动、插头自浮板的避让孔中凸出并和锂电池的插口一相插接配合、锁扣机构将浮板的位置锁定;当控制锁扣机构对浮板进行解锁时,浮板通过弹簧一实现向上的回弹移动至插头隐藏在浮板的避让孔中,当需要对锂电池充电时,将锂电池从电动车中拿出,放置在插座上充电即可,使用较为方便。

标签:
加工技术
江苏 - 无锡 来源:中冶有色网 2023-03-18
低温锂离子电池电解液及其制备方法

本发明公开了一种低温锂离子电池电解液及其制备方法,其由以下质量百分比的原料组成:82~87%的非水有机溶剂、11~14%的锂盐、1~5%的耐低温助剂;所述的非水有机溶剂为碳酸丙烯酯、亚硫酸二甲酯和亚硫酸丙烯酯的混合,其质量份比为1:2:1;所述的锂盐为二氟草酸硼酸锂(LiODFB)和二草酸硼酸锂(LiBOB) ,其摩尔比为25~40:75~60;所述的耐低温助剂为亚硫酸乙烯酯和链状羧酸酯,其质量份比为1:2~4。本发明获得的低温锂离子电池电解液在电池的工作电压范围内电化学稳定性较好,含有该电解液的锂离子电池在低温下放电平台和放电容量均得到有效提高,拓宽了电池的低温应用范围。

标签:
加工技术
江苏 - 无锡 来源:中冶有色网 2023-03-18
高能量密度锂离子二次电池

本发明公开了一种高能量密度锂离子二次电池,由正极极片、负极极片、隔膜、电解液、外壳和电极引出端构成。该电池中含有化学式为Li2TixMyO3的具有电化学活性的掺杂偏钛酸锂,其中,0.5

标签:
加工技术
江苏 - 无锡 来源:中冶有色网 2023-03-18
上一页 141 142 143 144 145 ... 148 下一页
共148页    到第

中冶有色为您提供最新的江苏无锡有色金属加工技术理论与应用信息,涵盖发明专利、权利要求、说明书、技术领域、背景技术、实用新型内容及具体实施方式等有色技术内容。打造最具专业性的有色金属技术理论与应用平台!

全国热门有色金属设备推荐
展开更多 +
全国热门有色金属技术推荐
展开更多 +

 

江西省隆恩特环保设备有限公司
宣传

报名参会
更多+

报告下载

有色专家
更多+

昆明理工大学
校长
赣州江钨钨合金有限公司
工程师
任灵宝金源矿业股份有限公司
技术发展部经理
重庆理工大学
教授
武汉科技大学
院长 / 教授
赤泥综合利用研究报告2025
推广

热门技术
更多+

推荐企业
更多+

福建省金龙稀土股份有限公司
宣传

发布

在线客服

公众号

电话

顶部
咨询电话:
010-88793500-807