青岛垚鑫智能科技有限公司
宣传

位置:北方有色 >

有色技术频道 >

> 加工技术

分类:
全部
矿山技术
冶金技术
材料制备及加工技术
环境保护技术
分析检测技术
 
全部
功能材料技术
复合材料技术
新能源材料技术
合金材料技术
加工技术
地区:
全部
北京
天津
上海
重庆
河北
山西
辽宁
吉林
黑龙江
江苏
浙江
安徽
福建
江西
山东
河南
湖北
湖南
广东
海南
四川
贵州
云南
陕西
甘肃
青海
内蒙
广西
西藏
宁夏
新疆
其他
其他
展开
 
全部
南京
无锡
徐州
常州
苏州
南通
连云港
淮安
盐城
扬州
镇江
泰州
宿迁

江苏常州有色金属加工技术理论与应用

免费发布技术信息>>
高耐热、高机械强度的锂离子电池隔膜及其制备方法

本发明公开了一种高耐热、高机械强度的锂离子电池隔膜及其制备方法;本发明首先制备了中空结构的TiO2纳米管,利用其中空性质,提升了锂离子电池的锂离子电导率,并利用其空间形状,相互交联,从而形成交联网络,在起到固定PVDF粉体防脱落的同时进一步提高了隔膜的耐穿刺性能,同时为了进一步提高TiO2纳米管的分散性与相容性,本发明又在其表面进一步接枝了甲基丙烯酸甲酯,改善表面极性,提高相容性与分散性。本发明制备的锂离子电池隔膜强度高,耐穿刺性能好,且大幅提高了隔膜对极片的粘结性和电解液浸润性,同时该发明还极大地改善了前期涂覆及后期电芯制作过程中PVDF涂层脱粉问题,在锂离子电池领域具有广阔的应用前景。

标签:
加工技术
江苏 - 常州 来源:北方有色网 2023-03-18
锂电池导电浆料及其制备方法

本发明属于锂电池技术领域,具体涉及一种利用石墨烯作为分散碳纳米管的分散剂的锂电池导电浆料及其制备方法。所述锂电池导电浆料包括石墨烯、碳纳米管和溶剂,所述石墨烯和所述碳纳米管为经过助剂处理后得到。制备方法:将石墨烯、碳纳米管、助剂和溶剂搅拌至混合均匀,然后进行机械力化学的方式进行分散,分散均匀后采用离心和透析的方式去除助剂,再加入溶剂进行重新分散,得到锂电池导电浆料。本发明的锂电池导电浆料中的石墨烯既作为碳纳米管的分散剂,代替了传统表面活性剂SDS,SDBS,PVP等作为分散剂,又作为导电浆料的导电相,大大的提高了导电浆料的导电性能和稳定性。

标签:
加工技术
江苏 - 常州 来源:北方有色网 2023-03-18
改性磷酸铁锂材料及其制备方法和应用

本发明提供了一种改性磷酸铁锂材料及其制备方法和应用,所述制备方法包括以下步骤:(1)将磷酸铁、锂源和掺杂剂混合,经研磨处理得到混合材料;(2)对步骤(1)得到的混合材料进行喷雾干燥,经煅烧处理后得到所述改性磷酸铁锂材料;其中,步骤(1)所述磷酸铁的晶胞体积V和晶胞参数a满足关系式C=V/a‑49,C为0.01~0.1,本发明在磷酸铁锂制备过程中通过控制磷酸铁的晶胞参数和晶胞体积,可以提高材料导电性,提高锂离子快速的扩散途径和从离子内部到表面的有效传输路径,进而提高材料的容量和倍率性能。

标签:
加工技术
江苏 - 常州 来源:北方有色网 2023-03-18
复合金属锂负极的制备方法

本发明提供了一种复合金属锂负极的制备方法,具体方法是:用聚合物胶黏剂将无机材料粘接到一起形成片层状的夹带,然后将该夹带平铺到锂金属的表面,利用冷弯成型技术将锂金属在宽度方向折弯180°,形成锂/夹带/锂的复合结构,然后进行轧制,下压变形量20%~50%,获得经过一次轧制的复合材料,重复该步骤3~20次,获得具备多层结构的复合金属锂负极材料。该方法改善了锂沉积形貌,抑制锂枝晶生长,从而提高电池循环性能和安全性,并且能够实现该复合金属锂负极的工业化连续生产。

标签:
加工技术
江苏 - 常州 来源:北方有色网 2023-03-18
落差式锂电池卷芯
落差式锂电池卷芯 1098     
 0

一种落差式锂电池卷芯,包括正极片、隔膜和负极片,隔膜设置在正极片和负极片之间,三者依次层叠后卷绕成中空筒状体,在正极片、隔膜和负极片的展开平面上设有内凹缺口,在卷绕成型的卷芯端面上设有内凹结构。在卷芯的端面设置内凹结构是为了满足输出电极向内延伸的结构设计需要。这样就能使锂电池的卷芯实际体积最大化,从而提高这类锂电池的能量密度,这种结构的锂电池的能量密度与同类规格同类型特种锂电池增加10%~20%,与同规格的普通锂电池相比,能量密度可提高5%~10%。

标签:
加工技术
江苏 - 常州 来源:北方有色网 2023-03-18
基于超厚硫电极的锂硫电池及其制备方法

本发明公开了一种锂硫电池,特指一种基于超厚硫电极的锂硫电池及其制备方法。其包括硫电极、锂金属电极以及设置在所述的硫电极和锂金属电极之间的隔膜和电解液。其中,所述的硫电极为通过烧结工艺制备的超厚硫电极。本发明还公开了所述超厚硫电极的制备方法,通过以烧结法制备的超厚硫电极代替传统的涂布方法制备的电极,提高单位面积硫的负载量,从而解决了硫电极厚度不够导致锂硫电池能量密度较低及制备工艺繁琐的问题。以本发明的制备方法制得的超厚硫电极机械性能较好,以此超厚硫电极为正极制备的锂硫电池具有生产成本低,能量密度高的特点。

标签:
加工技术
江苏 - 常州 来源:北方有色网 2023-03-18
电动车用锂电池缓冲装置

本实用新型公开了电动车用锂电池缓冲装置,包括装置主体,所述装置主体的一端外表面设置有第一安装板,所述第一安装板的内部表面设置有第一安装孔,所述装置主体的另一端外表面设置有第二安装板,所述第二安装板的内部表面设置有第二安装孔,所述装置主体的内侧表面设置有锂电池,所述锂电池的上端外表面设置有把手,所述锂电池与把手的内部表面设置有固定螺丝,所述固定螺丝的下端外表面设置有活动板,所述活动板的下端外表面设置有缓冲机构。本实用新型所述的电动车用锂电池缓冲装置,可以给装置内侧锂电池缓冲,缓冲效果较好,延长锂电池的使用寿命。

标签:
加工技术
江苏 - 常州 来源:北方有色网 2023-03-18
锂带及其制备方法和用途

本发明提供了一种锂带及其制备方法和用途;所述锂带包括呈网络化结构的聚合物及粘结在所述聚合物表面的锂金属颗粒,其具有较普通锂带更高的机械强度,与电极极片的贴合度高,补锂效率好,能有效改善电池的首效;其制备方法包括将可纤维化聚合物与锂金属颗粒预混,之后在剪切力作用下可纤维化聚合物拉丝形成纤维,之后冷压处理或在惰性气体保护下热压处理至预设厚度,得到所述锂带,上述方法的制备过程中对锂金属颗粒的影响小,减少了锂副产物的生成,且制备过程无需任何溶剂,减少了溶剂的筛选及溶剂回收的繁琐工艺,降低了成本及对环境的污染。

标签:
加工技术
江苏 - 常州 来源:北方有色网 2023-03-18
制备富锂复合正极材料的方法、正极、电池

本发明公开了制备富锂复合正极材料的方法、正极、电池。具体的,本发明提出了一种制备富锂复合正极材料的方法,包括:将包覆层材料加入水中,并进行搅拌,形成第一混合物;在第一混合物中加入富锂材料,搅拌反应,形成第二混合物;对第二混合物进行过滤、干燥以及第一煅烧处理,得到表面包覆所述包覆层材料的富锂材料,得到富锂复合正极材料,其中,包覆层材料溶于水,且包覆层材料中包含锂离子以及氟离子。由此,利用该方法可以简便地在富锂材料的表面包覆含有锂离子以及氟离子的包覆层材料,制得的富锂复合正极材料作为电极时,可以减小正极和电解液的副反应,电极结构稳定,且具有较高的放电比容量,以及良好的倍率性能和循环性能。

标签:
加工技术
江苏 - 常州 来源:北方有色网 2023-03-18
基于磁力轮的锂电粉体输送装置

本实用新型公开了一种基于磁力轮的锂电粉体输送装置,包括磁力输送支架,磁力输送支架由支腿支撑,磁力输送支架的上表面沿锂电粉体输送方向依次布置有若干轮轴,轮轴上安装有输送滚轮,输送滚轮上用于放置装有锂电粉体材料的钵体,轮轴的端部安装有从动磁力轮,磁力输送支架的侧面安装有沿锂电粉体输送方向延伸的磁力轮主动轴,磁力轮主动轴上与从动磁力轮一一对应地安装有若干个主动磁力轮,磁力输送支架上还安装有用于驱动磁力轮主动轴旋转的驱动电机,磁力输送支架的上方设置有输送线加料口。本实用新型可避免传统机械传动产生的铁屑进入锂电池原料的可能,防止了因锂电池内混入铁屑而产生安全隐患。

标签:
加工技术
江苏 - 常州 来源:北方有色网 2023-03-18
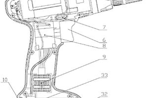
锂电池电钻
锂电池电钻 1171     
 0

本实用新型涉及锂电池电钻,包括两片纵向对合的壳体组成的机壳和设在机壳前端的手紧式钻头夹以及设在机壳底部的充电式锂电池组件,机壳内依次安装有电机和齿轮箱总成,电机的输出轴穿过齿轮箱总成与手紧式钻头夹相连接,机壳的手持部上安装有开关按键和开关拨杆,机壳内安装有与开关按键相连接的开关,开关与开关拨杆相连接,开关拨杆与电机相连接,机壳的手持部内设有散热块,散热块和充电式锂电池组件分别与开关通过导线相连接。本实用新型的锂电池电钻,采用充电式锂电池组件的设计,能够在任何地方都能够使用,不受电源的限制,锂电池的使用寿命长,从而保证了电机的正常使用,安全可靠。

标签:
加工技术
江苏 - 常州 来源:北方有色网 2023-03-18
复合负极材料及其制备方法、负极材料及锂离子电池

本发明提供了一种复合负极材料及其制备方法、负极材料及锂离子电池。该复合负极材料包括缺陷型过渡金属氧化物和钛酸锂,其中,钛酸锂以包覆和/或掺杂的方式与缺陷型过渡金属氧化物复合,缺陷型过渡金属氧化物为二次颗粒,缺陷型过渡金属氧化物中的过渡金属元素选自钨、钇、锡中的任意一种。本申请一方面利用钛酸锂包覆和掺杂于缺陷型过渡金属氧化物使得极大地降低了缺陷型过渡金属氧化物与电解液副反应的几率。另一方面钛酸锂的“零应变性”极大地缓减了电池负极在脱嵌锂离子过程中的体积膨胀效应,从而进一步提高了该复合负极材料的稳定性,进而使得包括该复合负极材料的锂离子电池具有较高的循环后容量保持率。

标签:
加工技术
江苏 - 常州 来源:北方有色网 2023-03-18
锂电池电解液的制备方法

本发明公开了一种锂电池电解液的制备方法,属于电池技术领域。按重量份数计,依次称取20~25份碳酸乙烯酯,20~23份二甲基碳酸酯,20~25份二乙基碳酸酯,15~18份六氟磷酸锂,8~12份改性海泡石,5~10份添加剂,2~4份分散剂和4~6份有机硼酸锂盐,先将碳酸乙烯酯,二甲基碳酸酯和二乙基碳酸酯混合,并加入六氟磷酸锂,搅拌混合后,得坯料,将坯料与改性海泡石混合,并依次加入添加剂,有机硼酸锂盐和分散剂,搅拌混合后,即得锂电池电解液。本发明所得锂电池电解液热稳定性得到了有效提高。

标签:
加工技术
江苏 - 常州 来源:北方有色网 2023-03-18
基于正负极自成卷的柱状结构锂硫电池

本发明涉及锂硫电池,特指基于正负极自成卷的柱状结构锂硫电池。其包括硫电极、锂铝合金电极以及设置在所述的硫电极和锂铝合金电极之间的隔膜和电解液,其特征在于:所述的硫电极和锂铝合金电极采用分别自成卷的方式制备成柱状。本发明通过柱状电极包裹硫粉代替传统的涂布方法制备的电极,提高单位面积硫的负载量,从而解决了硫电极硫负载量不够导致锂硫电池能量密度较低及制备工艺繁琐的问题,以此电极为正极制备的锂硫电池具有生产成本低,能量密度高的特点。

标签:
加工技术
江苏 - 常州 来源:北方有色网 2023-03-18
锂电池充电方法、系统、电子设备、电池管理系统及存储介质

本发明提供一种锂电池充电方法、系统、电子设备、电池管理系统及存储介质,属于动力电池技术领域。所述方法包括:对锂电池进行充电,确定所述锂电池的负极当前相对锂离子含量;根据所述锂电池的容量衰减模型和所述负极当前相对锂离子含量,确定负极相对锂离子含量的变化量;通过所述负极相对锂离子含量的变化量修正所述锂电池的SP2D模型中负极相对锂离子含量;执行所述SP2D模型的状态估计调节,通过调节后的SP2D模型限定对所述锂电池进行充电的最大充电电流。本发明用于锂电池快速充电。

标签:
加工技术
江苏 - 常州 来源:北方有色网 2023-03-18
尖晶石型锰氧化物锂离子筛H<sub>1.6</sub>Mn<sub>1.6</sub>O<sub>4</sub>的制备方法

本发明属于锂离子吸附再生领域,具体涉及一种尖晶石型锰氧化物锂离子筛H1.6Mn1.6O4的制备方法。本发明将高锰酸钾与壳聚糖共混,与碱液接触形成微球,结合后续多步晶化过程合成尖晶石型锰氧化物锂离子筛H1.6Mn1.6O4微球,并将其应用于Mg/Li卤水中锂离子的提取。本发明合成的离子筛微球能够选择性的提取卤水中的锂离子,解决了传统工艺提锂效率低,过程复杂的问题,具有显著的经济价值和社会效益。

标签:
加工技术
江苏 - 常州 来源:北方有色网 2023-03-18
双层包覆型硅氧负极材料及其制备方法和具有其的锂离子电池

本申请涉及锂电池材料领域,具体公开了一种双层包覆型硅氧负极材料及其制备方法和具有其的锂离子电池,一种双层包覆型硅氧负极材料包括硅氧内核和包覆层,包覆层包括由内向外依次嵌套包覆的钝化包覆层和碳包覆层,钝化包覆层至少一部分包覆在硅氧内核表面以隔绝硅氧内核与电解质接触,钝化包覆层设有沿其厚度方向贯通的离子孔道结构,以使锂离子在碳包覆层和硅氧内核之间嵌入或脱出。其制备方法的制备步骤包括:S1、硅氧内核制备;S2、钝化包覆层包覆;S3、碳包覆层包覆。本申请的双层包覆型硅氧负极材料可用于锂电池中,有效改善现有硅氧负极材料结构性能不佳,易在使用过程中与电解质接触从而降低了锂电池性能的缺陷。

标签:
加工技术
江苏 - 常州 来源:北方有色网 2023-03-18
耐高温一体化锂电池隔膜及其制备方法、混合涂层

本发明属于锂电池隔膜技术领域,具体涉及一种耐高温一体化锂电池隔膜及其制备方法、混合涂层。其中耐高温一体化锂电池隔膜包括:基材和位于基材表面的混合涂层;其中所述混合涂层与基材形成一体化结构。通过在基材表面涂覆混合涂层,极大的增强了锂电池隔膜的结构一体化,提高了锂电池隔膜的耐高温性能。

标签:
加工技术
江苏 - 常州 来源:北方有色网 2023-03-18
高能量密度锂电池的电极盖板

一种高能量密度锂电池的电极盖板,包括引电圈和连接圈,引电圈为导电体,连接圈与引电圈固定连为一体。所述连接圈既可为非导电材质也可以是导电体,若是非导电材质则在连接圈与电池壳体的连接处设有连接层。若是导电体,则在引电圈和连接圈之间增设分隔圈。锂电池采用这种电极盖板和陶瓷壳体,锂电池的能量密度比普通同规格锂电池高难度10%~20%,是高能量密度锂电池的专用电极盖板。

标签:
加工技术
江苏 - 常州 来源:北方有色网 2023-03-18
通过原位电聚合形成锂电池表面包覆的电解液添加剂的应用

本发明属于锂离子电池技术领域,尤其涉及一种通过原位电聚合形成锂电池表面包覆的电解液添加剂的应用。具体方案为:添加到电解液中的添加剂对氨基苯甲酸(4‑ABA),吸附到电极表面后,在充放电的前几圈中,通过原位电聚合形成表面包裹层。有益效果:添加剂对氨基苯甲酸在减少电极材料与电解液接触的同时,减少了电解液溶剂的分解,且添加剂分子中的羰基基团属于路易斯碱,能稳定六氟磷酸锂,减少六氟磷酸锂的分解,能显著提高锂离子电池的循环稳定性。

标签:
加工技术
江苏 - 常州 来源:北方有色网 2023-03-18
锂电池用组装设备
锂电池用组装设备 1005     
 0

本发明涉及锂电池生产技术领域,尤其是一种锂电池用组装设备。一种锂电池用组装设备,包括机架,机架的两侧焊接有侧板,侧板的上端焊接有顶板,顶板的下方通过螺栓安装有压合气缸,在压合气缸的正下方有料架,料架上焊接有限位环,限位块之间形成卡槽。这种锂电池用组装设备在使用的时候,通过该装置能够对纽扣电池进行位置限制,同时完成压合操作,并且能够快速的将锂电池取出,满足使用需求。

标签:
加工技术
江苏 - 常州 来源:北方有色网 2023-03-18
锂金属负极片的制备方法及其应用

本发明公开了锂金属负极片的制备方法及其应用。其中,制备锂金属负极片的方法是利用静电喷涂设备在集流体表面喷涂锂粉,以便在集流体表面形成锂金属层,得到负极片。采用该方法可以解决目前锂带制作方法的局限性,同时提高整个电池的质量、体积能量密度、电化学性能的发挥及安全性能。

标签:
加工技术
江苏 - 常州 来源:北方有色网 2023-03-18
降低锂离子电池安全失效温度的工艺方法

本发明公开了一种降低锂离子电池安全失效温度的工艺方法,将组成锂离子电池的正极极片中的集流体厚度设置为10~16um,将组成锂离子电池的负极极片中的集流体厚度设置为10~16um,将组成锂离子电池的正极极片中的正极极耳宽度设置为1~3mm,将组成锂离子电池的正极极片中的正极极耳厚度设置为50~150um,将组成锂离子电池的负极极片中的负极极耳宽度设置为1~3mm,将组成锂离子电池的负极极片中的负极极耳厚度设置为50~150um。该工艺方法制得的锂离子电池的短路失效温度控制在100℃以内,针刺失效温度控制在50℃以内。

标签:
加工技术
江苏 - 常州 来源:北方有色网 2023-03-18
锂电池薄膜微位移测厚方法

本发明为一种锂电池薄膜微位移测厚方法,本发明的方法采用标准量块标定上下传感器间距实现静态去噪,再结合3层小波处理、阈值判断处理和7层小波处理联合算法实现动态去噪。该方法可以现场、实时使激光传感器完成对锂电池任意涂层长度的测厚,测量精度高。本发明中包括了相对静止和相对运动状态下的测量,其中相对运动状态包括:1)激光测厚装置静止、待测量锂电池薄膜运动,2)激光测厚装置运动、待测量锂电池薄膜静止,3)激光测厚装置运动、待测量锂电池薄膜运动三种状态,本发明的方法均适用,因此在工业中应用范围广,适应性强。

标签:
加工技术
江苏 - 常州 来源:北方有色网 2023-03-18
锂金属负极及其制备方法与应用

本发明提供了一种锂金属负极及其制备方法与应用,所述锂金属负极的活性层中包括空心活性材料和固态电解质,空心活性材料内部的孔中包括锂金属;所述空心活性材料中掺杂有亲锂物质和/或内部孔壁上负载亲锂层。本发明所述锂金属负极中,锂金属位于空心活性材料内部的孔中,与固态电解质相搭配,能避免锂金属负极表面的析锂,且锂金属具备足够的沉积和溶解的膨胀空间,能够释放锂沉积的应力,因此,本发明所述锂金属负极提高了电池的安全性能和电化学性能。

标签:
加工技术
江苏 - 常州 来源:北方有色网 2023-03-18
负极片及其制备方法和锂电池

本发明提供了一种负极片,包括:基片,所述基片包括集流体和结合在集流体上的负极活性材料;设置于基片正面的第一锂带;设置于基片背面的第二锂带;所述第一锂带和第二锂带交错设置;相邻的第一锂带和相邻的第二锂带分别间隔设置;极大提高锂带在接触面的扩散速率,降低锂带用量,有效的降低锂资源的浪费,保证最大程度地将锂离子嵌入电极中,提高锂电池长期循环性能,而且降低电极本身的极片重量,提升整个锂电池的设计空间。

标签:
加工技术
江苏 - 常州 来源:北方有色网 2023-03-18
高电压电解液及高电压锂离子电池

本发明公开了一种高电压电解液及高电压锂离子电池,涉及锂离子电池技术领域;该电解液包括锂盐、溶剂和离子液体成膜添加剂,所述锂盐、溶剂和离子液体成膜添加剂的质量比为5%‑30%:70%‑90%:1%‑5%;该电池包括电芯和电解液,所述电芯包括正极、负极和隔膜,所述正极的活性材料为大单晶镍钴锰酸锂、钴酸锂、镍锰酸锂、三元正极材料的任意一种,所述负极的活性材料为石墨、硬碳、软碳、硅氧、硅碳中的任意一种,所述隔膜为玻璃纤维素膜。本发明CEI层不会在充放电过程中随着电极颗粒的膨胀与收缩等形变而脱离电极,有效地抑制了电解液与电极之间的副反应,最终改善高电压下锂离子电池的循环稳定性。

标签:
加工技术
江苏 - 常州 来源:北方有色网 2023-03-18
补锂设备及负极极片结构

本实用新型提供了一种补锂设备及负极极片结构,补锂设备包括:可转动且间隔设置以放收负极极片P的极片放卷辊和极片收卷辊;分别可转动地设置在负极极片P的相对两侧以释放厚锂带L的两个锂带放卷辊;与两个锂带放卷辊一一对应的两个压延转移组件,各个压延转移组件包括位于相应的厚锂带L的相对两侧且可转动地设置的压延辊和压延转移辊,以将相应的厚锂带L挤压成超薄锂箔并转移至负极极片P上;与两个锂带放卷辊一一对应以向相应的厚锂带L的相对两侧涂覆离型剂的两个涂覆机构;与两个压延转移组件一一对应以收放位于相应的压延辊和厚锂带L之间的排斥膜C的两个排斥膜收放组件,以解决现有技术中的补锂装置在补锂时易发生粘辊的问题。

标签:
加工技术
江苏 - 常州 来源:北方有色网 2023-03-18
正极活性材料及其制备方法、正极和锂离子电池

本发明涉及正极活性材料及其制备方法、正极和锂离子电池。所述正极活性材料包含锰酸锂、三元材料与磷酸锰铁锂,其中以上述三种组分的混合总重量为100重量份计,所述锰酸锂占约50~75重量份,所述三元材料占约15~25重量份,所述磷酸锰铁锂占约10~25重量份。本发明的正极活性材料同时具有优异的容量性能、循环性能和安全性能。而且,由于增加了锰酸锂的含量且降低了磷酸锰铁锂的含量,这显著降低了正极活性材料的制造成本。

标签:
加工技术
江苏 - 常州 来源:北方有色网 2023-03-18
废旧镍钴锰三元锂电池和银镍合金共同处理方法

本发明公布了一种废旧镍钴锰三元锂电池和银镍合金共同处理方法,将废旧镍钴锰三元锂电池处理后得到正极片;使用NMP浸泡正极片,分拣得到铝箔,将过滤所得混合物与废银镍合金混合后用硫酸和双氧水共同浸出,得到混合溶液;加入氯化盐溶液除去银后,加入氨水和碳酸盐共同沉淀镍、钴、锰,过滤后使用乙醇将混合沉淀洗净后,加入碳酸锂并混合均匀,高温煅烧后得到镍钴锰三元锂电池正极材料前驱体。本发明采用湿法回收废旧镍钴锰三元锂电池和银镍合金中的有价金属,并重新制备了镍钴锰三元锂电池正极材料,本发明共同处理了两种废弃物,且再生镍钴锰三元锂电池时不需要添加额外的钴、锰、镍盐来调节离子比例,工艺简单、成本低、过程环保。

标签:
加工技术
江苏 - 常州 来源:北方有色网 2023-03-18
上一页 111 112 113 114 115 ... 123 下一页
共123页    到第

北方有色为您提供最新的江苏常州有色金属加工技术理论与应用信息,涵盖发明专利、权利要求、说明书、技术领域、背景技术、实用新型内容及具体实施方式等有色技术内容。打造最具专业性的有色金属技术理论与应用平台!

全国热门有色金属设备推荐
展开更多 +
全国热门有色金属技术推荐
展开更多 +

 

江西省隆恩特环保设备有限公司
宣传

报名参会
更多+

报告下载

有色专家
更多+

中南大学
常务副校长
蒙纳士苏州校区
中国工程院外籍院士/校长
赣州江钨钨合金有限公司
工程师
西安建筑科技大学
院长/教授
国家钨与稀土产品质量检验检测中心
主任
赤泥综合利用研究报告2025
推广

热门技术
更多+

推荐企业
更多+

福建省金龙稀土股份有限公司
宣传

发布

在线客服

公众号

电话

顶部
咨询电话:
010-88793500-807