青岛垚鑫智能科技有限公司
宣传

位置:中冶有色 >

有色技术频道 >

分类:
全部
矿山技术
冶金技术
材料制备及加工技术
环境保护技术
分析检测技术
 
全部
废水处理技术
大气治理技术
固/危废处置技术
土壤修复技术
地区:
全部
北京
天津
上海
重庆
河北
山西
辽宁
吉林
黑龙江
江苏
浙江
安徽
福建
江西
山东
河南
湖北
湖南
广东
海南
四川
贵州
云南
陕西
甘肃
青海
内蒙
广西
西藏
宁夏
新疆
其他
其他
展开
 
全部
长沙
株洲
湘潭
衡阳
邵阳
岳阳
常德
张家界
益阳
娄底
郴州
永州
怀化
湘西土家族苗族自治州

湖南长沙有色金属环境保护技术理论与应用

免费发布技术信息>>
磁性纤维素/聚谷氨酸耦合材料去除废水中六价铬的方法

本发明公开了一种利用磁性纤维素/聚谷氨酸耦合材料吸附去除废水中六价铬的方法,所述方法包括以下步骤:取一定量的六价铬废水并调节pH值为2.0~7.0(优选为2.0~6.0,最优为2.0),将一定量的磁性纤维素/聚谷氨酸耦合材料添加到废水中,每升废水中的添加量以磁性纤维素/聚谷氨酸耦合材料干重计为0.2g~10g,在转速为100rpm~300rpm的恒温振荡器中反应0~24h(最优选为1h~8h),并控制反应温度为10℃~50℃(最优为30~40℃),反应完成后将磁性纤维素/聚谷氨酸耦合材料从溶液中分离,完成对废水中六价铬的去除。本发明具有成本低、操作方便、处理效率高等优点。本发明可应用于电镀厂、冶炼厂、电子厂等含六价铬废水的处理。

标签:
废水处理
湖南 - 长沙 来源:中冶有色网 2023-03-19
高盐、高钙废水除钙的装置

一种高盐、高钙废水除钙的装置,包括预处理罐、超滤装置、电渗析装置、冷却结晶器和固液分离器;所述预处理罐上设有废水进口和加药口,所述预处理罐内部设有pH计和搅拌器;所述预处理罐的出料口与用于将含固悬浮物料的将高盐、高钙废水进行固液分离超滤装置的进料口连通;所述超滤装置的出口与用于将高盐、高钙废水进行浓缩及淡化的电渗析装置的进口连通;所述电渗析装置的浓液罐出口与用于将电渗析装置内浓缩液进行冷却诱导结晶的冷却结晶器连通;所述冷却结晶器的出口与用于将冷却结晶器内固态悬浮物料进行固液分离的固液分离器相连,本实用新型可将高盐、高钙废水中分离出来的淡液及硫酸钙晶体进行分步回收利用;整个装置结构简单,处理成本低廉,无环境污染。

标签:
废水处理
湖南 - 长沙 来源:中冶有色网 2023-03-19
水产养殖废水处理工艺
水产养殖废水处理工艺 1125     
 0

本发明公开了一种水产养殖废水处理工艺,包括以下步骤:(1)用沉淀法去除水产养殖废水中固体废弃物;(2)将经步骤(1)处理的水产养殖废水曝气处理3‑5h;(3)向经步骤(2)处理后的水产养殖废水中,加入水产养殖废水处理剂,所述水产养殖废水处理剂加入量为12.4‑18.6kg/m3,同时向水产养殖废水曝气处理17‑26h;(4)过滤除去经步骤(3)处理后水产养殖废水中固含物;(5)向经步骤(4)处理除去固含物后的水产养殖废水中,加入除味脱色剂,并搅拌处理4‑6h,其中除味脱色剂加入量为19.2‑28.5kg/m3;(6)沉淀过滤除去经步骤(5)处理后水产养殖废水中的固含物。

标签:
废水处理
湖南 - 长沙 来源:中冶有色网 2023-03-19
含钒废水深度净化处理及回收钒铬的工艺

本发明涉及一种含钒废水深度净化处理及回收钒铬的工艺,属于污水处理领域。含钒废水深度净化处理工艺是将含钒废水的pH值调整至4?6,依次采用树脂A和树脂B作为吸附介质对含钒废水进行吸附,树脂A为螯合型离子交换树脂;树脂B为带有多胺基的大孔弱碱性阴离子交换树脂;含钒废水经吸附后的尾液即可达标排放。该含钒废水的处理工艺为新型、高效、低成本的重金属废水治理技术,可同时实现含钒废水无害化与资源化(有价重金属回收)与水循环回用二点要求,也属于环保减排与资源回收新技术,可提高钒冶金、钒应用行业实施“清洁生产”标准,有明显的经济效益与社会效益。

标签:
废水处理
湖南 - 长沙 来源:中冶有色网 2023-03-19
利用黄孢原毛平革菌同时去除废水中镉和二氯酚的方法

本发明公开了一种利用黄孢原毛平革菌同时去除废水中镉和二氯酚的方法,它包括以下步骤:往含镉和二氯酚的废水中添加黄孢原毛平革菌(P.chrysosporium)菌球,每升废水中的添加量以黄孢原毛平革菌菌球干重量计为0.3~0.5g,然后调节废水的pH值为3.5~8.5,于35℃~39℃恒温条件下进行吸附降解反应,反应时转速控制在140rpm~160rpm,反应时间不少于36h,反应完成后滤除菌球,完成对废水中镉和二氯酚的同时去除。本发明具有操作条件简单、易于实施、应用范围广、所用菌球无需改造和预处理、成本低、微生物利用率高等优点。

标签:
废水处理
湖南 - 长沙 来源:中冶有色网 2023-03-19
高浓度难降解有机石化废水预处理工艺

本发明公开了一种高浓度难降解有机石化废水预处理工艺,该工艺包括以下步骤:(1)将有机石化废水酸化至pH为4-5,再加热至80-95℃,使硅酸盐沉淀后固液分离得到废水A;(2)在废水A中加入铁铜片进行微电解,微电解0.5-2h后再固液分离得到废水B;将废水B的pH调节至2.0-2.5后,按废水B体积的0.5-3%加入双氧水溶液,双氧水溶液的质量分数为25-40%,反应1-3h;得到废水C;(3)将废水C的pH调节至2.5-3.5后;再用三维电芬顿处理废水C,三维电芬顿处理1-3h后用碱液调节pH至9.5-10.5后加入絮凝剂,固液分离后得到废水D;(4)将废水D的pH调节至1.5-3,加入催化剂和过硫酸盐,用紫外光照射并曝气进行光催化氧化1-2h;完成废水的预处理。该工艺又有效第降低废水的COD值,改善废水的可生化性。

标签:
废水处理
湖南 - 长沙 来源:中冶有色网 2023-03-19
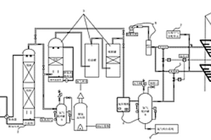
臭氧处理有机废水综合分析系统及测量方法

本发明公开了一种臭氧处理有机废水综合分析系统及测量方法,包括,臭氧处理有机废水综合分析系统、制氧机、臭氧发生器、臭氧检测仪、泵、进水储槽、臭氧毁灭器、臭氧检测仪和出水储槽,臭氧处理有机废水综合分析系统的进气口连接臭氧检测仪,臭氧检测仪连接臭氧发生器,臭氧发生器连接制氧机,臭氧处理有机废水综合分析系统的进水口连接泵;解决了污染环境中臭氧催化氧化有机废水过程中臭氧催化剂性能检测的问题。

标签:
废水处理
湖南 - 长沙 来源:中冶有色网 2023-03-19
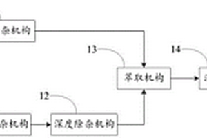
从废水中回收锰的装置

本实用新型提供一种从废水中回收锰的装置,包括废水料液槽、单次除杂系统、多次除杂系统和萃取系统;所述废水料液槽的内部自上至下依次形成有上搅拌区和下搅拌区,所述上搅拌区内设有上搅拌机构,所述下搅拌区内设有下搅拌机构,所述上搅拌机构和所述下搅拌机构的搅拌方向相反;所述单次除杂系统接收上出液口排出的上层废水,并对所述上层废水进行除杂得到待萃取液;所述多次除杂系统接收下出液口排出的下层废水,并对所述下层废水进行多次除杂得到待萃取液;所述萃取系统接收所述单次除杂系统排出的待萃取液和所述多次除杂系统排出的待萃取液。本实用新型可以避免回收锰的过程中化学试剂的大量消耗、还可以提高除杂效率和锰回收率。

标签:
废水处理
湖南 - 长沙 来源:中冶有色网 2023-03-19
印染清废、综合废水深度处理循环生产回用工艺

本发明公开了一种印染废水回用深度处理工艺,由BAF池、气浮系统、臭氧接触氧化塔、过滤器、活性炭过滤、臭氧发生装置及加药系统组成。是将传统的BAF技术进行改良后,通过生物降解去除废水中可溶解性的有机物,出水进入气浮系统,结合絮凝加药工艺,以去除废水中的非溶性有机物及胶体物质。其出水进入臭氧接触氧化塔与臭氧混合,利用臭氧的强氧化性去除印染废水中难生物降解有机物,臭氧接触氧化塔出水进入中间水池,利用加压泵使流量的30%回流至溶气罐,与加压后的空气混合均匀,然后利用余压进入气浮系统,通过溶气释放器将气水混合物分散成细小而均匀的溶气水,溶气水带动废水中的悬浮物及胶体物质浮升至水面,从而将其去除。中间水池出水进入过滤器去除细小悬浮物,降低浊度后,进入臭氧/活性炭过滤系统,在活性炭作用下,引发臭氧基型链反应,加速臭氧分解成·OH等自由基,降解微量有机物并去除色度,最终使出水达到印染生产回用标准。根据印染生产工艺及所用染料、助剂等的不同,对BAF池的停留时间、絮凝剂及臭氧投加量可做适当调整,针对染料可溶于水及非溶于水的不同,可自由选择臭氧/活性炭过滤系统和硅藻土过滤。特征在于利用臭氧的强氧化性,分别在气浮进水管处、臭氧接触氧化塔、活性炭过滤器等处采用多点分段投加的方式,提高臭氧在废水中的利用率,从而提高处理水污染物的总去除率。本发明能有效减少投资和占地面积、稳定运行、降低运行费用并提高水回收率的印染废水回用深度处理工艺。

标签:
废水处理
湖南 - 长沙 来源:中冶有色网 2023-03-19
荧光渗透检测废水的处理方法

本发明提供了一种荧光渗透检测废水的处理方法,具体步骤包括Fe-改性膨润土混凝破乳沉淀;Fenton氧化、吸附、混凝沉淀及滤袋过滤;若原水污染物浓度大于1000mg/L时,滤袋过滤后,滤液可进入PP棉保安过滤器,然后进入反渗透膜进行过滤,能保持稳定、优良的出水水质。该方法处理后的荧光废水可达GB8978-96一级标准而直接排放,COD小于100mg/L。

标签:
废水处理
湖南 - 长沙 来源:中冶有色网 2023-03-19
功能化锆基金属有机骨架/质子化氮化碳复合材料活化过一硫酸盐处理有机废水的方法

本发明公开了一种功能化锆基金属有机骨架/质子化氮化碳复合材料活化过一硫酸盐处理有机废水的方法,采用功能化锆基金属有机骨架/质子化氮化碳复合材料活化过一硫酸盐对有机废水进行处理,其中功能化锆基金属有机骨架/质子化氮化碳复合材料是以质子化氮化碳为载体,其中掺杂有UiO‑66‑NH2。本发明方法,通过利用功能化锆基金属有机骨架/质子化氮化碳复合材料活化过一硫酸盐对有机废水进行处理,即可实现对有机废水的高效处理,具有工艺简单、操作方便、成本低廉、适用范围广、处理效果高、处理效果好等优点,有着很高的使用价值和应用前景。

标签:
废水处理
湖南 - 长沙 来源:中冶有色网 2023-03-19
表面活性剂强化超滤处理含镉和亚甲基蓝复合废水的方法

本发明公开了一种表面活性剂强化超滤处理含镉和亚甲基蓝废水的方法,包括以下步骤:先将十二烷基硫酸钠添加到含镉和亚甲基蓝的复合废水中,每升废水中添加6×10-3mol~8×10-3mol的十二烷基硫酸钠,搅拌均匀后静置反应半小时以上,反应完成后生成吸附有镉离子和亚甲基蓝分子的十二烷基硫酸钠胶团;再将静置反应后的废水送至超滤膜组件进行超滤处理,截留十二烷基硫酸钠胶团,完成废水中镉和亚甲基蓝的同时去除。本发明的方法具有去除率高、能耗低、无相变、无二次污染、易实现污染物回收和自动化操作等优点。

标签:
废水处理
湖南 - 长沙 来源:中冶有色网 2023-03-19
焙烧处理酸性烟气洗涤废水方法及系统

一种焙烧处理酸性烟气洗涤废水方法及系统,包括:1)对酸性烟气洗涤废水进行废水预处理,得到除杂废水清液和含水活性炭粉末;2)将一部分含水活性炭粉末与热风炉尾气混合形成混合助燃烟气,并将混合助燃烟气通入焙烧炉参与燃烧;3)将步骤1)中产生的除杂废水清液通入雾化器雾化成雾化气体,并将雾化气体通入焙烧炉中,产生焙烧烟气;4)将焙烧烟气通入除尘器中回收结晶盐粉末,排出除尘后气体。本申请提供的技术方案,将活性炭粉末和热风炉尾气通入焙烧炉中,活性炭粉末作为燃烧原料节约了燃烧能源,热风炉尾气中的污染物在高温条件下与金属沉淀反应,转变为无害物质,从而即降低了整个工艺的生产成本,又可减少污染物的排放,使企业满足环保要求。

标签:
废水处理
湖南 - 长沙 来源:中冶有色网 2023-03-19
高浓度氨氮废水与氮氧化物协同治理的方法及系统

一种高浓度氨氮废水与氮氧化物协同治理的方法及系统,该方法的步骤为:S1:高浓度氨氮废水首先进入调pH池加碱调pH到10‑12,同时在调pH池的加热区通过加热蒸汽给氨氮废水预热;S2:调pH池中的废水经过换热器后打入汽提塔的液体分布器,通过液体分布器均匀分布到填料的整个表面,顺着填料往下流;同时有压加热蒸汽从汽提塔的塔体下部进入,蒸汽与废水逆向充分接触,蒸汽将游离状态的氨吹出,由塔顶排气口排出;S3:经过蒸汽汽提后的废水在塔体汇集,经过换热器与进塔废水换热后送入后续污水处理单元,配合生物法进行脱氮。该系统用来实施上述方法。本发明具有原理简单、易实现、处理效果好等。

标签:
废水处理
湖南 - 长沙 来源:中冶有色网 2023-03-19
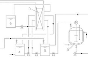
用于物化生化联合处理焦化废水的处理系统

本实用新型公开了一种用于物化生化联合处理焦化废水的处理系统,包括:药剂除氯池(2)、微纳米臭氧催化氧化反应装置(3)、A2O污水生化反应机(4)、混凝沉降池(5)和膜处理装置(6);药剂除氯池(2)的废水出水端与微纳米臭氧催化氧化反应装置(3)的废水进水端连接,微纳米臭氧催化氧化反应装置(3)的废水出水端与A2O污水生化反应机(4)的废水进水端连接,A2O污水生化反应机(4)的废水出水端与混凝沉降池(5)的废水进水端连接,混凝沉降池(5)的废水出水端与膜处理装置(6)的废水进水端连接。该处理系统对焦化废水的处理效果好且稳定,抗腐蚀能力强,设备成本低,结构简单,具有很好的应用潜力。

标签:
废水处理
湖南 - 长沙 来源:中冶有色网 2023-03-19
有色金属冶炼废水的处理方法

本发明属于废水处理领域,具体涉及一种有色金属冶炼废水的处理方法,调控有色金属冶炼废水在pH为9~11下进行预处理,分离得到预处理废水;将预处理废水进行电化学氧化处理,且在处理过程中连续地向极板间且靠近阳极端输送金属M盐溶液;所述的金属M盐溶液为溶解有Fe、Al中的至少一种离子的水溶液,其输送流速为2~200mg/(L·min)。本发明能够协同实现有色金属冶炼废水中多种污染物的同步高效处理,并能够协同增效,不仅如此,还能够有效降低物料以及设备成本。

标签:
废水处理
湖南 - 长沙 来源:中冶有色网 2023-03-19
钢铁高盐固废综合水洗及其废水处理系统

本实用新型公开了一种钢铁高盐固废综合水洗及其废水处理系统,该系统包括:高炉干法灰水洗系统、烧结除尘灰水洗系统以及废水处理系统。首先利用湿法脱硫含盐废水和/或活性炭烟气净化洗涤含盐废水作为高炉干法灰水洗系统的水源。再利用完成高炉干法灰水洗的含盐废水作为烧结除尘灰水洗系统的水源,最后利用高炉干法灰和烧结除尘灰水洗后的废水经处理后获得高纯氯化钠和氯化钾。本实用新型采用以含盐水代替自来水作为水源的水洗方案,在保障钢铁高盐灰中氯、碱金属有效去除的同时,从源头减少钢铁高盐灰水洗废水的总量,达到以废治废的目的,还进一步获得高纯氯化钠和氯化钾,提高经济效益。

标签:
废水处理
湖南 - 长沙 来源:中冶有色网 2023-03-19
物化生化联合处理焦化废水的方法

本发明公开了一种物化生化联合处理焦化废水的方法,包括如下步骤:在焦化废水中加入钙源和偏铝酸钠并搅拌,除去沉淀物,得到的初步除氯的焦化废水进行微纳米臭氧催化氧化反应,完成预处理后得到的焦化废水进行A2O生化反应,得到生化出水,进行混凝沉淀后,进行一级反渗透处理,得到的清液即为达到排放标准的废水,产生的膜处理浓液利用粉煤灰进行吸附处理后,再返回步骤(1)中进行下一个循环的物化生化联合处理。该方法对焦化废水的处理效果好,处理效率高,出水指标可以完全满足国家现行排放标准,且能够长期稳定达到国标排放的要求。

标签:
废水处理
湖南 - 长沙 来源:中冶有色网 2023-03-19
便于清洗的环保型废水处理装置

本发明公开了一种便于清洗的环保型废水处理装置,包括检测室,所述检测室的顶端外表面中心处固定安装有进水管,且进水管的顶端外表面固定安装有法兰,所述检测室的底端外表面设置有废水处理室,且废水处理室的前端外表面固定安装有控制面板。本发明所述的一种便于清洗的环保型废水处理装置,设有检测室、清洗槽与齿槽,能够在过滤前先对内部的各离子浓度进行检测,在针对性的开启不同的过滤室对废水进行过滤,可以很好的节约资源避免资源的浪费,并能更加方便的对废水过滤室进行清洗,避免需要人工进行清洗浪费时间与精力,还可以根据需要进行调节各个过滤室的大小,可以更加方便的进行使用,带来更好的使用前景。

标签:
废水处理
湖南 - 长沙 来源:中冶有色网 2023-03-19
通过含硫活性炭催化SRG洗涤废水的脱盐方法

本发明公开了一种通过含硫活性炭催化SRG洗涤废水的脱盐方法。采用含硫活性炭作为催化剂,可在50℃左右的条件下实现高浓度亚硫酸氢根离子的歧化反应回收获得硫资源。一方面降低了SRG洗涤废水中盐分含量,另一方面实现了硫资源化利用的目的,极大的降低了废水后处理的液碱消耗量。本发明所用的含硫活性炭制备工艺简单,原料易得,价格便宜,具备大规模应用的前景,制备获得的含硫活性炭可循环使用。此外,本发明在处理废水的同时,可回收硫磺,实现废水的资源化处理,无二次污染产生。具有广阔的市场前景和经济效益。

标签:
废水处理
湖南 - 长沙 来源:中冶有色网 2023-03-19
便于携带的废水检测取样装置

本实用新型公开了一种便于携带的废水检测取样装置,包括取样管,所述取样管的顶面设有管盖,所述取样管的外侧设有提手,所述管盖的底端设有过滤装置,所述过滤装置包括过滤环、滤网、压缩弹簧、卡头和侧边块,所述取样管的外侧壁上设有出水管,所述出水管的管口内设有橡胶密封块。本实用新型所述的一种便于携带的废水检测取样装置,属于取样装置领域,通过设置的提手、固定块和转动块的配合使用,用于方便携带者携带取样管,设置的取样管和管盖,在对废水取样时将取样管放置到废水中后,废水会从进水孔进入到取样管内,方便使用者对废水取样,设置的过滤装置,用于防止废水中的废弃杂质进入取样管内,以此来减少取样后废水中的杂质。

标签:
废水处理
湖南 - 长沙 来源:中冶有色网 2023-03-19
生物联合光催化复合降解液态体系在降解苯酚废水中的应用

本发明公开了一种生物联合光催化复合降解液态体系在降解苯酚废水中的应用,包括以下步骤:将初始苯酚废水加入至生物联合光催化复合降解液态体系中,在光照条件下,恒温振荡处理,即完成对体系中苯酚废水的降解。本发明是将生物降解与光催化降解相结合同时降解苯酚废水,具有处理效率高、处理工艺简单、操作方便、成本低等优点。

标签:
废水处理
湖南 - 长沙 来源:中冶有色网 2023-03-19
废水处理用固体物回收装置

本发明公开了一种废水处理用固体物回收装置,包括废水箱,所述废水箱的一侧外壁设置有出料孔,且出料孔的一侧内壁和废水箱的一侧内壁均通过轴承座连接有辊轴,辊轴的外部均设置有传送辊,传送辊的外壁设置有同一传送带,所述废水箱的顶部外壁设置有挡板,且挡板的一侧外壁粘接有耐磨软垫,所述挡板的一侧外壁设置有第一弹簧,且第一弹簧的一侧外壁设置于废水箱的一侧外壁,所述废水箱的一侧外壁设置有集料槽,且集料槽的顶部外壁设置有缓冲弹簧。本发明能防止固体物堆积在排板上,提高了固体物回收的效率,使固体物回收时保持干燥,防止固体物上粘附较多水分而导致集料箱中水分过多,减少了工作人员的工作强度。

标签:
废水处理
湖南 - 长沙 来源:中冶有色网 2023-03-19
炸药废水的处理方法
炸药废水的处理方法 1006     
 0

本发明提供一种炸药废水的处理方法,包括以下步骤:(1)用酸将炸药废水的pH值调节至1~4,按炸药废水质量的1~10%的比例加入0.05~0.2M的过硫酸盐,混合均匀;(2)向炸药废水中或在炸药废水表面放置紫外灯,按炸药废水质量的5~30%的比例加入铜铈改性二氧化钛催化剂,并进行曝气,反应2~12h;所述铜铈改性二氧化钛催化剂是二氧化钛中掺杂有铜和铈,铜、铈的掺杂量分别为二氧化钛重量的5~10%、10~20%。本发明处理工艺简单,成本低,维护方便,只需一步反应,就可使火炸药废水达标回用;以过硫酸盐为氧化剂,不产生二次污染,没有固废产生;所用催化剂使用寿命长,连续使用,无需再生。

标签:
废水处理
湖南 - 长沙 来源:中冶有色网 2023-03-19
氨氮废水的处理方法及其处理装置

本发明公开了一种氨氮废水的处理方法及其处理装置,所述处理方法依次包括如下步骤:调节氨氮废水溶液、电化学反应、吹脱处理、折点加氯氧化处理、中和处理;所述电化学反应步骤中,电化学反应槽由离子交换膜分隔为阴极室和阳极室,所述阴极室内生成的废水溶液进行所述吹脱处理,所述阳极室内生成的废水溶液与所述吹脱处理后的废水溶液进行中和处理;所述吹脱处理与所述中和处理之间设置所述折点加氯氧化处理步骤。本发明提供的氨氮废水的处理方法及其处理装置,将电化学反应、吹脱处理、折点加氯氧化处理、中和处理有机结合,结构简单,工艺配合合理,降低了氨氮废水处理的运行成本,且氨氮去除效果好。

标签:
废水处理
湖南 - 长沙 来源:中冶有色网 2023-03-19
高效湿法脱硫废水处理净水剂及应用

本发明公开了一种高效湿法脱硫废水处理净水剂及应用,净水剂原料包括以下按质量百分比计的组分:氢氧化钙10‑15%、聚合氯化铝45‑75%、NOC‑1型生物絮凝剂10‑20%、螯合剂3‑5%、活性炭2‑5%。各组分搭配,可有效去除脱硫废水中的SS、重金属离子、COD、氟化物、硫化物等,适用于pH值6‑9的条件,废水处理效率高,适用工艺简单,出水可达标排放或回用,特别适用于脱硫废水的处理,尤其适合高SS浓度的脱硫废水的处理。

标签:
废水处理
湖南 - 长沙 来源:中冶有色网 2023-03-19
农药废水预处理方法
农药废水预处理方法 1116     
 0

本发明公开了一种电催化氧化预处理农药废水的方法,将农药各工段废水等体积混合后汇入配水槽中,pH值不为6-7时用酸或碱调节至pH6-7,然后加入电催化氧化装置中,控制操作电流密度,反应后进入调节池,加20%(m/m)的氢氧化钙水溶液调至中性,过滤、进生化池进一步生化。经以上预处理,农药废水的可生化性由原来的不可生化提高到处理后的BOD/COD>0.35,完全达到生化要求。本发明可使农药废水经电催化氧化过程产生羟基自由基等强氧化物质,农药废水中Cl-在电催化氧化过程中得到合理的利用,既产生强氧化剂次氯酸使污染物得到氧化分解,同时使部分Cl-由废水中释放出来,减少Cl-对微生物活性的抑制,有利于后续生化反应。处理成本低,工艺简单。

标签:
废水处理
湖南 - 长沙 来源:中冶有色网 2023-03-19
处理含三价砷废水的方法

本发明公开了一种处理含三价砷废水的方法,包括将含三价砷的待处理废水、铁盐溶液和硫酸盐溶液同时进料,进料同时充分碰撞,调节pH为1.8‑3.0,常温,混合均匀,反应,分离沉淀。当含As3+20.5g/L的砷溶液、Fe3+23.0g/L的铁盐溶液和SO42‑6.56g/L的硫酸盐溶液以1.8mL/min加入到30mL去离子水时,25±1℃、600±20r/min、pH=2.4,进料反应18min,图水羟砷铁矾矿物结晶良好,As3+去除率为87.6%。本发明处理含三价砷废水的方法除砷效率高,效果好,原料低廉易得,条件温和,过程可控,沉淀含砷量高,稳定且易于分离,无二次污染,实际应用前景广阔。

标签:
废水处理
湖南 - 长沙 来源:中冶有色网 2023-03-19
锂系橡胶合成废水的综合处理方法

本发明公开了一种锂系橡胶合成废水的综合处理方法,包括以下步骤:去除锂系橡胶合成废水中的浮渣;对出水进行过滤,得到过滤后液;采用吸附树脂吸附过滤后液中的有机物和锂,完成对锂系橡胶合成废水的综合处理。本发明方法通过依次对锂系橡胶合成废水进行去浮渣、过滤、吸附有机物、吸附锂等处理,不仅能够有效回收废水中的锂,又能够有效净化废水中的有机污染物,从而实现对锂系橡胶合成废水的综合处理,具有工艺简单、处理成本低(成本最低至1.5元/吨)、锂回收率高、净化效果好、绿色环保等优点,能够实现对锂系橡胶合成废水的资源化再利用和节能减排的目的,有着很高的使用价值和很好的应用前景。

标签:
废水处理
湖南 - 长沙 来源:中冶有色网 2023-03-19
磁性催化剂强化下铁内电解处理难降解有机废水的方法及所使用的填料

磁性催化剂强化下铁内电解处理难降解有机废水的方法及所使用的填料。本发明涉及难降解的有机废水处理方法技术领域。本发明所述的磁性催化剂强化下铁内电解法处理难降解有机废水的方法,其步骤包括:A.制备粉状镀铜磁性微粒;B.废水经调PH至3~5后进入磁性催化剂铁内电解池,池内放置粉状镀铜磁性微粒和铁屑质量比为1∶6~10的混合填料,通过曝气量的控制使填料充分搅动;C.利用电磁铁对经处理的废水进行固液迅速分离。该方法所需的成本低,运行效果稳定,处理效率高。比常规内电解处理难降解有机废水的速度提高4~5倍,在同等条件下COD去除率提高40~50%。

标签:
废水处理
湖南 - 长沙 来源:中冶有色网 2023-03-19
上一页 103 104 105 106 107 ... 117 下一页
共117页    到第

中冶有色为您提供最新的湖南长沙有色金属环境保护技术理论与应用信息,涵盖发明专利、权利要求、说明书、技术领域、背景技术、实用新型内容及具体实施方式等有色技术内容。打造最具专业性的有色金属技术理论与应用平台!

全国热门有色金属设备推荐
展开更多 +
全国热门有色金属技术推荐
展开更多 +

 

江西省隆恩特环保设备有限公司
宣传

报名参会
更多+

报告下载

有色专家
更多+

广东省科学院资源利用与稀土开发研究所
教授
矿冶科技集团
副所长/研究员
江西理工大学
副处长/教授
长沙有色冶金设计研究院有限公司
党委书记、董事长
红河学院
研究员
赤泥综合利用研究报告2025
推广

热门技术
更多+

推荐企业
更多+

福建省金龙稀土股份有限公司
宣传

发布

在线客服

公众号

电话

顶部
咨询电话:
010-88793500-807