青岛垚鑫智能科技有限公司
宣传

位置:北方有色 >

有色技术频道 >

分类:
全部
矿山技术
冶金技术
材料制备及加工技术
环境保护技术
分析检测技术
 
全部
废水处理技术
大气治理技术
固/危废处置技术
土壤修复技术
地区:
全部
北京
天津
上海
重庆
河北
山西
辽宁
吉林
黑龙江
江苏
浙江
安徽
福建
江西
山东
河南
湖北
湖南
广东
海南
四川
贵州
云南
陕西
甘肃
青海
内蒙
广西
西藏
宁夏
新疆
其他
其他
展开
 
全部
长沙
株洲
湘潭
衡阳
邵阳
岳阳
常德
张家界
益阳
娄底
郴州
永州
怀化
湘西土家族苗族自治州

湖南长沙有色金属环境保护技术理论与应用

免费发布技术信息>>
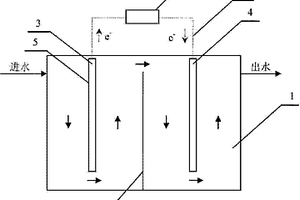
高效废水处理回收利用设备

本实用新型涉及废水回收利用技术领域,且公开了一种高效废水处理回收利用设备,包括设备本体,所述设备本体底部的左右两侧均固定安装有支脚。该高效废水处理回收利用设备,通过设置推动环,当需要对过滤板进行清洗时,朝着相对的方向推动两个推动环,通过连接块带动两个插杆朝着相对的方向移动,并将压缩弹簧压缩,使插杆退出设备本体左侧壁所开设的限位槽,使得限位板以及过滤板的左侧不再受到限制,此时伸缩杆以及缓冲弹簧通过弹性恢复力将推动板向左侧推动,朝左侧拉动限位板以及过滤板,即可将过滤板抽离设备本体并对其清洗,使设备达到便于清洗效果,对废水的净化效果更加高效且彻底,大大提高了装置的实用性。

标签:
废水处理
湖南 - 长沙 来源:北方有色网 2023-03-19
活性炭处理多污染物烟气及废水再利用的方法及其装置

一种活性炭处理多污染物烟气及废水再利用的方法,该方法包括以下步骤:1)多污染烟气的吸附:将多污染物烟气采用活性炭进行处理,获得吸附饱和活性炭;2)活性炭热再生:将吸附饱和活性炭加热至高温,进行热再生;3)SRG气体处理:活性炭热再生产生的SRG气体进行湿法洗涤,获得高硫气体和酸性洗涤废水;4)高硫气体处理:步骤3)获得的高硫气体通过硫资源化工序回收硫资源;5)酸性洗涤废水处理:步骤3)获得的酸性洗涤废水通过酸性过滤,获得清液和炭粉;6)清液后续处理:将步骤5)获得的清液通过氧化工序,然后经过絮凝沉淀工序获得含金属污泥和含盐废水。本发明的方法可以很好的处理二次污染物,变废为宝,重复利用,节约成本、回收资源,保护环境。

标签:
废水处理
湖南 - 长沙 来源:北方有色网 2023-03-19
离子交换处理含铅废水的方法

本发明涉及一种离子交换处理含铅废水的方法,将中空型聚苯乙烯基离子交换纤维浸泡在盐酸中一段时间,然后洗涤;将得到的中空型聚苯乙烯基离子交换纤维再在氢氧化钠溶液中浸泡一段时间,洗涤;将含铅废水放入搅拌池中;向所述搅拌池中加入氨水进行调节pH值,并用电动搅拌机进行搅拌;将得到的废水通入沉淀池中进行沉淀,沉淀池底部铺满中空型聚苯乙烯基离子交换纤维,废水从沉淀池底经中空型聚苯乙烯基离子交换纤维被抽走;将所述沉淀池中的中空型聚苯乙烯基离子交换纤维放入稀硫酸溶液中,反应一段时间,过滤,得到初级溶液,然后进行电解,得到金属铅。本发明工艺简单,反应条件容易达到,反应也易控制,处理废水量大。

标签:
废水处理
湖南 - 长沙 来源:北方有色网 2023-03-19
废弃水果处理含铅废水的方法

本发明涉及一种废弃水果处理含铅废水的方法,包括以下步骤:将废弃柠檬进行破碎、压榨、过滤,得到柠檬液;将含铅废水放入搅拌池中;向所述搅拌池中加入柠檬液,并用电动搅拌机进行搅拌;将得到的废水通入沉淀池中进行沉淀,沉淀一段时间,然后过滤,得到沉淀泥;将所述沉淀泥进行干燥;将干燥后的沉淀泥进行焙烧;将焙烧后的固体放入还原性气氛炉中进行加热,加热一段时间,得到金属铅。本发明工艺简单,反应条件容易达到,反应也易控制,处理废水量大。

标签:
废水处理
湖南 - 长沙 来源:北方有色网 2023-03-19
基于工程屏障多级时序阻控的治理酸性矿山废水方法

本发明公开了一种基于工程屏障多级时序阻控的治理酸性矿山废水方法,具体为:将酸性矿山废水处理场地沿废水流动方向分成6个区段,第一中和反应段、第一原地层段、第二中和反应段、第二原地层段、金属离子吸附段和最终监测段;在第一中和反应段中开挖槽体a,在第二中和反应段中开挖槽体b,在金属离子吸附段中开挖槽体c;在槽体a内填上装有回填土A的钢筋笼;在槽体b内填上装有回填土B的钢筋笼;在槽体c内填上回填土C。本发明的方法总体简单易行,能够中和酸性矿山废水,有效地去除其中多种重金属离子,同时维护成本低、在实际工程中具有可推广性,具有重要的工程意义和理论研究价值。

标签:
废水处理
湖南 - 长沙 来源:北方有色网 2023-03-19
苎麻生物脱胶废水重复利用的方法及装置

本发明提供一种苎麻生物脱胶废水重复利用的方法,本发明提供的方法包括以下步骤:向苎麻发酵后的废液中加入脱胶菌种液后进行苎麻发酵,所述脱胶菌种为果胶杆菌(Pectobacterium?sp.)RJ6,所述果胶杆菌的保藏编号为CCTCC?NO:M?2010174;将苎麻灭菌后的废液加入微生物培养罐中,进行微生物培养;将苎麻清洗废水静置后进行暴氧和过滤,将得到的水用于清洗灭菌后的苎麻。本发明提供的方法采用保藏编号为CCTCC?NO:M?2010174的果胶杆菌作为苎麻生物脱胶的菌种,其具有较强的耐酸碱的生存能力,在发酵废水中维持正常的生理活性,因此实现了对发酵废水的重复利用,大大降低了生产成本。

标签:
废水处理
湖南 - 长沙 来源:北方有色网 2023-03-19
印刷油墨废水的无废弃循环回用处理工艺

本发明公开了一种印刷油墨废水的无废弃循环回用处理工艺,其特征在于,包括以下步骤:(1)将当前批次印刷油墨废水进行混凝沉淀处理,得到当前批次上清液A和当前批次污泥沉淀A;(2)将当前批次上清液A依次进行催化氧化、絮凝沉淀处理,得当前批次上清液B和当前批次污泥沉淀B;(3)将当前批次上清液B精密过滤后进行反渗透处理,得当前批次浓水和当前批次可回用产水;(4)将当前批次浓水通过光催化氧化处理后进行蒸发,得到当前批次可回用盐和当前批次可回用产水;(5)依次循环步骤(1)~(4)将所有印刷油墨废水待处理完毕后,收集所有批次可回用盐和可回用产水即可。本发明工艺的流程简单、处理高效,能同时有效降低废水中的化学需氧量和溶解性总固体量,可实现油墨废水的循环回用和无废弃物排放。

标签:
废水处理
湖南 - 长沙 来源:北方有色网 2023-03-19
重金属废水电化学处理反应速率在线估计方法及装置

本发明提供一种重金属废水电化学处理反应速率在线估计方法及装置,所述方法包括:获取电解槽池待处理废水的入口重金属离子A浓度、电解电压、电导率、电解槽体积、极板面积以及极板初始间距,基于电化学反应动力学模型,实现重金属废水电化学处理反应速率在线估计。本发明提供的重金属废水电化学处理反应速率在线估计方法,能够对电解槽中电化学反应速率进行在线估计,可根据反应速率在线估计值对操作量进行实时调控,对电化学废水处理过程的优化指导具有重要意义。

标签:
废水处理
湖南 - 长沙 来源:北方有色网 2023-03-19
没食子酸生产废水的处理方法

本发明公开了一种从没食子酸生产废水中回收没食子酸的方法。本发明包括萃取-反萃两个部分:首先选用合适的萃取剂,按照一定的相比与废水在萃取槽中接触,将没食子酸萃取到有机相中,然后用氢氧化钠溶液与萃取后的负载有机溶剂在反萃槽中接触,将没食子酸转化为没食子酸钠,并反萃到水相中。本发明可以回收废液中90%以上的没食子酸,避免了资源的浪费,而且所用萃取剂可以循环使用,药剂损耗少,该方法工艺简单、经济高效、环境友好、运行成本低,适用于没食子酸废水的处理。

标签:
废水处理
湖南 - 长沙 来源:北方有色网 2023-03-19
用于电镀废水处理的重金属离子螯合剂及其制备方法和应用

本发明公开了一种用于电镀废水处理的重金属离子螯合剂及其制备方法和应用,制备方法包括以下步骤:(1)将硫酸镁溶液滴加至硅酸钠溶液中,磁力搅拌2h~4h,然后进行水热反应,制得硅酸镁凝胶液;(2)将4‑氨基苯并‑18‑冠‑6溶解于有机溶剂中;(3)将步骤(2)的溶液和丙烯酸加入到步骤(1)的硅酸镁凝胶液中,磁力搅拌2h~4h,混合均匀后进行水热反应,反应完毕后过滤,将过滤产物抽滤,洗涤后干燥,得到所述重金属离子螯合剂。该制备方法所制备的重金属离子螯合剂应用于电镀废水处理,尤其是重金属离子主要以与配合剂络合的形式存在的电镀废水,能实现重金属离子的高去除率和高稳定性去除。

标签:
废水处理
湖南 - 长沙 来源:北方有色网 2023-03-19
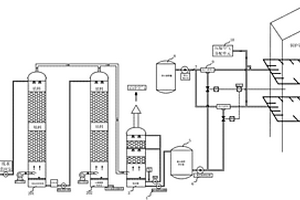
SRG洗涤废水催化除盐的系统

本实用新型公开了一种SRG洗涤废水催化除盐的系统。该系统包括废水输送装置、炭液分离池、沉降吸附池、催化歧化池以及胶体脱稳池。所述废水输送装置与炭液分离池的进料口相连通。所述炭液分离池、沉降吸附池、催化歧化池以及胶体脱稳池依次串联设置。本实用新型结构简单,易操作,在处理废水的同时,可回收硫磺,实现废水的资源化处理,无二次污染产生。

标签:
废水处理
湖南 - 长沙 来源:北方有色网 2023-03-19
臭氧处理有机物废水综合分析系统

本实用新型公开了一种臭氧处理有机物废水综合分析系统,包括,臭氧处理有机废水综合分析系统、制氧机、臭氧发生器、臭氧检测仪、泵、进水储槽、臭氧毁灭器、臭氧检测仪和出水储槽,臭氧处理有机废水综合分析系统的进气口连接臭氧检测仪,臭氧检测仪连接臭氧发生器,臭氧发生器连接制氧机,臭氧处理有机废水综合分析系统的进水口连接泵;解决了污染环境中臭氧催化氧化有机废水过程中臭氧催化剂性能检测的问题。

标签:
废水处理
湖南 - 长沙 来源:北方有色网 2023-03-19
机油废水的处理方法和处理系统

本发明公开了一种机油废水的处理方法和处理系统,本发明提供的机油废水的处理方法,包括将机油废水依次经过电絮凝处理、气浮处理和沉淀处理,并将沉淀处理得到的清液进行生化处理和电化学氧化处理;电化学氧化处理采用的电化学氧化阳极为BDD(boron‑dopeddiamond掺硼金刚石);机油废水中COD含量≥180000mg/L。上述处理方法,能够有效提高对机油中COD的去除。本发明还提供了用于实施上述处理方法的处理系统。

标签:
废水处理
湖南 - 长沙 来源:北方有色网 2023-03-19
选择性处理复杂废水的菌丝滤膜装置及处理工艺

本发明提供了一种选择性处理复杂废水的菌丝滤膜装置及处理工艺,所述装置由一个选择性废水处理装置或多个串联组成的选择性废水处理装置构成。所述选择性吸附废水处理装置包括菌丝滤膜反应罐、浓缩富集系统、梯级回收系统和可变直流电源,且菌丝滤膜反应罐内包含能选择性吸附特定污染物的菌丝滤膜。废水中污染物通过菌丝滤膜、填料层吸附和电场的共同作用在菌丝滤膜反应罐内沉积富集;脱附浓缩通过带电污染物在淋洗液和反向电场的驱动下脱附至淋洗液中,淋洗液浓缩后资源化利用。本发明利用污染物与基团的选择吸附性协同电场驱动实现了废水的处理和副产物分类,处理过程无二次污染,具有较高的经济及应用价值。

标签:
废水处理
湖南 - 长沙 来源:北方有色网 2023-03-19
重金属废水处理器
重金属废水处理器 1089     
 0

本发明属于废水处理设备技术领域,具体涉及一种重金属废水处理器。一种重金属废水处理器包括壳体、反应容器、加热装置、驱动马达、减震悬挂装置和控制系统,其特征在于:壳体中央设置的反应容器通过两侧设置的吊环与壳体的悬挂吊杆相连,反应容器周围设置有加热装置,反应容器底部安装有驱动马达,壳体上安装有控制系统,壳体下部设置有折叠轮。该重金属废水处理器操作方便,维修简单,能耗和废水处理成本低,可高效处理重金属废水。

标签:
废水处理
湖南 - 长沙 来源:北方有色网 2023-03-19
有机废水的处理方法和处理系统

本发明公开了一种有机废水的处理方法和处理系统,其中有机废水的处理方法包括在双氧水的辅助下,电化学氧化处理有机废水;电化学氧化处理采用的阳极为BDD电极;电化学氧化处理采用的阴极包括导电网和分布在导电网远离阳极一侧的改性BDD电极;改性BDD电极包括BDD电极和负载于BDD电极表面的羟基氧化铁;导电网的孔径≥1mm。该处理方法可针对多种有机废水,能够有效提高污染物的去除速率和去除比例。本发明还提供了用于实施上述处理方法的处理系统。

标签:
废水处理
湖南 - 长沙 来源:北方有色网 2023-03-19
氧化铅锌矿选矿废水深度处理与回用方法

本发明公开了一种氧化铅锌矿选矿废水深度处理与回用方法,主要针对目前水质成分复杂,高COD、高盐分的氧化铅锌矿选矿废水。本发明通过预处理+电渗析+化学氧化工艺,深度脱除水中硅酸盐、COD、TDS和重金属离子,处理水回用于选矿工艺,同自来水对比,选矿指标处同一水平。本发明提供一种氧化铅锌矿选矿废水处理工艺,具有特征污染物去除率高,能够实现多种污染物同时深度脱除,且工艺简单、稳定、废水回用率高、易于操作且占地小、成本低等优点,相比目前市场上的其他选矿废水回用技术,本发明具有明显的成本和效果优势。

标签:
废水处理
湖南 - 长沙 来源:北方有色网 2023-03-19
高浓度氨氮废水与垃圾焚烧烟气NOx污染物协同治理的方法及系统

一种高浓度氨氮废水与垃圾焚烧烟气NOx污染物协同治理的方法及系统,该方法的步骤为:S1:氨氮废水首先进入pH调节池,送入一级氨氮吹脱塔的液体分布器;S2:空气进入一级氨氮吹脱塔塔体下方进气口,充满进气段空间后匀压上升到填料段;废水被提升到填料塔的塔顶,分布到填料的整个表面,往下流,与气体逆向流动,空气将游离状态的氨吹出;S3:氨氮废水经一次吹脱后进入回收池,进入二级吹脱塔循环此过程,吹出的氨气再次进入吸收塔;S4:处理后的洁净空气由吸收塔上部排气筒排出,氨氮废水经两级氨吹脱后排入污水后续处理单元继续处理,达标后排放。该系统用来实施上述方法。本发明具有原理简单、易推广、处理效果好等优点。

标签:
废水处理
湖南 - 长沙 来源:北方有色网 2023-03-19
三维电极反应器及其在难降解有机废水处理中的应用

本发明涉及一种废水处理装置,特别是一种可用于处理生物难降解有机物的三维电极反应器。该反应器由槽体,电极阴极,电极阳极,粒子电极,隔膜板和直流电源构成;它是以电能作为激发能,以具有催化活性的粒子电极为工作电极的三维电极反应器。该反应器可用于一般有机废水的处理及生物难降解有机物的处理,使用其稳定达标;可用于高浓度和生物难降解的有机废水的前处理,使之分解为分子量较小的易于微生物降解的有机物,从而大大提高废水的可生化性;也可用于废水生化工艺的后处理,以确保废水的达标排放。

标签:
废水处理
湖南 - 长沙 来源:北方有色网 2023-03-19
含重金属偏酸性废水的处理方法及其处理系统

本发明属于废水的多级处理方法及其处理系统,具体公开了一种含重金属偏酸性废水的处理方法及其处理系统,包括以下步骤:先将炭粉、铁屑混合,再添加经改性的沸石,置于内电解池中,将经过预处理后废水输送到该内电解池中,曝气条件下反应10~30min;使出水直接进入电化学反应池,池中极板的间距为0.6~1.4cm,反应5s~5min;出水进行沉淀、固液分离即可。该处理系统包括依次相连接的调节池、内电解池、电化学反应池、沉淀池和过滤池;内电解池中设有反应床,反应床中充填沸石、炭粉和铁屑组成的滤料;电化学反应池中装设有电化学反应器,过滤池中装设有表面膜过滤器。本发明处理方法具有适用范围广、运行稳定、处理效果好、处理成本小、环保无污染等优点。

标签:
废水处理
湖南 - 长沙 来源:北方有色网 2023-03-19
气液联用软化高硬度废水的方法及装置

本发明公开了一种气液联用软化高硬度废水的方法及装置,其中气液联用高硬度废水的方法包括如下步骤:将软化药剂与高硬度废水充分混合得到混合溶液;将混合溶液与二氧化碳气体接触反应;将混合溶液进行固液分离,完成高硬度废水的处理。装置包括气液联用喷淋塔、微纳曝气系统、平流沉淀池、砂滤罐,微纳曝气系统设置于气液联用喷淋塔的底部,平流沉淀池与位于气液联用喷淋塔上部的出水口连通,砂滤罐与位于平流沉淀池上部的溢流管连通。本发明提供的装置结构简单、处理量大、处理效率高,应用于气液联用软化高硬度废水方法中,具有成本低廉,处理效果好且工艺简单等优势。

标签:
废水处理
湖南 - 长沙 来源:北方有色网 2023-03-19
利用酒石酸改性平菇制备的凝胶小球去除废水中六价铬的方法

本发明公开了一种利用酒石酸改性平菇制备的凝胶小球去除废水中六价铬的方法,所述方法包括以下步骤:取一定量的含Cr(VI)废水并调节pH值为1.0~10.0,将一定量利用酒石酸改性平菇制备的凝胶小球添加到废水中,每升废水中的添加量以酒石酸改性平菇凝胶小球湿重计为5g~15g,在转速为100~200转/分钟的恒温振荡器中反应1~48h,并控制反应温度为10℃~50℃,反应完成后将酒石酸改性平菇凝胶小球从溶液中分离,完成对废水中Cr(VI)的去除。本发明具有成本低、操作方便、处理效率高,易于分离回收等优点。

标签:
废水处理
湖南 - 长沙 来源:北方有色网 2023-03-19
高盐高有机物的金桔蜜饯加工废水的处理方法

本发明公开一种高盐高有机物的金桔加工废水的处理方法,其方法主要包括以下六个步骤:1)投加生石灰,搅拌使其充分反应;2)微滤机过滤;3)投加生石灰、PAC、PAM,进行混凝气浮;4)投加H2SO4调整pH至8.5;5)接种嗜盐微生物进行厌氧折流板反应(ABR);6)嗜盐一级接触氧化和嗜盐二级接触氧化。本发明通过投加药剂,且在微滤机和混凝气浮联合作用下,可将果渣、焦亚硫酸钙等悬浮物和部分大分子有机物有效去除,保证了理想的预处理效果。且从根本上解决了在高盐高有机物废水中一般活性污泥无法生存、生化处理效果差的难题。

标签:
废水处理
湖南 - 长沙 来源:北方有色网 2023-03-19
高浓度含氟废水的处理方法

本发明提供了一种高浓度含氟废水的处理方法,包括以下步骤:对高浓度含氟废水进行压滤以去除废水中的固体残渣,收集滤液,向滤液中加入助凝剂,然后将滤液同助凝剂一起加入电絮凝反应器的反应腔内,启动电絮凝反应器进行絮凝处理,絮凝处理完成后先在电絮凝反应器的出水口处投加吸附剂,含絮状物的混合液以及絮凝处理过程中产生的氢气经出水口排出,再经固液分离,获得的溶液可直接排放。本发明的处理方法,流程简短、操作简单、环保安全、可操作性强,相较于传统的吸附法及电凝聚法,可以快速分离后续产生的絮状物与处理后溶液,可以有效降低高浓度含氟废水的氟含量,且工艺成本低,适于大规模化应用。

标签:
废水处理
湖南 - 长沙 来源:北方有色网 2023-03-19
采选矿含有机物和重金属废水协同氧化处理的方法

本发明公开了一种采、选矿含有机物重金属废水生物制剂-氧化剂协同氧化处理与回用的新方法,采、选矿废水通过生物制剂与氧化剂协同-水解-脱除硬度-固液分离的过程,可实现直接去除废水中的重金属离子、有机物(COD)及钙镁离子。废水通过处理后重金属离子指标达到《地表水环境质量标准》(GB3838-2002)中三类标准的限值,COD脱除到40mg/L以下,总硬度(以碳酸钙计)脱除到100mg/L以下。本发明处理采选矿废水清洁高效、投资及运营成本低廉、操作简单、抗冲击负荷能力强,可实现采、选矿含有机物重金属废水的深度处理与全面回用。

标签:
废水处理
湖南 - 长沙 来源:北方有色网 2023-03-19
处理高砷多污染物硫酸废水的方法

一种处理高砷多污染物硫酸废水的方法,包括:将8-10%的石灰乳溶液加到废水中,使中和后废水PH值为3.0-4.0;往经石灰乳溶液中和并沉淀后的废水澄清液中通空气,再加入5-10%的硫酸亚铁溶液;将8-10%的石灰乳溶液加到经上述氧化并沉淀后的废水澄清液中,使中和后废水PH值为8.0-9.0;投入过量的15-25%的NAS溶液于经上步中和并沉淀后的废水澄清液中。如此,经“低PH氧化共沉加硫化法”的分步沉淀处理流程,砷脱除率高过95%以上,形态为低毒的五价砷,且不返溶;铅锌脱除率为90%,可返冶炼工艺回收。

标签:
废水处理
湖南 - 长沙 来源:北方有色网 2023-03-19
去除提钒废水中重金属离子的方法

本发明公开了一种去除提钒废水中重金属的离子交换方法。该方法是采用两种不同类型的大孔型离子螯合树脂联合吸附废水中的钒、铬及其他重金属离子,然后通过投加化学药剂使树脂解吸再生重复使用,树脂再生率可达95%以上。本发明的处理方法主要包括废水沉淀、树脂吸附、解析与再生等步骤。该工艺具有运行周期长、再生工艺简单、再生废液量小、处理效果好等特点。其特征在于,先采用D706树脂作为吸附介质吸附废水中的钒、铬重金属离子,然后采用D708树脂吸附废水中的其他重金属离子。

标签:
废水处理
湖南 - 长沙 来源:北方有色网 2023-03-19
高浓度有机废水厌氧生物处理同步产电方法及装置

高浓度有机废水厌氧生物处理同步产电方法及装置。主要利用产电微生物催化氧化高浓度有机废水中的有机污染物产生电子和质子,产电微生物将呼吸链的电子传递到阳极,并经外电路流向阴极,从而产生外电流;产生的质子通过电解液传递到阴极,内电路电流方向为从阳极流向阴极,由此完成反应器内部电荷的传递;外电路的电子到达阴极与硝态氮及硫酸盐等电子受体发生还原反应,由此完成产电过程。本发明所述方法对高浓度有机废水进行高效厌氧生物处理的同时能实现同步产电,实现净水产能双效合一;所述产电装置结构简单,操作方便,效率高且能耗低,是一种可广泛推广应用的高浓度有机废水处理装置。

标签:
废水处理
湖南 - 长沙 来源:北方有色网 2023-03-19
废水处理用碳材料的制备方法及其产品和应用

本发明公开了一种废水处理用碳材料的制备方法及其产品和应用。本发明通过动物粪便与SBA‑15混合,干燥,然后浸渍于含有铁和对苯二甲酸的混合溶液中,水热反应,分段碳化,采用氢氧化钠浸渍反应,得到铁改性的多孔碳包覆的介孔碳,通过上述制备方法,丰富了碳材料的孔道结构以及提高了碳材料的表面积以及孔容,进而提高了对废水中的金属离子铬、铜、铅等金属离子具有很好的去除能力,是用于去除废水中金属离子的理想材料。

标签:
废水处理
湖南 - 长沙 来源:北方有色网 2023-03-19
利用养殖废水和剩余活性污泥生产微生物絮凝剂的方法

本发明公开了一种利用养殖废水和剩余活性污泥生产微生物絮凝剂的方法。首先将菌株植入种子培养基,培养获得种子液;其次在养殖废水中加入蔗糖(作为补充碳源)、磷酸盐(调节pH)制得养殖废水发酵培养基,将养殖废水与预处理剩余活性污泥按照体积比1∶5~1∶8混合,制得养殖废水-剩余活性污泥发酵培养基;最后,接种1~2%的种子液至发酵培养基,采用两步发酵工艺发酵生产絮凝剂生产微生物絮凝剂。本发明利用富含N、P、K的养殖废水和富含有机质的剩余活性污泥生产微生物絮凝剂,大大降低生产成本,实现废物综合利用,生产方法简便易行,生产的微生物絮凝剂具有较高的絮凝性能。

标签:
废水处理
湖南 - 长沙 来源:北方有色网 2023-03-19
上一页 99 100 101 102 103 ... 117 下一页
共117页    到第

北方有色为您提供最新的湖南长沙有色金属环境保护技术理论与应用信息,涵盖发明专利、权利要求、说明书、技术领域、背景技术、实用新型内容及具体实施方式等有色技术内容。打造最具专业性的有色金属技术理论与应用平台!

全国热门有色金属设备推荐
展开更多 +
全国热门有色金属技术推荐
展开更多 +

 

江西省隆恩特环保设备有限公司
宣传

报名参会
更多+

报告下载

有色专家
更多+

广东省科学院资源利用与稀土开发研究所
教授
矿冶科技集团有限公司
所长/研究员级高工
江西省科学院应用化学研究所
副主任/副研究员
长沙矿山研究院有限责任公司
高级工程师
清华大学
研究员
赤泥综合利用研究报告2025
推广

热门技术
更多+

推荐企业
更多+

福建省金龙稀土股份有限公司
宣传

发布

在线客服

公众号

电话

顶部
咨询电话:
010-88793500-807