青岛垚鑫智能科技有限公司
宣传

位置:中冶有色 >

有色技术频道 >

> 失效分析技术

分类:
全部
矿山技术
冶金技术
材料制备及加工技术
环境保护技术
分析检测技术
 
全部
物理检测技术
化学分析技术
力学检测技术
无损检测技术
失效分析技术
环境检测技术
地区:
全部
北京
天津
上海
重庆
河北
山西
辽宁
吉林
黑龙江
江苏
浙江
安徽
福建
江西
山东
河南
湖北
湖南
广东
海南
四川
贵州
云南
陕西
甘肃
青海
内蒙
广西
西藏
宁夏
新疆
其他
其他
展开
 
全部
北京

北京有色金属失效分析技术理论与应用

免费发布技术信息>>
高速铁路风险分析控制方法及系统

本发明涉及风险控制技术领域,提供了一种高速铁路风险分析控制方法及系统。本发明中,利用故障树和事件树分别对高速铁路系统危害事件进行发生成因分析和发生后果分析,将m类成因与n类后果组成m×n个事故序列,并得到所有事故序列的风险值;将所有序列按风险值进行排序,得到高风险的事故序列,针对高风险事故序列设置成因和后果控制措施,并设置防止成因、后果控制措施失效的进一步失效控制措施。利用本发明的方法和系统,通过对事故序列的风险分析达到对危害事件风险进行全面预测,并提出通过对高风险事故序列的成因和后果扩展分别设置控制措施的风险控制方法,使构成危害事件风险的两个要素分别得到控制,从而有效控制危害事件的风险。

标签:
失效分析
北京 - 北京 来源:中冶有色网 2023-03-19
基于跨层次建模的故障仿真分析方法

本发明提供了一种基于跨层次建模的故障仿真分析方法,其包括:在装备使用场景信息基础上,搭建装备级使用场景模型,分析系统装备级至系统级的操作要求,搭建系统级操作模型,结合系统安全性性能要求,明确系统故障判据,通过集成构建系统性能模型,构建关键部位故障机理模型,进行跨层级综合仿真和系统故障仿真分析,观测系统在不同故障机理条件下的失效时间。本发明基于故障机理、系统性能、系统操作失效自下而上的影响关系,分析系统失效时间,更具完整性和准确性,适用范围广,仿真与设计更加贴合,分析结果具有实际的指导意义。

标签:
失效分析
北京 - 北京 来源:中冶有色网 2023-03-19
软件安全性分析方法及系统

本发明涉及一种软件安全性分析方法及系统,属于软件开发和测试技术领域,解决了现有技术中软件安全性分析方法分析结果准确率低、可靠性差的问题。该方法包括:建立软件失效数据知识库;基于所述软件失效数据知识库,根据目标软件的需求文档和/或软件系统关键词为所述目标软件匹配相应的软件失效模式,根据所述软件失效模式更新所述目标软件的需求文档。该方法提高了软件安全性分析的效率和质量,进而减低软件质量风险。

标签:
失效分析
北京 - 北京 来源:中冶有色网 2023-03-19
基于性能模型的系统安全性分析方法

本发明提供一种基于性能模型的系统安全性分析方法,该方法包括以下步骤:步骤S1:系统性能模型构建,包括建模信息收集,单元模块性能建模、系统集成性能建模、确定系统性能观测指标;步骤S2:系统性能故障模型构建,包括对系统进行分层、单元模块的失效建模、耦合失效建模、故障的触发建模;步骤S3:基于系统性能故障模型的安全性分析,包括获取系统输出的敏感参数、选择需要触发的故障状态,得到系统失效时间、耦合作用的失效分布和失效集合,再结合抽样算法开展系统性能输出的安全性分析。本发明解决传统可靠性建模方法不准确、不全面问题;以图形化方式和数学模型方式同时准确定位导致系统性能失效的敏感参数和关键失效模式。

标签:
失效分析
北京 - 北京 来源:中冶有色网 2023-03-19
基于非线性相关分析的工艺可靠性评估方法

本发明公开了一种基于非线性相关分析的工艺可靠性评估方法,其首先对产品进行失效机理分析和FMEA分析,确定影响产品固有可靠性的产品特性以及影响各产品特性的过程特性,利用基于Clayton?copula熵的偏互信息估计方法选取关键产品特性和关键过程特性,然后借助于Clayton?copula函数给出过程特性间的相依结构,最后给出基于支持向量机的产品固有可靠性预测方法。本发明利用偏互信息有效地衡量变量间的非线性关系,并利用偏互信息与Clayton?Copula熵之间的关系式避免估计联合概率密度函数,提高偏互信息估计的准确度。对输入变量进行有效选择,提高了模型的预测精度和效率。

标签:
失效分析
北京 - 北京 来源:中冶有色网 2023-03-19
基于高速列车系统作用关系网络的可靠性分析方法

本发明属于高速列车系统可靠性技术领域,尤其是涉及一种基于高速列车系统作用关系网络的可靠性分析方法。其特征在于,所述方法包括首先根据高速列车系统部件间作用关系,构建高速列车系统作用关系网络模型;然后定义系统网络模型的基础评价测度指标,根据网络理论中拓扑度和最短路径,结合失效率定义节点的失效度和最短失效路径;改进作用关系网络模型可靠性测度指标,根据最短失效路径定义节点的失效介数、节点的凝聚度以及网络的连通度;最后根据改进后的高速列车系统作用关系网络模型的可靠性测度指标,分析高速列车系统可靠性。本发明克服了传统高速列车系统可靠性分析方法的缺陷。提高了可靠性评估的准确度,具有更高的实用性。

标签:
失效分析
北京 - 北京 来源:中冶有色网 2023-03-19
水下连接器可靠性分析方法及系统

本发明涉及一种水下连接器可靠性分析方法及系统,其特征在于,包括以下内容:1)获取待测水下连接器的实际三维模型,并建立待测水下连接器的有限元模拟模型;2)获取待测水下连接器有限元模拟模型的输入因素和常见故障,并根据与待测水下连接器结构相似的机械设备的常见故障,确定待测水下连接器的易失效部位;3)确定待测水下连接器进行有限元分析时的输入方案,并模拟得到待测水下连接器的应力值和应变值;4)分别建立待测水下连接器易失效部位的可靠性模型,并对确定的输入方案进行抽样分析,确定待测水下连接器易失效部位的可靠度和失效概率,本发明可以广泛应用于水下生产系统领域中。

标签:
失效分析
北京 - 北京 来源:中冶有色网 2023-03-19
瓷外壳功率型电阻器开封分析方法

本申请提供一种瓷外壳功率型电阻器开封分析方法,所述方法包括:失效点位置及失效原因分析方法;失效点位置及失效原因分析方法包括:获取电阻器的问题外观图像和问题内部图像;根据问题外观图像和问题内部图像确定疑似失效点位置;对电阻器的外壳进行化学溶解暴露出电阻膜;获取电阻膜的问题图像;结合问题图像和疑似失效点位置确定失效点位置;根据问题图像确定失效点位置的疑似失效原因;对电阻膜进行能谱分析得到能谱分析结果;结合能谱分析结果和疑似失效原因确定失效原因。通过结构定位、物理测试和化学腐蚀相结合的方式进行开封分析,解决了瓷外壳功率型电阻器的失效分析问题,具有针对性强,操作简单的特点。

标签:
失效分析
北京 - 北京 来源:中冶有色网 2023-03-19
专利持续期实时分析系统及方法

一种专利持续期实时分析系统,包括一用户操作模块、一结果显示装置,一语言转换模块、一法律状态模块、一目录信息模块、一专利持续期分析模块和一实时更新模块。一种专利持续期实时分析方法包括下列步骤:(1)设置公司名称、更新周期和检索系统;(2)根据检索系统支持的语言类型读取相应的公司名称;(3)根据上述公司名称返回专利状态为“专利权失效”的专利申请号和失效日;(4)根据上述专利申请号返回授权日;(5)读取上述授权日和上述失效日计算专利持续期,同时对专利持续期分布进行拟合;(6)显示专利持续期和其拟合分布曲线,并对专利持续期进行排序。根据本发明的系统和方法,可基于专利质量对公司专利生命周期进行分析,从而缩减分析的响应时间并提高分析的质量。

标签:
失效分析
北京 - 北京 来源:中冶有色网 2023-03-19
CFG桩复合地基承载力特性与变形分析方法

本发明公开了一种CFG桩复合地基承载力特性与变形分析方法,包括CFG桩,所述CFG桩包括外壳,以及安装于外壳内部的四根钢筋,所述钢筋的外壁上缠绕光纤线缆设置。本发明埋设少时不容易出现漏检,埋设过多时,不会由于引线过多影响桩身结构及承载力的发挥,传感器与传导线的交接处接触优良、不会造成检测点失效和低成活率。

标签:
失效分析
北京 - 北京 来源:中冶有色网 2023-03-19
航空发动机涡轮增压系统的安全性分析验证方法

本发明公开了一种航空发动机涡轮增压系统的安全性分析验证方法。该方法包括:步骤S1:采用“蒙特卡洛法”评估增压系统各失效模式的失效概率,并对比采用安全控制策略前后,增压系统的失效模式及失效概率的差异,以判断安全控制策略的有效性;步骤S2:采用“模型检验法”对采用安全控制策略后的增压系统的控制软件部分进行分析检验,以判断控制软件部分是否具有处理异常情况输入的能力。该方法使得采用安全控制策略后,系统各个失效模式的概率均有下降且安全性水平得到提高;并且,该方法有效地分析控制系统中复杂控制逻辑和部件失效的影响,发现需求中存在的一些缺陷,提高分析效率,适用于高安全要求的复杂控制系统。

标签:
失效分析
北京 - 北京 来源:中冶有色网 2023-03-19
用于确定超链接的锚文本可信度的分析设备和方法

本发明提供一种用于确定超链接的锚文本可信度的分析设备和方法,包括:获取与所述超链接相对应的锚文本;根据所述锚文本,获取与所述锚文本对应的锚文本相关信息;根据所述锚文本相关信息,加权确定所述超链接的锚文本可信度。与现有技术相比,本发明基于锚文本相关信息来加权确定超链接的锚文本可信度,使超链接的锚文本与超链接指向页面之间的内容相关性更加合理。此外,将本发明应用到搜索引擎领域,还可精确地检测作弊超链的虚假锚文本、过期超链的失效锚文本,调整基于所述虚假锚文本和失效锚文本的页面权威度和排名,进而提升搜索引擎搜索结果的排序质量。

标签:
失效分析
北京 - 北京 来源:中冶有色网 2023-03-19
电池电极中活性物质的定量分析方法和应用

本发明提供了电池电极中活性物质的定量分析方法,所述方法包括通过化学滴定和气相色谱法对电池电极中的活性物质进行定量分析,还提供了其应用。本发明是一种可靠的用于区分和定量分析电池内活性物质和非活性物质电荷消耗的检测方法,方法简便,易于操作。本发明方法将拓展化学滴定和气相色谱法在电池领域的重要应用,帮助研发人员更全面地掌握电池失效机制,并以此为基础改进并设计新型长寿命电池。

标签:
失效分析
北京 - 北京 来源:中冶有色网 2023-03-19
基于相关性回归分析的卫星太阳能电池阵故障数据提取方法

本发明公开了一种基于相关性回归分析的卫星太阳能电池阵故障数据提取方法,属于卫星太阳能电池阵的失效分析技术领域。本发明首先对观测数据进行预处理,然后计算相邻两天观测数据的一阶差分,对预处理后的观测数据进行填补,确定填补后的观测数据的去均值化的观测数据的一阶差分;以性能衰减模型拟合最优为目标寻找突变点判断阈值,得到观测数据中的突变点;最后针对所寻找出的突变点观察原始观测数据,对其是否发生真实失效进行判断,实现对卫星太阳能电池阵故障数据提取。本发明充分利用了遥测观测数据,有较高的失效点的检测率和较低的误报率;与现有的故障信息提取方法相比,本发明方法显著提高了故障数据提取的通用性和准确度。

标签:
失效分析
北京 - 北京 来源:中冶有色网 2023-03-19
基于大数据的计量设备误差分析方法

本发明公开了一种基于大数据的计量设备误差分析方法,在计量设备检测系统的基础上,由主监测平台服务器根据各子站服务器的计算负荷情况选择计算负荷最低的服务器作为当前分析任务的分析服务器,并将当前分析任务所需的原始数据传递至分析服务器,分析服务器根据计量设备误差构建计量设备误差矩阵,根据检测时的环境参数情况构建环境影响矩阵,求解计量设备误差矩阵与环境影响矩阵之间的相关性函数,根据求解结果分析计量设备的误差与各种环境变量之间的关系。本发明分析计量设备误差与环境因素之间的关系,有利于计量设备失效机理的研究,能够实现对大量检测数据的分析,分析速度快、效率高、处理能力强、设备利用率高。

标签:
失效分析
北京 - 北京 来源:中冶有色网 2023-03-19
换流阀冷却系统关键元器件可靠性统计分析的建模方法

本发明涉及一种换流阀冷却系统关键元器件可靠性分析的建模方法,通过获得关键元器件的失效时间数据,经过统计分析后计算其经验分布函数,并以此为拟合标准,通过数据获得Weibull分布模型下的拟合分布函数,采用K-S检验法对拟合函数进行拟合优度检验,判断拟合函数与拟合标准是否在偏差范围内,记录Weibull分布模型中的模型参数,得到失效时间和模型参数的模型库,最终得到Weibull分布下的关键元器件可靠性分析模型,通过确定的模型参数,对关键元器件进行可靠性评定和可靠性预测。能够准确的预测关键元器件的可靠性情况,对整个系统的检修提出科学合理的建议,能够整体提高整个系统的可靠性。

标签:
失效分析
北京 - 北京 来源:中冶有色网 2023-03-19
通过机械传动链润滑油(脂)杂质分析的风机故障诊断方法

本发明涉及通过机械传动链润滑油(脂)杂质分析的风机机械故障诊断方法,包括:步骤一:风机运行各阶段部件润滑油、脂的取样,步骤二:待检油、脂取样的杂质分析和特征数据提取,步骤三:通过大量的失效分析,确定风机传动链部件的失效特征和损坏程度的判据数据,步骤四:构建数学模型,明确杂质数量及形态对应的部件状态、失效特征和损坏程度的识别,步骤五:四级检测结果,本发明直接对传动链的润滑油(脂)的铁含量进行定量分析,明确给出风电机组机械传动的四级检测,精确定诊断风机的维护、维修和更换的分级故障诊断。

标签:
失效分析
北京 - 北京 来源:中冶有色网 2023-03-19
基于首次穿越理论的振动主动控制系统非概率动力可靠性分析方法

本发明公开了一种基于首次穿越理论的振动主动控制系统非概率动力可靠性分析方法。该方法综合考虑材料的区间不确定性对主动控制系统适定性的影响。基于一阶状态空间方程格式和状态反馈控制原理,推导了主动控制系统的动力响应表达式;基于区间数学思想和时变不确定性传播分析方法,构建了受控结构动力响应的非概率区间过程模型;进而利用首次穿越理论和结构的控制率失效准则,定义了振动主动控制系统非概率动力可靠性指标,并探索了高效稳健的求解方法。本发明在进行可靠度计算时体现了材料分散性对受控结构动力响应的综合影响,可为控制器的精细化设计提供必要且可行的理论参考。

标签:
失效分析
北京 - 北京 来源:中冶有色网 2023-03-19
MAPS故障综合分析工具基于Simulink危害发生与传播分析方法

本发明公开一种MAPS故障综合分析工具基于Simulink危害发生与传播分析方法,该方法通过MAPS故障综合分析工具与Simulink建模工具包共同工作,获取构建系统模型中的进行信息;该方法通过对该系统模型中的各单个独立部件失效数据的标注,MAPS故障综合分析工具生成和获取整体模型对应的故障树,同时基于故障树产生系统的故障模式及影响信息,生成FMEA故障模式影响与危害性分析信息表表格。本发明具有快速、有效,减轻设计者的工作负担,加速系统研发与分析,允许设计者快速鉴别模型中的薄弱环节的特点。

标签:
失效分析
北京 - 北京 来源:中冶有色网 2023-03-19
基于先进的系统危险模式递进模型的事故分析方法

本发明公开了一种基于先进的系统危险模式递进模型的事故分析方法,该方法使用PMSHM建立完善的模型,包括如下6个步骤:列出事故发生前系统在运行期间所经历的与事故相关的最近事件;确定系统的分层控制结构;得出事故进程;明确操作人员从关键失效到事故发生期间所执行的操作以及其中存在的操作错误;根据以上结果建立PMSHM模型;对PMSHM进行分析,得到分析结果。本发明不仅考虑到各个组件,包括相关人员之间的相互作用,也反映了在事故演变过程中不断变化的系统安全状态。当危险的情况再次出现时,通过模型的分析结果,就可以了解到系统当前的安全状态,评估可能存在的系统风险,并及时的执行相应的应急预案。

标签:
失效分析
北京 - 北京 来源:中冶有色网 2023-03-19
基于SWT参数的Weakest‑Link方法的涡轮盘概率寿命分析方法

本发明公开了一种基于SWT参数的Weakest‑Link方法的涡轮盘概率寿命分析方法,步骤:(1)分别设计光滑圆棒试样和不同尺寸比例中心圆孔平板试样,开展涡轮盘试样件的低循环疲劳试验;(2)通过疲劳寿命Weibull分布参数估计值分析获得寿命分布指数bN;(3)建立SWT三参数幂函数寿命模型,通过最小二乘回归分析得到指数系数m;(4)计算损伤参数分布指数bW;(5)计算有效损伤参数(6)计算特征疲劳寿命(7)得到疲劳寿命Weibull分布函数式;(8)当可靠度Ps或失效概率取0.5时,求得预测中值寿命Np;当可靠度Ps分别取0.9987和0.0013时,得到概率寿命分析结果。本方法同时考虑几何尺寸效应和统计尺寸效应,实现确定性寿命预测,并给出概率寿命结果。

标签:
失效分析
北京 - 北京 来源:中冶有色网 2023-03-19
避免氧化炉管二氯乙烯失效的方法和装置

一种避免氧化炉管二氯乙烯失效的方法和装置,用于确保热氧化生长过程中二氯乙烯通过N2的携带方式正常通入所述氧化炉管内,对于每个含有二氯乙烯的工艺制程,采集其二氯乙烯重量减少的数据,如所述二氯乙烯重量减少的数据在正常值范围内,则说明每次都有足够量的二氯乙烯通进所述氧化炉管内。本发明通过直接监测DCE的重量是否减少来确保DCE送入氧化炉管内,消除了传统技术中通过监测N2的流量而间接地监测DCE是否送入氧化炉管所隐藏的不确定因素,保证了DCE能够有效去除SiO2生长过程的杂质离子,确保了SiO2的薄膜质量。

标签:
失效分析
北京 - 北京 来源:中冶有色网 2023-03-19
基于加速失效风险模型的驾驶员事故动态预警方法

本发明属于交通安全预警技术领域,涉及一种基于加速失效风险模型的驾驶员事故动态预警方法,包括以下步骤:采集驾驶员个人属性、车辆属性、违章特征和事故特征,并提取驾驶员事故间隔时间;融合驾驶员个人属性、车辆属性、违章特征和事故特征,构建驾驶员事故间隔时间样本数据库和高风险驾驶员事故间隔时间样本数据库;构建高风险驾驶员事故间隔时间最优加速失效风险模型,识别显著影响因素;计算事故预警时间;根据实时交通状态变化,对事故预警时间进行动态调整。本发明所述方法,利用高风险驾驶员事故间隔时间样本数据库,考虑删失数据,有效预测事故间隔时间;还根据高风险驾驶员当前违章或事故的实时变化,对事故预警时间动态调整。

标签:
失效分析
北京 - 北京 来源:中冶有色网 2023-03-19
针对失效卫星的超近距离最优防撞接近方法

本发明涉及一种航天器超近距离最优防撞接近方法,特别涉及一种针对失效卫星的超近距离最优防撞接近方法,属于航天器交会技术领域。首先将目标,即失效卫星设计为球和椭球组合形式的包络模型,以简化目标构型;进而考虑目标姿态翻滚,在动态的目标本体系下推导目标与追踪星的相对动力学模型,及追踪星的路径约束条件;同时考虑导航测量误差造成的位置不确定性,结合碰撞概率问题进一步扩大追踪星的禁飞区域;最后基于高斯伪谱法规划安全防撞路径,并进行闭环反馈控制。本发明既满足超近距离接近中的空间限制,又能够保证安全无碰撞的任务要求。且能够突出近距离抵近段航天器的姿轨耦合特点,并能够直接判断出航天器之间的距离是否满足约束条件。

标签:
失效分析
北京 - 北京 来源:中冶有色网 2023-03-19
电动执行器壳体密封失效快速定位装置

本实用新型公开了一种电动执行器壳体密封失效快速定位装置,其涉及罗托克电动执行器运维技术领域,旨在解决电动执行器缺少可以在线测试密封性的工装问题,其技术方案要点是包括电动执行器本体,所述电动执行器本体的外侧固定连接有电气罩充压短接和电池盖充压接头,所述电动执行器本体的上端设置有单向三通阀,所述单向三通阀的上端固定连接有压力表,所述单向三通阀的左端设置有第一气管,所述单向三通阀的右端设置有第二气管,所述第二气管的下端设置有手动充气泵。达到了方便安装和方便进行在线测试的效果。

标签:
失效分析
北京 - 北京 来源:中冶有色网 2023-03-19
基于SRAM型FPGA敏感因子的功能失效时间评估方法

一种基于SRAM型FPGA敏感因子的功能失效时间评估方法,该方法有四大步骤:步骤一:对SRAM型FPGA的配置网表文件进行解析,采用SelectMAP配置方法,利用可重构技术设计一套遍历式单粒子故障注入方法;步骤二:对FPGA进行功能电路配置,并对搭载有具体功能电路的FPGA实施遍历式故障注入试验;步骤三:收集敏感位数据,利用敏感位数据验证三模冗余设计的效率,并计算功能电路的敏感因子;步骤四:利用敏感因子计算功能电路的功能失效时间。本发明能够对搭载有功能电路的FPGA进行功能失效时间评估,计算功能电路时间参数,提高预测精度和运算效率,为单粒子加固提供数据上的支持,具有较好的可行性和推广价值。

标签:
失效分析
北京 - 北京 来源:中冶有色网 2023-03-19
应用于通海门封堵器失效的保护装置

本实用新型公开一种应用于通海门封堵器失效的保护装置,由装置本体构成,所述装置本体包括锥形塞子,控制开关、钢缆,所述塞子通过钢缆与控制开关连接,所述封堵器端面设置有挡板,所述挡板上设置有支架,所述挡板与所述支架之间凹槽内填充有橡胶材料,利用失效时产生的产生的吸力水压吸到通海门处起到封堵的作用,降低了检修风险和费用成本。

标签:
失效分析
北京 - 北京 来源:中冶有色网 2023-03-19
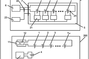
电气化铁路绝缘子类弯曲扭转试验失效判定系统

电气化铁路绝缘子类弯曲扭转试验失效判定系统属于轨道交通领域,适用于判定电气化铁路绝缘子类在各种工况下弯曲及扭转试验时的失效力值。该系统能实现电气化铁路棒形绝缘子、支柱绝缘子、车顶绝缘子等产品的弯曲及扭转试验。试验速度、试验高度、扭转角度可调,弯曲偏移量及扭转曲线可记录;测试参数包括:弯矩、扭矩,弯曲水平位移,扭转角等。该系统主要由机械系统、电子系统以及数据采集和显示系统等三大系统组成;机械系统主要包括立式机架(10)、移动中梁(20)、机座(30)、弯曲机构(40)、扭转施力机构(50)、油源(60)组成,电子系统主要由电控制柜(70)组成,数据采集和显示系统中的电脑控制单元(80)。

标签:
失效分析
北京 - 北京 来源:中冶有色网 2023-03-19
深水气井防砂筛管冲蚀-腐蚀耦合失效评价方法及装置

本发明涉及一种深水气井防砂筛管冲蚀‑腐蚀耦合失效评价方法,包括:确定实验方法,实验方法包括腐蚀、冲蚀和冲蚀‑腐蚀耦合实验,得到冲蚀‑腐蚀耦合速率与温度、CO2分压、流速、粒径及含砂量的各因素的关系;依据实验中冲蚀‑腐蚀耦合速率与温度、CO2分压、流速、粒径及含砂量的各因素的关系,通过单一冲蚀模型和腐蚀模型与因素关系相印证,进而得出单因素与冲蚀‑腐蚀耦合速率的关系;建立防砂筛管在不同温度、CO2分压、流速、粒径及含砂量的冲蚀‑腐蚀耦合速率预测模型;引入防砂筛管临界损坏厚度作为防砂筛管失效判据,进而建立防砂筛管冲蚀‑腐蚀损失评估方法。本发明能够对防砂筛管冲蚀和腐蚀研究相互之间进行耦合研究。

标签:
失效分析
北京 - 北京 来源:中冶有色网 2023-03-19
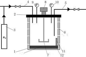
铅酸蓄电池开路失效试验系统和预判方法

本发明提供了一种铅酸蓄电池开路失效试验系统和预判方法,包括:铅酸蓄电池高温加速腐蚀子系统和铅酸蓄电池常温充放电子系统;所述铅酸蓄电池高温加速腐蚀子系统用以在高温环境下对铅酸蓄电池组持续浮充充电,包括高温试验箱、浮充电装置和蓄电池监测装置;所述铅酸蓄电池常温充放电子系统用以在常温环境下对铅酸蓄电池组或开路验证蓄电池进行放电或充电测试,包括恒流放电负载、充电装置和大电流放电负载。与现有技术相比,本发明的有益效果在于,本发明提供的铅酸蓄电池开路失效试验系统和预判方法,预判铅酸蓄电池在常温环境下持续浮充充电,因内部腐蚀,造成开路失效之前,铅酸蓄电池的可靠使用年限。

标签:
失效分析
北京 - 北京 来源:中冶有色网 2023-03-19
上一页 79 80 81 82 83 ... 94 下一页
共94页    到第

中冶有色为您提供最新的北京有色金属失效分析技术理论与应用信息,涵盖发明专利、权利要求、说明书、技术领域、背景技术、实用新型内容及具体实施方式等有色技术内容。打造最具专业性的有色金属技术理论与应用平台!

全国热门有色金属设备推荐
展开更多 +
全国热门有色金属技术推荐
展开更多 +

 

江西省隆恩特环保设备有限公司
宣传

报名参会
更多+

报告下载

有色专家
更多+

长沙矿冶研究院有限责任公司
中国工程院院士
江西省科学院应用化学研究所
副主任/副研究员
北京科技大学
副院长/教授
北京科技大学、中国科学院
院士
北京工业大学、中国工程院
中国工程院 院士
赤泥综合利用研究报告2025
推广

热门技术
更多+

推荐企业
更多+

福建省金龙稀土股份有限公司
宣传

发布

在线客服

公众号

电话

顶部
咨询电话:
010-88793500-807