青岛垚鑫智能科技有限公司
宣传

位置:中冶有色 >

有色技术频道 >

> 加工技术

分类:
全部
矿山技术
冶金技术
材料制备及加工技术
环境保护技术
分析检测技术
 
全部
功能材料技术
复合材料技术
新能源材料技术
合金材料技术
加工技术
地区:
全部
北京
天津
上海
重庆
河北
山西
辽宁
吉林
黑龙江
江苏
浙江
安徽
福建
江西
山东
河南
湖北
湖南
广东
海南
四川
贵州
云南
陕西
甘肃
青海
内蒙
广西
西藏
宁夏
新疆
其他
其他
展开
 
全部
南京
无锡
徐州
常州
苏州
南通
连云港
淮安
盐城
扬州
镇江
泰州
宿迁

江苏有色金属加工技术理论与应用

免费发布技术信息>>
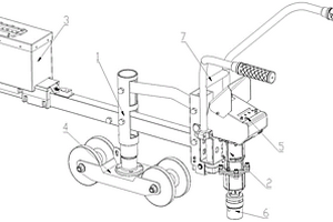
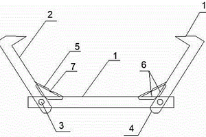
锂电池运输用防挤压装置

本实用新型提供一种锂电池运输用防挤压装置,涉及锂电池技术领域。该锂电池运输用防挤压装置,包括外箱所述外箱的内部为中空结构,外箱的内部设置有两个竖杆,两个竖杆的两端分别与外箱的内部固定连接,外箱的内部设置有内箱,两个竖杆的外表面均滑动连接有滑块,内箱的两侧面均通过伸缩杆A与两个滑块相互靠近的一面固定连接,两个伸缩杆A的外表面均套接有弹簧A,内箱的下方设置动板。该锂电池运输用防挤压装置,通过设置弹簧A、弹簧C和弹簧D,达到了对锂电池受到的挤压进行缓冲的效果,解决了锂电池在运输的过程中避免不了柜受到挤压,体积较大的锂电池受到挤压时所承受的损伤尤为严重,使锂电池的实用寿命降低的问题。

标签:
加工技术
江苏 - 徐州 来源:中冶有色网 2023-03-18
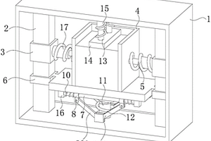
车用锂电池的恒温装置
车用锂电池的恒温装置 1124     
 0

本实用新型公开了一种车用锂电池的恒温装置,包括底板、箱体、锂电池存放槽、高导热硅胶垫、温度传感器Ⅰ、接线孔、雾化喷头、油箱、泵管;箱体固定设于底板上;箱体一端连接有箱盖;箱体内设有锂电池存放槽;锂电池存放槽的外表面和箱盖内表面均设有高导热硅胶垫;接线孔设于箱盖上;温度传感器Ⅰ设于锂电池存放槽表面的高导热硅胶垫上;箱体内部空腔与锂电池存放槽之间形成导热腔体;导热腔体内顶端设有雾化喷头;箱体设有进油口Ⅰ、出油口Ⅰ;油箱固定设于底板上;油箱设有进油口Ⅱ、出油口Ⅱ;出油口Ⅱ通过泵管经进油口Ⅰ与雾化喷头连接,进油口Ⅱ与出油口Ⅰ密闭相连。本实用新型有效保持锂电池在适宜温度范围工作,提高了锂电池使用寿命。

标签:
加工技术
江苏 - 徐州 来源:中冶有色网 2023-03-18
用于锂电池打包的快装装置

本实用新型涉及一种用于锂电池打包的快装装置,属于锂电池设备领域。用于锂电池打包的快装装置包括底座,边架,转轴,所述的底座的两端边设有边架,边架通过转轴与底座相铰接,锂电池下沉至底座上,边架向锂电池收拢;底座与两侧的边架将锂电池包裹在其内。本实用新型提供的用于锂电池打包的快装装置,适配各种锂电池的外包装措施,牢固可靠。

标签:
加工技术
江苏 - 无锡 来源:中冶有色网 2023-03-18
电动自行车用防潮锂电池保护盒

本实用新型公开了一种电动自行车用防潮锂电池保护盒,包括保护壳本体和设于保护壳本体内的锂电池,保护壳本体上设有上盖,上盖内设有干燥腔和储液腔,干燥腔与储液腔之间设有挡板,干燥腔内设有防潮除湿机构,上盖上开凿有湿气道,保护壳本体的内部通过湿气道与干燥腔相连通,上盖上转动连接有密封盖板,密封盖板与干燥腔相匹配,保护壳本体与上盖之间设有密封圈,用于对保护壳本体内的锂电池起到密封的效果,挡板上开凿有流通槽。本实用新型通过锂电池保护盒内相应机构的设置,便于对锂电池保护盒内的湿气进行干燥,以改善锂电池的使用环境,使得锂电池不易受到湿气的影响,从而可以保证锂电池的使用寿命。

标签:
加工技术
江苏 - 徐州 来源:中冶有色网 2023-03-18
锂电池电芯、生产设备及生产方法

本发明提供了一种锂电池电芯、生产设备及生产方法,锂电池电芯包括:卷芯,由依次叠放的第一隔膜、负极片、第二隔膜及正极片卷绕形成,负极片的一端形成有多个负极极耳,正极片的一端形成有多个正极极耳,每连续卷绕的若干卷芯层中:预定层的负极极耳重叠并焊接成一圈负极接头,预定层的正极极耳重叠并焊接成一圈负极接头;负极汇流盖板,套设在卷芯的第一端,负极接头焊接于负极汇流盖板上;正极汇流盖板,套设在卷芯的第二端,正极接头焊接于正极汇流盖板上。本发明的锂电池电芯,负极片、正极片上均具有多个极耳,经卷绕后的每层卷芯层两端均存在负极极耳和正极极耳,如此,可缩短电荷移动距离,降低电芯内阻,解决充放电过程的发热问题。

标签:
加工技术
江苏 - 无锡 来源:中冶有色网 2023-03-18
含氧化亚硅的复合材料、负极片、锂电池及其制备方法

本发明公开了一种含氧化亚硅的复合材料,为核壳结构,由内至外包括内核、中间层、次外层和最外层,内核的材料为氧化亚硅,中间层的材料为锂硅复合材料,次外层的材料为氟化物,最外层为碳包覆层,氧化亚硅为SiOx,其中0.5<x<1.5。本发明还公开了一种含氧化亚硅的复合材料的制备方法,包括以下步骤:a、将氧化亚硅进行歧化;b、在非氧化气氛下,将歧化后的氧化亚硅、金属锂和碳源混合后进行球磨;c、对步骤b获得的产物进行氟化处理;d、对步骤c获得的产物进行碳包覆。本发明还公开了一种具有该含氧化亚硅的复合材料的负极片。本发明还公开了一种具有该负极片的锂电池。

标签:
加工技术
江苏 - 苏州 来源:中冶有色网 2023-03-18
包含多个不间断电源的锂电池组储能系统及方法

本发明提供一种包含多个不间断电源的锂电池组储能系统,所述一种包含多个不间断电源的锂电池组储能系统包括:储能箱、四个电池容纳箱与两个UPS放置箱;散热间,所述散热间开设于储能箱的背面,所述散热间内壁的底部设置有两个第二风扇安装架,所述散热间内壁的两侧之间安装有四个固定板。本发明提供的一种包含多个不间断电源的锂电池组储能系统通过散热风扇的设置,当设备运转时,内部温度通过散热风扇的启动,电池容纳槽内部的热量,UPS容纳槽内部的热量通过连通槽传导由散热风扇排出,从而使得储能箱整体形成单独的散热空间,能够有效的对运转中的设备进行散热处理,从而提高设备的使用寿命以及稳定性。

标签:
加工技术
江苏 - 镇江 来源:中冶有色网 2023-03-18
在线监测高电压钴酸锂表面残碱浓度的方法

本发明公开了一种在线监测高电压钴酸锂表面残碱浓度的方法,包括以下步骤:设置烧结窑炉的温度曲线及进排气量,达到设定参数且稳定后,投入物料烧结;测定烧结窑炉中各温区的CO2浓度、各排气管的气体流量;测试烧结品表面残碱含量;重复多次作为基础数据;分析各温区CO2浓度数据,判定烧结窑炉内气体流向和CO2分布状态;分析各排气管气体流量数据;将固相反应活性最高的区域调高进气量并将该区域的排气管用耐火棉包住,并将该区域的排气管改为直接排气;测试烧结窑炉中CO2浓度,同时将烧结品取样测试表面残碱含量并分析数据。本发明可以使出炉料表面残碱显著降低、提高高电压钴酸锂材料的稳定性、降低钴酸锂电池胀气性。

标签:
加工技术
江苏 - 泰州 来源:中冶有色网 2023-03-18
无钴无镍正极材料及其制备方法和锂离子电池

本发明涉及锂离子电池正极材料技术领域,具体而言,涉及无钴无镍正极材料及其制备方法和锂离子电池。无钴无镍正极材料的制备方法包括以下步骤:将锂源和锰源混合得到混合物料,将所述混合物料在氧气氛围下,在400‑1200℃下经过放电等离子烧结,烧结后冷却,得到无钴无镍正极材料LixMnyO2;其中,1.0≤x≤1.5,0.7≤y≤0.8。本发明通过采用放电等离子烧结的手段制备得到了无钴无镍的无钴无镍正极材料,其形貌分布均匀,在0.1C电流密度下,初始放电比容量高,首效为91%,循环50圈后容量保持率为92%,能量密度高,且能量密度高,制备原料成本低。

标签:
加工技术
江苏 - 常州 来源:中冶有色网 2023-03-18
正极材料及其制备方法和锂离子电池

本申请提供一种正极材料,包括含锂镍过渡金属复合氧化物及至少部分位于所述含锂镍过渡金属氧化物表面的包覆层,所述包覆层包括疏水基团修饰的多孔材料。通过使用疏水基团修饰的多孔材料来包覆含锂镍过渡金属复合氧化物,经过疏水材料修饰后的多孔材料能够更利于吸附CO2等有害气体,抵挡了材料表面残碱的生成、不破坏材料结构,最大限度下提升了正极材料表面的包覆效果。

标签:
加工技术
江苏 - 常州 来源:中冶有色网 2023-03-18
高克容量、高首效硅碳锂离子电池负极材料的制备方法

本发明提出来一种高克容量、高首效硅碳锂锂离子电池负极材料的制备方法,本发明的制备方法是通过将石墨加入添加了十六烷基溴化铵的去离子水中,使用锥形搅拌蒸干混料机搅拌均匀,再投入以酒精为溶剂的纳米硅浆料,再次搅拌均匀,之后通过锥形搅拌蒸干混料机搅拌并蒸干,使用箱式炭化炉焙烧、过筛后所制得硅碳锂离子电池负极材料。本发明所制得的硅碳负极材料具有克容量高、首效高、粒度分布均匀的优点,另外本发明制备便于操作,工艺简单,便于商业化推广。

标签:
加工技术
江苏 - 盐城 来源:中冶有色网 2023-03-18
改善电池高温存储特性的电解液以及锂离子电池

本发明提供了一种锂离子电池非水电解液,所述非水电解液包括非水溶剂、锂盐和电解液添加剂;所述电解液添加剂包括如式1所示的含炔基基团的化合物作为电解液添加剂A;式1中,所述R1、R2和R3分别独立的为氟原子、氯原子、硝基、C2~C6酯基、C2~C6酮羰基或C2~C4炔基中的任意一种,R4为H或C1~C6的直链或支链的烷基。本发明提供了一种能够在高温状态下抑制电解液和负极发生反应,从而提高锂离子电池高温存储性能的非水电解液。

标签:
加工技术
江苏 - 无锡 来源:中冶有色网 2023-03-18
棕榈油渣基锂电负极材料的制备方法

本发明公开了一种棕榈油渣基锂电负极材料的制备方法,包括以下步骤:1)选用棕榈油渣作为原料,惰性气体氛围下,在900‑1200℃高温下进行炭化处理至棕榈油渣中的含氧量不超过4%,得到炭化料;2)酸洗处理,酸洗浓度控制在2%‑8%之间;3)将经步骤2)处理后的炭化料进行粉碎至粒径在4‑15μm,并进行球形化处理;4)使用沥青对步骤3)得到的炭化料进行包覆处理;5)将经步骤4)包覆处理后的炭化料投入窑炉进行高温煅烧;6)将经步骤5)煅烧处理后的物料进行球磨处理,并进行筛分。该制备方法所选用的原料成分单一,产品结构可控,采用该负极材料的锂电锂电具有较强的脉冲放电能力及直流内阻低、低温性能好的性能。

标签:
加工技术
江苏 - 苏州 来源:中冶有色网 2023-03-18
基于改进粒子群优化的船用锂离子电池参数辨识方法

本发明公开了一种基于改进粒子群优化的船用锂离子电池参数辨识方法,建立电池模型对锂离子准确描述其充放电过程动态变化,对船用锂离子电池进行精确的数学建模及参数辨识。采用改进粒子群优化算法,操作简单、收敛速度快,具有相当快的响应速度,可以有效的对系统未知参数进行辨识优化。本发明算法的本质是利用当前位置、全局极值和个体极值3个信息,指导粒子下一步迭代位置。其个体充分利用自身经验和群体经验调整自身的状态,是改进粒子群算法具有优异特性的关键。改进的惯性权重,使算法初期具有较强的搜索能力,而且在后期又能够得到相对精确的结果,从而提高了算法的性能。

标签:
加工技术
江苏 - 镇江 来源:中冶有色网 2023-03-18
酸性低共熔溶剂低温下浸出废旧锂电池中有价金属的方法

本发明属于废旧锂电池回收利用处理技术领域,具体涉及一种酸性低共熔溶剂低温下浸出废旧锂电池中有价金属的方法。该方法包括如下步骤:(1)将电池粉和酸性低共熔溶剂按照质量比1:20‑100加入密封反应瓶中;(2)将上述反应瓶在200‑500rpm的搅拌速率下加热至20‑100℃,保持2‑24h;(3)将(2)中反应液在4000‑10000rpm的速率下离心分离,转移出上层清液,即为有价金属的浸出液。本发明采用的酸性低共熔溶剂在低温条件下浸出电池粉中有价金属的方法,该方法能够快速提取出不同类型电池粉中的有价金属,其中对锂元素的提取率几乎达到100%,浸出温度低、浸出率高、工艺简单。

标签:
加工技术
江苏 - 镇江 来源:中冶有色网 2023-03-18
对锂电池负极材料进行气相包覆氧化铝保护层的装置

本发明公开的属于锂电池负极材料表面包覆技术领域,具体为一种对锂电池负极材料进行气相包覆氧化铝保护层的装置,包括供气器和包覆反应仓,所述供气器包括第一供气器、第二供气器、第三供气器,所述第一供气器连接有第一进气管,所述第二供气器连接有第二进气管,所述第三供气器连接有第三进气管,所述第一进气管、第二进气管和第三进气管连接有包覆反应仓,所述包覆反应仓底部设置有集料处,所述第一进气管、第二进气管、第三进气管均与集料处连通,所述集料处外侧设置有加热器,通过本发明,可以在负极材料表面迅速形成具有致密均匀的纳米氧化铝包覆层,从而大幅度提升负极材料的首次充放电效率和循环次数,可以有效提高锂电池的使用寿命。

标签:
加工技术
江苏 - 苏州 来源:中冶有色网 2023-03-18
大容量锂离子电池正极浆料及其制备方法和应用

本发明属于锂离子电池制造技术领域,尤其是一种大容量锂离子电池正极浆料的制备方法;包括以下步骤:称取各原料,使用前进行烘烤处理;将聚偏氟乙烯溶解在相当于自身重量12~19倍的N‑甲基吡咯烷酮溶液中,搅拌过滤后得胶液A;向胶液A中加入碳纳米管溶液,搅拌均匀后得导电胶液B;导电胶液B分两次加入到搅拌机里面搅拌得到浆料C;将乙醇加入到浆料C中,并使用N‑甲基吡咯烷酮调节浆料粘度,搅拌得浆料D;浆料D经高速分散机、过滤、真空脱泡处理后,得到最终浆料;本发明生产过程中,导电胶液B和最终浆料的制备是独立同步进行,有效的提高正极浆料的生产效率;本发明浆料制备的锂离子电池,内阻低,能量密度大,有利于最大克容量的发挥。

标签:
加工技术
江苏 - 常州 来源:中冶有色网 2023-03-18
具有漏液报警功能的新型锂电池

本发明涉及锂电池技术领域,且公开了一种具有漏液报警功能的新型锂电池,包括防护盒本体,所述防护盒本体的底部固定安装有固定板,所述固定板的内部开设有固定孔,所述防护盒本体的左右两侧内壁均固定安装有限位座,两个所述限位座相对侧一侧均开设有限位滑槽。该具有漏液报警功能的新型锂电池,通过对防护盒本体安装了固定板,以及对固定板开设了固定孔,可通过螺丝对应固定孔对固定板和防护盒本体进行固定,通过对防护盒本体安装了限位座,以及对限位座开设了限位滑槽,并且对固定盒安装了延伸至限位滑槽内部的滑块,以及对防护盒本体开设了开口,可通过向上拉动固定盒,固定盒可通过滑块在限位滑槽中的滑动从开口中被取出。

标签:
加工技术
江苏 - 扬州 来源:中冶有色网 2023-03-18
基于锆基MOF材料的氧化锆包覆锂离子电池三元正极材料及其制备方法

本发明公开了一种基于锆基MOF材料的氧化锆包覆富锂三元正极材料及其制备方法,首先采用碳酸盐沉淀法合成出球形结构的锂离子电池三元正极材料,然后在其表面包覆“生长”一层比表面积大、孔隙率高的锆基MOF材料,并对其进行高温烧结,去除锆基MOF材料中的有机成分,形成同样具备比表面积大、孔隙率高的氧化锆包覆层,该氧化锆包覆层与普通氧化锆颗粒包覆层相比,MOF材料分解过程中形成的少量多孔碳结构在各个氧化锆颗粒之间形成桥联作用,形成电子传递通道,既可以缓解氧化锆本身不具备电化学活性使材料的克容量损失的现象,同时能稳定复合材料结构,且有效减少活性物质和电解液之间的副反应,有效改善锂离子电池三元正极材料的循环性能。

标签:
加工技术
江苏 - 淮安 来源:中冶有色网 2023-03-18
高倍率高能量密度锂离子电池

本发明公开了一种高倍率高能量密度锂离子电池,通过镍钴锰酸锂正极材料的配方优化,提高了正极材料高能量密度下的结构稳定性和循环稳定性,并且在类球形正极颗粒的空隙中间填充纳米导电材料,在不影响材料体积能量密度的前提下,同时提高材料导电性和材料高倍率放电特性;本发明通过微孔隔膜上涂覆三氧化二铝涂层,从而提高微孔隔膜的耐高温性能和电解液吸收保持性能;本发明添加1,3‑丙磺酸内酯用于提高高镍正极的高温稳定性;本发明添加二草酸硼酸锂可以提高电解液的抗氧化性,在正极表面形成稳定的SEI膜,减少电池内部氢氟酸含量,降低氢氟酸对正极材料的破坏,提升电池性能。

标签:
加工技术
江苏 - 无锡 来源:中冶有色网 2023-03-18
锂电智能定扭推行螺丝机

本发明公开一种锂电智能定扭推行螺丝机,属于螺丝机技术领域。所述锂电智能定扭推行螺丝机包括平衡结构、无刷电机扭力输出组件、供电装置和滚动机构;所述无刷电机扭力输出组件通过导线穿过所述平衡结构与所述供电装置连通;所述无刷电机扭力输出组件顶端连接有套筒,在所述无刷电机扭力输出组件作用下,所述套筒能够对铁轨两侧的螺栓进行松紧;所述无刷电机扭力输出组件上方设有中央控制组件,所述中央控制组件用于设置所述无刷电机扭力输出组件的转速和运转时间。该锂电智能定扭推行螺丝机与传统内燃螺栓扳手相比使用电池包对所述无刷电机进行供电受外部环境影响小,故障率低,且整机重量较轻,便于搬运操作使用。

标签:
加工技术
江苏 - 无锡 来源:中冶有色网 2023-03-18
用于锂电池成品质量抽检系统

本发明公开了一种用于锂电池成品质量抽检系统,包括系统设备本体,所述系统设备本体的正面分别固定连接有显示屏和操作屏,且显示屏位于操作屏的左侧,所述设备本体的底部与底板的顶部固定连接,所述底板底部的四个直角处均开设有收藏口,所述收藏口内壁的顶部开设有凸形槽,所述凸形槽内套接活动板。本发明通过对导轨、滑台、滑轨、挤压弹簧、推杆、第二伸缩杆、检测装置和卡板相互配合使用,相背方向挤压两个卡板,卡板通过推杆和滑块挤压挤压弹簧,在挤压弹簧的作用下,能够调节两个卡板之间的距离,能够满足多种型号的锂电池放置,滑台能够在导轨上滑动,当对电池检测时,根据锂电池的大小,方便对检测装置的位置进行调节。

标签:
加工技术
江苏 - 镇江 来源:中冶有色网 2023-03-18
防过充锂离子电池极片的制备方法

本发明公开了一种防过充锂离子电池极片的制备方法,属于电池极片制备技术领域。首先将十二烷基硫酸钠和去离子水混合得到自制分散液,使得锂离子电池的内阻增大,并减少负极与电解液的副反应,另外这些颗粒具有高热稳定性,本发明继续将聚乙烯、2‑溴苯甲醚和N‑甲基吡咯烷酮混合反应得到自制热膨胀乳胶,其中聚乙烯是热膨胀高分子聚合物,一旦电池发生过充和过放等情况时,热膨胀高分子聚合物会迅速膨胀,另外2‑溴苯甲醚含有邻位溴基,邻位溴基在一定程度上增加苯环π键共轭体系的稳定性,这些吸附产物会对离子的迁移、电荷的传递等产生阻碍,增大了电池整体的阻抗性,进一步提高锂离子电池极片的防过充性和循环性能,具有广泛的应用前景。

标签:
加工技术
江苏 - 常州 来源:中冶有色网 2023-03-18
双极性锂离子电池集流体及其制备方法

本发明涉及一种双极性锂离子电池集流体及其制备方法,该双极性锂离子电池集流体包括热压黏合的铜材料层、铝材料层和中间金属层,中间金属层位于铜材料层和铝材料层中间。该制备方法为:预处理:碱性溶液中浸泡、水洗、干燥;叠层;热压处理:将复合材料层组进行热压处理,使中间金属层熔化并黏附铜材料层及铝材料层;后处理:将经过热压处理的复合材料层经碱洗、水洗、干燥、裁切,得到双极性锂离子电池集流体。本发明不但可以保证双极性集流体具有足够的强度以进行活性物质的涂覆,而且双极性集流体构成材料均为金属,保证了其具有良好的导电性。

标签:
加工技术
江苏 - 扬州 来源:中冶有色网 2023-03-18
锂离子电池SiO<Sub>x</Sub>@M@CNTs复合负极材料的制备方法

本发明属于锂离子电池负极材料技术领域,具体涉及一种锂离子电池SiOx@M@CNTs复合负极材料的制备方法。本发明通过改进的Stober法对硅氧化物的形成过程进行调控,促进其与碳纳米管及金属粉末复合制备结构稳定的SiOx@M@CNTs复合负极材料。具体包括以下步骤:将碳纳米管超声分散后加入硅源,并添加酸性催化剂和碱性催化剂控制其水解过程;静置干燥后将其与金属粉末进行机械球磨,干燥后得前驱体;最后将其置入管式炉内进行煅烧,得SiOx@M@CNTs复合负极材料。本发明制备的锂离子电池SiOx@M@CNTs复合负极材料具有良好的结构稳定性和电化学性能。

标签:
加工技术
江苏 - 镇江 来源:中冶有色网 2023-03-18
车用锂电池负极材料的制备方法

本发明公开了一种车用锂电池负极材料的制备方法,以三氯化锑、二水合氯化亚锡、六水合硝酸钴等为主要原材料,并引入SiO2@NiO2复合材料,通过物理复配、化学还原共沉淀法合成制备出高比容量及高倍率性能的车用锂电池负极材料。本发明制备的车用锂电池负极材料相比于传统的电极材料,由于引入了Co金属与SiO2@NiO2复合材料,可有效分散合金颗粒减少SnSbCox负极材料的团聚,降低体积膨胀带来的不利影响,也可有效避免电极材料表面粉化脱落而造成电极材料容量的急剧衰减。

标签:
加工技术
江苏 - 徐州 来源:中冶有色网 2023-03-18
硅基高性能动力锂电池组及其制备方法

本发明公开了一种硅基高性能动力锂电池组及其制备方法,本发明以碳纤维纸、碳毡以及碳布等作为集流体,负极面涂覆纳米硅的有机混合浆料,正极面涂覆钴酸锂或三元材料的有机混合浆料,在适当的烧结温度进行热处理后,按照次序叠加组装,最后通过密封处理,最终制备得到高性能动力锂电池组。该电池组在‑20‑50℃温度条件下具有比能量高、循环性能好、速率充放电优异,适合商业化推广用做动力电池。同时,该合成以及制备方法具有原料廉价易得,设备简单,反应温度低,重复性好等优点,克服了以往合成方法中使用有机溶剂带来的环境污染问题,又克服了以往电池制备及组装等工艺复杂问题,具有广泛的应用前景。

标签:
加工技术
江苏 - 盐城 来源:中冶有色网 2023-03-18
卷绕式锂离子动力电池与制备

一种卷绕式锂离子动力电池,包括正极和负极层,第一隔膜,所述正极和负极层分别指正极材料及正极金属箔、负极材料及负极金属箔,第一隔膜置于正极和负极之间,另设有第二隔膜或绝缘膜将正极层、第一隔膜和负极层四层膜状材料一并卷绕;每个卷绕式锂离子动力电池单元包括二个四层膜状材料相连的卷绕圈,每个卷绕式锂离子动力电池单元的横截面为S型,二个相连的卷绕圈分别对应着S型的上卷绕圈和下卷绕圈。

标签:
加工技术
江苏 - 盐城 来源:中冶有色网 2023-03-18
锂电池充电插头
锂电池充电插头 872     
 0

一种锂电池充电插头,所述锂电池充电插头包括插头主体,所述主体包括上主体和下主体,所述上主体与下主体采用滑动连接,所述下主体设置有插头槽,所述插头槽内侧设置有检测装置,所述检测装置内部设置有相适配的弹片和触头,所述触头与内接头电连接;所述内接头与万用表接头适配,所述检测装置包括检测接头、温度传感器、处理模块、电源模块,所述电源模块与市政电力相连接,所述处理模块与检测接头与电源模块相连接,所述锂电池充电插头还包括警报模块,所述警报模块包括警报灯以及蜂鸣器,所述警报灯与蜂鸣器与处理模块相连接。

标签:
加工技术
江苏 - 南通 来源:中冶有色网 2023-03-18
锂电池及其安装方法
锂电池及其安装方法 1104     
 0

本发明提出了一种锂电池,包括壳体,壳体为圆柱形,壳体内设有卷芯,卷芯螺旋卷绕,卷芯包括正极片和负极片,正极片和负极片之间设有隔膜,能量密度达到210Wh/kg、循环寿命大于800次、充放电倍率可达5C的三元聚合物锂电池;加工组装方便,卷芯连接稳固;正极极耳穿过弹性填充体上的开孔和盖帽接触,正极极耳得到有效保护;卷芯的上端和辊槽位卡接,卷芯的上端和辊槽位之间设有弹性填充体,辊槽位和弹性填充体使得卷芯固定牢固且提高了卷芯抗震性能;过充保护添加剂吸收过量的电流;阻燃添加剂降低电池放热值和降低电池自燃率,增强电解液自身的热稳定性;导电添加剂提高导电锂盐的溶解和电离;成膜添加剂提高电池的循环效率和可逆容量。

标签:
加工技术
江苏 - 南京 来源:中冶有色网 2023-03-18
上一页 807 808 809 810 811 ... 924 下一页
共924页    到第

中冶有色为您提供最新的江苏有色金属加工技术理论与应用信息,涵盖发明专利、权利要求、说明书、技术领域、背景技术、实用新型内容及具体实施方式等有色技术内容。打造最具专业性的有色金属技术理论与应用平台!

全国热门有色金属设备推荐
展开更多 +
全国热门有色金属技术推荐
展开更多 +

 

江西省隆恩特环保设备有限公司
宣传

报名参会
更多+

报告下载

有色专家
更多+

长沙矿冶研究院有限责任公司
中国工程院院士
江西理工大学
教授
西安建筑科技大学
院长/教授
武汉科技大学
院长 / 教授
国家钨与稀土产品质量检验检测中心
主任
赤泥综合利用研究报告2025
推广

热门技术
更多+

推荐企业
更多+

福建省金龙稀土股份有限公司
宣传

发布

在线客服

公众号

电话

顶部
咨询电话:
010-88793500-807