青岛垚鑫智能科技有限公司
宣传

位置:北方有色 >

有色技术频道 >

> 废水处理技术

分类:
全部
矿山技术
冶金技术
材料制备及加工技术
环境保护技术
分析检测技术
 
全部
废水处理技术
大气治理技术
固/危废处置技术
土壤修复技术
地区:
全部
北京
天津
上海
重庆
河北
山西
辽宁
吉林
黑龙江
江苏
浙江
安徽
福建
江西
山东
河南
湖北
湖南
广东
海南
四川
贵州
云南
陕西
甘肃
青海
内蒙
广西
西藏
宁夏
新疆
其他
其他
展开
 
全部
南京
无锡
徐州
常州
苏州
南通
连云港
淮安
盐城
扬州
镇江
泰州
宿迁

江苏无锡有色金属废水处理技术理论与应用

免费发布技术信息>>
处理化工有机废水催化剂及其制备方法

本发明公开了一种处理化工有机废水催化剂,以Al2O3为载体,负载氧化镍、氧化锰和氧化铈;Al2O3的重量百分数为40~70%,氧化镍为20~50%,氧化锰为5~20%,氧化铈为1~10%。同时,本发明还公开了上述催化剂的制备方法。本发明提供的催化剂在硬度、活性组分的稳定性、使用寿命和催化氧化效率方面性能优异,而且制备过程简单,可以实现工业化生产;在工程上不但可以用于固定床,也可以应用于流化床,适应性很高。

标签:
废水处理
江苏 - 无锡 来源:北方有色网 2023-03-19
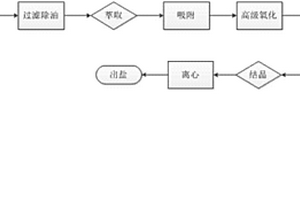
含酚废水的处理工艺方法及装置

本发明公开了一种含酚废水的处理工艺方法及装置,包括过滤除油,萃取分离,酚吸附,高级氧化,吸附后的废水送入第一固定床反应器中,并投入0.05~0.2%体积的双氧水,在固体催化剂床层的作用下进行氧化反应;经过高级氧化后的废水,再送入第二固定床反应器中,并投入0.002~0.01%体积比的臭氧,并在固体催化剂床层的作用下进行催化氧化反应;经过催化氧化后的废水依次经过蒸发、降温结晶、离心分离和出盐处理得到工业级硫酸钠产品。本发明提高了废水处理效率,获得了工业级硫酸钠盐产品,降低吸附树脂、双氧水、氢氧化钠等的用量,降低了环境污染。

标签:
废水处理
江苏 - 无锡 来源:北方有色网 2023-03-19
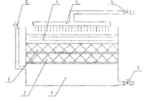
双滤层过滤床处理印染废水的方法

一种双滤层过滤床处理印染废水的方法, 属于污 水处理技术领域。本发明过滤床采用A层铁炭层, B层氢氧化钙 层两层滤层所组成, 在常温常压下, 不投加任何药剂, 以400~ 500升/平方米·小时的过滤量对印染废水进行处理, 脱色率70~90%, CODcr去除率≥50%, 节省处理成本20~30%。本发明具有投资省, 设备使用寿命长, 操作管理方法, 运行成本低, 组成滤层的滤料来源丰富, 制作更新方便等特点, 是对印染废水进行物化处理, 适合于大规模工业化应用的新颖方法。

标签:
废水处理
江苏 - 无锡 来源:北方有色网 2023-03-19
均三甲苯胺废水的处理工艺

本发明涉及一种均三甲苯胺废水的处理方法,其特征在于:在均三甲苯胺废水中,投加甲醛和硫酸铝进行缩聚反应并生成缩合物析出,然后投加高分子絮凝剂聚丙烯酰胺沉淀,然后用铁炭法处理,铁炭反应塔的出水与其它工业废水混合后进行好氧生化处理。均三甲苯胺废水经本发明处理后能达到国家二级排放标准。

标签:
废水处理
江苏 - 无锡 来源:北方有色网 2023-03-19
含盐废水资源化回收处理系统及方法

本发明涉及一种含盐废水水资源化回收处理系统及方法,废水首先经过预浓缩单元,得到回收水,浓液去减量化单元进一步浓缩,得到回收水;浓缩液TDS达到80000 mg/L以上后去回收硫酸钠单元。经过回收硫酸钠单元得到回收水和工业硫酸钠,外排的母液去调质单元沉淀硫酸根,使硫酸根浓度降低至20000 mg/L以下。经过调质净化的外排母液去回收氯化钠单元得到回收水和工业氯化钠,外排母液一部分返回至调质单元,一部分去杂盐处置单元。含盐废水经过上述全部或部分系统,可回收97%以上回收水,同时得到工业硫酸钠,工业氯化钠或工业硫酸钠和工业氯化钠中的一种,及少量固体杂盐。

标签:
废水处理
江苏 - 无锡 来源:北方有色网 2023-03-19
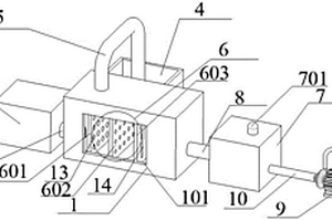
等离子废水处理装置
等离子废水处理装置 1067     
 0

本实用新型提供一种等离子废水处理装置,其涉及废水处理技术领域,旨在解决现有的工业废水采用集中聚集后处理,处理效率低且整个过程不可控,工业废水直接排放污染环境的问题。包括有废水处理箱,所述废水处理箱左侧安装有等离子箱,所述废水处理箱与等离子箱之间通过进料管连接,所述废水处理箱的上方设置有废水收集箱,所述废水处理箱与废水收集箱之间通过水管连接,所述废水处理箱中设置有过滤装置,所述抽水泵的右侧设置有盛水箱,所述盛水箱与抽水泵之间通过出水管连接。本实用新型通过等离子废水处理,效率高且整个处理过程可控实现智能化处理,处理成本低整个过程不产生废渣废气且废气处理装置的使用寿命长。

标签:
废水处理
江苏 - 无锡 来源:北方有色网 2023-03-19
高盐废水中有机物高级氧化和电解催化联用的工艺方法和装置

本发明公开了一种高盐废水中有机物高级氧化和电解催化联用的工艺方法和装置,包括以下步骤:工业废水经过粗过滤器进行除油、过滤,清除废水中的悬浮物和胶体物质;经过粗过滤后的工业废水再送入高级氧化器内,通入双氧水和臭氧,进行高级催化氧化反应;经过高级氧化处理的废水接着送入电解催化氧化器内,在催化剂填料的作用下,施加5~24V电压,并在紫外光照射下,进行电解氧化降解废水中难降解有机物,通过检测采样出口处废水的COD含量,达到预定指标时进行出水;经过电解催化氧化后的废水,送入结晶蒸发器中进行蒸发浓缩结晶回收得到资源化的工业盐;蒸发冷凝后的废水继续送入生化装置中进行生化处理,符合排放标准后进行排放或回收利用。

标签:
废水处理
江苏 - 无锡 来源:北方有色网 2023-03-19
利用纳米Fe3O4类芬顿技术处理制药废水的方法

一种利用纳米Fe3O4类芬顿技术处理制药废水的方法,它涉及一种处理制药废水的方法。本发明的目的是要解决现有制药废水生化出水COD不能达标且难以进一步去除,而现有芬顿氧化法和类芬顿法在氧化完成调节pH时产生铁泥量大,需增加混凝沉淀工艺的问题。方法:一、调节pH值;二、加入纳米Fe3O4和双氧水;三、搅拌反应,再使用直流电磁铁对加入双氧水的制药废水进行磁力分离,得到磁力吸附的纳米Fe3O4和分离后的上清液;四、调节pH值和清洗,得到处理后的水和再生的纳米Fe3O4。本发明得到的处理后的水中COD值均低于50mg/L。本发明可获得一种利用纳米Fe3O4类芬顿技术处理制药废水的方法。

标签:
废水处理
江苏 - 无锡 来源:北方有色网 2023-03-19
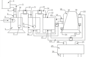
高盐废水中有机物电解催化耦合高级氧化的处理方法及装置

本发明公开了一种高盐废水中有机物电解催化耦合高级氧化的处理方法及装置,包括以下步骤:工业废水经过粗过滤器进行除油、过滤,清除废水中的悬浮物和胶体物质;经过粗过滤后的工业废水送入管式反应器,并在通入双氧水和臭氧条件下,在管体和负极之间施加5~24V电压进行电解催化氧化,通过采样口检测出口端废水的COD含量,达到预定指标进行出水;经过电解催化氧化后的废水,再送入结晶蒸发器进行蒸发浓缩结晶,浓缩结晶物再经过离心、干燥回收得到工业盐;结晶蒸发器的气相经过冷凝后送入生化装置进行生化处理,符合排放标准后进行排放或回收利用。本发明通过电解氧化耦合高级催化氧化的方式有效的降解废水中有机物,回收工业盐。

标签:
废水处理
江苏 - 无锡 来源:北方有色网 2023-03-19
高浓度含盐废水四效真空节能蒸发结晶处理系统

高浓度含盐废水四效真空节能蒸发结晶处理系统,包括原料储罐、进料泵、板式换热器、一效加热器、一效蒸发结晶器、二效加热器、二效蒸发结晶器、三效加热器、三效蒸发结晶器、四效加热器、四效蒸发结晶器、表面冷却器、浆液桶、离心机、晶体收集罐、母液储罐、母液泵,其特征在于:所述原料储罐顺序连接进料泵、板式换热器、一效加热器、一效蒸发结晶器、二效加热器、二效蒸发结晶器、三效加热器、三效蒸发结晶器、四效加热器、四效蒸发结晶器、表面冷却器、浆液桶、离心机、晶体收集罐、母液储罐、母液泵。本实用新型综合能耗低,蒸发结晶产物工业盐品质达到(GBT5462-2003)国家工业盐标准要求的精制盐二级标准要求。

标签:
废水处理
江苏 - 无锡 来源:北方有色网 2023-03-19
苯酚废水的处理系统
苯酚废水的处理系统 1000     
 0

本实用新型属于工业污水处理应用技术领域,具体公开了一种苯酚废水的处理系统,由加药沉淀组件,及与加药沉淀组件相配合使用的过滤组件,及与过滤组件相配合使用的萃取组件组成。本实用新型的一种生物除臭系统的有益效果在于:1、其设计结构合理,相配合使用的加药沉淀组件、过滤组件和萃取组件结构,能对石油炼制、页岩炼油、树脂、合成纤维、染料等生产中产生的含苯酚废水进行高效、稳定的处理作业,达到了环保处理目的,实现了环保生产要求;2、防爆性能优、工作噪音小,使用寿命长。

标签:
废水处理
江苏 - 无锡 来源:北方有色网 2023-03-19
高盐制药废水处理系统
高盐制药废水处理系统 1003     
 0

本实用新型公开了一种高盐制药废水处理系统,该系统设有依次连接的高盐制药废水收集池、多相固态催化氧化装置、调节池、EBR反应装置、配水井、UASB厌氧反应装置、厌沉池、A/O生化池、二沉池与出水池。相比现有技术,本实用新型具有多级循环处理、便于投药、处理效率高的特点。

标签:
废水处理
江苏 - 无锡 来源:北方有色网 2023-03-19
高效工业废酸水处理设备

本实用新型涉及废水处理设备技术领域,公开了一种高效工业废酸水处理设备,本实用新型解决了现有的废水处理设备在中和过程中所需时间过长,容易导致还没有完全反应就被排放出去,影响工作效果的问题。一种高效工业废酸水处理设备,包括箱体以及设置在箱体一侧的进污管,箱体内部设置有搅拌机构,搅拌机构包括第一搅拌组件和第二搅拌组件,此时启动第一电机,第一电机带动搅拌槽旋转,再启动第二电机,第二电机带动第一转动条旋转,第一转动条带动滑块旋转,滑块带动第二转动条上下移动,主动齿轮带动连接杆旋转,在连接杆和第二转动条的作用下可将搅拌杆的一端上下移动,此时启动加料机,实现了通过提高搅拌速率来提升反应时间的作用。

标签:
废水处理
江苏 - 无锡 来源:北方有色网 2023-03-19
稀土镧掺杂的磁性沸石材料吸附去除废水中多种重金属离子的方法

本发明公开了一种稀土镧掺杂的磁性沸石材料吸附去除废水中多种重金属离子的方法,包括以下步骤:步骤(1).调节含Cu2+、Pb2+、Zn2+、Fe3+和Cd2+五种金属离子的工业废水的浓度和pH值,再加入固体吸附剂稀土镧掺杂的磁性沸石材料,形成混合悬浮液;步骤(2).对步骤(1)所得混合悬浮液加热,并进行震荡处理,处理结束后,分离回收固体吸附剂,检测处理后的水溶液;步骤(3).回收的固体吸附剂采用1M氢氧化钠、0.1M盐酸溶液和去离子水溶液清洗再生,得到干净的再生固体吸附剂。本发明反应温度较低,处理时间短,流程简单,操作安全,不仅降低了吸附过程中的能耗,也提高了吸附的效率,节约时间。

标签:
废水处理
江苏 - 无锡 来源:北方有色网 2023-03-19
钢铁行业含氮废水处理方法

本发明公开一种钢铁行业含氮废水处理方法,包括CMBR技术,具体步骤如下:(1)将含氮废水通过调节池引入CMBR反应池中,投加碳源和磷酸二氢钾,保持溶解氧在0.2-0.5mg/L;(2)将步骤1反应16h后的混合液引入活性污泥分离机中,将分离后的污泥或排入污泥储池,或引入CMBR反应池继续反应,清液排放至清水池储存,根据实际情况确定回用量和排放量;本发明集缺氧、好氧、沉淀、浓缩、分离于一体,极大减少了占地面积,缩短了工艺流程,膜透过液水质稳定,达到《钢铁工业水污染排放标准》的一级要求。

标签:
废水处理
江苏 - 无锡 来源:北方有色网 2023-03-19
钢铁废水用净化处理装置

本实用新型公开了一种钢铁废水用净化处理装置,涉及工业废水治理技术领域,为解决现有钢铁废水中的可用离子没有得到有效的利用,资源再利用率较为低下的问题。所述净化处理主体的上方设置有离子收集机构,所述离子收集机构的一端设置有离子转移管道,且离子转移管道设置有两个,两个所述离子转移管道的一端均贯穿并延伸至离子收集机构的内部,所述净化处理主体的内部设置有内腔体,所述内腔体内部的上方设置有处理机构,所述处理机构的下端面设置有离子棒,且离子棒设置有六个,六个所述离子棒均与处理机构的下端面固定连接。

标签:
废水处理
江苏 - 无锡 来源:北方有色网 2023-03-19
高浓度含盐废水MVR蒸发结晶处理系统

高浓度含盐废水MVR蒸发结晶处理系统,包括原料储罐、进料泵、板式换热器、DTB蒸发结晶器加热室、DTB蒸发结晶器、真空蒸发结晶器加热室、真空蒸发结晶器、一号水力旋流器、硫酸钠浆液桶、双级推料离心机、震动流化床干燥机、一号母液储罐、一号母液泵、母液循环泵,其特征在于:所述原料储罐顺序连接进料泵、板式换热器、DTB蒸发结晶器加热室、DTB蒸发结晶器、真空蒸发结晶器加热室。本发明综合能耗低,最终得到的无水硫酸钠品质达到GB/T6009-2014《工业无水硫酸钠》II类一等品要求,其中硫酸钠含量≥98%,工业氯化钠达到国家工业氯化钠标准(GBT5462-2003)中日晒氯化钠二级标准要求。

标签:
废水处理
江苏 - 无锡 来源:北方有色网 2023-03-19
蒽醌染料及其中间体废水的处理装置

本实用新型公开了一种蒽醌染料及其中间体废水的处理装置,装置依次连接有预处理系统,反硝化单元,好氧硝化处理单元,深度处理单元,脱氮处理单元;本实用新型还公开了利用该处理装置的生物废水处理方法,利用本实用新型的装置进行废水处理,反硝化反应为严格厌氧共代谢,不需曝气、不需搅拌,大大减少了能源消耗;在厌氧共代谢处理的过程中同时引入好氧处理过程,在去除蒽醌染料及其中间体物质的同时,也可以去除少量的非蒽醌染料及其中间体的污染物质。本实用新型的装置以及方法具有耐负荷、耐冲击性强,对游离氨毒性耐受性强的特点,且出水水质稳定,便于维护,适宜工业应用。

标签:
废水处理
江苏 - 无锡 来源:北方有色网 2023-03-19
一体化工业净水器
一体化工业净水器 1222     
 0

本发明涉及一种一体化工业净水器,具体的说是各种工业废水净化及中水回收利用的设备,属于废水处理技术领域。其包括沉淀池、混凝池、絮凝池、第一厌氧铁碳微电解池、第二厌氧铁碳微电解池、第一移动床生物膜反应器、第二移动床生物膜反应器、膜生物反应器、污泥池和出水池,混凝池和絮凝池并排设置;混凝池旁设有沉淀池,沉淀池旁依次并排设有第一厌氧铁碳微电解池、第二厌氧铁碳微电解池、第一移动床生物膜反应器、第二移动床生物膜反应器和膜生物反应器。本发明将混凝、厌氧、缺氧、好氧、沉淀等污水处理步骤集成一体,能够完成污水净化工作,能耐污水浓度变化大的冲击,能适应南北最大温差、能在恶劣环境条件长时间工作。

标签:
废水处理
江苏 - 无锡 来源:北方有色网 2023-03-19
用于处理废水的板式膜生物反应器

本发明公开了一种用于处理废水的板式膜生物反应器,包括固定支架(1)和集水管(2),所述的固定支架(1)上设有膜组件管(3),膜组件管(3)竖直放置在固定支架(1)上,膜组件管(3)的上端通过软管(4)与集水管(2)的下侧相连;所述膜组件管(3)的表面设有高分子微孔膜。本发明的结构简单,设备占地面积小、操作维修方便,并具有透水量大、生物稳定性好、处理效率高、出水水质好的优点,并能实现自动控制;本发明可用于食品工业废水、化工制药废水等多种废水的处理,并且由于其出水水质好,因此可作为中水回用。

标签:
废水处理
江苏 - 无锡 来源:北方有色网 2023-03-19
基于多孔材料的废水处理装置

本实用新型属于废水处理技术领域,尤其是一种基于多孔材料的废水处理装置,针对现有的废水处理装置只对废水进行一级处理,无法对废水中的显色化合物急性吸附处理,处理的效果较差的问题,现提出如下方案,其包括底座,所述底座的顶部外壁通过螺钉固定有处理箱,且底座靠近处理箱一侧的顶部外壁通过螺钉固定有沉淀箱,所述处理箱的顶部外壁通过螺钉固定有抽水泵,且抽水泵的输入端套接有抽水管,所述抽水管远离抽水泵的一端与沉淀箱相连通。本实用新型利用多孔吸附层的多孔性,将显色化合物快速吸附,并能在太阳光照色下进一步将有机显色化合物进行分解,起到良好的显色化合物处理效果,满足工业生产的需求。

标签:
废水处理
江苏 - 无锡 来源:北方有色网 2023-03-19
水芽殖杆菌及应用
水芽殖杆菌及应用 936     
 0

本发明提供了一种水芽殖杆菌(Gemmobacter?aquaticus)ZYEM-P1,保藏在中国微生物菌种保藏管理委员会普通微生物中心,保藏单位地址:北京市朝阳区北辰西路1号院3号,中国科学院微生物研究所,邮政编码为100101,保藏编号为:CGMCC?No.7925,保藏日期为2013年07月15日。还提供了水芽殖杆菌在污废水以及油田含油污水处理中的应用。该水芽殖杆菌对于污废水以及油田含油污水处理效率高、处理效果好;该水芽殖杆菌培养条件简单、容易保存,易于工业化生产,具有良好的开发应用前景。

标签:
废水处理
江苏 - 无锡 来源:北方有色网 2023-03-19
甲醛废水的处理方法
甲醛废水的处理方法 1188     
 0

本发明公开了一种甲醛废水的处理方法,属于工业废水处理技术领域。本发明具体步骤是:首先将甲醛废水进行预处理,确保废水SS小于80mg/L,用酸或碱调节废水的pH至弱酸性;然后按照Na2SO3与甲醛摩尔比为一定比例向甲醛废水中加入Na2SO3溶液,控制反应时间0.5~1h后,废水中的甲醛去除率可达99%。本发明操作简单、成本较低、效果显著、适合大规模推广应用,具有广阔的应用前景。

标签:
废水处理
江苏 - 无锡 来源:北方有色网 2023-03-19
冰染染料废水处理装置

本实用新型公开了一种冰染染料废水处理装置,属于污水水处理方法领域,本实用新型的装置包括预处理系统,反硝化理单元,好氧硝化处理单元、电催化氧化处理单元、BAF脱氮处理单元,深度氧化单元;本实用新型还公开了利用该装置的废水处理方法,本实用新型方法中的反硝化反应为兼氧反应,充分利用废水中原有硝酸盐及好氧硝化单元回流硝酸盐及亚硝酸盐作为电子受体,进行反硝化反应;在兼氧反硝化理的过程中同时引入好氧处理过程,在去除冰染染料物质的同时,也可以去除少量的非冰染染料的污染物质。本实用新型的装置以及方法具有耐负荷、耐冲击性强,对游离氨毒性耐受性强的特点,废水处理效果显著且出水水质稳定,便于维护,适宜工业应用。

标签:
废水处理
江苏 - 无锡 来源:北方有色网 2023-03-19
废水电化净化装置
废水电化净化装置 1129     
 0

本发明涉及一种处理三高废水的废水电化净化装置,其包括筒体、安装在筒体上端的上拱体、安装在筒体下端的下拱体,特征在于:筒体内从上往下依次设有元件管板、上管板、下管板,元件管板与上管板之间的筒体侧壁开有进水口和出气口,筒体接地;上拱体顶部设有高压线接口;下拱体底部开有排渣口,侧部开有进气口和出水口;所述元件管板、上管板、下管板上竖装一定数量的处理管。本发明综合了电解化学,物化絮凝和溶气浮选的优点,处理效果更佳,而且占地小,成本低,管理方便,运行费用低,可以实施自动化,适用范围广泛。

标签:
废水处理
江苏 - 无锡 来源:北方有色网 2023-03-19
处理芳纶废水的方法
处理芳纶废水的方法 980     
 0

本发明公开了一种处理芳纶废水的方法,包括以下步骤:将芳纶废水通入厌氧反应器Ph调节至7.5~9.5,加入耐盐菌进行两级厌氧生化反应,每级反应48~60h;将处理后的废水Ph调节至大于等于11,进入氨氮吹脱塔进行氨氮吹脱至Ph不低于10,且不再下降;将上述处理过的废水导入好氧反应器Ph调节至7~9,加入耐盐菌进行好氧反应,20~30h。本发明与现有技术相比,方法科学简单,设计易行,处理效果好。由于引入微生物进行处理,整套方法在处理废水时,可以节省很大的能源消耗,大大节约了治理成本,符合芳纶工业厂家处理生产废水的要求。

标签:
废水处理
江苏 - 无锡 来源:北方有色网 2023-03-19
废水回收装置
废水回收装置 923     
 0

本发明提供了一种废水回收装置,包含为使从外部装置排出的废水向内部流入储藏,在下部连接废水流入管,为使在内部储藏的废水经加热后以蒸汽的形式再供应给外部装置内部的工业用水中,在上部连接蒸汽供应管,且在废水流入管上设置有废水流入泵的回收槽;设置在回收槽对废水加热的加热器;以及为使在回收槽的下部沉淀的废水污泥向外部排出,在回收槽的下部设置的废污泥排出部件,在回收槽设置检测在回收槽内部储藏的废水水位的废水液位计。本发明的废水回收装置维修管理容易且可以节省费用。

标签:
废水处理
江苏 - 无锡 来源:北方有色网 2023-03-19
酸性矿山废水处理系统

本发明公开了一种酸性矿山废水处理系统,涉及工业废水处理技术领域,该系统金属氧化池、沉淀池、膜处理装置固液分离装置,膜处理装置由超滤膜装置、纳滤膜装置和设有反渗透膜装置组成,沉淀池分离后的清夜依次经过超滤膜装置、纳滤膜装置和设有反渗透膜装置,所述膜处理装置设置在振动平台上,振动平台上设有使振动平台在水平方向上振动的激振器,振动平台带动膜处理装置的振动。激振器产生强大的剪切力,能把料液中的固体和膜污染物从膜表面浮起,避免了膜孔堵塞,滤速比错流式过滤增大3‑10倍,该系统可以去除酸性矿山废水中的铁离子、中和处理使废水呈弱碱性,振动膜处理装置可以过滤废液中的重金属,使废水达到排放标准或者回用标准。

标签:
废水处理
江苏 - 无锡 来源:北方有色网 2023-03-19
高浓度医学废水的处理方法

本发明公开了一种高浓度医学废水的处理方法,(1)将医学废水汇集至废水池中,经过沉淀过滤后进入调节池;(2)向调节池的废水中加入酸性或者碱性物质;(3)将废水输送至水解池;(4)将废水输送至混凝沉淀池,取上清液输送至生化池,沉淀物进入污泥池;(5)向生化池中加入微生物曝气处理,过滤后将废水输送至二沉池;(6)沉淀物进入污泥池,污泥池中的污泥经过浓缩后制成泥饼外运;(7)取二沉池的上清液输送至中间水箱,进行排放或者重新回用。本发明对废水依次进行过滤、酸碱调节、微生物分解、氧化还原、混凝沉淀、二次微生物分解、二次混凝沉淀、污泥外运与排放或者重新回用。

标签:
废水处理
江苏 - 无锡 来源:北方有色网 2023-03-19
废水深度处理用新型结晶器

本实用新型公开了一种废水深度处理用新型结晶器,该结晶器一端与进液体管连通,结晶器另一端与出热气管连通,结晶器底部与固废收集器连接,结晶器外壳为中空结构,结晶器外壳顶部与工业蒸汽管连通,结晶器外壳底部与冷凝水管连通;结晶器的出固废口通过若干根连接杆与连接环连接;固废收集器包括收集袋,收集袋顶部为袋口环,袋口环上设有若干个连接卡扣,连接卡扣的上部段开设有圆形槽体,连接环位于圆形槽体内;收集袋由外至内依次设有纤维布层、棉线交叉层与塑料层。本实用新型通过高温的工业蒸汽进入结晶器的中空外壳对废水进行结晶,用于废水深度处理,并针对性设计了收集结晶后固废的固废收集器。

标签:
废水处理
江苏 - 无锡 来源:北方有色网 2023-03-19
上一页 70 71 72 73 74 ... 80 下一页
共80页    到第

北方有色为您提供最新的江苏无锡有色金属废水处理技术理论与应用信息,涵盖发明专利、权利要求、说明书、技术领域、背景技术、实用新型内容及具体实施方式等有色技术内容。打造最具专业性的有色金属技术理论与应用平台!

全国热门有色金属设备推荐
展开更多 +
全国热门有色金属技术推荐
展开更多 +

 

江西省隆恩特环保设备有限公司
宣传

报名参会
更多+

报告下载

有色专家
更多+

矿冶科技集团有限公司工程公司
副总经理
洛阳有色矿业集团有限公司
生产技术部经理
武汉科技大学
院长 / 教授
北京航空航天大学、中国工程院
院士
中铝郑州有色金属研究院有限公司
党委书记 董事长
赤泥综合利用研究报告2025
推广

热门技术
更多+

推荐企业
更多+

福建省金龙稀土股份有限公司
宣传

发布

在线客服

公众号

电话

顶部
咨询电话:
010-88793500-807