青岛垚鑫智能科技有限公司
宣传

位置:中冶有色 >

有色技术频道 >

分类:
全部
矿山技术
冶金技术
材料制备及加工技术
环境保护技术
分析检测技术
 
全部
功能材料技术
复合材料技术
新能源材料技术
合金材料技术
加工技术
地区:
全部
北京
天津
上海
重庆
河北
山西
辽宁
吉林
黑龙江
江苏
浙江
安徽
福建
江西
山东
河南
湖北
湖南
广东
海南
四川
贵州
云南
陕西
甘肃
青海
内蒙
广西
西藏
宁夏
新疆
其他
其他
展开
 
全部
郑州
开封
洛阳
平顶山
安阳
鹤壁
新乡
焦作
濮阳
许昌
漯河
三门峡
商丘
周口
驻马店
南阳
信阳
济源

河南洛阳有色金属材料制备及加工技术理论与应用

免费发布技术信息>>
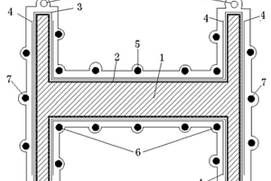
用复合材料制备注塑产品的生产设备

本发明公开了一种用复合材料制备注塑产品的生产设备,包括模具箱、用于固定模具箱的抬升固定座以及用于夹紧模具箱的晃动组件,晃动组件套设在模具箱外,晃动组件安装在抬升固定座的上端;流道延伸至模具板上端面,模具槽与流道相连通;模具板还包括加热管、感温元件以及套接孔;本发明在使用时,可事先预设加热模块的加热温度,通过感温模块监控模具板内的温度,使模具板内的温度在灌注复合材料完成前,持续保持在复合材料的熔点之上,从而避免在灌入复合材料时,避免先灌入的复合材料冷却凝固,而对后续注入的复合材料形成堵塞,容易在模具的定型槽与流道处形成空腔或气孔的问题。

标签:
复合材料
河南 - 洛阳 来源:中冶有色网 2023-03-18
负载型纳米氧化锌复合材料

本发明公开了一种负载型纳米氧化锌复合材料,采用如下方法制备:将橡胶用炭黑加入硫酸锌溶液中,然后加入尿素并搅拌均匀,升温至90~100℃并在该温度下反应4~6小时;反应后过滤,将滤饼用去离子水洗涤至无硫酸根;将滤饼干燥后,在惰性气体保护下于200~300℃下煅烧2~4小时,得到负载型纳米氧化锌复合材料。本发明负载型纳米氧化锌复合材料,将纳米氧化锌负载在橡胶用炭黑上,纳米氧化锌具有更高的活性,其中锌原子的利用率高,添加量仅为普通氧化锌的30%~50%,可以大大节省纳米氧化锌资源。

标签:
复合材料
河南 - 洛阳 来源:中冶有色网 2023-03-18
多组分增容增韧剂制备的多功能废旧PET与聚丙烯原位成纤复合材料

本发明公开了一种多组分增容增韧剂制备的多功能废旧PET与聚丙烯原位成纤复合材料,该发明多组分可控型反应性增容增韧剂是由聚丙烯、弹性体1,弹性体2、双官能团反应性单体、第二单体和过氧化物类引发剂制备而成;然后利用制备的多组分可控型反应性增容增韧剂和废旧PET、抗氧剂制备成多功能废旧PET,最后利用制备的多功能废旧PET与聚丙烯复合制备成原位成纤复合材料。利用本发明技术方案制备的原位成纤复合材料的韧性(悬臂梁缺口冲击强度)、刚性(拉伸屈服应力和弯曲弹性模量)均比原料聚丙烯有明显提高,而且力学性能的重现性相当好。同时,本发明还将我国每年大量产生的废弃物即废旧PET资源化。因此,具有显著的经济和社会效益。

标签:
复合材料
河南 - 洛阳 来源:中冶有色网 2023-03-18
复合材料锥管结构风载荷模拟试验方法

本发明属于模拟试验研究领域。提出的一种复合材料锥管结构风载荷模拟试验方法为:首先得出锥管结构上梯形载荷的分布,确定集中载荷的加载位置,确定集中载荷,锥管结构挠度测试基准校平,进行挠度测试。本发明采用施加多点局部载荷的方法来替代风洞试验来测试锥管结构在一定风速下的挠度,采用该方法操作简单、试验周期短、成本低、结果可靠,不仅能用于烟囱、电线杆和天线锥管结构复合材料风载荷模拟试验,还可用于柱形、梁形等复合材料结构风载荷模拟试验,具有显着的军事效益和经济效益。

标签:
复合材料
河南 - 洛阳 来源:中冶有色网 2023-03-18
硫化铜掺杂碳基复合材料及其制备方法、钠离子电池

本申请涉及一种硫化铜掺杂碳基复合材料及其制备方法、钠离子电池,属于钠离子电池技术领域。本申请的硫化铜掺杂碳基复合材料,所述硫化铜掺杂碳基复合材料具有核壳结构,内核包括碳材料A,所述碳材料A中均匀分散有硫化铜,外壳包括掺杂磷元素的碳材料B,外壳与内核的质量比为1‑5:95‑99。本申请通过在多孔硬碳中掺杂硫化铜,硫化铜具有电子导电率高的特性,提升硬碳复合材料的电子导电率和离子导电率,进而提高了碳复合材料的充放电性能,特别是倍率性能。

标签:
复合材料
河南 - 洛阳 来源:中冶有色网 2023-03-18
轴承保持架用多孔聚酰亚胺复合材料及其制备方法、轴承保持架

本发明属于轴承材料技术领域,具体涉及一种轴承保持架用多孔聚酰亚胺复合材料及其制备方法、轴承保持架。本发明的轴承保持架用多孔聚酰亚胺复合材料,由以下质量百分比的原料经限位压制、烧结制成:单醚酐聚酰亚胺92~97%、聚四氟乙烯3~8%;所述单醚酐聚酰亚胺由4,4’‑氧双邻苯二甲酸酐与4,4’‑二氨基二苯醚缩聚脱水环化制得。该复合材料在孔隙率与现有材料相当的情况下,能够显著提高复合材料的强度,使得复合材料的强度性能与微孔特性兼容,有利于保持架一次加油后长期使用,即在满足苛刻的轴承工况的需求的条件下,延长轴承的使用寿命。

标签:
复合材料
河南 - 洛阳 来源:中冶有色网 2023-03-18
用于检测包含粘贴层的复合材料导热性能的系统及方法

本发明属于导热性能测量技术领域,具体涉及一种用于检测包含粘贴层的复合材料导热性能的系统及方法。该系统包括保温层、热源、第一金属材料、第二金属材料、温度传感器和处理器。本发明通过施加热源,使产生的热量依次经过任一金属材料、待测的包含粘贴层的复合材料、另一金属材料进行传导,且依据第一金属材料和第二金属材料内部热量的线性传导特性以及热学经典理论可计算得到包含粘贴层的复合材料的导热系数。本发明计算得到的包含粘贴层的复合材料导热系数为结合其粘贴情况的导热系数。而且,在热源、第一金属材料、包含粘贴层的复合材料和第二金属材料的外围设置有保温层防止热量散失,使得导热系数的测量更加准确。

标签:
复合材料
河南 - 洛阳 来源:中冶有色网 2023-03-18
树脂陶瓷耐磨复合材料及其制备方法

本发明提供了一种树脂陶瓷耐磨复合材料及其制备方法,该方法首先分别制备聚氨酯预聚体、环氧树脂组分和固化剂组分;然后将碳化硅和棕刚玉填料预混后再与聚氨酯预聚体、环氧树脂组分、固化剂组分、硅烷偶联剂、分散剂和消泡剂进行混合,得到复合材料的浇注料;最后将浇注料注入模具并固化成型,脱模后得到树脂陶瓷耐磨复合材料。该方法制备的复合材料陶瓷填料质量分数可达87%,复合材料与预埋件结合紧固,无应力造成的裂纹,特别适合制作大型传输设备的过流部件,制备的耐磨复合材料过流部件,同等工况环境使用寿命最高可达传统高铬合金材料过流部件的8倍以上。

标签:
复合材料
河南 - 洛阳 来源:中冶有色网 2023-03-18
剥离型聚酯/粘土纳米复合材料及其制备方法

一种剥离型聚酯/粘土纳米复合材料,由剥离型聚酯单体和用4-(2-乙胺基)苯-1, 2-二酚(DPA)预处理过的粘土原位聚合而成; ?所述粘土成分包括SiO2和Al2O3,所述粘土为粒度小于200目、结构为层状或纤维状的硅铝酸盐矿物粉末。本发明所制备的聚酯/粘土纳米复合材料不仅大幅提高PET的力学性能,极大的提高PET的气体阻隔性,二氧化碳与氧气的透过率能够低至纯PET材料的10%左右,使PET/MMT纳米复合材料能够成为一种高阻隔性包装材料,在塑料啤酒瓶等领域得到应用。

标签:
复合材料
河南 - 洛阳 来源:中冶有色网 2023-03-18
原位生成纳米三碳化四铝增强铝基复合材料及其制备方法

本发明涉及颗粒增强铝基复合材料技术领域,具体的说是原位生成纳米三碳化四铝增强铝基复合材料及其制备方法。复合材料以原位生成纳米三碳化四铝颗粒为增强粒子,以铝为基体,其中纳米三碳化四铝颗粒的体积分数为6~10Vol.%,其余为铝基体。本发明利用市场上普遍的碳黑粉和铝粉,通过较简单的粉末冶金工艺原位生成纳米三碳化四铝颗粒增强铝基复合材料,较好的解决纳米材料的分散性和界面结合问题,成为碳纳米管/石墨烯增强铝基复合材料替代材料。并使制备流程简单易于生产,兼顾功能性、强度及塑韧性的一种纳米三碳化四铝增强铝基复合材料得以实现。

标签:
复合材料
河南 - 洛阳 来源:中冶有色网 2023-03-18
阻燃性聚双环戊二烯/聚丙烯酸酯类复合材料及其制备方法

本发明公开了一种阻燃性聚双环戊二烯/聚丙烯酸酯类复合材料及其制备方法,其中阻燃性聚双环戊二烯/聚丙烯酸酯类复合材料主要是由以下重量份的单体同步共混聚合而成:双环戊二烯单体70-99份,单丙烯酸酯类单体1-30份,双丙烯酸酯类单体或二乙烯基苯单体0.1-10份;三氧化二锑0.25-15份。本发明的聚双环戊二烯/聚丙烯酸酯类复合材料中,聚丙烯酸酯类具有较好的柔顺性,采用单丙烯酸酯类单体与双丙烯酸酯类单体或二乙烯基苯单体相结合,弥补了聚双环戊二烯材料韧性的不足,相比单一的聚双环戊二烯材料在保持原有拉伸强度的情况下其冲击强度提高了25%以上。另外加入的三氧化二锑能够显著的提高聚双环戊二烯复合材料的阻燃性,使复合材料的氧指数达到24%左右,基本接近于难燃材料。

标签:
复合材料
河南 - 洛阳 来源:中冶有色网 2023-03-18
整体闭合复合材料外壳的真空辅助成型方法

本发明介绍了一种整体闭合复合材料外壳的真空辅助成型方法,外壳内部包括“H”形或者近似“H”形内部芯材,根据导流介质设置可根据中间平板芯材、侧板芯材内壁的和侧板芯材外壁的尺寸不同设置不同的注胶管和真空管形式。本发明可以明显改善大型、复杂复合材料外壳成型时的劳动卫生条件,提高生产效率;由于真空辅助工艺为新型的洁净工艺,几乎不产生有害气体挥发,极大地保护了操作人员的身体健康;成型过程中,只需控制注胶管路布置和整体真空度,减少了人为因素对产品性能的影响,因此采用本发明生产的复合材料外壳性能优异,质量稳定。

标签:
复合材料
河南 - 洛阳 来源:中冶有色网 2023-03-18
三维增强复合材料的成型方法

本发明提供了一种三维增强复合材料的成型方法,包括:步骤一:制备碳纤维Z‑pin构件(1)以及碳纤维增强树脂基复合材料的层合板预制体(2);步骤二:在层合板预制体(2)中制造预制孔(4);以及步骤三:将碳纤维Z‑pin构件(1)植入到预制孔(4)中。本发明的目的在于提供一种三维增强复合材料的成型方法,能够降低对复合材料层合板预制体破坏,减轻对层合板力学性能和强度的损伤,而且能实现将碳纤维Z‑pin植入到大厚度的复合材料层合板中。

标签:
复合材料
河南 - 洛阳 来源:中冶有色网 2023-03-18
钛酸锂复合材料及其制备方法,钛酸锂电池

本发明涉及一种钛酸锂复合材料及其制备方法,钛酸锂电池。该钛酸锂复合材料包括钛酸锂颗粒以及包覆在钛酸锂颗粒表面的铝膜。本发明提供的钛酸锂复合材料,在钛酸锂颗粒的表面包覆铝膜,进而提高钛酸锂复合材料的导电性。试验表明,在钛酸锂颗粒的表面包覆铝膜,在提高负极材料导电性的同时可有效提高振实密度,从而有利于钛酸锂负极材料的克容量发挥及首次效率的提高;电化学试验结果表明,使用该钛酸锂复合材料的钛酸锂电池的循环性能、倍率性能得到明显改善。

标签:
复合材料
河南 - 洛阳 来源:中冶有色网 2023-03-18
Al4W相强化钨铜复合材料及其制备方法

本发明涉及一种Al4W相强化钨铜复合材料及其制备方法,属于金属材料制备技术领域。本发明的Al4W相强化钨铜复合材料的制备方法,包括以下步骤:将主要由钨酸铜、造渣剂和铝粉组成的混合料进行铝热反应,得到混合熔体,混合熔体经金渣分离后得到金属复合熔体,金属复合熔体经过渣洗用预熔渣洗涤后,再进行冷却除渣,即得;所述混合料中的钨元素和铝元素的摩尔比为1:(2.10~3.29),冷却除渣。本发明通过铝热反应实现了钨铜复合材料的合成,通过控制原料中各金属元素的比例,可以在制备的钨铜复合材料中原位合成Al4W增强相,原位合成的Al4W增强相具有界面结合性好、尺寸小且分散均匀等优点,可以进一步提高钨铜复合材料的致密度、强度和耐磨性。

标签:
复合材料
河南 - 洛阳 来源:中冶有色网 2023-03-18
Ti<Sub>2</Sub>AlC/TiAl仿生微纳叠层复合材料及其制备方法

本发明属于钛铝复合材料领域,具体涉及一种Ti2AlC/TiAl仿生微纳叠层复合材料及其制备方法。该Ti2AlC/TiAl仿生微纳叠层复合材料中,多个片状TiAl单元之间复合有Ti2AlC层;所述片状TiAl单元的厚度为微米级,所述Ti2AlC层的厚度为纳米级。本发明的仿生微纳叠层复合材料,以微米级TiAl层为“砖石”,以纳米级Ti2AlC层为“黏泥”,形成“砖砌式”微纳叠层结构;这种叠层结构能够通过多尺度下对裂纹偏转、钝化和桥接,有利于同时提高Ti2AlC/TiAl复合材料的强度和塑韧性。

标签:
复合材料
河南 - 洛阳 来源:中冶有色网 2023-03-18
超薄铜复层铜铝复合材料及其生产方法

本发明涉及一种超薄铜复层铜铝复合材料及其生产方法,属于金属板带加工技术领域。本发明的超薄铜复层铜铝复合材料的生产方法,包括:在铜铝复合板带的铝层表面复合一层铝覆层得到铜铝复合坯料,冷轧处理,即得。本发明的超薄铜复层铜铝复合材料的生产方法,采用较厚的铜铝复合板带代替纯铜作为复层,直接减薄了铜层的绝对厚度并增加了其热熔,解决现有技术在生产超薄铜复层铜铝复合材料的过程中容易产生过烧,造成铜层熔透,无法复合的技术问题;同时相较于传统的采用电镀技术生产超薄铜复层铜铝复合材料对环境污染小,社会效益显著。

标签:
复合材料
河南 - 洛阳 来源:中冶有色网 2023-03-18
适用于内嵌阻尼层夹芯复合材料的真空辅助成型方法

本发明介绍了一种适用于内嵌阻尼层夹芯复合材料的真空辅助成型方法,通过在顶面、底面铺敷导流布,并采用双面开槽泡沫,解决了由于阻尼层上下面的渗透,从而可以实现内嵌阻尼层夹芯复合材料的真空辅助成型。本发明解决了内嵌阻尼层夹芯复合材料的真空辅助成型,为内嵌阻尼层夹芯复合材料的工程后应用奠定了基础;制备的复合材料除了具有高刚度、低密度、高阻尼特性外,可以广泛应用于航天、舰船等对振动有特殊要求的部位,具有广阔的应用前景和显著的军事效益;可以实现阻尼层的共固化一次成型,并且质量稳定。

标签:
复合材料
河南 - 洛阳 来源:中冶有色网 2023-03-18
石墨烯三维复合材料及其制备方法和应用

本发明公开了一种石墨烯三维复合材料及其制备方法和应用,该石墨烯三维复合材料是由包括以下步骤的方法制备的:1)取石墨粉按照Hummers法进行第一次氧化,洗涤、超声后过滤得一次氧化石墨烯;2)取一次氧化石墨烯按照Hummers法进行第二次氧化,洗涤、超声后过滤得氧化石墨烯片层;3)室温下将氧化石墨烯片层分散在水中,并加入聚乙烯亚胺溶液进行混合,后冷冻干燥即得。本发明的石墨烯三维复合材料具有三维空间结构,同时具备羧基、羰基和氨基等基团,吸附能力强,负载容量大,对水中的铅离子、铜离子、镉离子等重金属离子具有良好的吸附效果;同时其作为三维材料,吸附重金属后可以经过简单的过滤除去,不产生二次污染。

标签:
复合材料
河南 - 洛阳 来源:中冶有色网 2023-03-18
轴承保持架用聚酰亚胺复合材料及其制备方法、轴承保持架

本发明属于聚酰亚胺复合材料技术领域,具体涉及一种轴承保持架用聚酰亚胺复合材料及其制备方法,还涉及一种轴承保持架。本发明的轴承保持架用聚酰亚胺复合材料由以下质量百分比的组分复合而成:单醚酐聚酰亚胺60%~70%,聚四氟乙烯20~30%,聚苯酯5~10%。本发明的聚酰亚胺复合材料以单醚酐聚酰亚胺作为基材,采用聚四氟乙烯提高润滑性能,采用聚苯酯提高强度,最终使得本发明的聚酰亚胺复合材料具有较高的拉伸强度和冲击强度,并具有耐磨、自润滑、转移膜易转移等特性,兼具有耐腐蚀性能。采用本发明的聚酰亚胺复合材料制成的轴承保持架,耐强酸以及强氧化介质,有效提高了轴承的使用寿命。

标签:
复合材料
河南 - 洛阳 来源:中冶有色网 2023-03-18
内嵌结构高导热率复合材料及其制备方法

本发明涉及一种内嵌结构高导热率复合材料及其制备方法。所述内嵌结构高导热率复合材料由超高导热材料和多孔陶瓷金属复合材料构建而成;其中:所述超高导热材料为金刚石金属复合材料、石墨烯金属复合材料、碳纳米管金属复合材料、氮化硼金属复合材料、定向热解石墨中的一种,且横向或纵向热导率大于300W/m·K;所述多孔陶瓷金属复合材料由多孔陶瓷和金属复合而成,所述多孔陶瓷为SiC、AlN、BN、Si3N4、Al2O3、TiC、TiB2或B4C中的一种;所述金属为纯铜、铜合金、纯铝、铝合金、纯美或镁合金中的一种。经测试得热导率范围为200~1500W/m·k,可有效降低材料制备成本,实现高性能热管理材料快速制备。

标签:
复合材料
河南 - 洛阳 来源:中冶有色网 2023-03-18
植酸-五氧化二钒复合材料及其制备方法、电极和电池

本发明属于复合材料技术领域,具体涉及一种植酸‑五氧化二钒复合材料及其制备方法、电极和电池。该复合材料为片层材料,植酸包覆于五氧化二钒的外表面并插层于五氧化二钒的相邻层之间。该复合材料可有效克服/改善现有五氧化二钒用作水系锌离子电池正极材料时,在循环使用过程中锌离子脱嵌困难、结构稳定性差所导致的比容量和循环性能较差的问题。

标签:
复合材料
河南 - 洛阳 来源:中冶有色网 2023-03-18
高强高导石墨烯增强铜基复合材料及制备方法与应用

本发明涉及复合材料制备技术领域,具体涉及一种高强高导石墨烯增强铜基复合材料及制备方法与应用。本发明采用球形铜粉末为基体材料,石墨烯作为增强相,通过石墨烯液相分散、球磨预分散、表面包覆、热等静压、热挤压等步骤,制备出接近全致密、导电性能好、抗拉强度高,硬度高及延伸率高的高强高导石墨烯增强铜基复合材料。该方法工艺可控性好,易于规模化生产,制得的高强高导石墨烯增强铜基复合材料组织均匀,石墨烯与基体界面结合良好,性能稳定,在汽车、航空航天和电子领域中具有巨大的应用前景。

标签:
复合材料
河南 - 洛阳 来源:中冶有色网 2023-03-18
双连续相SiC/Cu复合材料的方法

本发明涉及一种双连续相SiC/Cu复合材料的方法,属于无压浸渗技术领域。本发明的双连续相SiC/Cu复合材料的方法,包括以下步骤:将SiC多孔陶瓷和铜基金属作为预浸渗体;然后采用碳化硅砂对预浸渗体进行填埋使预浸渗体的底部和周围分布碳化硅砂,在无氧环境下升温进行无压浸渗,无压浸渗完成后,降温即得双连续相SiC/Cu复合材料。本发明的方法工艺简单,易于实现,且操作过程简单,以碳化硅砂作为模具材料,有助于通过高温无氧条件下无压浸渗提高铜基复合材料力学性能时,避免氧化物砂在高温无氧环境下发生脱氧反应,导致模具坍塌失效;同时还可以减少模具材料跟预浸渗体中SiC多孔陶瓷发生反应。

标签:
复合材料
河南 - 洛阳 来源:中冶有色网 2023-03-18
氧化铝弥散强化铜基复合材料的锻造成型方法、复合坯

本发明涉及一种氧化铝弥散强化铜基复合材料的锻造成型方法、复合坯,属于粉末冶金技术领域。该方法包括以下步骤:(1)将生产氧化铝弥散强化铜基复合材料的原料混合粉、铜粉内外布置后,经内氧化还原、粉末烧结,形成内芯为氧化铝弥散强化铜基复合材料、表层为铜的复合坯;所述内芯为圆柱形,所述表层为筒形,内芯、表层烧结为一体结构;(2)将复合坯锻造成型,再除去表层,得到氧化铝弥散强化铜基复合材料。本发明的氧化铝弥散强化铜基复合材料的锻造成型方法,设计了一种内芯为弥散铜烧结坯、表层为铜坯料的双层结构的复合坯,在锻造过程中,易开裂的区域由塑性差的弥散铜变为塑性较好的铜表层,避免了弥散铜的开裂。

标签:
复合材料
河南 - 洛阳 来源:中冶有色网 2023-03-18
环氧树脂-玻璃纤维预浸料、树脂纤维复合材料、其制备方法及航空飞行器

本发明提供了一种环氧树脂‑玻璃纤维预浸料、树脂纤维复合材料、其制备方法及航空飞行器。该环氧树脂‑玻璃纤维预浸料中环氧树脂的含量为45~60wt%。本申请所改进的环氧树脂‑玻璃纤维预浸料含有较高含量的环氧树脂。通过提高环氧树脂含量,能够增加玻璃纤维和环氧树脂之间的浸润面积,减少了复合材料中残存的空气含量,降低了所制备的复合材料的孔隙率,进而提高了复合材料的抗击穿强度,即提高了复合材料的绝缘性能。

标签:
复合材料
河南 - 洛阳 来源:中冶有色网 2023-03-18
复合材料型材的先进拉挤成型方法及其成型装置

本发明提供了一种复合材料型材的先进拉挤成型方法,通过对预浸料依次进行预加热、预固化、固化和后固化处理来制备复合材料型材,通过在预浸料的固化步骤前增设预加热和预固化步骤,使得预浸料在固化之前就具有一定的温度和粘度,避免了快速升温和加压所造成的预浸料大量流失的现象,使得制备的型材具有均匀的树脂含量,同时减少了步进纹和表面褶皱的产生,从而提高复合材料型材的表面质量,进而提升性能。本发明还提供了一种用于复合材料型材的先进拉挤成型方法的成型装置。本发明所制备的复合材料型材可应用于航空航天、新能源发电、国防建设等高科技领域,同样也可应用于交通建筑业,汽车车身、轮毂等各个方面。

标签:
复合材料
河南 - 洛阳 来源:中冶有色网 2023-03-18
聚四氟乙烯复合材料,轴承用聚四氟乙烯复合保持架及其制备方法

本发明公开了一种聚四氟乙烯复合材料,轴承用聚四氟乙烯复合保持架及其制备方法。聚四氟乙烯复合材料由以下质量百分比的组分组成:偶联剂改性的纳米三氧化二铝3~8%,二硫化钼2~5%,聚四氟乙烯90~95%。本发明的聚四氟乙烯复合材料,采用聚四氟乙烯、偶联剂改性纳米三氧化二铝与二硫化钼复配制成,其中纳米三氧化二铝热导率大、粒径小能显著改善复合材料的抗压性、热传导性和耐磨性,纳米三氧化二铝经偶联剂改性后可提高材料表面活性,增加表面结合力;二硫化钼可增强复合材料的摩擦磨损性能;该复合材料具有优良的自润滑性能和较高的拉伸强度,抗压性、热传导性和摩擦磨损性能得到明显改善,满足了超低温高速轴承对保持架的要求。

标签:
复合材料
河南 - 洛阳 来源:中冶有色网 2023-03-18
铝-钛复合材料的爆炸焊接制造方法

本发明公开了一种铝—钛复合材料的爆炸焊接制造方法,具体是将基层钛板(5)置于铺有缓冲保护层(6)的钢垫板(7)之上,复层铝(铝合金)板(3)通过支撑物(4)置于基层钛板之上,炸药(2)布放在铝(铝合金)层表面,在爆轰方向末端采用不均匀布药方式,使单位面积装药量在爆轰方向末端逐渐降低,通过爆炸焊接复合一体获得高质量的大面积铝(铝合金)—钛复合材料,其中,基板的材质为工业纯钛,复板的材质为纯铝或铝合金(MG含量≤0.1%)。利用该方法制造的铝(铝合金)—钛复合材料具有良好的质量。

标签:
复合材料
河南 - 洛阳 来源:中冶有色网 2023-03-18
气相原位聚合法制备超高分子量聚乙烯石墨烯复合材料

气相原位聚合法制备超高分子量聚乙烯石墨烯复合材料,包括以下步骤:通过石墨烯作为催化剂载体和过渡金属化合物在一定条件下反应制成固体催化剂,然后在没有稀释剂存在的气相条件下反应制备超高分子量聚乙烯石墨烯复合材料。本发明采用石墨烯同时作为催化剂载体和增强填料,在气相条件下反应,既可以通过催化剂负载提高聚合活性,而且所得到的复合材料中石墨烯达到均匀分散,复合材料性能优良,特别是其耐冲击性能较强,解决了传统复合材料在长期使用过程中脆性断裂、失效等问题。

标签:
复合材料
河南 - 洛阳 来源:中冶有色网 2023-03-18
上一页 53 54 55 56 57 ... 59 下一页
共59页    到第

中冶有色为您提供最新的河南洛阳有色金属材料制备及加工技术理论与应用信息,涵盖发明专利、权利要求、说明书、技术领域、背景技术、实用新型内容及具体实施方式等有色技术内容。打造最具专业性的有色金属技术理论与应用平台!

全国热门有色金属设备推荐
展开更多 +
全国热门有色金属技术推荐
展开更多 +

 

江西省隆恩特环保设备有限公司
宣传

报名参会
更多+

报告下载

有色专家
更多+

武汉科技大学
校学术委员会主任 / 教授
中国矿业大学
副院长/教授
矿冶科技集团
中国工程院院士
中铝科学技术研究院有限公司
董事长
东华理工大学
校长/教授
赤泥综合利用研究报告2025
推广

热门技术
更多+

推荐企业
更多+

福建省金龙稀土股份有限公司
宣传

发布

在线客服

公众号

电话

顶部
咨询电话:
010-88793500-807