青岛垚鑫智能科技有限公司
宣传

位置:中冶有色 >

有色技术频道 >

> 固/危废处置技术

分类:
全部
矿山技术
冶金技术
材料制备及加工技术
环境保护技术
分析检测技术
 
全部
废水处理技术
大气治理技术
固/危废处置技术
土壤修复技术
地区:
全部
北京
天津
上海
重庆
河北
山西
辽宁
吉林
黑龙江
江苏
浙江
安徽
福建
江西
山东
河南
湖北
湖南
广东
海南
四川
贵州
云南
陕西
甘肃
青海
内蒙
广西
西藏
宁夏
新疆
其他
其他
展开
 
全部
南京
无锡
徐州
常州
苏州
南通
连云港
淮安
盐城
扬州
镇江
泰州
宿迁

江苏无锡有色金属固/危废处置技术理论与应用

免费发布技术信息>>
钢铁业酸洗废液处理工艺

本发明公开了一种钢铁业酸洗废液处理工艺,包括以下技术步骤:a、将酸洗废液进行初步过滤,滤除固体杂质和油脂;b、向过滤后的滤液中加入碱进行pH调节;c、将步骤b所得溶液送入重金属捕捉器,溶液中各种金属离子与重金属捕捉剂进行反应,形成重金属沉淀物;d、将步骤c的反应物送入过滤器,过滤回收重金属沉淀物,滤液待用;e、将步骤d所得滤液送入反渗透装置,深度处理后产水接近纯水标准,可回用于生产冲洗用水,浓水可回用至酸洗工艺的初级酸洗水。本发明的方法操作简便,成本低,适宜于工业化推广应用;对酸洗废液处理彻底,重金属离子回收率高,废液经处理后完全闭合循环使用,无二次污染。

标签:
固废
江苏 - 无锡 来源:中冶有色网 2023-03-19
利用毕赤酵母固态废弃物高效发酵生产丁醇的方法

本发明公开了一种利用毕赤酵母固态废弃物高效发酵生产丁醇的方法,属于发酵工程以及废物资源化技术领域。本发明的方法为先将丙酮丁酸梭菌接种于玉米粉培养基中进行ABE发酵,当发酵进入到产溶剂期后,再按照一定的比例在玉米粉培养基中加入毕赤酵母固态废弃物继续发酵;利用本发明的方法生产丁醇,可同时实现固体废物(毕赤酵母固态废弃物)的资源化、减量化以及发酵原料(玉米粉)的节省化,提高ABE发酵的经济性能。

标签:
固废
江苏 - 无锡 来源:中冶有色网 2023-03-19
金属酸洗产生的混酸废水回收利用的方法

本发明公开了一种钢铁行业酸洗产生的混酸废水经液碱中和后生成的金属氢氧化物污泥和投加氯化钙溶液后生成的氟化钙泥资源回收利用方法,主要包括由混酸废水经还原后投加液碱生成,通过超微分离机浓缩和压滤机压滤后得到(含固率50%)金属氢氧化物污泥和由超微分离机产水经投加氯化钙后生成,经沉淀浓缩压滤后得到(含固率50%)氟化钙污泥的回收利用,能回收酸洗混酸废水中有价值的金属离子和氟化钙污泥,不产生有害的危险固体废弃物,变废为宝,提高污水处理的经济效益,减少处置成本。

标签:
固废
江苏 - 无锡 来源:中冶有色网 2023-03-19
采用人工湿地净化涂装前处理废水的方法及其装置

本发明公开了一种采用人工湿地净化涂装前处理废水的方法及其装置,该方法首先采用处理药剂对废水进行预处理然后进行均质均量处理,均质均量后投加混凝剂和助凝剂与废水充分反应后使较小的颗粒物凝聚成较大的矾花,接着将浮渣和废水分离,分离后的废水依次经过高效沉淀池、中间过渡池、多介质过滤器和活性炭过滤器进行过滤和调节ph值,上述处理后的废水输入人工湿地系统进行进一步的处理后排出达标出水。本发明的处理流程简明,建造和运行费用便宜,脱氮除磷效果好,出水中所含的重金属离子含量不大于0.1mg/L、固体悬浮物含量不大于30mg/L、化学需氧量不大于50mg/L且盐度低,满足《污水综合排放标准》中的相关要求。

标签:
固废
江苏 - 无锡 来源:中冶有色网 2023-03-19
废弃物处理装置
废弃物处理装置 907     
 0

本发明公开了一种废弃物处理装置,包括:卧式发酵罐,内部设有一个横向的搅拌桨,所述搅拌桨在电机的驱动下转动;加热套,外包在卧式发酵罐罐体外表面;减压装置,连接卧式发酵罐,用于降低卧式发酵罐的罐内压力。本发明设计一种废弃物处理装置,采用卧式发酵罐其进料、出料更便捷,降低了设备的高度,减少较高的设备设施高度带来的材料高强度要求,适合大吨位的产品处理,并设置加热、减压装置,可有效地控制发酵罐内温度、湿度,适合高温好氧的处理有机污染物的菌种培养,本装置适合于大批量、高效处理固体、液体废弃物。

标签:
固废
江苏 - 无锡 来源:中冶有色网 2023-03-19
制药废水回收提炼再利用系统

一种制药废水回收提炼再利用系统,包括集水池,所述集水池的进口处连接废水,出口处通过泵依次串联连接一级精馏釜、离心机和一级釜液池,所述一级精馏釜的顶部还通过管路连接馏出液储池,所述馏出液储池的输出端通过泵连接综合废水处理系统;所述离心机的底部连接固体外运;所述一级精馏釜与离心机之间的管路安装一分管,所述分管连接二级精馏釜,所述二级精馏釜连接产品罐,所述二级精馏釜还通过离心泵连接釜液集中池,所述釜液集中池通过回路管与二级精馏釜连通。通过采用分类预处理,对废水中难生物降解的有机物和重金属进行分离、回收,不仅大大降低污染物在废水中的浓度,改善了废水的可生化性能,承受较高的冲击负荷。

标签:
固废
江苏 - 无锡 来源:中冶有色网 2023-03-19
碱渣脱硫与脱硫废水双向联合治理装置

本实用新型公开了一种碱渣脱硫与脱硫废水双向联合治理装置,治理装置包括依次连接分布的碱渣处理模块、脱硫塔、石膏处理模块和脱硫废水处理模块,治理方法则是先处理蒸氨废液,分离不溶固体,降低氯离子含量,制成脱硫用碱渣浆液,接下来碱渣浆液投入脱硫塔,最后便是处理脱硫塔产生的废弃物,分离出来的水体作为中水回用,分离出来的浓盐则转移到制盐厂。综合考虑碱渣脱硫、湿法脱硫装置和脱硫废水,双向联合治理,既环保又经济,形成了综合循环经济效益,此实用新型用于环保领域。

标签:
固废
江苏 - 无锡 来源:中冶有色网 2023-03-19
废塑料分解加热器
废塑料分解加热器 1111     
 0

本发明属于固体废弃物的资源综合利用领域,具体为一种废塑料分解加热器,其能够实现废旧塑料的输送、加热、分解,产生的裂解气体成分稳定,提高分解效率,其包括螺旋送料机,所述螺旋送料机的槽体外部套装有加热夹套,所述加热夹套一端设置有加热液体进口、另一端设置有加热液体出口,所述螺旋送料机的螺旋轴上的叶片为多片间断的桨叶式螺旋叶片,所述螺旋轴的每个螺距空挡安装有搅拌齿,所述螺旋送料机的槽体上端开有裂解气体出口。

标签:
固废
江苏 - 无锡 来源:中冶有色网 2023-03-19
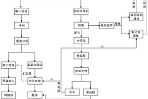
硝酸型高含氯剥锡废液的处理方法

本发明提供一种硝酸型高含氯剥锡废液的处理方法,包括以下步骤:(1)混合氢氧化钙、偏铝酸钠和剥锡废液进行反应,固液分离后得到第一滤液和钙铝水滑石;(2)中和第一滤液,固液分离后得到第二滤液和氢氧化锡泥;所述第二滤液经蒸馏离心后得到硝酸钠;(3)煅烧钙铝水滑石,得到尾气和残余固体;所述尾气经水吸收后得到稀盐酸溶液;(4)混合液碱和残余固体进行反应,固液分离后得到氧化钙固体和偏铝酸钠液体;(5)对稀盐酸溶液进行提浓处理,得到淡水和浓盐酸溶液;(6)混合氢氧化锡泥和浓盐酸溶液进行酸溶,所得酸溶液经蒸馏离心后得到氯化亚锡。所述处理方法避免了交叉影响,提升了所得产品质量,同时降低了处理难度和危险性。

标签:
固废
江苏 - 无锡 来源:中冶有色网 2023-03-19
污泥或废液综合处理方法

本发明公开了一种污泥或废液综合处理方法,其特征是方法步骤如下:污泥或废液先经机械格栅分离,将污泥或废液里的大杂颗粒进行筛选分离,分离后的大杂颗粒综合利用或填埋;所述经过分离后的污泥或废液进行机械粉碎然后用泵打入复合膜低温蒸发处理系统进行处理,通过蒸发冷却的凝结水经后续生化处理后达标排放或回用,蒸发后留下的固体干渣经焚烧炉焚烧,焚烧过程中产生的余热回用于复合膜低温蒸发处理系统,焚烧后的炉渣及除尘设备里的粉灰回收利用。本发明工艺流程短、综合节能投资少,处理费用低,处理后的水可零排放,焚烧后的炉渣可作为建筑材料或路基基础综合利用。

标签:
固废
江苏 - 无锡 来源:中冶有色网 2023-03-19
防堵塞的废水处理装置

本实用新型公开了一种防堵塞的废水处理装置,属于废水处理技术领域,其技术方案要点包括反应罐本体,所述反应罐本体的顶部固定连接有进液斗,所述进液斗的内壁活动连接有筛分机构,所述反应罐本体的左侧固定连接有粉碎机,所述反应罐本体的前侧固定连接有液泵,所述液泵的左侧固定连接有输送管,通过设置筛分机构,在需要对废水进行处理的时候,将废水从顶入口管通入进液斗中,并且落在过滤板水平高度较高的一侧,在废水经过过滤板的时候会滤下较大的杂质或是絮状物等容易导致堵塞的物品,通过振动电机带动过滤板振动以将固体物料通过过滤板的倾斜度从固料出口排出,避免了较大杂质导致的装置容易堵塞。

标签:
固废
江苏 - 无锡 来源:中冶有色网 2023-03-19
羧甲基纤维素钠生产过程废水中氯化钠和乙醇酸钠的色谱分离方法

本发明公开了一种羧甲基纤维素钠生产过程废水中氯化钠和乙醇酸钠的色谱分离方法,属于化工分离领域。该方法包括以下步骤:(1)对生产过程废水进行澄清过滤,得到滤液;(2)对滤液进行浓缩,浓缩倍数为1~5倍,得到浓缩液;(3)调节浓缩液的pH为7~9作为进料液,在20~100℃下,进入装填专用色谱填料的色谱柱,以水作为洗提剂进行色谱分离,分别收集洗提液和残留液;(4)获得两种盐的固体纯品。本发明方法具有操作简单、成本低廉、分离度高、绿色环保等优点,不仅解决CMC生产过程废水的处理问题,同时可回收其中乙醇酸钠和氯化钠,具有很大的社会效益和经济效益。

标签:
固废
江苏 - 无锡 来源:中冶有色网 2023-03-19
高含混盐废水的结晶出盐装置

本实用新型涉及废水处理技术领域,且公开了一种高含混盐废水的结晶出盐装置,包括加热箱,加热箱的左外侧壁固定连接有过滤箱,过滤箱的内部下方固定设有过滤网,过滤箱的上下两端分别固定连接有进料管及输料管,输料管远离过滤箱的一端贯穿加热箱的左侧壁下端并延伸至内部,输料管的内部固定设有控制阀,加热箱的前后内侧壁下端均开设有多个均匀分布的加热槽,且多个加热槽的内部均固定设有电热棒,加热箱的左右内侧壁均通过滚动轴承转动连接有往复丝杆。本实用新型可以对废水进行预处理,避免固体废料导致清理繁琐,且可以防止盐结晶附着加热棒表面,保证了加热棒的加热效果。

标签:
固废
江苏 - 无锡 来源:中冶有色网 2023-03-19
三元复合驱采油废水的处理及原油回收方法及其回收装置

本发明涉及一种三元复合驱采油废水的处理及原油回收方法,用于对在油田中驱采的油废水进行原油回收,所述原油回收方法包括以下步骤:对驱采的油废水进行取样测试,得出油废水样品中的含油量、悬浮物、PH值、聚合物浓度以及碱含量;配置复合处理剂的组分及投加量;油废水通过管道混合器与投加的复合处理剂进行均匀混合;经过管道混合器后的污水进入所述综合处理装置,进行第一次原油回收,以及悬浮固体去除;经过所述综合处理装置处理后的污水进入所述气浮装置,进一步油水分离处理,以及悬浮物的去除,达到第二次原油回收;经过所述气浮装置处理后的污水进入所述精细滤油装置,从而实现第三次原油回收。

标签:
固废
江苏 - 无锡 来源:中冶有色网 2023-03-19
处理高浓度含磷废水的方法

一种处理高浓度含磷废水的方法,包括,将含磷废水加入涡流反应器,同时投加 Ca(OH)2溶液,进行化学反应;再将反应后的废水流入絮凝沉淀池,同时投加AL2O3溶液 和浓度为PAM溶液,经过30-60Min的搅拌混合反应,沉淀过滤;将处理水通过砂过滤 器排入溶气塔,废水在溶气塔内经鼓风机充气,进行化合反应分解改变磷分子结构后, 流入二次沉淀池,同时投加AL2O3溶液,经过化学反应,进行二次沉淀过滤;将二次沉 淀过滤的废水流入过滤池过滤,经回用水池排出,出水磷的含量3-5mg/L。本方法具有 成本低,处理效果好,固体物可回收用于农肥添加剂,工艺简单的优点。

标签:
固废
江苏 - 无锡 来源:中冶有色网 2023-03-19
含盐废液回收装置
含盐废液回收装置 1024     
 0

本实用新型公开了一种含盐废液回收装置,属于废液回收技术领域,包括过安装底座、安装台、龙门架、焚烧炉、过滤机构、废气回收机构和取料机构,所述安装台的两端固定设置在所述安装底座上的两侧,所述龙门架的两端架设在所述安装台上的两侧、所述焚烧炉设置在所述安装台的中间位置上,所述过滤机构架设在所述龙门架上,所述废气回收机构固定设置在所述安装台上的焚烧炉旁,所述取料机构设置在所述安装底座上,通过过滤机构的设置,可以对含盐废液进行杂质过滤,避免了杂质导致系统堵塞,过取料机构的工作,可以对含盐废液焚烧后聚集在焚烧炉底部的固体进行集中收集,避免了焚烧炉底部的腐蚀,便于收集。

标签:
固废
江苏 - 无锡 来源:中冶有色网 2023-03-19
用于处理制漆废料的釜式再沸器

本实用新型公开了一种用于处理制漆废料的釜式再沸器,包括壳体(1),其特征在于:所述壳体(1)的内腔底部设有加热盘管(2),该加热盘管(2)上方的壳体(1)沿着加热盘管(2)的布置方向依次设有进料口(3)、气相出口(4)和抽料口(5),进料口(3)位于加热盘管(2)的末端即远离加热盘管(2)的导热油进口(6)的那一端。本实用新型通过从加热盘管尾端处的进料口投入制漆废料进行加热脱水,加热盘管的前端处的抽料口抽取处理后的废料,抽料的过程使得制漆废料沿着加热盘管布置的方向前行而逐渐沸腾,在此过程中制漆废料中的水分变成气相从进料口和抽料口之间的气相出口挥发出去,从而获得固体制漆废料进行回收再利用。

标签:
固废
江苏 - 无锡 来源:中冶有色网 2023-03-19
测定硅切割废砂浆成分的分析方法

本发明涉及一种测定硅切割废砂浆成分的分析方法,包括以下步骤:(1)称废砂浆记M,将其烘干称重记M1,恒重法得水分含量;(2)向步骤(1)得到的废砂浆中加入丙酮,两者质量比为1 : 1~4,浸泡后离心分离,加热烘干称重记M2,恒重法得聚乙二醇含量;(3)向步骤(2)得到的废砂浆中加入稀盐酸,两者质量比为1 : 2~4,浸泡,待反应无气泡产生,离心分离并用蒸馏水冲洗反应后的固体,加热烘干称重记M3,恒重法得金属含量;(4)向步骤(3)得到的废砂浆中加入48%HF和30%H2O2的混合溶液,两者的质量比为1 : 1~1.3,用清水洗涤,加热烘干称重记M4,恒重法得硅含量;该方法准确度、精密度高,操作简单,成本较低,为工业提供了评估废砂浆开发价值的测定方法。

标签:
固废
江苏 - 无锡 来源:中冶有色网 2023-03-19
高盐废水结晶干化分离装置

本实用新型公开了一种高盐废水结晶干化分离装置,包括密封箱体,高位槽设置在密封箱体的顶端,竖向的出料管与密封箱体可转动连接,出料管上配合设置有旋转驱动机构;密封箱体内设置有锥筒状的加热元件,加热元件上方对应设置有布料管和刮刀,布料管通过出料管与高位槽相通;加热元件下方设置有料斗,加热元件上下对应设置在料斗的敞口内,料斗的底端设置有滤网,料斗底端出液口通过密封箱体出液口和废液管与废液桶连接,废液桶上还连接有废气抽出装置。该高盐废水结晶干化分离装置结构合理,通过设置循环的蒸发、固液分离、废液回流机构,料斗中所得到的固体结晶含液量小,能有效减少操作人员工作量。

标签:
固废
江苏 - 无锡 来源:中冶有色网 2023-03-19
餐厨废弃物的采集分离装置

本实用新型公开了一种餐厨废弃物的采集分离装置,设置在餐厨废弃物处理流水线的前道,双层结构的采集斗顶层由若干密布滤液孔的带孔滤板组成,料斗底部形成出渣口,在出渣口下方设置筛选装置;下层料斗底板板面不设置孔,料斗底部形成出液口,出液口通过输液管连通至渣液混合槽。本实用新型针对餐厨废弃物含水量大的特点,在采集斗进行固液分离,分离出其中的固体进入筛选装置与粉碎机,从而避免了过多的水分造成筛选、粉碎负载大、效率差等不利影响,获得高效的筛选与粉碎效果。本实用新型不仅充分利用了污水中内含肥效,而且避免了废水排放产生的污染及增加的污水处理设施与运行成本。

标签:
固废
江苏 - 无锡 来源:中冶有色网 2023-03-19
高级氧化洗涤法治理有机废气一体化装置

高级氧化洗涤法治理有机废气一体化装置,属废气、废水处理领域,冷凝器前管道接废气进气管、后管道连接洗涤塔,洗涤塔顶端的排气筒连接风机,洗涤塔的出水管与氧化槽通过管道连接,洗涤塔出水管与氧化槽连接的管道上设置有加药器,氧化槽的底部连通臭氧发生器,氧化槽的下部设有循环回流管,所述的循环回流管与洗涤塔上部连接,将冷凝、洗涤、氧化集中一体,可处理高浓度、小气量、难处理的综合性废气和产生的废水,通过PLC控制实现一体化清洁化治理,废气和废水都达到了排放标准且废水可循环使用,另外还能对可回收性溶媒类、易升华类固体类物质进行回收,整个处理过程无需消耗燃料,采用整体组装可移动式结构,使用范围广泛。

标签:
固废
江苏 - 无锡 来源:中冶有色网 2023-03-19
精馏塔废气过滤装置
精馏塔废气过滤装置 1063     
 0

本实用新型公开了一种精馏塔废气过滤装置,具体涉及过滤领域,包括装置本体,所述装置本体的底端固定安装有底座,所述装置本体的底端开设有塔底液体出口,所述装置本体的底端开设有排气孔,所述装置本体的表面开设有蒸汽入口,所述装置本体的表面开设有液体进入口,所述装置本体的内部固定安装有塔盘,所述装置本体的底端开设有塔顶蒸汽出口。本实用新型通过设置过滤网与活性炭、半透膜,使得过滤装置在过滤精馏塔产生的废气时,活性炭吸收废气中的固体杂质与水分,半透膜吸收废气中的酸性气体,如一氧化碳、二氧化碳等,达到对废气的多步处理,充分过滤精馏塔产生的废气,提高了该装置的社会有益性。

标签:
固废
江苏 - 无锡 来源:中冶有色网 2023-03-19
重金属废液固化系统
重金属废液固化系统 750     
 0

本实用新型公开了一种重金属废液固化系统,包括用于废液收集的废液槽,将废液槽输送至蒸发器的倒液泵,设置于倒液泵和蒸发器之间的电磁阀,蒸发器的排水汽口通过管道连接到冷却箱,冷却箱连接水箱,蒸发器的密封门外下方设有固化体收集箱,所述蒸发器包括多个蒸发腔体以及能够对多个蒸发腔体进行加热的热源,每个蒸发腔体包括具有凹槽的托盘,托盘靠近电磁阀一侧进液口的方向在蒸发器的内壁上设置能够抬起托盘的升降缸,托盘远离电磁阀一侧的方向有能够使得托盘保持水平的托条。采用本实用新型的设计方案,能够通过升降缸的作用将固化完成后废固体自动倾斜并打开密封门滑入收集箱,结构简单,富于实用。

标签:
固废
江苏 - 无锡 来源:中冶有色网 2023-03-19
铜带刷洗废水处理装置
铜带刷洗废水处理装置 1198     
 0

本实用新型公开了一种铜带刷洗废水处理装置,包括喷淋箱和废水池;喷淋箱内部设置有刷辊;喷淋箱内部贯穿传输设置有带材;刷辊成对夹持设置在带材的两侧;废水池的进口端设置有引水槽;引水槽远离废水池的一端延伸至刷辊下方;引水槽下方间隔平行设置有输水通道;引水槽的底部为滤网结构;刷辊在刷洗过程中产生的废水会下流到引水槽内,随后穿过其底部的滤网结构到达输水通道,水中的固体杂质则被拦截在引水槽槽底,从而实现了污水的初步过滤净化。

标签:
固废
江苏 - 无锡 来源:中冶有色网 2023-03-19
利用氨水软化脱硫废水并回收利用氨水的零排放处理工艺

本发明属于污水处理技术领域,具体涉及一种利用氨水软化脱硫废水并回收利用氨水的零排放处理工艺。本发明的脱硫废水处理工艺,包括以下步骤:(1)预处理:投加石灰调节脱硫废水的pH值,然后投加聚合氯化铝、聚丙烯酰胺混凝沉淀去除悬浮固体;(2)氨水软化:向预处理后的脱硫废水中添加氨水,利用氨水对废水进行软化;(3)吹脱浓缩:控制氨水软化后的脱硫废水的水温为50~70℃,向废水中通入空气,对废水进行吹脱。本发明采用氨水对脱硫废水进行部分软化,并将氨水回收利用于氨法脱氮工序,实现氨氮回收利用,解决了现行双碱法全部软化导致的运行费用太高的问题,同时利用电厂余热高效加热氨水软化后的脱硫废水,能够节省能源,降低成本。

标签:
固废
江苏 - 无锡 来源:中冶有色网 2023-03-19
有机废气处理用充分燃烧装置

本实用新型公开了一种有机废气处理用充分燃烧装置,包括燃烧炉以及设在燃烧炉上的燃烧机构,燃烧炉上固定连接有进气管和排气管,排气管上开设有滑槽并通过滑槽滑动连接有过滤板,排气管上固定连接有支撑块,支撑块上固定连接有连接架,连接架上开设有滑槽并通过滑槽滑动连接有滑动杆,滑动杆与过滤板固定连接,滑动杆上固定连接有挡块,滑动杆上滑动连接有滑动架,滑动杆上套接有第一弹簧,第一弹簧的两端分别与挡块与滑动架固定连接;本实用新型通过整体结构的配合,达到了在过滤板的重量达到一定时,清理刷对过滤板清刷,避免了过滤板的固体废弃物附着多,影响排气效果,同时避免了固体废弃物跟随气体排出,影响外界环境的效果。

标签:
固废
江苏 - 无锡 来源:中冶有色网 2023-03-19
用于处理热电厂废气的装置

本实用新型公开了一种用于处理热电厂废气的装置,涉及热电厂废气处理设备领域,包括通过管道依次相连的第一引风机、喷淋塔、消毒过滤腔、第二引风机和出风槽;所述喷淋塔内从下至上依次设有第一喷淋头、第二喷淋头和第三喷淋头;所述消毒过滤腔内设有若干层蜂窝状活性炭过滤棉。本实用新型通过喷淋塔和消毒过滤腔联用,能够对热电厂废气内的固体杂质、含硫化合物以及挥发性有机物具有良好的吸附处理效果,保证热电厂产生的废气能够被有效处理后排出。

标签:
固废
江苏 - 无锡 来源:中冶有色网 2023-03-19
废液浓缩装置
废液浓缩装置 773     
 0

本实用新型涉及浓缩装置领域,旨在提供一种废液浓缩装置,其技术方案要点是包括浓缩水箱、UF膜组件,浓缩水箱上连通有废液处理管和回流管;废液处理管的一端连接有三通转向阀一,三通转向阀一的另两个端口分别连接有第一导流管和第二导流管;回流管的一端连通浓缩水箱,另一端连通有三通转向阀二,三通转向阀二的另两个端口分别连接第一导流管和第二导流管;UF膜组件的两端分别连接有第一连接管和第二连接管,第一连接管背离UF膜组件的一端与第一导流管连通,第二连接管背离UF膜组件的一端与第二导流管连通,且UF膜组件上连接有清水管。这种废液浓缩装置能够对乳化废水中的乳化油分以及固体物质进行过滤,从而使过滤后得到的水能够排放。

标签:
固废
江苏 - 无锡 来源:中冶有色网 2023-03-19
印染废水处理设备
印染废水处理设备 967     
 0

一种印染废水处理设备,包括:设备主体,设备主体一端侧壁开设有进料口,设备主体内设有过滤网,设备主体上顶部两端固定连接有限位柱,两个限位柱相对位置设有螺纹杆,螺纹杆一端转动连接一个限位柱侧壁,螺纹杆另一端设有一号电机,螺纹杆上套接有螺纹套,本实用新型具有以下优点:通过一号电动伸缩杆、刮板、螺纹杆、螺纹套可以将过滤网表面的固体杂质向两端刮离;通过挡板、杂质排出口、铰链可以将过滤网两端的固体杂质排出设备外;通过滑道、压缩弹簧、T形限位块可以方便对过滤网进行拆卸更换;通过电动伸缩杆、推板、沉淀物清理口、密封板可以对废水沉淀池内的沉淀物进行排出;通过二号电机、搅拌杆可以加快反应箱体内的废水处理速度。

标签:
固废
江苏 - 无锡 来源:中冶有色网 2023-03-19
废塑料分解加热器
废塑料分解加热器 1177     
 0

本实用新型属于固体废弃物的资源综合利用领域,具体为一种废塑料分解加热器,其能够实现废旧塑料的输送、加热、分解,产生的裂解气体成分稳定,提高分解效率,其包括螺旋送料机,所述螺旋送料机的槽体外部套装有加热夹套,所述加热夹套一端设置有加热液体进口、另一端设置有加热液体出口,所述螺旋送料机的螺旋轴上的叶片为多片间断的桨叶式螺旋叶片,所述螺旋轴的每个螺距空挡安装有搅拌齿,所述螺旋送料机的槽体上端开有裂解气体出口。

标签:
固废
江苏 - 无锡 来源:中冶有色网 2023-03-19
上一页 48 49 50 51 52 ... 61 下一页
共61页    到第

中冶有色为您提供最新的江苏无锡有色金属固/危废处置技术理论与应用信息,涵盖发明专利、权利要求、说明书、技术领域、背景技术、实用新型内容及具体实施方式等有色技术内容。打造最具专业性的有色金属技术理论与应用平台!

全国热门有色金属设备推荐
展开更多 +
全国热门有色金属技术推荐
展开更多 +

 

江西省隆恩特环保设备有限公司
宣传

报名参会
更多+

报告下载

有色专家
更多+

郑州大学
中国工程院 院士
北京科技大学
主任/教授
江西理工大学
副校长/教授
洛阳有色矿业集团有限公司
生产技术部经理
赣州江钨钨合金有限公司
工程师
赤泥综合利用研究报告2025
推广

热门技术
更多+

推荐企业
更多+

福建省金龙稀土股份有限公司
宣传

发布

在线客服

公众号

电话

顶部
咨询电话:
010-88793500-807